Đầu băng cối- băng cối

Discussion in 'Nguồn phát Analog' started by mediavn, 14/12/08.

  1. Pilab

    Pilab Advanced Member

    Joined:
    29/1/09
    Messages:
    1.732
    Likes Received:
    329
    Location:
    TP ThanhHoa, VietNam
    Re: Nguồn băng cối UHER bị bong mối hàn nhờ các bác giúp


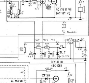
    Có thể thông tin từ nguồn này (gồm 2 trang kèm sơ đồ) giúp bác cách khắc phục:
    http://elektrotanya.com/uher_4000_report.pdf/download.html
     

    Attached Files:

    • u1.jpg
      u1.jpg
      File size:
      100 KB
      Views:
      700
    • u2.jpg
      u2.jpg
      File size:
      73,7 KB
      Views:
      699
  2. litono

    litono Advanced Member

    Joined:
    2/5/08
    Messages:
    2.056
    Likes Received:
    19
    Location:
    THỦ ĐỨC GROUP
    Re: Nguồn băng cối UHER bị bong mối hàn nhờ các bác giúp

    Báo cáo các kụ tình hình em vừa nhặt được em này, các kụ chém nhẹ tay giùm em nhá
    REVOX A-77 MKIV
     

    Attached Files:

  3. hahumg

    hahumg Advanced Member

    Joined:
    28/10/09
    Messages:
    457
    Likes Received:
    60
    Re: Nguồn băng cối UHER bị bong mối hàn nhờ các bác giúp

    hang đẹp giờ em mới biết em này có MKIV bác ở chỗ nào hôm nào qua bác nghe thử
     
  4. litono

    litono Advanced Member

    Joined:
    2/5/08
    Messages:
    2.056
    Likes Received:
    19
    Location:
    THỦ ĐỨC GROUP
    Re: Nguồn băng cối UHER bị bong mối hàn nhờ các bác giúp

    Em nó đang trên máy bay cụ ợ :p em cũng đang sốt ruột đây dù chưa có băng nghe
    Cụ tham khảo A77 ở trang này http://www.reeltoreel.de/worldwide/A77.htm
     
  5. nizt

    nizt Advanced Member

    Joined:
    20/12/09
    Messages:
    215
    Likes Received:
    3
    Các bác giúp em với. Cái đầu Sony 7650 của em nó bệnh rồi, chẳng biết nặng hay nhẹ. Ấn play nó hát nhưng vài giây sau nó mất tiếng, reel vẫn chạy nhưng đồng hồ vu thì không nhảy. Tắt - ấn lại play thì nó lặp lại y chang quá trình nêu trên.
    Các bác giúp em cách chữa với. Chân thành cảm on các bác.
     
  6. litono

    litono Advanced Member

    Joined:
    2/5/08
    Messages:
    2.056
    Likes Received:
    19
    Location:
    THỦ ĐỨC GROUP
    Re: Nguồn băng cối UHER bị bong mối hàn nhờ các bác giúp

    Cuối tuần cụ qua Thiên Ân cà phê rồi ghé em chơi nhé! :lol:
     
  7. litono

    litono Advanced Member

    Joined:
    2/5/08
    Messages:
    2.056
    Likes Received:
    19
    Location:
    THỦ ĐỨC GROUP
    Re: Nguồn băng cối UHER bị bong mối hàn nhờ các bác giúp

    Các kụ ơi em bị cháy cái bóng dò băng nằm đối diện cái đầu xóa của con Revox A77, các kụ có biết ở đâu bán không chỉ giúp em 1 cái, em cám ơn các kụ nhiều :p
     
  8. dkz75

    dkz75 Advanced Member

    Joined:
    26/5/10
    Messages:
    62
    Likes Received:
    1
    Mình có em Tandberg chạy băng nhỏ 7' máy bị hiện tượng khi nghe gần hết cuộn băng còn bài cuối cùng máy bắt đầu quay chậm lại nghe tiếng éo éo nhão nhão hình như motor kéo không nổi. Nhờ AE chẩn bệnh và nếu có thể hướng dẫn cách xử lý dùm. Cám ơn mọi người nhiều !!!
     
  9. Rõ Rồi

    Rõ Rồi Advanced Member

    Joined:
    25/6/12
    Messages:
    816
    Likes Received:
    52
    Bác dkz75 cho thêm thông tin về model máy đi. Nếu có thể, bác chụp hình giùm mặt trước chổ bánh tỳ cao su + captans, cho luôn hình chụp mặt sau (tháo nắp sau nhé). Khi có đủ thông tin, em nghĩ sẽ có nhiều người giúp được bác :D
     

    Attached Files:

  10. nizt

    nizt Advanced Member

    Joined:
    20/12/09
    Messages:
    215
    Likes Received:
    3
    Em có cái Teac 6100 mà em chẳng biết tra dầu cho hai cái motor reel ở chỗ nào. Em không thấy ống tra dầu cũng chẳng thấy dấu hiệu nào cụ thể. Nhờ các bác chỉ chỗ giúp em. Em cảm ơn.
     
  11. tai_trau

    tai_trau Moderator

    Joined:
    11/4/06
    Messages:
    15.560
    Likes Received:
    5.121
    Location:
    Hà Nội
    6100 thì bác mở nắp che lưng máy ra, bác sẽ nhìn thấy 2 ống nhựa nhỏ trong để tra dầu. Do ống nhỏ và khá dài nên bác cần 1 cái xi lanh để bơm vô đó. Trước em hay lấy dầu máy khâu để tương vào.
     
  12. lenamit

    lenamit Advanced Member

    Joined:
    1/6/08
    Messages:
    2.444
    Likes Received:
    11
    Location:
    Có nắng , có gió , không có cái đó
    @nizt mở nắp sau có cọng ống nhưa màu trắng bé xíu luốn từ bạc dầu lên , lấy ống chích bơm từ từ dầu vào đấy , dùng dầu tốt không bơm dầu tạp sẽ bó cốt sau này
    TEAC RELL MOTOR
     

    Attached Files:

  13. nizt

    nizt Advanced Member

    Joined:
    20/12/09
    Messages:
    215
    Likes Received:
    3
    Ủa ! Sao lạ vậy ta, em tìm mãi đâu có thấy cái ống này đâu. Chỉ thấy cái ống của motor captans thôi, còn motor reel thì mỏi con mắt cũn chẳng thấy, kể cả 1 cái lỗ châm dầu. Teac 4300 cũng y chang vậy.
    Cả on bác lenamit và bac tai
     
  14. tpct

    tpct Approved Member

    Joined:
    2/10/11
    Messages:
    28
    Likes Received:
    0
    TEAC 6010 ,TEAC 4300 motor rell dùng vòng bi,nên không có lô tra dầu
     
  15. trungdt

    trungdt Advanced Member

    Joined:
    2/6/08
    Messages:
    207
    Likes Received:
    33
    4300 e chưa chơi,nhưng 6010 có ống tra dầu, và sài ''bạc dầu'' bình thường.Đối với teac 6010,các bác gở nắp bằng sắt phía trên máy, sẽ thấy 2 ống tra dầu thôi ạ.
     
  16. Hungthuocbac

    Hungthuocbac Advanced Member

    Joined:
    5/7/12
    Messages:
    3.911
    Likes Received:
    7
    Location:
    Thanh Hóa
    Re: Nguồn băng cối UHER bị bong mối hàn nhờ các bác giúp

    Úi!Cụ nhặt đc em này đẹp quá.Chúc mừng cụ!!! :D
     
  17. nizt

    nizt Advanced Member

    Joined:
    20/12/09
    Messages:
    215
    Likes Received:
    3
    Của em là Teac 6100. Nếu loại này chạy vòng bi, không có lỗ tra dầu thì tra dầu vào chỗ nào nhờ các bác hướng dẫn, em mới tập chơi băng cối nên chưa có kinh nghiệm. Thanks các bác.
     
  18. homanhhuong

    homanhhuong Advanced Members

    Joined:
    18/2/11
    Messages:
    1.226
    Likes Received:
    23
    Location:
    Đinh audiophile Càfe - Gò Vấp HCM
    Chào các Bác!

    Em có 3 cuộn băng cối 10inch. Nay muốn thâu các chương trình cũ có các ca sỹ như; Hoàng Oanh, Duy Khánh, Chế Linh, Giao Linh....... Mà không biết thâu ở đâu có tiếng dày......
    Các bác biết, vui lòng cho em xin địa chỉ.
    Em ở HCM ạ!

    Cám ơn các bác!
     
  19. Zorro

    Zorro Advanced Member

    Joined:
    14/12/05
    Messages:
    3.308
    Likes Received:
    552
    Location:
    Saigon
    Em biết ở SG có bác chơi băng cối, thu băng tiếng cũng dày dặn, nhưng em biết gout bác ấy lại không có các ca sĩ như yêu cầu của bác!
     
  20. nizt

    nizt Advanced Member

    Joined:
    20/12/09
    Messages:
    215
    Likes Received:
    3
    Em mới vừa mua 2 cuộn băng cối loại 1 nước. Khi về mở thử thì thấy băng bị rít quá, kêu ét ét khi chạy, sợi băng bị dính vào trục đỡ băng và đầu từ. Em không biết làm sao cho hết, nhờ các bác chỉ cách khắc phục hiện tượng này giúp em. Cảm ơn các bác.
     
  21. litono

    litono Advanced Member

    Joined:
    2/5/08
    Messages:
    2.056
    Likes Received:
    19
    Location:
    THỦ ĐỨC GROUP
    Re: Nguồn băng cối UHER bị bong mối hàn nhờ các bác giúp

    Ở Hà Lội đó cụ :D hehe người ta gọi là chở củi về rừng
     
  22. Zorro

    Zorro Advanced Member

    Joined:
    14/12/05
    Messages:
    3.308
    Likes Received:
    552
    Location:
    Saigon
    Do băng chất lượng kém hoặc bảo quản không tốt nên bột từ bị thôi ra khi play.
    Trường hợp này không thể khắc phục được bác ơi!
     
  23. Hung78

    Hung78 Advanced Member

    Joined:
    17/2/11
    Messages:
    297
    Likes Received:
    26
    Em cũng đang chơi 6100 và chỉ thấy mỗi ống tra dầu mô tơ ở giữa.
     
  24. nizt

    nizt Advanced Member

    Joined:
    20/12/09
    Messages:
    215
    Likes Received:
    3
    Thế bác tra dầu bằng cách nào ? Chỉ em với. Không tra được dầu vừa chơi vừa lo, mất sướng :D .
    Có bác nào giúp em với.
     
  25. Hung78

    Hung78 Advanced Member

    Joined:
    17/2/11
    Messages:
    297
    Likes Received:
    26
    Em thì cứ lấy dầu máy khâu đổ vào lọ thuốc nhỏ mắt rồi bơm vào cái ống nó thò lên ở giữa mô tơ ấy. Không thì bác dung xilanh như các bác ở trên đã chỉ.
     

Share This Page

Loading...