Chip DAC trong các CDP

Thảo luận trong 'Nguồn phát Digital' bắt đầu bởi ThanhTruc03, 10/12/05.

  1. Forward_Time

    Forward_Time New Member

    Tham gia ngày:
    14/9/08
    Bài viết:
    1
    Đã được thích:
    0
    Em có con CD Panasonic DAC dùng con D6376, hôm vừa rồi đang dùng thấy tịt tiếng mà CD vẫn đọc, mở ra kiểm tra thấy tịt từ DAC. Vậy có bác nào biết chỉ giúp em kiếm con này ở đâu hoặc có thể dùng con nào thay nó được không ạ ?

    Thanks all.
     
  2. CAPTAIN

    CAPTAIN Advanced Member

    Tham gia ngày:
    19/8/08
    Bài viết:
    1.435
    Đã được thích:
    29
    Nơi ở:
    Somewhere Out There
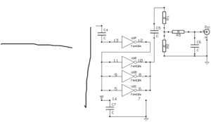
    Chip SM5872BS & CS4392 cái nào cho chất âm hay hơn vậy các bác?
     
  3. nhacvang2009

    nhacvang2009 Advanced Member

    Tham gia ngày:
    19/3/09
    Bài viết:
    686
    Đã được thích:
    26
    Em thấy Marrant và philips có dùng các loại DAC như 1540,1541,1541A,1541AS1,1543 và 1547. Xin các bác cho nhận xét về các loại DAC này, có phải số càng to thì nghe càng hay ko
     
  4. nguyenloi

    nguyenloi Advanced Member

    Tham gia ngày:
    28/2/09
    Bài viết:
    291
    Đã được thích:
    2
    Nơi ở:
    Thủ Đức
    đang nghiên cứu
     
  5. Супер

    Супер Advanced Member

    Tham gia ngày:
    22/9/09
    Bài viết:
    7.761
    Đã được thích:
    61
    Nơi ở:
    Антарктида
    Em đoán bừa...bác vứt cái tube đi xem.
     
  6. nguyenloi

    nguyenloi Advanced Member

    Tham gia ngày:
    28/2/09
    Bài viết:
    291
    Đã được thích:
    2
    Nơi ở:
    Thủ Đức
    Xin tiếp nhận cách thứ nhất của bác hehe , vậy có bác nào có cao kiến khác xin chỉ bảo tiếp .
     
  7. nguyenloi

    nguyenloi Advanced Member

    Tham gia ngày:
    28/2/09
    Bài viết:
    291
    Đã được thích:
    2
    Nơi ở:
    Thủ Đức
    trong bảng này không có dac cdp denon 1550G ,vậy con này chạy dac gì vậy các bác ?
     
  8. oDoh5

    oDoh5 Advanced Member

    Tham gia ngày:
    30/3/09
    Bài viết:
    2.001
    Đã được thích:
    5
    Nơi ở:
    DNCity
    Bác hỏi cái gã diy giùm bác đó rằng gã diy theo cái mạch nào rồi bác post cái mạch "có độ rộng thua con DVD cỏ" đấy lên đây xem sao?
     
  9. nguyenlan

    nguyenlan Advanced Member

    Tham gia ngày:
    11/8/08
    Bài viết:
    639
    Đã được thích:
    146
    Nơi ở:
    Q.12 - Hồ chí Minh
    Chip CXD2518Q trong CDP Rotel 930AX .

    Mới lụm được con CDP Rotel 930AX , không biết nó sử dụng giải mã như thế nào ? Tra cứu bảng DAC - Transport litst thấy ghi là : CXD 2518Q BH3561F dùng mắt KSS210A .( ở trước mặt máy ghi là : 1 bit Dual D/A converter ) .Nhờ các Bác chuyên gia giúp dùm với . Xin Cám ơn .
     

    Các file đính kèm:

  10. skqthtb

    skqthtb Advanced Member

    Tham gia ngày:
    1/1/10
    Bài viết:
    217
    Đã được thích:
    46
    Em đang dùng esoteric x-1s không biết nó sử dụng dac gì mà máy nặng thế, voíư lại em muốn mod lên ko biết có được ko???
     
  11. caithang

    caithang Advanced Member

    Tham gia ngày:
    6/4/06
    Bài viết:
    8.982
    Đã được thích:
    40
    Nơi ở:
    Hanoi
    Cái "DAC" nó nhẹ hều bác à :D.
    Giọng nó chán chỗ nào mà bác định mod để thay đổi ?
     
  12. Супер

    Супер Advanced Member

    Tham gia ngày:
    22/9/09
    Bài viết:
    7.761
    Đã được thích:
    61
    Nơi ở:
    Антарктида
    AD1862N-J x 4 :mrgreen:
     
  13. skqthtb

    skqthtb Advanced Member

    Tham gia ngày:
    1/1/10
    Bài viết:
    217
    Đã được thích:
    46
    Em đơn giản chỉ muốn nghịch ngợm nâng cấp cho hay hơn và thỏa mãn swj hiểu biết thôi bác ạ, bán đi lỗ quá. Không biết ở HN chỗ nào chuyên mod CDP bác nhỉ???
     
  14. ducmdc

    ducmdc Advanced Member

    Tham gia ngày:
    5/8/08
    Bài viết:
    489
    Đã được thích:
    426
    Nơi ở:
    Hà Đông - Hà Nội
    Qua sử dụng 1 vài CDP của các hãng khác nhau có sử dụng các chip DAC khác nhau. Tôi thấy rằng chip DAC không hẳn hoàn toàn quyết định âm thanh của thiết bị có hay hay không, mà phần lớn phụ thuộc vào độ kỹ trong thiết kế mạch và chất lượng ninh kiện, nên tôi nghĩ khi mua đầu CD các bác đừng quá để ý vào nó dùng chíp gì mà bị phân tâm khi nghe thẩm định (cái này tôi thấy mới là quan trọng). Mong các bác có cái nhìn khách quan tổng thể đừng để chip DAC chi phối khi mua đầu CD. Chúc các bác vui :D
     
  15. sunaudi

    sunaudi Advanced Member

    Tham gia ngày:
    22/11/09
    Bài viết:
    67
    Đã được thích:
    0
    Em có con CDP Nikko NCD-760 của canada tiếng rất hay nhưng không biết chạy giải mã gì, bác nào biết chỉ em với ạ :D
     
  16. newpower

    newpower Advanced Member

    Tham gia ngày:
    8/4/09
    Bài viết:
    1.761
    Đã được thích:
    81
    Em có cái CDP KENWOOD DP-7J muốn móc được SPDIF ra để làm DAC ngoài nhưng khg tra được các chíp trên bo là CXA 1244S, CXA 1081, LC3518BSL-15, ngoài ra còn 01 con chíp vuông vuông dán mặt dưới có tên Sony D1135QZ (có lẽ là DSP) các bác nào có kinh nghiệm chỉ giúp Em cách móc đường SPDIF (RF) với. Cám ơn nhiều
     
  17. khuehn

    khuehn Advanced Member

    Tham gia ngày:
    12/10/06
    Bài viết:
    5.241
    Đã được thích:
    50
    Nơi ở:
    Ha noi
    Đồng ý với ý kiến của bác, tuy nhiên mình cũng vẫn bảo lưu quan điểm > cần lưu tâm 3 điểm chính trong 1 chú CDP:
    1/ Thứ nhất về bộ cơ phải ổn định chống rung tốt, tốc độ chuẩn;
    2/ Chất lượng các chip DAC rất quan trọng nó sẽ quyết định phần quan trọng về chất âm của đầu CD, ví dụ như tại sao các đầu CD của hãng technics lại không được ưa chuộng vì nó đa số nó dùng chip DAC của bản hãng (họ LCxxxx), tại sao các con chíp như TA1541A, TDA1547, TA1543, PCM56, PCM63, rất nhiều các loại chip khác không phổ biến như họ CSXXXX .Vvv.., nhưng chất âm miễn bàn, rồi ngay cả con chip DAC AKM4309AVM trong đầu chơi game PS1 của sony sau khi mode cho âm thanh rất bất ngờ ! nếu bộ cơ của nó mà được chế tạo kỹ hơn thì đập chết nhiều loại CDP có trên thị trường !
    3/ Linh kiện sử dụng trong các đầu CDP các tụ ,điện trở for audio, phần nguồn được chế tạo kỹ, cẩn thận riêng các nguồn cho phần digital, analogue...
    Riêng mình nếu đánh giá chất lượng một CDP nào đó vẫn có thứ tự nhận xét như trên và không chối cãi được chíp DAC hay sẽ cho âm thanh hay
     
  18. cuongnm

    cuongnm Advanced Member

    Tham gia ngày:
    28/5/09
    Bài viết:
    2.502
    Đã được thích:
    10
    Nơi ở:
    HLGA - GẦM...
    bác thử pin27 CXD1135 ạ !
     
  19. newpower

    newpower Advanced Member

    Tham gia ngày:
    8/4/09
    Bài viết:
    1.761
    Đã được thích:
    81
    Cám ơn bác cuong Em thu ngay đây ạ
     
  20. newpower

    newpower Advanced Member

    Tham gia ngày:
    8/4/09
    Bài viết:
    1.761
    Đã được thích:
    81
    Em đã thử Kt tín hiệu trên chân 27 Có tín hiệu số trên chân này khi tắt tín hiệu đứng , khi play tín hiệu tuôn. Nhưng khi móc tin hiệu ra ở chân 27 (qua tụ 0.1) thì máy dừng báo khg đọc được đĩa (hiển thi 00:00--------). Bác nào giúp Em với
     
  21. HDhunter

    HDhunter Advanced Member

    Tham gia ngày:
    13/1/10
    Bài viết:
    3.186
    Đã được thích:
    22
    Nơi ở:
    Gầm cầu Long Biên
    KO biết cái con AD1865N-K nó xếp ở phân hạng nào bác nhở,nghe cụ QH nói thì e nó là vô địch :)
     
  22. cuongnm

    cuongnm Advanced Member

    Tham gia ngày:
    28/5/09
    Bài viết:
    2.502
    Đã được thích:
    10
    Nơi ở:
    HLGA - GẦM...
    bác lắp thêm cái này nữa ạ :
    R1: 220 Ohm
    R2: 82 Ohm
    R3: 10 Ohm
    C1, C3, C5, C7: 100 nF
    C2: 100 µF
    C4: 1000 pF
    C6: 22 pF
     

    Các file đính kèm:

  23. newpower

    newpower Advanced Member

    Tham gia ngày:
    8/4/09
    Bài viết:
    1.761
    Đã được thích:
    81
    Cám ơn bác cuongnm sau khi cắt đường nối từ chân 27 đến bộ KD đệm cho Opical và nối trực tiếp từ chân này đến DAC thì đèn LED trên DAC đã chớp nháy nhưng vẫn khg có tín hiệu ra bác a
     
  24. VQ_audio

    VQ_audio Advanced Member

    Tham gia ngày:
    13/7/06
    Bài viết:
    9.261
    Đã được thích:
    28
    Technics xài chíp DAC họ MNxxxx bác ơi - technics dòng MASH có tiếng tăm đấy chứ ạ :mrgreen: con chíp DAC siêu cỏ PCM-1710U làm cái nguồn tử tế nghe cũng hay lắm ạ !
     
  25. khuehn

    khuehn Advanced Member

    Tham gia ngày:
    12/10/06
    Bài viết:
    5.241
    Đã được thích:
    50
    Nơi ở:
    Ha noi
    Buồn mất 1 phút ! mình đang có con chíp DAC PCM-1710U đang định làm cái mạch digital receiver cho nó để thành cái DAC thử xem chất âm ra sao mà nó lại bị đánh giá là "siêu cỏ" thì không biết có nên tiếp tục không ?
    @ bác VQ_audio: Đúng rồi mình nhầm Technics xài chíp DAC họ MNxxxx, mấy anh JVC cũng hay dùng DAC họ MNxxxx này trong VCD
     

Chia sẻ trang này

Đang tải...