[CLONE] Micro Seiki RX-5000 - Made in Vietnam

Discussion in 'Nguồn phát Analog' started by ducanhle, 13/5/11.

  1. Analog

    Analog Advanced Member

    Joined:
    27/7/09
    Messages:
    419
    Likes Received:
    29
    Bên nhà toàn củ loa thôi :D .
    Trước khi qua nhắn em cái nhé!
     
  2. asm

    asm Advanced Member

    Joined:
    2/2/09
    Messages:
    171
    Likes Received:
    0
    Location:
    HCM
    [​IMG]
    phải dzị không hả cụ
     
  3. regular

    regular Advanced Member

    Joined:
    6/6/07
    Messages:
    7.375
    Likes Received:
    22
    Location:
    Non-Groups
    Cái lỗ nhỏ góc nhọn khg cần khoan. Lỗ 19 cần 2 vít chí.
    Nhìn có vẻ ngắn nhỉ?
     
  4. asm

    asm Advanced Member

    Joined:
    2/2/09
    Messages:
    171
    Likes Received:
    0
    Location:
    HCM
    Lăn tăn hả xiem đây

    [​IMG] kiểu này anh Google phái nè

    [​IMG]
    kiểu này mấy em luyện chưởng phái Ninja phái nè
     
  5. ThanhVNS

    ThanhVNS Advanced Member

    Joined:
    13/10/06
    Messages:
    7.105
    Likes Received:
    80
    Location:
    77/25/1 Phạm Đăng Giảng-Q Bình Tân-TP.HCM (M4-KCN
    Làm kiểu mấy con nghiện Beer khoái đi cho nó thời sự :twisted: :mrgreen: :mrgreen:
     

    Attached Files:

  6. regular

    regular Advanced Member

    Joined:
    6/6/07
    Messages:
    7.375
    Likes Received:
    22
    Location:
    Non-Groups
    Ngoáy liền 1 cái ninja đê! Phi 19
     
  7. ducanhle

    ducanhle Advanced Member

    Joined:
    21/6/07
    Messages:
    1.704
    Likes Received:
    3
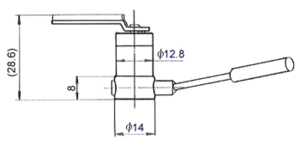
    cụ asm cho em điểu chỉnh kích thước tí nhé :)
    Vì hơi vướng cái lỗ arm lift 1 tí do anh em có gì xài đó nên kích thước nó cũng vô chừng: D12-D14.
    Em có 1 cái tháo từ cần victor thì nó là 13mm, trong khi 1 cái định mua thì nó là D12mm (đường kính D12 có vẻ phổ thông). Trừ trường hợp cụ ASM cung cấp luôn cái arm lift này thì khỏi tính. Hay mình cứ làm to rồi đệm thêm cái vòng xuyến vào nếu cần, khỏi mất công điều chỉnh mẫu :mrgreen:
     

    Attached Files:

  8. asm

    asm Advanced Member

    Joined:
    2/2/09
    Messages:
    171
    Likes Received:
    0
    Location:
    HCM
    bớt chút đỉnh số lẻ đi được kg , quen mà nói thách quá :)
     
  9. ducanhle

    ducanhle Advanced Member

    Joined:
    21/6/07
    Messages:
    1.704
    Likes Received:
    3
    Yes sir, ban nãy em lộn số, mới update :mrgreen: nếu xài cho cần ortofon, EMT thì lỗ bắt vào cần là: D20

    anh cho em fix luôn cái hold cho cần Thomas Schick nhé (cái này lỗ bắt vô cần mới là D19),
    vì clone phải giống mới sướng :mrgreen:, cái schick của cụ rề chắc cũng theo cái này.
     
  10. regular

    regular Advanced Member

    Joined:
    6/6/07
    Messages:
    7.375
    Likes Received:
    22
    Location:
    Non-Groups
    Lúc đầu tính cái này, nhưng thấy khg đẹp lại mod wa cái Ortofon kia.
    Ừh thì kỉu nào cũng được. Nhưng Thomas dày 4 mà chick lỗ M3 thì đố anh ASM làm được. Làm dày 5 và chí vít M3*2 đê.
     
  11. ducanhle

    ducanhle Advanced Member

    Joined:
    21/6/07
    Messages:
    1.704
    Likes Received:
    3
    hehe, chơi cả 2 đi cụ :mrgreen: , quen mà lâu lâu mới quấy rầy :)
     
  12. asm

    asm Advanced Member

    Joined:
    2/2/09
    Messages:
    171
    Likes Received:
    0
    Location:
    HCM
    hehe đâu có sao kiểu nào cũng OK vì tớ làm 8 nhát 1 phát , mỗi cụ cứ chia ra mà sài dần dần
     
  13. ThanhVNS

    ThanhVNS Advanced Member

    Joined:
    13/10/06
    Messages:
    7.105
    Likes Received:
    80
    Location:
    77/25/1 Phạm Đăng Giảng-Q Bình Tân-TP.HCM (M4-KCN
    Hic, cái đống sắt ấy đang chờ xe nó cẩu ra Dương Bá Trạc xẻ thịt cân ký mà cứ leo lẻo " 8 nhát 1 phát" có mà chém bằng tay :twisted: :mrgreen: :mrgreen:
     
  14. asm

    asm Advanced Member

    Joined:
    2/2/09
    Messages:
    171
    Likes Received:
    0
    Location:
    HCM
    iem đưa đi gia công số nượng nớn , máy iem chĩ chạy mấy cái việc vặt cho cụ Fly thoai
     
  15. ducanhle

    ducanhle Advanced Member

    Joined:
    21/6/07
    Messages:
    1.704
    Likes Received:
    3
  16. regular

    regular Advanced Member

    Joined:
    6/6/07
    Messages:
    7.375
    Likes Received:
    22
    Location:
    Non-Groups
    Hum nay em lại nghịch anti-skate . :p
    [​IMG]
    Hum bữa đang vẽ phác cái kích thước. Rùi bận lại cất vào. :)
    Kụ ASM đng ngiên cú Linear tracking :p
     
  17. kthien

    kthien Advanced Member

    Joined:
    19/3/11
    Messages:
    1.539
    Likes Received:
    74
    Location:
    TP Công Nghiệp
    Kính thưa các bác sau một tháng miệt mài em đã hoàn thành 50% công trình, phần thô đã tạm ổn chuẩn bị cho các chi tiết kèm theo:
    [​IMG]
     
  18. kthien

    kthien Advanced Member

    Joined:
    19/3/11
    Messages:
    1.539
    Likes Received:
    74
    Location:
    TP Công Nghiệp
    em làm thêm chân vuông để thay đổi cho thích mắt khi chán chân tròn:

    [​IMG]
     
  19. kthien

    kthien Advanced Member

    Joined:
    19/3/11
    Messages:
    1.539
    Likes Received:
    74
    Location:
    TP Công Nghiệp
    Phần trục em thấy khó khăn nhất cũng đã tạm ổn khi em kiếm được loại Cu của Nhật cũ chuyên chế tác bạc, vẫn còn rất lo độ ồn nên phải chờ cho em nó cất tiếng rồi tính tiếp các bác xem góp ý cho em:

    [​IMG]
     
  20. haibi

    haibi Advanced Member

    Joined:
    26/12/11
    Messages:
    56
    Likes Received:
    5
    nhìn cũng thấy ổn đấy bố cháu nhỉ
     
  21. regular

    regular Advanced Member

    Joined:
    6/6/07
    Messages:
    7.375
    Likes Received:
    22
    Location:
    Non-Groups
    Được rùi. Bác làm típ đi. Khg lo ồn đâu.
    .
     
  22. kthien

    kthien Advanced Member

    Joined:
    19/3/11
    Messages:
    1.539
    Likes Received:
    74
    Location:
    TP Công Nghiệp
    Vâng em đang triển khai tiếp có gì em alo bác. thanks
     
  23. pheulong

    pheulong Advanced Member

    Joined:
    11/1/07
    Messages:
    7.571
    Likes Received:
    18
    các góc cạnh hơi vo tròn cho tổng thể không bị cục mịch nặng nề em ạ,khi nào cần sơn tĩnh điện alô cho anh :)
     
  24. kthien

    kthien Advanced Member

    Joined:
    19/3/11
    Messages:
    1.539
    Likes Received:
    74
    Location:
    TP Công Nghiệp
    Đây mới là phần thô còn phần tinh nữa mà bác. Vậy thì hay quá em đang lo chưa biết sơn ở đâu
     
  25. metalworks

    metalworks Advanced Member

    Joined:
    5/8/09
    Messages:
    2.374
    Likes Received:
    8
    Motorbox, phần chụp và plinth bác làm bằng vật liệu gì thế? thép carbon?
     

Share This Page

Loading...