[CLONE] Micro Seiki RX-5000 - Made in Vietnam

Discussion in 'Nguồn phát Analog' started by ducanhle, 13/5/11.

  1. Супер

    Супер Advanced Member

    Joined:
    22/9/09
    Messages:
    7.761
    Likes Received:
    62
    Location:
    Антарктида
    Re: Dự án Clone Micro Seiki RX-5000 sắp khánh thành

    Hic, tự nhiên không ngủ được vì mơ thấy Micro :lol:
    Nếu không thích dùng loại 10 turns, nếu không khoái chơi loại của Nhật Bủn kia, em có loại này, đạt yêu cầu, loại 1 turn, linear, mỗi tội hơi bị gấu nên giá cũng không rẻ (gấp đôi mấy loại kia)

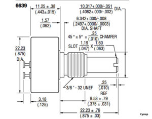
    Bourns 6639S loại 2K : (em lấy tạm hình cái 20K)

    [​IMG]
     
  2. Супер

    Супер Advanced Member

    Joined:
    22/9/09
    Messages:
    7.761
    Likes Received:
    62
    Location:
    Антарктида
    Re: Dự án Clone Micro Seiki RX-5000 sắp khánh thành

    Kích thước của 6639S đây :
     

    Attached Files:

  3. regular

    regular Advanced Member

    Joined:
    6/6/07
    Messages:
    7.375
    Likes Received:
    22
    Location:
    Non-Groups
    Re: Dự án Clone Micro Seiki RX-5000 sắp khánh thành

    Kích thước cũng ok luôn. Nhưng giá khủng quá chít các cụ kia! :lol:
    Các cụ vote thì mang về em lắp vô! Đến micro cũng chả dám xài cái ấy! :lol:
     

    Attached Files:

  4. metalworks

    metalworks Advanced Member

    Joined:
    5/8/09
    Messages:
    2.374
    Likes Received:
    8
    Re: Dự án Clone Micro Seiki RX-5000 sắp khánh thành

    chả biết gì, cứ khủng là em vote :)
     
  5. ducanhle

    ducanhle Advanced Member

    Joined:
    21/6/07
    Messages:
    1.704
    Likes Received:
    3
    Re: Dự án Clone Micro Seiki RX-5000 sắp khánh thành

    Micro hồi xưa qua Trương Định mua part về lắp hay sao mà nhìn chiết áp giống quá :lol:
     
  6. regular

    regular Advanced Member

    Joined:
    6/6/07
    Messages:
    7.375
    Likes Received:
    22
    Location:
    Non-Groups
    Re: Dự án Clone Micro Seiki RX-5000 sắp khánh thành

    Cái biến trở của driver (chúng ta sẽ dùng) khi ở chế độ điều chỉnh on board nó chỉ có thế này thui! :lol: Của mình dùng chế độ chạy VR bên ngoài dùng mấy cái em mua vậy là khủng roài! :mrgreen:
     

    Attached Files:

  7. ducanhle

    ducanhle Advanced Member

    Joined:
    21/6/07
    Messages:
    1.704
    Likes Received:
    3
    Re: Dự án Clone Micro Seiki RX-5000 sắp khánh thành

    cụ đã test mấy biết trở ở trương định chưa ạ, ok rồi duyệt luôn dùm em, mấy con VR bằng hạt đỗ kia còn ổn thì mấy cái bác mua trước là hàng khủng rồi :mrgreen:
     
  8. ThanhVNS

    ThanhVNS Advanced Member

    Joined:
    13/10/06
    Messages:
    7.105
    Likes Received:
    80
    Location:
    77/25/1 Phạm Đăng Giảng-Q Bình Tân-TP.HCM (M4-KCN
    Re: Dự án Clone Micro Seiki RX-5000 sắp khánh thành

    Biến trở ở TD em thấy không khả thi do chỉ số Ohm không ổn định, các bác cân nhắc trước khi giải ngân nhé :)

    Thân,
     
  9. regular

    regular Advanced Member

    Joined:
    6/6/07
    Messages:
    7.375
    Likes Received:
    22
    Location:
    Non-Groups
    Re: Dự án Clone Micro Seiki RX-5000 sắp khánh thành

    Làm gì có mà ổn định nhỉ?
     
  10. ducanhle

    ducanhle Advanced Member

    Joined:
    21/6/07
    Messages:
    1.704
    Likes Received:
    3
    Re: Dự án Clone Micro Seiki RX-5000 sắp khánh thành

    vào group làm tí bóng bàn cho nó thư giãn các cụ ơi, sau khi ăn gỏi bạch tuộc của cụ metalwork em no quá ợ :mrgreen:
     
  11. thinhgia

    thinhgia Advanced Member

    Joined:
    18/1/08
    Messages:
    5.002
    Likes Received:
    530
    Location:
    Còn Lâu Mới Khoái Nhá
    Re: Dự án Clone Micro Seiki RX-5000 sắp khánh thành

    Coi lại các thông tin cho kỹ
    Cận thận lợn lành thành lợn què
    Có những cái nên tham khảo nhiều hơn.
    Chẳng nhẽ em thấy sắp đắm mà không vớt :?:
    UA-5045
    Mounting distance 230mm
    effec length 245mm
    Overhang 15mm

    Bác Cynep check Pm giùm em cái,
     
  12. ducanhle

    ducanhle Advanced Member

    Joined:
    21/6/07
    Messages:
    1.704
    Likes Received:
    3
    Re: Dự án Clone Micro Seiki RX-5000 sắp khánh thành

    thanks cụ, vậy để em sửa sai :oops: :)
     
  13. thinhgia

    thinhgia Advanced Member

    Joined:
    18/1/08
    Messages:
    5.002
    Likes Received:
    530
    Location:
    Còn Lâu Mới Khoái Nhá
    Re: Dự án Clone Micro Seiki RX-5000 sắp khánh thành

    Để nguyên cái AX-1G nếu không muốn thêm us
     
  14. ducanhle

    ducanhle Advanced Member

    Joined:
    21/6/07
    Messages:
    1.704
    Likes Received:
    3
    Re: Dự án Clone Micro Seiki RX-5000 sắp khánh thành

    Dạ bẩm em sửa rồi ạ, nhỡ về sau cụ ThanhVNS bắt đền em thì chít toi, đúng làm thầy dùi khổ thiệt :lol:
     
  15. regular

    regular Advanced Member

    Joined:
    6/6/07
    Messages:
    7.375
    Likes Received:
    22
    Location:
    Non-Groups
    Re: Dự án Clone Micro Seiki RX-5000 sắp khánh thành

    Có rùi! Ja-păng :mrgreen:
     

    Attached Files:

  16. ThanhVNS

    ThanhVNS Advanced Member

    Joined:
    13/10/06
    Messages:
    7.105
    Likes Received:
    80
    Location:
    77/25/1 Phạm Đăng Giảng-Q Bình Tân-TP.HCM (M4-KCN
    Re: Dự án Clone Micro Seiki RX-5000 sắp khánh thành

    Hê hê used items, price 10US/Each :mrgreen: ??

    @thinhgia: Cám ơn sư phụ đã vớt em :)

    PS: Quân sư đu cành lê cứ đợi đấy, hôm sau ra em thịt :evil: :lol:
     
  17. regular

    regular Advanced Member

    Joined:
    6/6/07
    Messages:
    7.375
    Likes Received:
    22
    Location:
    Non-Groups
    Re: Dự án Clone Micro Seiki RX-5000 sắp khánh thành

    Pair.
    Nằm bên trong thiết bị. Khg phải nằm ngoài tủ ĐK. :D
     
  18. ThanhVNS

    ThanhVNS Advanced Member

    Joined:
    13/10/06
    Messages:
    7.105
    Likes Received:
    80
    Location:
    77/25/1 Phạm Đăng Giảng-Q Bình Tân-TP.HCM (M4-KCN
    Re: Dự án Clone Micro Seiki RX-5000 sắp khánh thành

    Thế thì thơm quá, chỉ chờ lão MET cái hộp là cũng hòm hòm rồi :)
     
  19. ducanhle

    ducanhle Advanced Member

    Joined:
    21/6/07
    Messages:
    1.704
    Likes Received:
    3
    Re: Dự án Clone Micro Seiki RX-5000 sắp khánh thành

    trùi xịn quá, có bác nào hảo tâm cho cụ tháo đồ ở cái Rx-5000 ra thế :mrgreen:
     
  20. Супер

    Супер Advanced Member

    Joined:
    22/9/09
    Messages:
    7.761
    Likes Received:
    62
    Location:
    Антарктида
    Re: Dự án Clone Micro Seiki RX-5000 sắp khánh thành

    Chiều qua em đã gửi 10 bộ công tắc + núm, chắc là hôm nay bác regu nhận được ?
     
  21. metalworks

    metalworks Advanced Member

    Joined:
    5/8/09
    Messages:
    2.374
    Likes Received:
    8
    Re: Dự án Clone Micro Seiki RX-5000 sắp khánh thành

    hehehee, bữa nào có dịp gặp các bác em sẽ bầy món nhậu này. Em biết cách làm rồi, dễ ợt....
     
  22. regular

    regular Advanced Member

    Joined:
    6/6/07
    Messages:
    7.375
    Likes Received:
    22
    Location:
    Non-Groups
    Re: Dự án Clone Micro Seiki RX-5000 sắp khánh thành

    Nhưng phải bao hàng khg đau bụng nhé! :lol:
     
  23. regular

    regular Advanced Member

    Joined:
    6/6/07
    Messages:
    7.375
    Likes Received:
    22
    Location:
    Non-Groups
    Re: Dự án Clone Micro Seiki RX-5000 sắp khánh thành

    Hum nay mới đọc lại thấy cái này!
    Vậy các Cụ thik khg? :lol: :mrgreen: Thấy nhiều thứ trỏng wá lại oải! :lol:
    Em chỉ tìm được loại 3 số! nên Kt hơi lớn: KT ngoài 40*70, kích thước phần LCD 25*48, KT số 20*35 (3 digit)
    -Nên cần xem lại có vướng gì khg đã! hay để ở mặt trước như tấm hình dưới?
    -Và cái output signal từ driver ra dạng xung 36p/r. Kg biết cái đồng hồ có thích ứng hay khg nữa! Phải thử trực tiếp mới bít được!
    Đưa cái màu xanh vào tự nhiên thấy nó vô duyên! :lol:
     

    Attached Files:

  24. ducanhle

    ducanhle Advanced Member

    Joined:
    21/6/07
    Messages:
    1.704
    Likes Received:
    3
    Re: Dự án Clone Micro Seiki RX-5000 sắp khánh thành

    ko được rồi cụ ơi nhìn không ổn tí nào :), em nghĩ nếu được thì chỉ làm cái đèn led 2 số hiện thị 33, 45 phía dưới tấm mica tròn trên mặt motor housing như đồ zin thôi, em không biết cái led zin là báo tốc độ thực của platter hay không, hay chỉ ở dạng mode indicator thôi. vì thấy cái zin của hãng cũng dùng led 2 số thôi thì phải.
     
  25. metalworks

    metalworks Advanced Member

    Joined:
    5/8/09
    Messages:
    2.374
    Likes Received:
    8
    Re: Dự án Clone Micro Seiki RX-5000 sắp khánh thành

    Bao giờ bác Regu làm xong hết một bộ motor demo cho chuẩn rồi mang cả sang bên em (gồm có cả nút bấm, đèn led, etc...tóm lại là tất tần tật, từ đó em mới làm housing cho nó chuẩn luôn. Em sợ cái kiểu datasheet một đằng, thực tế 1 nẻo lắm...làm đi làm lại là chết anh em... :lol:
     

Share This Page

Loading...