EICO - Tìm Bạn 4 Phương

Discussion in 'VNAV's Fan Club' started by baohun00, 2/9/10.

  1. trai168

    trai168 Advanced Member

    Joined:
    19/8/13
    Messages:
    304
    Likes Received:
    551
    Location:
    HCM
    Có ai có EICO AF-4 không em học hỏi tí ạ ?
     
  2. VintageAudioStore

    VintageAudioStore Advanced Members

    Joined:
    23/8/11
    Messages:
    313
    Likes Received:
    58
    Vì Tây lông nó làm có 1 con nên nó cho là ..đỉnh đấy ạ :mrgreen:
    Jensen phôi đồng bạc, hay " tụ hoàng tử' xhop có bán thì e chưa dám. Nhưng bình dân cơ bản hay thì em làm vài con roài. Phần pre dùng tụ dầu nối tầng như VitaminQ, Westcap, Siemens.. phần công suất thì táng tụ teflon Nga 0,033uf vào là ngon nhất, .Bass sâu ...hoắm, mid treble leng keng nhưng dịu ngọt, khog chói chang... :roll:
    Em xin hết!!!!! :lol:
     
  3. n_nhoang

    n_nhoang Advanced Member

    Joined:
    29/7/06
    Messages:
    2.520
    Likes Received:
    20
    Các bác cho em vào chơi chút nhé
    Đây là một số linh kiện cho Eico em sưu tầm được :p :mrgreen:
     

    Attached Files:

  4. n_nhoang

    n_nhoang Advanced Member

    Joined:
    29/7/06
    Messages:
    2.520
    Likes Received:
    20
    Em đang nghe Cụ Eico HF81 , đèn đóm theo máy khi mua là El84 tung-sol , cặp EZ81 của Anh , đám 12au,ax thì của RCA , mới nâng câp được cặp 12ax7 Mullard ,loa em ghép búa xua chứ không có Altec hay Klipsch như các bác . Tụ tị nối tầng xài K40y-9 cúa Nga nghe đã hay :mrgreen: . Kế hoạch sắp tới sẽ làm cặp 12au7 Mullard cho khỏi lăng tăng ạ :wink:
     
  5. Pilab

    Pilab Advanced Member

    Joined:
    29/1/09
    Messages:
    1.732
    Likes Received:
    329
    Location:
    TP ThanhHoa, VietNam
    Mượn của bác quê lúa TB

    và một bác khác


    Lần đầu dùng HF 81 mới nghe thấy thất vọng quá nên chia tay vội. Giờ em đang tìm lại...
    :)
     
  6. oldschool

    oldschool Advanced Member

    Joined:
    30/12/10
    Messages:
    375
    Likes Received:
    48
    HF 81 nhỏ con mà phục vụ ngon lành hai anh to đùng vậy à?! Vậy là em tệ bạc với HF81 nhà em quá. :)
     
  7. n_nhoang

    n_nhoang Advanced Member

    Joined:
    29/7/06
    Messages:
    2.520
    Likes Received:
    20
    HF đã có tuổi đời gần 60 năm nên nhất thiết phải thay thế một số linh kiện lão hóa ,nếu không thì mỗi cụ kêu mỗi khác
    ví như đám tụ nối tầng , một số tụ đo có thể không rò , trị số đủ nhưng nghe đục ngầu , bơn mãi không khá lên được . Đám trở cacbon thì tăng từ 20-50% , lạc hết chế độ làm việc của đèn , volume , balance máy nào may mắn thì còn chấp nhận được , không thì cũng lệch kênh trầm trọng ...Tụ trở thay đúng trị số , đúng chủng loại xong cụ hót hay ngay :mrgreen:
     
  8. cheetah

    cheetah Advanced Member

    Joined:
    14/9/14
    Messages:
    375
    Likes Received:
    203
    Eico ST 70 rebuild.

    Mục đích bài này là học hỏi kinh nghiệm kỹ thuật.
    E bán mãi Eico ST70, có thể mua đắt. không bán được, mọi người bảo hay, nhưng nghe lại thấy chưa được như ý.
    bực mình lấy luôn ra thử thay thế kiểm tra linh kiện, coi như có hỏng cũng vứt đi. Không ngờ kết quả hơn mình mong đợi.
    E là dân tay ngang, mới làm, hiểu sai các bác đừng cười mà đính chính lại hộ, tài liệu gốc lấy trên internet.
    Về ampli, nguyên bản từng con ốc, thùng vỏ & manual còn gin.
    Về cấu hình thử có 3 cấu hình: loa saba đức, loa tannoy, loa jbl. dây Inakustik và W&V, CD có classe và Marantz 95. chắc là chỉ đủ cho bộ còi test thử ampli.

    Về bài đầu tiên, e sẽ post mạch (gốc), và phân tích mạch
     
  9. cheetah

    cheetah Advanced Member

    Joined:
    14/9/14
    Messages:
    375
    Likes Received:
    203
    Mạch

    [​IMG]
     
  10. cheetah

    cheetah Advanced Member

    Joined:
    14/9/14
    Messages:
    375
    Likes Received:
    203
    như các bác thấy trên hình, hic e chả nhìn thấy gì cả
    eico ST 70 thiết kế mạch đẩy kéo 35w, song song đối xứng toàn phần từ phần pre cho đến biến áp xuất âm,
    mạch nguyên bản bóng công suất sử dụng 4* 7591, và các bóng: 2 bóng 12ax7, 2 bóng 12dw7, 1 bóng 12ax7 ngay đầu vào tầng công suất với 2 bóng thúc 6sn7. nguồn sử dụng đèn nắn 5ar4/gz34, e sẽ đề cập danh sách trên phần part lít.
     
  11. chau73

    chau73 Approved Member

    Joined:
    10/4/13
    Messages:
    31
    Likes Received:
    1
    Xin tham gia với các bác em eico HF 81 hàng tòn kho cực đẹp, đang ghép với valencia . Em đang đưa ảnh lên mà chưa được vì lỗi kích thước ảnh! Các bác nếu ở Thanh Hoá cùng chơi eico mời đến nhà em giao lưu âm nhạc nhé!
     
  12. chau73

    chau73 Approved Member

    Joined:
    10/4/13
    Messages:
    31
    Likes Received:
    1
    Em gửi các bác xem mấy hình ảnh! Gửi bằng điện thoại khó quá, lại còn bị yêu cầu về kích thước này nọ, quá khổ
     

    Attached Files:

  13. VintageAudioStore

    VintageAudioStore Advanced Members

    Joined:
    23/8/11
    Messages:
    313
    Likes Received:
    58
    Quá đẹp. Hiếm có và chất lượng
     
  14. Pilab

    Pilab Advanced Member

    Joined:
    29/1/09
    Messages:
    1.732
    Likes Received:
    329
    Location:
    TP ThanhHoa, VietNam
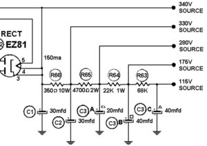
    Đa số dòng ampli xưa thường sai lệch mức nguồn khá nhiều do chất lượng các tụ lọc bị kém.
    Eico HF 81 cũng thường bị như vậy, nếu các mức nguồn cấp sai lệch quá 10% thì nên xem xét thay thế 5 tụ lọc phần nguồn...
     

    Attached Files:

    • 1.jpg
      1.jpg
      File size:
      66,5 KB
      Views:
      172
  15. My FB

    My FB Advanced Member

    Joined:
    9/9/06
    Messages:
    2.893
    Likes Received:
    692
    Location:
    Phu Nhuan - Ho Chi Minh City
    Một nguyên nhân nữa gây sai lệch điện áp là biến áp nguồn 60Hz dùng cho điện Mỹ
     
  16. VintageAudioStore

    VintageAudioStore Advanced Members

    Joined:
    23/8/11
    Messages:
    313
    Likes Received:
    58
    Mấy cái vấn đề này không to lắm, tụ tị nguồn ngiếc chịu khó làm ngon 1 lần là xong. :lol: Trải qua bao nhiêu ampli, bóng ro bóng nhỏ. Cuối cùng phải có lại em Eico 81, không thể quên chất âm em nó được. Oánh với Altec cực kì dễ thương và ngọt ngào
     
  17. chau73

    chau73 Approved Member

    Joined:
    10/4/13
    Messages:
    31
    Likes Received:
    1
    :D nghe em này ghép với atec theo em rất hay, đã trải nghiệm mấy em khác (sáng nay lại đọ với một em nữa toàn đắt hơn hf 81 nhiều) cũng không đọ được với hf81. và em này mới quá nên em rất kết các bác ạ. Chắc ko thể mua được em thứ 2 mới như vậy nữa.
     
  18. cheetah

    cheetah Advanced Member

    Joined:
    14/9/14
    Messages:
    375
    Likes Received:
    203
    Sau khi bắt tay chỉnh chọt cho ampli, e bắt tay vào làm dự án may áo mới cho e nó
    E nhất thanh nhị sắc, em vẽ xong thì nhờ các bác ném đá nhá
    Tiêu chí, simple the best, nhưng đơn giản mà đẹp khó quá các bác ạ
    1. Nhôm phay xước, phủ anod. Nghe có vẻ hay nhưng rất khó làm đẹp mà rẻ
    Thứ nữa là e xem các a e làm diy thấy vẫn xấu các bác ạ, thấy bảo có nhiều chiếc chasis đẹp lắm nhưng e chưa thấy, vẫn giống mấy bác chin hàng xóm
    2. Gỗ kính, e thấy có vẻ dễ làm hơn. Nhưng vẫn còn băn khoăn về mấy lỗ khoan bắt nút chỉnh chìm, không biết thợ kính có làm được phay vát cạnh giống cạnh kính không
    Về thay nút thì e phải kiểm tra lại đã, có vẻ dễ mua
    Các bác ai có biết thợ kính nhận làm ở hà nội chỉ e với nhá
     
  19. chau73

    chau73 Approved Member

    Joined:
    10/4/13
    Messages:
    31
    Likes Received:
    1
    [/attachment]em đóng góp thêm vào to pic cho xôm tụ các bác nhé
     

    Attached Files:

  20. oldschool

    oldschool Advanced Member

    Joined:
    30/12/10
    Messages:
    375
    Likes Received:
    48
    Chúc mừng bác. HF 81 của bác mới quá.
    Nhưng dạo này lòng yêu mến dành cho em này có giảm sút hay sao đó mà em dư một em này lâu nay vẫn chưa gả được. :mrgreen:
     
  21. chau73

    chau73 Approved Member

    Joined:
    10/4/13
    Messages:
    31
    Likes Received:
    1
    Chúc mừng bác. HF 81 của bác mới quá.
    Nhưng dạo này lòng yêu mến dành cho em này có giảm sút hay sao đó mà em dư một em này lâu nay vẫn chưa gả được. :mrgreen:[/quote]
    Chắc dạo này các bác chơi đèn đang mải mê nâng cấp cho các em Kit nhật hoặc Kit Việt Nam như 2A3, 300B, vt25 v.v... nâng từ hạ sĩ qua nhiều lần đã lên đến cấp tá, tướng rồi mà chưa hài lòng, nên chưa có thời gian quan tâm đến đồ hãng bác ạ!
     
  22. chau73

    chau73 Approved Member

    Joined:
    10/4/13
    Messages:
    31
    Likes Received:
    1
    Bác Vintage Tube (Phong) đâu rồi, có bác đang bán eico lâu rồi chưa được đây này! bác hỏi xem sao nhé
     
  23. VintageAudioStore

    VintageAudioStore Advanced Members

    Joined:
    23/8/11
    Messages:
    313
    Likes Received:
    58
    Chắc dạo này các bác chơi đèn đang mải mê nâng cấp cho các em Kit nhật hoặc Kit Việt Nam như 2A3, 300B, vt25 v.v... nâng từ hạ sĩ qua nhiều lần đã lên đến cấp tá, tướng rồi mà chưa hài lòng, nên chưa có thời gian quan tâm đến đồ hãng bác ạ![/quote]
    Em thì 1 chú vt25 full tango japan..+ 1 thím eico hf81..thích màu âm của eico rồi, không bỏ được
     
  24. My FB

    My FB Advanced Member

    Joined:
    9/9/06
    Messages:
    2.893
    Likes Received:
    692
    Location:
    Phu Nhuan - Ho Chi Minh City
    Em lại nghĩ là các bác ấy đang quan tâm đến "EL84PP đơn giản" vì Schematic của "EL84 PP đơn giản" chính là phiên bản "rút gọn" của mạch EICO HF81 đó mà :D
     
  25. thanh0610

    thanh0610 Advanced Member

    Joined:
    23/1/14
    Messages:
    200
    Likes Received:
    71
    Bác lày lói lúng quá, cái gì lơn giãn thì hay hơn cái gì zắc zối và già cổi.
     

Share This Page

Loading...