Huế Audio Group-DIY-Thư Giãn

Discussion in 'Bang hội / Câu lạc bộ' started by nlky21c, 21/5/11.

  1. Dinquanhun

    Dinquanhun Advanced Member

    Joined:
    27/7/11
    Messages:
    5.549
    Likes Received:
    3
    Đấu vớt xác luôn, phức quá tạp!
     
  2. kienvangcon

    kienvangcon Advanced Member

    Joined:
    20/7/12
    Messages:
    817
    Likes Received:
    0
    Location:
    Hue Audio Group
    CHÂN DUNG HAG.

    PHẦN 2
    [​IMG]
     
  3. kienvangcon

    kienvangcon Advanced Member

    Joined:
    20/7/12
    Messages:
    817
    Likes Received:
    0
    Location:
    Hue Audio Group
    CHÂN DUNG HAG.

    PHẦN 3

    [​IMG]
     
  4. kienvangcon

    kienvangcon Advanced Member

    Joined:
    20/7/12
    Messages:
    817
    Likes Received:
    0
    Location:
    Hue Audio Group
    CHÂN DUNG HAG.

    PHẦN CUỐI
    [​IMG]
    Thiếu bác Minhhoang chưa tìm ra.
     
  5. thanhhue

    thanhhue Advanced Member

    Joined:
    21/2/11
    Messages:
    1.357
    Likes Received:
    2
    Location:
    Huế
     
  6. thanhhue

    thanhhue Advanced Member

    Joined:
    21/2/11
    Messages:
    1.357
    Likes Received:
    2
    Location:
    Huế
    Re: CHÂN DUNG HAG.

    Waaa.... giống ghê :lol:
    Cụ kiến vàng chơi giống truy nã quốc tế quá :mrgreen:
     

    Attached Files:

  7. Dinquanhun

    Dinquanhun Advanced Member

    Joined:
    27/7/11
    Messages:
    5.549
    Likes Received:
    3
    Re: CHÂN DUNG HAG.

    Truy nã quốc tế mà có cụ chơi ảnh của mền thì Photoshop, ảnh cụ khác thì không, có lẽ mấy cụ ni chỉ truy nã ở phường thôi
    @ CỤ cứ tẩn mợi thứ vo chasis đó đi, cần thì cho thủng bụng :lol:
     
  8. phannhatai

    phannhatai Advanced Member

    Joined:
    1/10/11
    Messages:
    2.508
    Likes Received:
    2
    Location:
    Huế
    Re: CHÂN DUNG HAG.

    27 vị " Luôn-Són-Bạc "
    Đầu lĩnh là Cập thời vũ, tổng áp ty Thánh Gióng 6Pi
    :lol:
    Trí đa tinh?
    Hắc toàn phong?
    Báo tử đầu?
    ...
     
  9. thanhhue

    thanhhue Advanced Member

    Joined:
    21/2/11
    Messages:
    1.357
    Likes Received:
    2
    Location:
    Huế
    Re: CHÂN DUNG HAG.

    Lủng bụng là cái chắc rồi cụ ơi :lol:
     
  10. Dinquanhun

    Dinquanhun Advanced Member

    Joined:
    27/7/11
    Messages:
    5.549
    Likes Received:
    3
    Bạc của cụ đã vào đến Dũng_audio, mền có ké đò
     
  11. phannhatai

    phannhatai Advanced Member

    Joined:
    1/10/11
    Messages:
    2.508
    Likes Received:
    2
    Location:
    Huế
    Lần đầu tiên trong lịch sử: khói chưa bốc mà hàng đã lên đường, thành ra cái nắp của cụ Din bị lỡ đò. Thôi cụ đợi đò sau hí, chắc miền sẽ qua sông lại :(
     
  12. Dinquanhun

    Dinquanhun Advanced Member

    Joined:
    27/7/11
    Messages:
    5.549
    Likes Received:
    3
    Ùi ùi, nhanh quá!
    Bù cho vụ "khói lò mà đò trôi, xôi không vỡn thiếu thịt, lỗi nhịp với nhạc gia" :mrgreen:
     
  13. nike1969

    nike1969 Advanced Member

    Joined:
    10/7/12
    Messages:
    1.741
    Likes Received:
    0
    Location:
    Huế
    Re: CHÂN DUNG HAG.

    Kiến chộp răng tui thấy tui già ri hèo :(
     
  14. Dinquanhun

    Dinquanhun Advanced Member

    Joined:
    27/7/11
    Messages:
    5.549
    Likes Received:
    3
    Re: CHÂN DUNG HAG.

    Lủng thì vá lo gì, cứ tẩn thôi! Có phono nghe Tết rồi, áo đẹp nữa :p

    Cụ không lấy Sumo nghe trên 67 à?
     
  15. nike1969

    nike1969 Advanced Member

    Joined:
    10/7/12
    Messages:
    1.741
    Likes Received:
    0
    Location:
    Huế
    Lấy chơ, tại chưa rảnh thôi, để cuối tuần về Tẩu lấy luôn cũng được. Mâm mới về chưa ? Lên lịch chơ rồi :)
     
  16. Dinquanhun

    Dinquanhun Advanced Member

    Joined:
    27/7/11
    Messages:
    5.549
    Likes Received:
    3
    Ơ rứa tẩu lên lịch rồi mà :?:
     
  17. thanhhue

    thanhhue Advanced Member

    Joined:
    21/2/11
    Messages:
    1.357
    Likes Received:
    2
    Location:
    Huế
    Cụ xem và duyệt cho chassic úp ngược này để em thi công :lol:
     

    Attached Files:

  18. thanhhue

    thanhhue Advanced Member

    Joined:
    21/2/11
    Messages:
    1.357
    Likes Received:
    2
    Location:
    Huế
    Do mặt dưới giống mặt trận quá nên chơi kiểu up lật này là quá đẹp :lol:
     

    Attached Files:

  19. Dinquanhun

    Dinquanhun Advanced Member

    Joined:
    27/7/11
    Messages:
    5.549
    Likes Received:
    3
    Ok cụ, chơi rứa cho loạ cho ngoạ cho mau đoạ, chỉ sợ đế sắt mỏng ko chịu nổi ở 4 nụ với mặt nhôm sau :p
    Kiểu ni kêu là kiểu lật Úp đây
     
  20. thanhhue

    thanhhue Advanced Member

    Joined:
    21/2/11
    Messages:
    1.357
    Likes Received:
    2
    Location:
    Huế
    Cái chassic cũ của cụ sắt cũng tự thôi. Hiện trường đêm qua banh xác em nó bị đưa lên bàn mổ :(

    Phán đoán ban đầu bị ung thư cái "ụ nổi" buộc phải cắt bỏ hoặc thủ bụng ép xuống :lol:
     

    Attached Files:

  21. 6Pi3Hue_audio

    6Pi3Hue_audio Advanced Member

    Joined:
    24/4/06
    Messages:
    1.431
    Likes Received:
    1
    Location:
    Thừa Thiên Huế
    Thông báo:
    Sáng hôm nay (06/12/2013) HAG tụ họp cafe và hàn huyên với Bác 1000 chuông lần cuối tại số 6 Trương Định.
    Sáng mai thứa Bảy, Bác 1000chuông phải lên tàu sớm và chưa biết khi nào mới gặp lại anh em.
    Mong các Bác quá bộ và bỏ chút thời gian đến cafe.
     
  22. 6Pi3Hue_audio

    6Pi3Hue_audio Advanced Member

    Joined:
    24/4/06
    Messages:
    1.431
    Likes Received:
    1
    Location:
    Thừa Thiên Huế
    Cái chassic cũ của cụ sắt cũng tự thôi. Hiện trường đêm qua banh xác em nó bị đưa lên bàn mổ :(
    Góp ý:
    Cụ Ục chuyển hết phần linh kiện cấp nguồn sang một phía: Biến áp, choke, bo nguồn. Xong làm tấm sắt ngăn cách để tránh nhiễu từ nguồn sang linh kiện và dây dợ phần phono. Bài học thương đau đấy.
     
  23. Baoanh_Hue

    Baoanh_Hue Advanced Member

    Joined:
    6/3/07
    Messages:
    8.888
    Likes Received:
    7
    Location:
    phá Tam Giang
    Em bận họp rồi các bác à.
    Chúc bác 1000chuong lên đường vạn sự may mắn. Sang bên nhớ online VNAV "tám" với A,E cho vui.
     
  24. thanhhue

    thanhhue Advanced Member

    Joined:
    21/2/11
    Messages:
    1.357
    Likes Received:
    2
    Location:
    Huế
    Hết chỗ rồi cụ Pi ơi. Bố trí vậy thôi, xong rồi nếu ù xì thì thêm mấy lon bẻer huda nữa là xong :lol:
     

    Attached Files:

  25. Dinquanhun

    Dinquanhun Advanced Member

    Joined:
    27/7/11
    Messages:
    5.549
    Likes Received:
    3
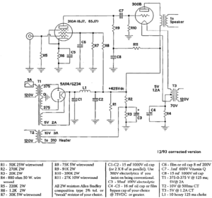
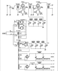
    Mạch tháo từ đồ hỡn nhìn thấy đã hí!
    Giờ chỉ bố trí đôi hình là xong mấy :p
     

Share This Page

Loading...