Huế Audio Group-DIY-Thư Giãn

Discussion in 'Bang hội / Câu lạc bộ' started by nlky21c, 21/5/11.

  1. Baoanh_Hue

    Baoanh_Hue Advanced Member

    Joined:
    6/3/07
    Messages:
    8.888
    Likes Received:
    7
    Location:
    phá Tam Giang
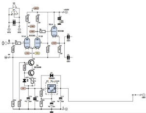
    Bác Thanhhue hay vẽ mạch bằng soft Sprint layout à, em chưa từng vẽ bao giờ. Bác có thể vẽ giúp em mạch Pre Tube này để ủi được không?
    Nếu vẽ được thì nhờ vẽ thêm mạch ổn áp cao áp nữa (mạch rất đơn giản) để nhân bản nếu ai đó cần.
     

    Attached Files:

  2. Pointed

    Pointed Advanced Member

    Joined:
    1/12/08
    Messages:
    2.557
    Likes Received:
    66
    Location:
    ...Sáng áo bông ...Tối áo phông
    chắc bác BA nhìn nhầm :) , hai lõi hàn vào +\- RCA, giáp hàn một đầu RCA - , đầu kia để chơ vơ

    Đơn giản là hãng nó phân chia công việc thôi, giáp để chống can nhiễu, lõi để dẫn tín hiệu.
     
  3. Baoanh_Hue

    Baoanh_Hue Advanced Member

    Joined:
    6/3/07
    Messages:
    8.888
    Likes Received:
    7
    Location:
    phá Tam Giang
    Em mới mở cọng dây V.D.H ra soi kỹ mà bác, giáp (đồng mạ thiếc bóng loáng) đấu vào vỏ rắc, còn lõi 2 sợi (1 đỏ, 1 trắng) thì đấu như em mô tả ở trên.
     
  4. HueAudio

    HueAudio Advanced Member

    Joined:
    16/2/09
    Messages:
    535
    Likes Received:
    1
    Location:
    Thừa Thiên Huế
    Đã đi siêu thì xong :lol: , đợi sản nghe phẩm hoàn chỉnh của cụ Din hót đây :)
     
  5. nlky21c

    nlky21c Advanced Member

    Joined:
    25/8/09
    Messages:
    440
    Likes Received:
    3
    Location:
    Hue
    Cụ Dinh xong pre chưa vậy?
    Ngày nào nghe thử để em còn mang bóng theo? :D
     
  6. thanhhue

    thanhhue Advanced Member

    Joined:
    21/2/11
    Messages:
    1.357
    Likes Received:
    2
    Location:
    Huế
    Vâng, em rảnh se vẽ cho cụ ngay :D
     
  7. Baoanh_Hue

    Baoanh_Hue Advanced Member

    Joined:
    6/3/07
    Messages:
    8.888
    Likes Received:
    7
    Location:
    phá Tam Giang
    Thanhhue có PM :D
     
  8. Dinquanhun

    Dinquanhun Advanced Member

    Joined:
    27/7/11
    Messages:
    5.549
    Likes Received:
    3
    Ơ em có dây ni mô :p , em chỉ có sợi xanh xanh cụ BA cho lâu rồi mà chưa có cọc để là mừ :x
    Còn chỉ loanh quanh xoàng thôi cụ ơi
     
  9. Dinquanhun

    Dinquanhun Advanced Member

    Joined:
    27/7/11
    Messages:
    5.549
    Likes Received:
    3
    Cảm ơn 2 cụ, giai đoạn khó nhứt cụ Ục để lại mền nên thi công khá lâu.
    Ướm ướm khoảng tuần nữa, có chi để mền up tiến độ lên :lol:
     
  10. Pointed

    Pointed Advanced Member

    Joined:
    1/12/08
    Messages:
    2.557
    Likes Received:
    66
    Location:
    ...Sáng áo bông ...Tối áo phông
    Hay là hàn kém nên bị bung lõi ra :mrgreen:

    Thấy bác khoe một túm "râu vàng" ở trang trước, lúc mới đọc, chưa xem hình em xém té ghế vì tưởng bác H giao du với cả mấy em ba lô xanh đỏ tím vàng... rồi xâu lên đây :lol:
     
  11. Baoanh_Hue

    Baoanh_Hue Advanced Member

    Joined:
    6/3/07
    Messages:
    8.888
    Likes Received:
    7
    Location:
    phá Tam Giang
    Hé hé, vết cắt bằng kềm ngọt sớt mà (ko phải em cắt) :). Hình như dây Monster cũng hàn như em mô tả.
     
  12. thanhhue

    thanhhue Advanced Member

    Joined:
    21/2/11
    Messages:
    1.357
    Likes Received:
    2
    Location:
    Huế
    SẶc, chỉ có thay mấy con vít, bắt 4 cái chân, taro 1 con vít, lắp 2 cái núm, 1 cái đũa mà cụ kêu mấy tuần thì em chết :lol:
     
  13. vyhvtv

    vyhvtv Approved Member

    Joined:
    1/11/13
    Messages:
    32
    Likes Received:
    0
    Ơ, vậy là MR 99SE đã xuất hiện ở Huế rồi à. Chúc mừng, chúc mừng...!
     
  14. Dinquanhun

    Dinquanhun Advanced Member

    Joined:
    27/7/11
    Messages:
    5.549
    Likes Received:
    3
    Thật ra em cũng xâu đỏ tím vàng để câu tý cafe thời khó khăn bác à, ở em có nhiều cụ vỡn thích đỏ Vàng eng, hồng Ngọc tờ tinh, tím Long Dật, .... Nên em cũng còn cớ xâu.
    Sáng ni có cụ Kiến đã thấm mồi rồi đó bác :lol:
     
  15. Dinquanhun

    Dinquanhun Advanced Member

    Joined:
    27/7/11
    Messages:
    5.549
    Likes Received:
    3
    Dự toán và tiến độ:
    1, thay mấy con vít: kiếm vít: 3 ngày + thay 30 phút
    2, bắt 4 cái chân: phương án 1: dùng chân đã có: nâng đáy cục nguồn: 1 ngày + lắp 30 phút; PA2: tìm chân mới cao đúng cớ: 2 tuần + thay 30 phút (giờ vỡn chưa có chân)
    3, TAro 1 con vít: 1 giờ
    4, Lắp 2 cái núm: tìm 2 núm 1 tháng + lắp 1 đời
    5, 1 cái đũa: Tìm đũa ở sieuthi 3 ngày + lắp: hơi bị lâu do cụ chơi nút selector trúng ngay mặt bằng board Pre khi nâng nền ==> thay chốt nối, di chuyển selector: 1 ngày


    Toàn việc thật là khó lại để cho mền, Ướm ướm gần Tết Ta mới đặng :mrgreen:
     
  16. Baoanh_Hue

    Baoanh_Hue Advanced Member

    Joined:
    6/3/07
    Messages:
    8.888
    Likes Received:
    7
    Location:
    phá Tam Giang
    Anh Hoàng Akai mới đăng ký nick xong, anh vô đây post bài đi nhé :D
     
  17. thanhhue

    thanhhue Advanced Member

    Joined:
    21/2/11
    Messages:
    1.357
    Likes Received:
    2
    Location:
    Huế
    Hình như đúng thật, thế thì tấm nắp năm sau em làm tiếp nhé :mrgreen:
     
  18. Dinquanhun

    Dinquanhun Advanced Member

    Joined:
    27/7/11
    Messages:
    5.549
    Likes Received:
    3
    Hờ hờ, mền đang hóng cụ vụ diy xươn nhựa 10" đây
    weo cơm
    cụ ó ở 6 không?
     
  19. phannhatai

    phannhatai Advanced Member

    Joined:
    1/10/11
    Messages:
    2.508
    Likes Received:
    2
    Location:
    Huế
    Úi trời! Cụ già băng cối!
    Giờ cầm đao vô đây nữa hở trời !
    Chém cho mấy cụ đang chơi CD bỏ hết, sang thuần á na lộc đi cụ :D
    Mà mấy bữa ni răng không thấy cụ ở 6 hè :roll:
     
  20. Dinquanhun

    Dinquanhun Advanced Member

    Joined:
    27/7/11
    Messages:
    5.549
    Likes Received:
    3
    Tranh thủ làm kiếm thêm tiền Tết, up tiến độ
    Bật công tắt

    [​IMG]

    Tạch :lol:

    [​IMG]
     
  21. minhtriet

    minhtriet Advanced Member

    Joined:
    12/2/08
    Messages:
    4.527
    Likes Received:
    6
    Location:
    Huế
    Ơ ơ, có người ko có đầu cassette mà cũng đăng ký băng là răng hè? :lol:
     
  22. 6Pi3Hue_audio

    6Pi3Hue_audio Advanced Member

    Joined:
    24/4/06
    Messages:
    1.431
    Likes Received:
    1
    Location:
    Thừa Thiên Huế
     
  23. Dinquanhun

    Dinquanhun Advanced Member

    Joined:
    27/7/11
    Messages:
    5.549
    Likes Received:
    3
    Để mền về chụp sô lên mấy đầu cát sét cho lác mác luôn :lol:
     
  24. kienvangcon

    kienvangcon Advanced Member

    Joined:
    20/7/12
    Messages:
    817
    Likes Received:
    0
    Location:
    Hue Audio Group
    Có Cụ mô ra 06 không? Cà thê ngon, thuốc thơm ri mà thiếu đao kiếm rùi!
     
  25. Dinquanhun

    Dinquanhun Advanced Member

    Joined:
    27/7/11
    Messages:
    5.549
    Likes Received:
    3
    Ý tưởng của cụ Lọ mọ, mền triển khai đây :lol:
    Nhìn tẩu luôn
    on off​​220V​ on off ​​ac in 220v

    in ​ in ​​​​ in
    1 2 3 4 phono​​1 2 3 4 phono​1 2 3 4 phono

    out ​​​out ​​​ out ​​​ out
    direct 1 2 ​ direct 1 2 ​​direct 1 2 ​​direct 1 2

    0 5 10​​0 5 10​​0 5 10​​​0 5 10

    on off​​220V​ on off ​​ac in 220v

    in ​ in ​​​ in
    1 2 3 4 phono​1 2 3 4 phono​​1 2 3 4 phono

    out ​​​out ​​​ out ​​​ out
    direct 1 2 direct 1 2 ​​direct 1 2 ​​direct 1 2

    0 5 10​​0 5 10​​0 5 10​​0 5 10



    01 5 0​​01 5 0​​01 5 0​​01 5 0

    2 1 ʇɔǝɹıp​​ 2 1 ʇɔǝɹıp​​ 2 1 ʇɔǝɹıp 2 1 ʇɔǝɹıp
    ʇno ​​ ʇno ​​ ʇno​​​ ʇno

    ouoɥd 4 3 2 1​​ouoɥd 4 3 2 1​​ouoɥd 4 3 2 1
    uı ​​​ uı ​ uı

    ʌ022 uı ɔɐ​ʌ022 uı ɔɐ​​ ɟɟo uo ​ʌ022​​ɟɟo ​​ uo

    01 5 0​​​01 5 0​​01 5 0​​01 5 0


    01 5 0​​01 5 0​​01 5 0​​01 5 0

    2 1 ʇɔǝɹıp​​ 2 1 ʇɔǝɹıp​​ 2 1 ʇɔǝɹıp 2 1 ʇɔǝɹıp
    ʇno ​​ ʇno ​​ ʇno​​​ ʇno

    ouoɥd 4 3 2 1​​ouoɥd 4 3 2 1​​ouoɥd 4 3 2 1
    uı ​​​ uı ​ uı

    ʌ022 uı ɔɐ​ʌ022 uı ɔɐ​​ ɟɟo uo ​ʌ022​​ɟɟo ​​ uo

    01 5 0​​​01 5 0​​01 5 0​​01 5 0
    2 1 ʇɔǝɹıp​​ 2 1 ʇɔǝɹıp​​ 2 1 ʇɔǝɹıp
    ʇno ​​ ʇno ​​ ʇno​​

    ouoɥd 4 3 2 1​​ouoɥd 4 3 2 1​​ ​ uı ​ uı
     

Share This Page

Loading...