Huế Audio Group-DIY-Thư Giãn

Discussion in 'Bang hội / Câu lạc bộ' started by nlky21c, 21/5/11.

  1. minhtriet

    minhtriet Advanced Member

    Joined:
    12/2/08
    Messages:
    4.527
    Likes Received:
    6
    Location:
    Huế
    Thấy món ni hay nên sưu tầm post lên cho mấy cụ hay lăn tăn dây nguồn, bacl... :lol:
    Đồng hồ đo điện áp lưới AC và dòng, áp đo từ 80-300VAC, dòng max 50A
    [​IMG]
    Size để khoét lỗ: 38x68mm

    Giá: 200k + phí ship từ Xì gòn ra :p
     
  2. Phu Xuan Audio

    Phu Xuan Audio Advanced Members

    Joined:
    21/7/11
    Messages:
    286
    Likes Received:
    3
    cái ni ở mô cho e đăng ký 2cái hí :D
     
  3. minhtriet

    minhtriet Advanced Member

    Joined:
    12/2/08
    Messages:
    4.527
    Likes Received:
    6
    Location:
    Huế
    Chủ shop tự liên hệ luôn hí :D
    http://cncprovn.com/@rum/threads/392-Ba ... g-ho-VA-AC
     
  4. Baoanh_Hue

    Baoanh_Hue Advanced Member

    Joined:
    6/3/07
    Messages:
    8.888
    Likes Received:
    7
    Location:
    phá Tam Giang
    Lâu rồi ko dùng để trên nóc tủ,chắc bấm cái nút chi đó.... :lol:
     
  5. Phu Xuan Audio

    Phu Xuan Audio Advanced Members

    Joined:
    21/7/11
    Messages:
    286
    Likes Received:
    3
  6. minhtriet

    minhtriet Advanced Member

    Joined:
    12/2/08
    Messages:
    4.527
    Likes Received:
    6
    Location:
    Huế
    Ừ quên, thật ra thì mấy tên này rao bán nội bộ trên forum và người quen trên đó là chính, mình hay lên đó xem thông tin kỹ thuật.
    Nếu mua thì ko ngại gì vì mấy tên này cũng có uy tín trên forum, số ĐT: 098.3603646
     
  7. Dinquanhun

    Dinquanhun Advanced Member

    Joined:
    27/7/11
    Messages:
    5.549
    Likes Received:
    3
    cứ nháp thử 2 cái đi cụ, mền 1 cái cụ 1 cái, cứ CK trước, hàng về thì chia 2 :mrgreen: , hàng ko về thì share :(
     
  8. Baoanh_Hue

    Baoanh_Hue Advanced Member

    Joined:
    6/3/07
    Messages:
    8.888
    Likes Received:
    7
    Location:
    phá Tam Giang
    Trưa ni giao dịch xong rồi chừ răng hè? :lol: :D
     
  9. Baoanh_Hue

    Baoanh_Hue Advanced Member

    Joined:
    6/3/07
    Messages:
    8.888
    Likes Received:
    7
    Location:
    phá Tam Giang
    Em đăng ký một cái nữa, xui rủi thì đồng cam cộng khổ :D (rứa là 3 cái rồi, còn ai nữa không)
     
  10. minhtriet

    minhtriet Advanced Member

    Joined:
    12/2/08
    Messages:
    4.527
    Likes Received:
    6
    Location:
    Huế
    Hehe, vụ này nếu các cụ ngại miền đứng ra giao dịch cho, dzụ chuyển xiền thì giao cho cụ Din :p
     
  11. thanhhue

    thanhhue Advanced Member

    Joined:
    21/2/11
    Messages:
    1.357
    Likes Received:
    2
    Location:
    Huế
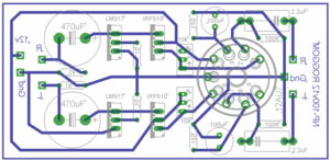
    Hùng xem thử mạch này được không thì làm nhé
    Xì ma
    [​IMG]
    board


    còn đây là đặc tuyến của bóng 12au7 khi chạy áp ở 12v
    [​IMG]

    Có thể mod áp cao hơn
     

    Attached Files:

  12. thanhhue

    thanhhue Advanced Member

    Joined:
    21/2/11
    Messages:
    1.357
    Likes Received:
    2
    Location:
    Huế
  13. Baoanh_Hue

    Baoanh_Hue Advanced Member

    Joined:
    6/3/07
    Messages:
    8.888
    Likes Received:
    7
    Location:
    phá Tam Giang
  14. HungTran97

    HungTran97 Approved Member

    Joined:
    12/3/14
    Messages:
    23
    Likes Received:
    0
    Location:
    Thừa Thiên Huế
    dạ vâng! em có lưu page này lại lúc trước rồi! cơ mà gởi cái kia :lol: em nghĩ nâng áp lên cũng được! giờ mình không cần di động nữa, cần nghe hay thôi! cơ mà em sợ giựt điện! ngồi nghe nhạc vàng mà lắc tung sàn chắc chầu trời sớm bác ơi :lol:
    P/s: Em tên Hưng! khổ đặt tên ai cũng gọi mình Hùng -_- chắc tên thịnh hành :lol:
     
  15. Dinquanhun

    Dinquanhun Advanced Member

    Joined:
    27/7/11
    Messages:
    5.549
    Likes Received:
    3
    2 cái máy xoá (đồ 2 cục Fe mất I) mà tưn bừng khói lửa nước gas khí hơi :lol:
    thì vụ hời ri thì Mod và cụ Bồi cứ coai đó mà tính.
    rồi còn vụ hồi xuân: Mono blo, CDP Châu Âu, rồi đến vụ đi Mẽo, rồi vụ Cát sét, rồi vụ đầu 7, ... ui chà toạ loạ
     
  16. nike1969

    nike1969 Advanced Member

    Joined:
    10/7/12
    Messages:
    1.741
    Likes Received:
    0
    Location:
    Huế
    Noái cho chính xoác là liệu đó mà ăn ở :lol:
     
  17. Dinquanhun

    Dinquanhun Advanced Member

    Joined:
    27/7/11
    Messages:
    5.549
    Likes Received:
    3
    loa xem phim đã từ Tây Đô zề Cố Đô rồi đó cụ. để diy thêm cái công tắc giữua pow và loa :lol:
     
  18. thanhhue

    thanhhue Advanced Member

    Joined:
    21/2/11
    Messages:
    1.357
    Likes Received:
    2
    Location:
    Huế
    Cụ Triết xem tây nó Diy máy quấn OPT rất hay, cơ cấu căng dây, lô để dây cũng vi xử lý luôn :D
    How to make the audio transformer
     
  19. HueAudio

    HueAudio Advanced Member

    Joined:
    16/2/09
    Messages:
    535
    Likes Received:
    1
    Location:
    Thừa Thiên Huế
    Vì HAG có cụ Din có tên húy là Hưng rồi nên mọi người sợ phạm huý đành gọi trác thành Hùng đó thôi :lol:
     
  20. Dinquanhun

    Dinquanhun Advanced Member

    Joined:
    27/7/11
    Messages:
    5.549
    Likes Received:
    3
    cụ Nai coi cái máy ni ni cũng rất hay, cụ hỏi bên Xinh nếu rẻ hơn bợ về là vừa nghe dạc vừa xem Nhật kí VA hợp với cặp loa đó :lol:
     

    Attached Files:

  21. minhtriet

    minhtriet Advanced Member

    Joined:
    12/2/08
    Messages:
    4.527
    Likes Received:
    6
    Location:
    Huế
    Cái ni thì coi nhiều lần rồi, hình như là người Nhật làm.
    Nó rất gọn bởi vì đk chính là máy tính rồi, nhưng vẫn rất hay.
     
  22. Baoanh_Hue

    Baoanh_Hue Advanced Member

    Joined:
    6/3/07
    Messages:
    8.888
    Likes Received:
    7
    Location:
    phá Tam Giang
    Bật nguồn thì loa nghe cái BỤP à ? Làm thêm mạch bảo vệ đóng trễ loa, qua PDL mua 30K, khà khà
     
  23. Dinquanhun

    Dinquanhun Advanced Member

    Joined:
    27/7/11
    Messages:
    5.549
    Likes Received:
    3
    Ko phải mà mua loa thừa 2 cái pow mono blo :p
     
  24. Baoanh_Hue

    Baoanh_Hue Advanced Member

    Joined:
    6/3/07
    Messages:
    8.888
    Likes Received:
    7
    Location:
    phá Tam Giang
    Thôi em chạy làng ....(đúng trang 400 luôn) :lol: :mrgreen:
     
  25. HueAudio

    HueAudio Advanced Member

    Joined:
    16/2/09
    Messages:
    535
    Likes Received:
    1
    Location:
    Thừa Thiên Huế
    Em xin tặng người về đầu 400 trang 1 cặp 12AU7. TN mô rùi, thông báo chương trình kỷ niệm 400tr cho pà con phấn khởi đi :lol:
     

Share This Page

Loading...