Huế Audio Group-DIY-Thư Giãn

Discussion in 'Bang hội / Câu lạc bộ' started by nlky21c, 21/5/11.

  1. Baoanh_Hue

    Baoanh_Hue Advanced Member

    Joined:
    6/3/07
    Messages:
    8.888
    Likes Received:
    7
    Location:
    phá Tam Giang
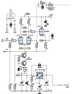
    Anh TN 6Pi và các cụ xem góp ý hộ công thêm cho em với nhé.
    + Đã có BA rời cấp nguồn cao áp và đốt tim
    + Đã có BA rời cấp nguồn để nắn, lọc cấp nguồn -38VDC
    (Mạch đã chạy, các trị số đo V đúng như sơ đồ nhưng chưa thẩm âm và đo kiểm :) )
    Cuối tuần ni các cụ đừng rủ rê em nha :lol:
    @Hueaudio và các cụ khác: chi viện 12AX7 xịn xịn chút nha (đại loại Tele, Mullard...đồ rứa), hiện tại là Mullard Nga ngố của DIN tặng :D
     

    Attached Files:

    • Pre.jpg
      Pre.jpg
      File size:
      79,1 KB
      Views:
      141
  2. Dinquanhun

    Dinquanhun Advanced Member

    Joined:
    27/7/11
    Messages:
    5.549
    Likes Received:
    3
    Tele hình như cụ Kỳ còn mấy cặp hịn đó :roll:
    Mà cụ tẩu thì cả kho, cụ cứ ráp chạy đo kiểm ok mới cắm mấy bóng kia vô được :lol:
     
  3. Baoanh_Hue

    Baoanh_Hue Advanced Member

    Joined:
    6/3/07
    Messages:
    8.888
    Likes Received:
    7
    Location:
    phá Tam Giang
    Ừa, vẫn đang hóng Tính Thành :D
     
  4. 6Pi3Hue_audio

    6Pi3Hue_audio Advanced Member

    Joined:
    24/4/06
    Messages:
    1.431
    Likes Received:
    1
    Location:
    Thừa Thiên Huế
    Mạch phức tạp ri hèo, giống tầng pre bán dẫn theo mạch gương dòng điện.
     
  5. Wanderer Cowboy

    Wanderer Cowboy Advanced Member

    Joined:
    14/2/12
    Messages:
    852
    Likes Received:
    0
    Rứa khi mô bác nuôi men lại thì gây gỗ hí :mrgreen:
     
  6. Baoanh_Hue

    Baoanh_Hue Advanced Member

    Joined:
    6/3/07
    Messages:
    8.888
    Likes Received:
    7
    Location:
    phá Tam Giang
    Phần cấp nguồn cao áp đã được ổn áp rồi, nếu thay cụm mạch bên dưới đèn 12AX7 bằng trở cathode (được tính toán sao cho các trị số V như trên sơ đồ) cũng được nhưng thôi để nguyên vậy đi anh vì mạch đã chạy OK rồi, chỉ nâng cấp tube, linh kiện ở những chỗ "hiểm" thôi.
    Cuối tuần ni em vô động tĩnh tâm "chiến" :D
     

    Attached Files:

  7. Dinquanhun

    Dinquanhun Advanced Member

    Joined:
    27/7/11
    Messages:
    5.549
    Likes Received:
    3
    ĐỘng Thiên đường hả cụ, đẹp quá! :D
    Cụ còn cái mô mà cái tháp nớ nằm lệch qua bên phải k? sô cho em chộ 1 cái
     
  8. nike1969

    nike1969 Advanced Member

    Joined:
    10/7/12
    Messages:
    1.741
    Likes Received:
    0
    Location:
    Huế
    Chuyến ni thì phải mặc quần soọc chơ nhất định không mặc quần đùi nữa :lol:
     
  9. Baoanh_Hue

    Baoanh_Hue Advanced Member

    Joined:
    6/3/07
    Messages:
    8.888
    Likes Received:
    7
    Location:
    phá Tam Giang
    Ừ, động Thiên đường đó. Tối về UP thêm mấy cái nữa để cụ coi chơi, chừ đang hồi hộp chờ chassic :mrgreen:
     
  10. Dinquanhun

    Dinquanhun Advanced Member

    Joined:
    27/7/11
    Messages:
    5.549
    Likes Received:
    3
    là reng cụ ? :mrgreen: gây nhanh rứa!
     
  11. nike1969

    nike1969 Advanced Member

    Joined:
    10/7/12
    Messages:
    1.741
    Likes Received:
    0
    Location:
    Huế
    Răng mô cụ em cứ thấy mấy ẻm nớ là lưng quần cứ muốn đi du lịch nên lòng nóng như đốt lửa :D
     
  12. Dinquanhun

    Dinquanhun Advanced Member

    Joined:
    27/7/11
    Messages:
    5.549
    Likes Received:
    3
    Hợp cạ bà chủ luôn :lol: tạng như cụ Mod hoặc cụ Nike :mrgreen:
     
  13. Baoanh_Hue

    Baoanh_Hue Advanced Member

    Joined:
    6/3/07
    Messages:
    8.888
    Likes Received:
    7
    Location:
    phá Tam Giang
    Cụ Nike mà mấy là chạy dài ngay :lol: :mrgreen:
     
  14. Dinquanhun

    Dinquanhun Advanced Member

    Joined:
    27/7/11
    Messages:
    5.549
    Likes Received:
    3
    Chạy tới :mrgreen:
     
  15. phannhatai

    phannhatai Advanced Member

    Joined:
    1/10/11
    Messages:
    2.508
    Likes Received:
    2
    Location:
    Huế
    Miền có ý nghĩ ri nói ra không biết ý mấy cụ thế nào

    HAG đến giờ cũng đã hơn 500 trang, nhìn lui nhìn tới trên " Hoạt động của cộng đồng VNAV" cũng chỉ dưới dăm ba bang hội.
    HAG cũng không đến nỗi nào về khoản DIY. Miền thì chỉ giỏi chém chiếc chứ nhìn chung lại số bài viết về DIY của HAG cũng chất lượng lắm
    Bạn bè bốn phương cũng đánh giá khá tốt về HAG
    Tuy nhiên từ lâu ( miền nói từ lâu là kể từ khi miền biết HAG từ trang ba mươi mấy đó - do cụ Mod dúi cho cái địa chỉ giống như tụi bán ma túy dúi cho mấy đứa tập tành hút chích ) miền chưa thấy HAG tham gia một kỳ thi hoặc liên hoan DIY nào trên VNAV. Điều đó quả thật đáng tiếc.
    Nhân Mod có ý định tham dự VNAV- Preamlifier Contest 2014, miền đề xuất: Hỗ trợ Mod tối đa những gì có thể để có thể tham dự với người ta.
    Gồm 2 phần:
    - Vật tư cho đứa con tinh thần ( quy ra tiền, cụ nào có mà không dùng thì bán lại cho HAG )
    - Kinh phí để tham gia ( đi đường, ăn ở và lệ phí...)
    Nguồn: Quỹ HAG. Nếu thiếu thì đóng thêm. Mà quỹ dùng cho những việc như thế này thì thật quá ý nghĩa
    Ngoài ra, nếu cần hộ công gì thêm ( thứ mà tiền không thể mua được ) thì cứ nói. Ai có thể giúp được thì giúp.
    Dĩ nhiên, do thời gian quá gấp rút, chúng ta không hy vọng có 1 sản phẩm hoàn hảo để đi thi để lấy giải, nhưng đây là cú hích đầu tiên, tạo nên tiền lệ và hứng khởi cho phong trào DIY. Chúng ta cũng nên ra ngoài nhìn anh em người ta làm ra sao để học hỏi tiến bộ rút kinh nghiệm cho các sản phẩm sau, cũng mở mang kiến thức, nâng tầm DIY chứ lâu nay vẫn cứ 1 mình 1 cõi, không biết thiên hạ thế nào.

    P/s:
    - Mod bỏ qua cho đề xuất quá " thực tế" nhưng em nghĩ : Thực tế thì cần phải thực tế như thế :D
    - Sau này, HAG nên lấy quỹ làm sản phẩm chung đi thi, sau đó về đấu giá hoặc để lại cho người nào cần. Hoàn quỹ ( có thể trội hơn :D ), mà anh em cũng có sản phẩm giá trị
     
  16. Dinquanhun

    Dinquanhun Advanced Member

    Joined:
    27/7/11
    Messages:
    5.549
    Likes Received:
    3
    Like!
    Hôm qua đã đưa vào chương trình nghị sự dưới sự công bố của CỤ Pi TN và cụ Tẩu Thư kí. Cụ Mod đã đồng ý triển khai và thông nhất ngày test cuói cùng ở nhà cu Tẩu với đo kiểm của cụ Pi rồi đó.
    Giờ chỉ đến lúc tiển khai thôi mà :lol:
     
  17. phannhatai

    phannhatai Advanced Member

    Joined:
    1/10/11
    Messages:
    2.508
    Likes Received:
    2
    Location:
    Huế
    Ohh, miền không được biết. Thế thì còn gì bằng. Chắc miền phải tự "like" cho miền 1 cái :p
     
  18. Dinquanhun

    Dinquanhun Advanced Member

    Joined:
    27/7/11
    Messages:
    5.549
    Likes Received:
    3
    Đây là mấy í xác nhận cụ Mod đang chạy nước rút đây cụ nè :mrgreen:
     
  19. 6Pi3Hue_audio

    6Pi3Hue_audio Advanced Member

    Joined:
    24/4/06
    Messages:
    1.431
    Likes Received:
    1
    Location:
    Thừa Thiên Huế
    Về cụ Vũ lấy cặp Mullard xịn đi chứ đồ anh làm sao thi đặng.
     
  20. 6Pi3Hue_audio

    6Pi3Hue_audio Advanced Member

    Joined:
    24/4/06
    Messages:
    1.431
    Likes Received:
    1
    Location:
    Thừa Thiên Huế
    Công nhận từ ngày đi học lớp chính trị lời lẽ văn tự cụ ni dài thiệt. Mình mà viết được dài ri thì chắc ngồi thấu chỗ mô mô rồi :lol: .
     
  21. phannhatai

    phannhatai Advanced Member

    Joined:
    1/10/11
    Messages:
    2.508
    Likes Received:
    2
    Location:
    Huế
    :lol:
    Ngồi mô cũng được, đừng lên nóc tủ ngồi ăn chuối cả nải là được :lol:
    Mà Pang chủ duyệt chi ngân sách rồi há ?
     
  22. Dinquanhun

    Dinquanhun Advanced Member

    Joined:
    27/7/11
    Messages:
    5.549
    Likes Received:
    3
    CỤ mà ngồi thấu mô thì mền giải tán mấy đứa đỏng đẻnh ở phòng mền và chia tay HAG :lol:
    Mà cụ Ới cũng đang có tâm sự chưa biết gửi về đâu khi học gần xong mà nhận được tin phê duyẹt của CP về tái cơ cấu tập đoàn theo chiều hướng tách con gà mái đẻ trứng vàng Môbai về trực thuộc bộ ở trong nước và tin bọn khựa lu loa ở ngoài nước .... :roll: nên gửi vào HAG đó
     
  23. Baoanh_Hue

    Baoanh_Hue Advanced Member

    Joined:
    6/3/07
    Messages:
    8.888
    Likes Received:
    7
    Location:
    phá Tam Giang
    Mềnh LIKE mạnh mà, tinh thần ri là đã quá :D . Mềnh sẽ quyết tâm cao độ, khoét núi,ngủ hầm, mưa dầm cơm vắt, thức đêm làm, A,E hộ công :D
    Pre ni lấy tên chi đi HN ri hè (HAG, Cố Đô,Phú Xuân....)?
    @Cụ Hueaudio: Pre ni 2 cây 12AX7, 2 cây 6DJ8
     

    Attached Files:

    • 1.JPG
      1.JPG
      File size:
      2 MB
      Views:
      24
    • 2.JPG
      2.JPG
      File size:
      1,8 MB
      Views:
      25
    • 3.JPG
      3.JPG
      File size:
      2,3 MB
      Views:
      23
  24. minhtriet

    minhtriet Advanced Member

    Joined:
    12/2/08
    Messages:
    4.527
    Likes Received:
    6
    Location:
    Huế
    Lúc trước viết ngắn nên ngồi ở H Trà, giờ dài hơn nên bị dí về tới P Bài, nếu Pang chủ mà dài hơn nữa chắc về Chân Mây luôn :lol:
     
  25. Dinquanhun

    Dinquanhun Advanced Member

    Joined:
    27/7/11
    Messages:
    5.549
    Likes Received:
    3
    Lấy tên BaoAnh đi cụ :lol: , nếu ngại vinh quang thì lấy dinquanhun :mrgreen:
    mền đăng kí thí sinh số thứ tự 35 cho cụ hí
     

Share This Page

Loading...