Huế Audio Group-DIY-Thư Giãn

Discussion in 'Bang hội / Câu lạc bộ' started by nlky21c, 21/5/11.

  1. thanhhue

    thanhhue Advanced Member

    Joined:
    21/2/11
    Messages:
    1.357
    Likes Received:
    2
    Location:
    Huế
    em mới tìm được 1 trang web thấy hay, nhiều project hay, mời các bác tham khảo.
    http://bygselvhifi.dk
    @ Bác 1000chuong: trong đó em có thấy mạch 6c33c bác coi có được không thì nâng cấp luôn nhé, có cả file PBC, shematic... đầy đủ.
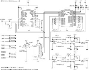
    Em đang làm DAC TDA1541 mời các bác góp ý và hộ công giúp em :)

    Em post mạch lên các bác xem có được không em làm layout luôn nhé
    Phần reclock và xuất em làm thêm jump để chuyển đổi qua lại.
     

    Attached Files:

  2. Wanderer Cowboy

    Wanderer Cowboy Advanced Member

    Joined:
    14/2/12
    Messages:
    852
    Likes Received:
    0
    Báo cáo các bác cowboy đang đóng thùng thứ 2 nên tạm dừng 8. Cái thùng cũ to quá chắc chỉ có bass vintage mới vùng nổi :mrgreen:
    Thấy F5 xôm quá đâm thèm mà CS 50W :shock: puồn quá. Chừng đó đánh Beyma 150W đc ko các bác tư vấn cho em với? :mrgreen:
     
  3. citadel

    citadel Approved Member

    Joined:
    25/5/12
    Messages:
    32
    Likes Received:
    0
    Đừng shock bác ơi. Bác hiểu sai rồi, củ loa của bác ghi vậy là nó chịu "đòn" tối đa 150W thôi (đừng mang ampli 1000W ra oánh với âm lượng lớn nó tèo chừ). Cái thông số quan trọng nhất bác cần phải biết là độ nhạy của củ loa đó. Mấy củ loa JBL, ALTEC... cổ đình đám ghi 30W-70W thôi (nhưng độ nhạy cao ngất ngưỡng) thì mấy cái ampli tube cỡ vài Watts đánh bass sâu thăm thẳm rồi đó. Em nói nghiêm túc đó nghe, không giỡn mô.
     
  4. thanhhue

    thanhhue Advanced Member

    Joined:
    21/2/11
    Messages:
    1.357
    Likes Received:
    2
    Location:
    Huế
    Quá chuẩn, với lại công xuất tiêu tán và công suất ra loa của amply lại là 2 vấn đề khác nhé bác WC. Thực ra khi ta nghe thì cs ra loa tầm vài wat là xỉu rồi, nên bác đừng có ham cs lớn. cs lớn chỉ lợi cho dễ đánh loa thôi. bác WC xem như cặp Celestion vừa rồi là 1 ví dụ nhé.
    Theo em được biết thì F5 thuộc lọa dễ kéo loa, bác cứ mạnh dạng chiến đi.
     
  5. citadel

    citadel Approved Member

    Joined:
    25/5/12
    Messages:
    32
    Likes Received:
    0
    Em tâm sự chút hý: mấy lần đi PDLuu thấy mấy ông khách đi mua loa nghe nhạc trong gia đình, câu đầu tiên hỏi chủ tiệm là loa ni mấy OÁT :p (mắc cười quá) (hỏi câu ni thì mấy chủ tiệm sướng lắm đây, vô mánh rồi :lol: ). Em đi mua củ loa (hoặc tư vấn mấy thằng bạn mua) em chả thèm quan tâm nó ghi mấy Watts,vì em hoặc mấy thằng bạn em dùng củ loa ni cho mục đi nghe trong gia đình (chứ không phải cho thuê đám cưới), hãng nó ghi Watts vậy để cảnh báo người chơi chú ý sử dụng ampli cho đúng, tránh gây tèo loa. Cái mà em quan tâm nhất là danh tiếng của hãng sản xuất ra nó, độ nhạy của củ loa đó, dãi tần đáp ứng của nó, trở kháng của nó (đây là mấy thông số cho biết "năng lực" của củ loa đó). Nhà em nghèo nên em chơi mấy củ loa cổ hãng JBL, ALTEC, JENSEN... nó ghi 30W-70W thôi nên em rất sợ mua ampli vài trăm Watts lắm (lỡ con sơ ý vặn gác kim cái volum, khi bật ampli lên thì chết tèo củ loa ngay), còn mấy cái amp Class A cỡ 20W-50W, ampli tube Single Ended là em rất thích, khó tèo loa lắm nếu biết sử dụng đúng cách. Các bác chú ý nghe. Bữa ni lâu lâu em mới vô topic Huế mình tranh luận kỹ thuật chút cho có ích thôi, không Spam nữa, sợ mang tiếng xấu (em hứa) :D
     
  6. Baoanh_Hue

    Baoanh_Hue Advanced Member

    Joined:
    6/3/07
    Messages:
    8.888
    Likes Received:
    7
    Location:
    phá Tam Giang
    @thanhhue: Mời bác ghé shop Minhthanh mua board KIT không đắt lắm mà mần cho khỏe hoặc kiếm đầu MiniDISC có DAC-IN (không cần bỏ đĩa) như DENON, SONY...mà chơi, cũng không đắt lắm mô
    @Citadel: ông bạn tui lớn rồi giữ đúng lời hứa hý, lớn chớn là.....với tui :lol:
     
  7. Dinquanhun

    Dinquanhun Advanced Member

    Joined:
    27/7/11
    Messages:
    5.549
    Likes Received:
    3
    Chuẩn không cần cãi

    Nhanh lên bác Chời, làm chuột bạch, nếu chết cho rắn ăn

    buysell/single_ad.php?ad_id=2582
     
  8. Baoanh_Hue

    Baoanh_Hue Advanced Member

    Joined:
    6/3/07
    Messages:
    8.888
    Likes Received:
    7
    Location:
    phá Tam Giang
    Chiến đi bác DIN ơi, bằng bữa nhậu chứ mấy :D
     
  9. Dinquanhun

    Dinquanhun Advanced Member

    Joined:
    27/7/11
    Messages:
    5.549
    Likes Received:
    3
    Em thấy đẹp nhưng chỉ tội .................................................................................................................................................. bass nhỏ, em không có thùng. chỉ có bác Woc CHoi là dang có lổ 30
     
  10. Baoanh_Hue

    Baoanh_Hue Advanced Member

    Joined:
    6/3/07
    Messages:
    8.888
    Likes Received:
    7
    Location:
    phá Tam Giang
    Để ý bác DEL nói đúng, củ loa ni chỉ ghi 15W thôi hý :)
     
  11. minhtriet

    minhtriet Advanced Member

    Joined:
    12/2/08
    Messages:
    4.527
    Likes Received:
    6
    Location:
    Huế
    Thôi, ko nên mua :D
    Đúng ra trong topic rao có thêm cặp Altec nữa nhưng có người lựm rùi.
    Học theo phong cách Cụ Ới là "thà ko chơi chứ tuyệt đối ko chơi đồ bèo" :p
     
  12. Baoanh_Hue

    Baoanh_Hue Advanced Member

    Joined:
    6/3/07
    Messages:
    8.888
    Likes Received:
    7
    Location:
    phá Tam Giang
    Hì hì, chắc học phí đóng nhiều quá gồi. Em thì coi giá xuất xưởng của "đồ bèo" để chơi thôi :lol:
     
  13. 1000chuong

    1000chuong Advanced Member

    Joined:
    11/4/07
    Messages:
    522
    Likes Received:
    3
    Location:
    Huế Audio Group
    Hàng DIY còn nóng hổi đây :D .Cảm ơn nhà tài trợ PhanNhatAi rất nhiều :D
     

    Attached Files:

    • Ruot.JPG
      Ruot.JPG
      File size:
      48,1 KB
      Views:
      76
    • cap.JPG
      cap.JPG
      File size:
      54,5 KB
      Views:
      84
  14. Baoanh_Hue

    Baoanh_Hue Advanced Member

    Joined:
    6/3/07
    Messages:
    8.888
    Likes Received:
    7
    Location:
    phá Tam Giang
    Chịu khó đọc báo NNhin ghê hý. Chuẩn bị cho Test dây hả bác 1000chuong.
     
  15. thanhhue

    thanhhue Advanced Member

    Joined:
    21/2/11
    Messages:
    1.357
    Likes Received:
    2
    Location:
    Huế
    Em cũng có lướt qua rồi nhưng không đúng ý đồ của em nên thôi, đầu MD em cũng máu nhưng mà DIY thích hơn :D
     
  16. 1000chuong

    1000chuong Advanced Member

    Joined:
    11/4/07
    Messages:
    522
    Likes Received:
    3
    Location:
    Huế Audio Group
    Hì hì ! Công nhận Nghe Nhìn thủa xưa hay ghê ! :)
     
  17. Baoanh_Hue

    Baoanh_Hue Advanced Member

    Joined:
    6/3/07
    Messages:
    8.888
    Likes Received:
    7
    Location:
    phá Tam Giang
    Vậy thì DIY đi bác. Mà định dùng bo đục lỗ à, buffer dùng tube à?
     
  18. Dinquanhun

    Dinquanhun Advanced Member

    Joined:
    27/7/11
    Messages:
    5.549
    Likes Received:
    3
    Có bác HAG bên hội chim cũng làm DIY như ý bác đó, liên hệ là có đồng minh
     
  19. nlky21c

    nlky21c Advanced Member

    Joined:
    25/8/09
    Messages:
    440
    Likes Received:
    3
    Location:
    Hue
    Em đăng ký một cặp được không bác 1000chuong.
     
  20. thanhhue

    thanhhue Advanced Member

    Joined:
    21/2/11
    Messages:
    1.357
    Likes Received:
    2
    Location:
    Huế
    Đa năng bác ơi, thích thì opam không thích chuyến sang đèn bằng "1 cú lắc tay" thôi. :lol:
    @Dinhquanhun: Hội nào rứa bác để em coi có đu theo được không.

    Em đang layout theo schematic phía trên đó
     
  21. nlky21c

    nlky21c Advanced Member

    Joined:
    25/8/09
    Messages:
    440
    Likes Received:
    3
    Location:
    Hue
    Chiều nay ghé wua bác 1000chuong được tặng cặp dây hay quá.
     

    Attached Files:

  22. Benngu

    Benngu Advanced Member

    Joined:
    18/7/12
    Messages:
    712
    Likes Received:
    0
    Location:
    SỊA
    Tổ chức tét dây đi bác :D
     
  23. Wanderer Cowboy

    Wanderer Cowboy Advanced Member

    Joined:
    14/2/12
    Messages:
    852
    Likes Received:
    0
    Chào bác Citadel, dạo này bác khác quá tưởng ... người khác :mrgreen:
    Lâu nay bác ko lên mình cũng buồn... đâm chém chút cho vui hè... :lol:
    Vậy là yên tâm hộ công F5 rồi hehhe
    @ bác Hưng : ko biết mắt em có bị chi ko mà thấy cái Yamaha đó nón chẹo chẹo. Mai tỉnh táo dòm lại đã
     
  24. nlky21c

    nlky21c Advanced Member

    Joined:
    25/8/09
    Messages:
    440
    Likes Received:
    3
    Location:
    Hue
    Bác 1000chuong đang có ý định test dây DIY với dây của hỡn xem thế nào đó.
    Bác lên lịch đi rồi offfetival luôn. :D
     
  25. Dinquanhun

    Dinquanhun Advanced Member

    Joined:
    27/7/11
    Messages:
    5.549
    Likes Received:
    3
    Ủa, rứa phần dây miền mô? Đăng ký trước ống co mà không có phần à bác nghìn bell
     

Share This Page

Loading...