Chúc mừng bác có cặp loa đẹp và hay trong tầm tiền.Em cũng đang nghe cặp 12L,ghép với linn all in one.phải công nhận 1 điều,tuy em nó nhỏ nhưng tiếng Bass rất khá,có điều dãi trên chưa được thật tốt,nói một cách khác là dãi trên hơi nhẹ,chưa được sắc nét.Nhưng với cái giá,thì em nó thật tuyệt,phòng nghe rộng em chưa nghe thử,nhưng phòng dưới 12m2 thì em nó hót rất tuyệt.
Chúc bác sớm rước em 22L2 để em nó sớm đc đoàn tụ gia đình Quad. Sau khi bác rước 22L2 về nhà bác rước thêm em CDP Quad 99 cho đồng bộ, lúc đó bộ dàn của bác là Lục Nhịi Cửu (sáu con 9 nha bác) nếu theo kiểu chơi chữ của các cụ xưa nghĩa là Lộc sẽ mãi mãi nha bác . Ôi lúc đó nhất bác rồi nhé, vừa thưởng thụ a-đi-ồ mà còn đón lộc đó bác.[/quote] Báo cáo các bác em đã có thêm em 22l2 rồi. Phê quá !
Em mới có Pre 44, trên nóc có tấm mica rất nhiều nút gạt, em không rõ cách sử dụng các nút này, các cao thủ QUAD chỉ giúp em. Cảm ơn các bác.
có bác nào đang dùng fre quad 22 cho em hỏi chút ạ em mới mua fre quad 22 nhưng jones plug 6 chân đã bị tháo rời dây nối với jones plug có 5 màu: 2 nâu, 1 xanh, 1 trắng và 1 tiếp đất 6 chân trong jones plug được đánh số từ 1 đến 6 bác nào đang xài thì tháo ra xem dùm em màu nào nối với số nào dùm em với rất mong được các bác giúp đỡ em xin cảm ơn
Cảm ơn bác Thích, em tải được rồi. Có gì bí em lại phiền bác. Phải công nhận Quad tí hon mà hay ra phết!
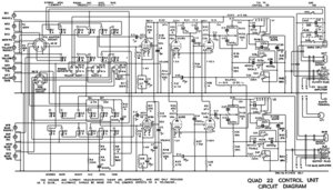
Bác xem sơ đồ dò trước xem được không. Nếu chưa được thì chiều tối thứ 3 tôi sẽ chụp hình cho bác xem
Em mới lấy cặp QUAD 12L2 được mấy hôm, nghe có cảm giác hơi thiếu lực, ko được thoát lắm. Thời gian rà loa thông thường cho QUAD khoảng bao lâu vậy các bác ?
[/quote] Thông thường 200 giờ bác ơi. Bác ghép em nó với ampli gì thế :mrgreen:[/quote] Dạ em ghép với Marantz PM7004. Khi phát thì phần "tiếng" không có vấn đề gì, chi tiết & ngọt, nhưng phần "lực" lại thấy hơi thiếu . Có lẽ phải đợi chạy rà loa xong coi sao. Em nghe nói nối bi-wire sẽ cải thiện phần lực, nhưng không biết có hiệu quả không .
Thông thường 200 giờ bác ơi. Bác ghép em nó với ampli gì thế :mrgreen:[/quote] Dạ em ghép với Marantz PM7004. Khi phát thì phần "tiếng" không có vấn đề gì, chi tiết & ngọt, nhưng phần "lực" lại thấy hơi thiếu . Có lẽ phải đợi chạy rà loa xong coi sao. Em nghe nói nối bi-wire sẽ cải thiện phần lực, nhưng không biết có hiệu quả không .[/quote] Theo em ko nên cải thiện bằng bi-wire. Ampli của bác hơi yếu, dòng Marantz lại ko có sở trường để cho ra âm thanh uy lực khi ghép với loa có độ nhạy trung bình. Em đã từng ghép Mr PM17mkII và dây bi-wire với Quad 22L2 nên hiểu được vấn đề của bác.
Giờ em oánh bằng Accu E-406, có vẻ hơi thừa công suất bác ạ. Thay loa là một vấn đề nan giải với em vì: =>Em Quad 22L2 cảm giác vẫn chưa khai thác được hết cái hay của em nó. Em nó bị thiệt thòi vì ko sắp xếp được ko gian thoáng đãng để hát. =>Thay em khác cũng mệt, vì phòng của em loa nào cũng khó chuẩn. Đổi rồi lại loanh quanh. Em thì không thích loanh quanh chỉ thích nghe nhạc. Sau này có điều kiện đổi nhà, em sẽ tính sau. Mà nếu rước em khác về chắc em cũng chẳng bán em này, em sẽ làm loa front để xem film :mrgreen:
chào các bác. em đang ghép Q22 l2 với pre pow ạ: Pre rega, còn pow Linn PowerTek, nghe tốt các bác ạ. tai em dễ tính không khó lắm. các bác ghép với ampli gì hay hay thì khuyến cáo cho em với nhé. cám ơn các bác.
Em xin 1 chân với Quad 22l2. Em đang ghép tạm với marantz 88se và pm8003. PM88se nghe tạm ổn nhưng 8003 thì thấy hơi đuối. E dự kiến nâng cấp amp.
Em xin đăng kí thành viên Quad- Thẻ hội viên: Pre Quad 44 Nhưng mấy cái nút lạ quá và cái của sổ Mica ở trên nắp máy căn chỉnh ra sao, em mù tịt, các bác chỉ giùm em nha.
Em thấy bác ghép toàn đồ Âu chọn lọc với nhau, lại dùng pre-pow để đánh thì hay quá rồi còn gì nữa ạ :mrgreen: Em thấy khoai tây đồn là ghép Quad 22 với đèn cũng rất hay mà chưa thấy có bác nào chia sẻ cả.
@ bác bluebird: Bác có ý kiến gì cho việc ghép quad 22l2 với amp musical fidelity ko ạ. Có người bán mf m3i e rất thích nhưng lăn tăn ko biết có hợp ko với cả nghe giao hưởng có ok ko. MF hàng mới e thấy ko nhiều ngươi chơi lắm thì phải.
Em không dám có ý kiến cá nhân về thứ gì em chưa được nghe nhiều. Trước em đã định mua cặp pre-pow A3cr của một bác trên này, nhưng do thích Accu hơn nên em đã thay đổi vào phút chót. Trên thị trường MF là một thương hiệu tên tuổi, âm thanh đẹp, mượt mà, được quảng cáo là trung thực. MF ghép được với hầu hết các loa Anh với công suất khá lớn nên với Quad 22L2 chắc cũng không có gì đáng ngại, vấn đề nằm ở chỗ gu nghe của bác thôi. Em nghĩ mọi người đều chọn MF đời cũ để chơi vì mấy lý do chính: giá đã xuống mức hợp lý và Made in England. Nếu bác thích giao hưởng thì em nghĩ cách tiếp cận phải khác. Em chọn Quad 22L2 vì khả năng chơi được nhiều loại nhạc. Chơi cổ điển xuất sắc chắc ko phải sở trường của em nó :mrgreen: