AMP CAMP AMP #1 by Nelson Pass

Discussion in 'Bán dẫn' started by nagini262, 4/8/12.

  1. AnhMT

    AnhMT Approved Member

    Joined:
    11/9/09
    Messages:
    6
    Likes Received:
    3
    "Em mua theo bác kia bị loop mass tiếc quá mua thêm cái bánh trưng nữa cho chạy 2 nguồn riêng biệt"
    Loop mass ở đây là như thế nào Nobjta9xtq? Bị crosstalk hay ù? Mình tính lắp thêm Pass AM nữa nhưng biến thế sẽ làm hộp riêng bên ngoài, hoặc chạy hộp ắc quy bên ngoài:
    https://s.lazada.vn/s.2W9GD
     
  2. Toanbm

    Toanbm Approved Member

    Joined:
    19/10/19
    Messages:
    22
    Likes Received:
    51
    Nhìn khoản này chắc chi phí hơn 2 trẹo là có rồi, có khi gần 3 trẹo cho con amp 5w luôn ấy chứ. Nhưng kết quả chắc good phải ko bác. Con aca này em nghịch đủ thứ, câu dây tùm lum mà chưa khi nào bị hư bất kể con lk nào, cứ nghịch chán chê rồi đi lại mạch đúng là chạy, xuất tụ nên chơi loa lớn cũng yên tâm...
     
  3. nobjta9xtq

    nobjta9xtq Approved Member

    Joined:
    19/5/21
    Messages:
    7
    Likes Received:
    2
    Đúng r bác, e mua toàn loại đắt tầm 5 củ, tụ janzen với mudof, chỉ có hàn thiếc ko ăn thôi chứ cứ đúng thông số là lên, trang DIY audio nó hướng dẫn debug tận nơi, bác in về pdf mà dùng dần nếu mù điện tử như e
    thấy thằng bạn comment ở page trước bị ù to lắm bác ạ, cuốn cuộn thứ cấp riêng ra thì hết, do biến áp cuốn sẵn chung dây gnd: 15v-0v-15v
     
  4. AnhMT

    AnhMT Approved Member

    Joined:
    11/9/09
    Messages:
    6
    Likes Received:
    3
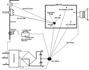
    Mình đoán là bạn chưa đi dây đúng nguyên tắc của mass, như mình đã lắp rất nhiều mạch Amp. chung nguồn thì không có ù xì gì (chưa cấp tín hiệu, vặn Max Vol., áp tai vào loa, bật và tắt Amp. không thấy khác nhau gì hết, tạm gọi là im phăng phắc). Xin chia sẻ với bạn mình đã áp dụng như thế này:

    1. Các điểm mass thông nhau nhưng không giống nhau, mà mỗi điểm mass khác nhau về dòng điện chạy qua nó.
    2. Tưởng tượng dòng điện như dòng nước, như dòng sông đổ ra biển, điểm có dòng chảy mạnh bố trí cho nó đi nhanh nhất và đổ về nguồn sớm nhất (độ ưu tiên giảm dần cho điểm có dòng chảy nhỏ dần). Đừng để nó chảy qua điểm có dòng nhỏ hơn nó (vd như mass loa cho đổ về chân tụ lọc nguồn luôn chứ đừng câu lên mạch rồi quay lại). Các mạch mua sẵn thường chưa tách được mass, cần thiết phải cắt mạch mass ra cho đi lại về nguồn theo nguyên tắc này.
    3. Tách các điểm Mass hai kênh, chỉ gặp nhau ở điểm mass cuối cùng là chân mass tụ lọc nguồn, tránh bớt crosstalk.
    4. Bố trí các mạch khuếch đại tín hiệu nhỏ xa các nguồn nhiễu như biến thế, mạch nguồn, mạch động lực, cọc loa..., cầu kỳ và có điều kiện hơn thì tách power ra thành module riêng.
    5. Áp dụng thêm mạch tách nguồn cho 2 kênh, lọc nhiễu các loại (EMI, đầu audio vào ra, phản hồi âm, bọc chống nhiễu...) nếu thấy cần thiết.
    ...
     

    Attached Files:

    TQ_Audio and nobjta9xtq like this.
  5. AnhMT

    AnhMT Approved Member

    Joined:
    11/9/09
    Messages:
    6
    Likes Received:
    3
    @Toanbm@nobjta9xtq : 2 mạch Amp. JLH1969 (chạy sò Toshiba 2SC5200) và Pass ACA chung 1 vỏ đây các bạn, mình chạy Adapter máy tính xách tay để bên ngoài. Cả 2 mạch mình đều cân dòng tĩnh 1A cho mỗi kênh. Mình kéo đôi loa cây lớn trong hình. Khi nào phát nhạc để hát Karaoke thì mình chạy mạch JLH1969 và hát vào loa kéo Arirang MB2, hát kiểu này khá sạch và hay.
     

    Attached Files:

  6. nobjta9xtq

    nobjta9xtq Approved Member

    Joined:
    19/5/21
    Messages:
    7
    Likes Received:
    2
    @AnhMT e dùng mạch này bác ạ, thấy mấy bác page trước bảo bị loop mass chứ ko biết thế nào.
    Cho em hỏi con tụ 2200uf bên bị tịt âm do e lắp cọc loa bị kích vào, sau khi đảo vị trí cho rca và lấy tay bẻ lại thì nó lại kêu, về sau có ảnh hưởng gì không nhỉ? góc bẻ rất ít vì tụ sát pcb.
     

    Attached Files:

  7. Toanbm

    Toanbm Approved Member

    Joined:
    19/10/19
    Messages:
    22
    Likes Received:
    51
    Không sao đâu bác, chân tụ chắc bác hàn chưa ăn thoii, còn việc con tụ bác bẻ qua bẻ lại một tí không ăn nhầm gì đâu. Vì bản thân chân tụ nó đính trên phíp, rồi cái phíp như cái nắp đậy thôi. Chân tụ nó dập vô mấy cái lá dẫn vào trong ruột tụ, và đoạn này nó để lỏng ra phòng trường hợp lung lay chân tụ. Loại tụ có ruột cuộn thì cũng có độ hở nhất định.l
     
    nobjta9xtq likes this.
  8. nobjta9xtq

    nobjta9xtq Approved Member

    Joined:
    19/5/21
    Messages:
    7
    Likes Received:
    2
    khả năng co tụ mudof chân to quá e hàn nó khôn ăn thiếc thật, đã tháo ra để 400⁰ rồi mà chân thiếc vẫn không tròn đều -.-
     
  9. EL34

    EL34 Advanced Member

    Joined:
    18/12/05
    Messages:
    392
    Likes Received:
    64
    Location:
    Can Tho
    Em cũng mới chơi ampli classA theo mạch cụ Pass,nhưng mở nguồn thì loa bụp nhẹ cái,khó chịu quá, khắc phục sao đây các bác?
     
  10. Toanbm

    Toanbm Approved Member

    Joined:
    19/10/19
    Messages:
    22
    Likes Received:
    51
    Bác đấu hơi nhiều tụ, nếu vậy bác làm bộ khởi động chậm bằng vài con tụ, trở và relay. Không thì bác mua vài cục cảm tầm 3-5mh làm mắt lọc LC cho nguồn là nhẹ nhàng.
    Em chơi loa độ nhạy cao thì phải làm lọc kỹ. Còn loa tầm 89-90db thì làm RC bình thường vẫn ok rồi bác.
     
    EL34 likes this.
  11. EL34

    EL34 Advanced Member

    Joined:
    18/12/05
    Messages:
    392
    Likes Received:
    64
    Location:
    Can Tho
    Em cám ơn bác đã chỉ giáo!
     
  12. nobjta9xtq

    nobjta9xtq Approved Member

    Joined:
    19/5/21
    Messages:
    7
    Likes Received:
    2
    có ảnh hưởng gì tới chất âm ko bác?
     
  13. Toanbm

    Toanbm Approved Member

    Joined:
    19/10/19
    Messages:
    22
    Likes Received:
    51
    Có bác, Tuy nhiên theo hướng tích cực nếu tính toán đúng bác ah. Ví dụ như tải mình cần 2A, thì tính toán làm sao để bộ cấp nguồn luôn cấp đủ đc mức 3A toàn thời gian là ok.
     
    nobjta9xtq likes this.
  14. nobjta9xtq

    nobjta9xtq Approved Member

    Joined:
    19/5/21
    Messages:
    7
    Likes Received:
    2
    của e không bụp lúc mở mà nó kêu: ee étttt tiếng be bé, lúc tắt đi thì im lặng. Mà e dùng tụ 2200uf, để mai nối thêm 1000uf xem có bị bụp không.
     
    EL34 likes this.
  15. Toanbm

    Toanbm Approved Member

    Joined:
    19/10/19
    Messages:
    22
    Likes Received:
    51
    Ah các bác đang nói tụ xuất, em lại đang nghĩ đến tụ bên nguồn. Tụ xuất thì không làm mắt lọc LRC nhé các bác.
    Nếu nghe tiếng rè rè, sôi thì hơi kỳ vì loại aca này ko như các amp khác. Bác hàn kỹ chân trở hồi tiếp với jfet tầng đầu thử.
     
  16. Sonnam

    Sonnam Advanced Member

    Joined:
    3/1/22
    Messages:
    65
    Likes Received:
    16
    Mình thì hay bị tiếng lạo sạo ở con loa karaoke


    Sent from my iPhone using VNAV Community
     
  17. thanh nhac

    thanh nhac Advanced Member

    Joined:
    5/11/12
    Messages:
    209
    Likes Received:
    111
    Em cần bộ pcb board aca có ai ko dùng đến để lại em
     
  18. tung5523

    tung5523 Approved Member

    Joined:
    15/9/16
    Messages:
    44
    Likes Received:
    9
    lên shoppe bác giờ mua bán trên shoppe hết r
     
  19. langnhang

    langnhang Advanced Member

    Joined:
    17/9/14
    Messages:
    156
    Likes Received:
    33
    Location:
    Ha noi
    Em cần 1 cặp NF5458m bác nào có nhượng lại em ạ, 0904022248.
     
  20. Toanbm

    Toanbm Approved Member

    Joined:
    19/10/19
    Messages:
    22
    Likes Received:
    51
    Em có mấy cặp 2N4858 Vỏ sắt của motorola nè bác
     
  21. langnhang

    langnhang Advanced Member

    Joined:
    17/9/14
    Messages:
    156
    Likes Received:
    33
    Location:
    Ha noi
    bác có số zalo để tiện giao dịch
     
  22. kien258

    kien258 Advanced Member

    Joined:
    12/11/14
    Messages:
    176
    Likes Received:
    17
    ACA muốn đạt đẳng cấp cận hiend con Q1 nên thay bằng MRF150 , tụ xuất nên sài Frolyt 3300uf
     
    Toanbm likes this.
  23. Toanbm

    Toanbm Approved Member

    Joined:
    19/10/19
    Messages:
    22
    Likes Received:
    51
    Sao bác giống em quá, em chơi aca chạy sò RF chân vàng+ nguồn linear hay hơn pow parasound 16 sò. Đơn giản là bass live hơn rất nhiều...
     
  24. Diy audio

    Diy audio Approved Member

    Joined:
    14/7/24
    Messages:
    41
    Likes Received:
    8
    Ai bảo là mạch này bị loopmass ạ, mạch này do một cao thủ làm đó ạ. Do bác làm sai ở đâu đó thôi còn mấy lão kia thì chắc vào dèm pha, vì pcb này nhiều ng làm bán
     
  25. an an sound

    an an sound Approved Member

    Joined:
    8/8/23
    Messages:
    23
    Likes Received:
    5
    Các bác cho e hỏi nếu cấp nguồn cho amp camp 30v để tăng công suất thì phải làm gì, chất âm có vấn đề gì ko ạ. E cảm ơn
     

Share This Page

Loading...