Amp cho người mới bắt đầu.

Discussion in 'Bán dẫn' started by Walkalone, 20/6/11.

  1. huyhoanghp96

    huyhoanghp96 Advanced Member

    Joined:
    7/7/11
    Messages:
    3.818
    Likes Received:
    8
    Location:
    HBG198 = beer + ghẹ
    Hi chết a roài a mắc bệnh hiểm nghèo roài , k0 cai được đâu ạ vì nó là nghiện : nghiện DIY :mrgreen:
    Cái mạch này còn kok đc nói chi gỗ mun , nó thừa sức chơi ạ , a lắp xong mạch này mà nghe được thì a cứ tự tin chơi tiếp , k0 sợ bố con thèng nào ạ :lol:
     
  2. dinhhay

    dinhhay Advanced Member

    Joined:
    12/11/10
    Messages:
    327
    Likes Received:
    1
    thế thì Gỗ Mun nó vừa chơi nhạc vừa kok được ak.nếu ngon thế thì phải phang tới tấp.phang cho sướng thì thôi.nướng sò lai rai tế cũng phải phang.nghiện thì lâu rồi.nhưng ngày xưa nghiện nhẹ bây giờ thì nghiện năng rồi.hehe :lol:
     
  3. huyhoanghp96

    huyhoanghp96 Advanced Member

    Joined:
    7/7/11
    Messages:
    3.818
    Likes Received:
    8
    Location:
    HBG198 = beer + ghẹ
    Trước giờ e chỉ thấy .... amp tube k0 hát kok được( nó quá ngọt ngào tình củm chăng 8) ) , đến TDA2030 cs có 40W cả bộ còn đem ra phang kok đc , nói chi mấy trăm w :mrgreen: Có điều kiện a cứ phang tới tấp , k0 sợ gì hết , bảo đảm phê thì thui rùi nhưng trước hết a phải đưa ra hồi kết cho e này trước đã , kẻo treo nó lên khó lôi nó xuống lắm ( e bị hoài :mrgreen: )
     
  4. Walkalone

    Walkalone Advanced Member

    Joined:
    27/4/11
    Messages:
    547
    Likes Received:
    3
    Location:
    Biên Hòa - Đồng Nai
    @ Quang Việt:
    Main này đi với board nguồn 2 tụ chỉ hơi thiếu dung lượng tụ. Bác muốn hỏi điều gì nào? Cái board nguồn 2 tụ đó thiết kế khá tốt, tách biệt mass. Ý bác là hỏi sơ đồ board nguồn à?
    Dự án Gỗ Mun BJT sắp đến này phục vụ cho đa mục đích, nghe nhạc cũng tốt mà kok lại càng tốt.
     
  5. dinhhay

    dinhhay Advanced Member

    Joined:
    12/11/10
    Messages:
    327
    Likes Received:
    1
    ok.không treo mỏ hàn trước 40 tuổi.ngày mùng 7 tháng 12 sẽ test 2 cái bo kia xem nó lòi ra cái bệnh gì.nó mà ù ù đo áp ra 10v nữa thì chán luôn.mà sò công suất Ube=0,5v là ngon và đóng chân C vào được nhỉ?.nó chạy rồi chắc cũng không hiểu được đâu là lái,đâu là thúc,đâu là curen miro,đâu là Vas,vì mọi người chỉ đâu đút đấy mà không nói đấy là chỗ nào cả.
     
  6. dinhhay

    dinhhay Advanced Member

    Joined:
    12/11/10
    Messages:
    327
    Likes Received:
    1
    vâng bác cho em ngắm cái xê ma boad nguồn để em lắp theo như vậy.cố gắng ra thương thuyết với mấy ông chuyên sửa chữa để lại cho 1 cặp ngon vậy.
     
  7. DIY2014

    DIY2014 Approved Member

    Joined:
    8/7/11
    Messages:
    40
    Likes Received:
    0
    http://www.diendandientu.com/diendandie ... ffset,1020
    Dinhhay vào link này đọc các kiến thức cơ bản thì mới làm dc, kg thể chỉ đâu đánh đấy dc đâu vì khi lắp sẽ có rất nhiều vấn đề xảy ra ( đó mới là cái nghiện của DIY ). Anh lắp xong và đã cân chỉnh xong, cái mạch này là mạch cơ bản và kinh điển của POWER đó.
    Mạch a lắp test với rất nhiều loại sò CS khác nhau, 3 dải ra đều, đang mod sao cho treble tơi và nhuyễn nữa thì hay lắm đó.
    Thân
     
  8. Walkalone

    Walkalone Advanced Member

    Joined:
    27/4/11
    Messages:
    547
    Likes Received:
    3
    Location:
    Biên Hòa - Đồng Nai
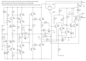
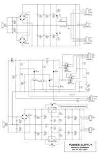
    Schematic nguồn đây, làm được hết thì tốt, có cả bảo vệ loa và nguồn cho pre luôn, không được thì làm phần đầu tiên từ trên nhìn xuống thôi.
    Board này Mid & mid bass rất hay, dày, nghe guitar sướng rên. Tép tơi thì cần hạ tất cả tụ hồi tiếp, Miller, lọc cao tần xuống một giá trị thật thấp, dùng điện trở metal-oxide.
     

    Attached Files:

  9. huyhoanghp96

    huyhoanghp96 Advanced Member

    Joined:
    7/7/11
    Messages:
    3.818
    Likes Received:
    8
    Location:
    HBG198 = beer + ghẹ
    A dinhhay mà đọc cái link kia tẩu luôn mất :mrgreen: cố gắng nha a :D
    Thực ra thì nói ra thì nó dài dòng lắm , cũng hơi phức tạp chút
    tầng mở đầu ( hay các bác tube hay gọi là tầng tiền khuếch đại ) sử dụng các transistor Q2 , Q3 , Q4 , Q5 ghép thành mạch visai , đầu ra là mạch hồi tiếp ( bắt đầu lủng củng rồi hi) , Q1 là trans tạo nguồn hằng dòng giúp cho mạch visai này hoạt động ổn định hơn . mạch mở đầu này có quyết định k0 nhỏ đến chất âm của amp , a phải chọn đc những con trans ngoong ( cụ thể là hfe tuyến tính , ít méo ,ít nhiễu , tần số cắt cao , ...cá nhân e đánh giá cao cặp A970/C2240 hoặc A1268/C3200 hoặc A42/92 cũng ok)với lại phải matched pair nữa.Tiếp đến là tầng khuếch đại điện áp ( vas ) và phân cực ( bias ) bao gồm Q6 , Q7 , Q8 và P1 .Trans Q8 và P1 kết hợp lại tạo thành mạch phân cực BE (bias).con Q8 này phải đưa nó thẳng lên tản nhiệt chính để bù nhiệt , hiệu quả cao trong việc set bias cũng như là giảm cháy nổ , trên board hình như e thấy nó là C945 (đã ngang hàng với trans cs -> sẽ đưa lên tản nhiệt ).Vì là nhiều trans công suất với lại trans bự chảng quá nên cần 2 thằng tài xế xứng tầm ( hay còn lái , thúc , driver ,... ) đó chính là Q9/Q10 lái 6 thằng trans công suất Q11=>Q16 lắp theo mạch cực C chung nên khi làm việc thì a bung cái cực C nài ra là yên tâm ( dưng mà phải bảo đảm mạch ráp đúng k0 thì BE = Vcc thì cũng khói ạ :mrgreen: ), xong xuôi đo ngon lành roài thì a hàn nó vô , đo BE khoảng từ 0.5->0.7 ok. R22 và C14 tạo thành mạch lọc zobel để cho nó chống tự sướng , bình thường e thấy nó ở đầu vào cầu loa ( sau cuộn cảm ) sao mạch này lại lắp trước cuộn cảm nhể :shock: .Lắp xong mạch a khoan đóng điện , trước hết a phải chỉnh con biến trở (trime) P1 về 0ohm đã rồi a hãy đóng điện , đo BE ngon lành rồi a nhảy qua topic leach all in one 4.5 vô trang 48 xem cách chỉnh bias nha a.A nên lắp thêm cái bảo vệ loa ( hoặc ra chợ mua ) để còn diy dài dài k0 là con loa của a ra đi sớm ý ạ ( mất món này => mất thú DIY ).
    Căn bản là có như vậy , e thì học chuyên ban A nên dốt văn, diễn giải có chỗ nào sai sót mong các bác chỉ giáo :wink:
     
  10. huyhoanghp96

    huyhoanghp96 Advanced Member

    Joined:
    7/7/11
    Messages:
    3.818
    Likes Received:
    8
    Location:
    HBG198 = beer + ghẹ
    A ưi thế còn cái Re bảo vệ quá tải trên board này nó bỏ qua hở a , e cũng đang quan tâm vụ nà :mrgreen: i
     
  11. Walkalone

    Walkalone Advanced Member

    Joined:
    27/4/11
    Messages:
    547
    Likes Received:
    3
    Location:
    Biên Hòa - Đồng Nai
    À, bảo vệ này chỉ bảo vệ DC thôi, với khoảng ngõ ra trên 1,5VDC là relay đóng lại, cắt loa ra khỏi ampli, đồng thời mở trễ khoảng 7s. Cá nhân anh thấy thích đơn giản vậy thôi, bảo vệ quá tải và chập tải anh thấy người ta hay dùng kiểu mạch hạn dòng cấp cho con driver.
    Sơ đồ mạch thì nhiều và đơn giản lắm, em có cần không?
     
  12. huyhoanghp96

    huyhoanghp96 Advanced Member

    Joined:
    7/7/11
    Messages:
    3.818
    Likes Received:
    8
    Location:
    HBG198 = beer + ghẹ
    Hi tks a nhiều ạ , vậy a cho e xin một cái nha a .Dưng mà bảo để đến 1.5V liệu có cao quá k0 ạ , e sợ đến ngưỡng đó thì loa die trước rơle đóng :mrgreen:
     
  13. DIY2014

    DIY2014 Approved Member

    Joined:
    8/7/11
    Messages:
    40
    Likes Received:
    0
    Nếu lắp board nguồn này e test thử xem khi đưa nguồn âm thì Role có nhảy kg nhé, trước a có lắp nhưng hình như nguồn âm nó kg nhảy thì phải, mà tụ chỗ 2 con trở 22k từ loa đưa vào xuống mass phải dùng 2 con tụ hóa đấu 2 cực âm lại để làm thành tụ Nonpolar nếu kg thì khi mở loa lớn role sẽ nhảy đó. Anh thấy có board 4 tụ, phần bảo vệ loa dùng 5 transitor dùng tốt hơn, em nghiên cứu thử xem.
    Thân
     
  14. Walkalone

    Walkalone Advanced Member

    Joined:
    27/4/11
    Messages:
    547
    Likes Received:
    3
    Location:
    Biên Hòa - Đồng Nai
    Mạch đó âm dương gì cũng nhảy, dương sẽ kích con C1815 bên trái, âm kích con bên phải, dẫn đến mất áp B con D669, khiến mất dòng qua relay.
    Áp DC 1,5V là khá nhỏ, hầu như không ảnh hưởng gì đến loa cả, chỉ như một cục pin tiểu thôi mà.
    Em dùng board này từ trước đến giờ, rất tin cậy. Cá nhân em chỉ cần bảo vệ DC thôi, các loại khác không cần.
     
  15. quangviet

    quangviet Advanced Member

    Joined:
    2/3/09
    Messages:
    670
    Likes Received:
    2
    Location:
    Hải Phòng
    @ Quang Việt:
    Main này đi với board nguồn 2 tụ chỉ hơi thiếu dung lượng tụ. Bác muốn hỏi điều gì nào? Cái board nguồn 2 tụ đó thiết kế khá tốt, tách biệt mass. Ý bác là hỏi sơ đồ board nguồn à?

    Đúng là sơ đồ của Board nguồn đó,loại có bán sẵn ở chợ Nhật tảo đó.Hôm đó cũng định mua cái board nguồn loại 4 tụ nhưng board đó to quá không cho vừa cái vỏ âmly California Pro 888AR của mình,nó bị hỏng mất phần công suất,chỉ còn lại những board khác thôi, đợt trước nhân tiện đi Nhật tảo hỏi mua được mấy cái board Main 300w như của bác cộng với cái board nguồn này nữa là đủ.Nhưng dự án đang tạm thời dừng vì không có kinh phí. :wink:
    Khi nào có điều kiện vào Sài gòn mình phải mua thêm một ít Board đó nữa,cả board nguồn nữa.
    Mình không có máy ảnh nên không chụp được ảnh cái board đó được.
     
  16. Walkalone

    Walkalone Advanced Member

    Joined:
    27/4/11
    Messages:
    547
    Likes Received:
    3
    Location:
    Biên Hòa - Đồng Nai
    Board nguồn đó cứ ráp theo theo linh kiện in trên PCB là chạy. Sơ đồ thì bác nhìn lên trên. Bảo vê loa nó dùng 1 relay kép 8 chấu 5A. Còn em thiết kế lại 2 relay đơn. Ổn áp cấp cho mixer là KA7815/7915 thì em dùng LM317/337 tốt hơn.
     
  17. huyhoanghp96

    huyhoanghp96 Advanced Member

    Joined:
    7/7/11
    Messages:
    3.818
    Likes Received:
    8
    Location:
    HBG198 = beer + ghẹ
    Vậy a cho e xin cái mạch nào nó đa nhiệm chút : đóng trễ , bảo vệ rò DC , bảo vệ quá tải , bảo vệ chập loa , ngắt nhanh ,.... Hình như đòi hỏi hơi cao :mrgreen: Mong được a giúp đỡ :D
    Có cái mạch nài các bác coi thử xem có ổn k0 :mrgreen: Nó quảng cáo nhiều chức năng phết ( làm trễ đóng loa khi mở máy, mạch bảo vệ lệch áp tĩnh đầu ra loa, bảo vệ quá dòng ra loa, mạch ngắt nhanh loa khi tắt máy tránh tiếng "bụp" phát sinh khi quá độ và mạch ngắt loa khi điện áp cung cấp nguồn quá thấp so với danh định không cho ra loa tín hiệu xấu) dưng mà hổng biết có đúng k0 , các bác mần thử nha :mrgreen: ( các bác để ý chỉ có phần sau là bảo vệ loa , phần trước là mạch cs chớ cái mạch bảo vệ loa nó k0 khủng đến thế ạ :D )
     

    Attached Files:

  18. huyhoanghp96

    huyhoanghp96 Advanced Member

    Joined:
    7/7/11
    Messages:
    3.818
    Likes Received:
    8
    Location:
    HBG198 = beer + ghẹ
    A dinhhay làm đến đâu rùi ợ , bài viết trên e up lúc vừa mới ... ngủ dậy nên cũng k0 biết chỗ nào đúng chỗ nào sai ( e newbie chính hiệu ) , có gì mong các bác chỉ giáo ạ , a up chút ảnh lấy khí thế nha a
     
  19. huyhoanghp96

    huyhoanghp96 Advanced Member

    Joined:
    7/7/11
    Messages:
    3.818
    Likes Received:
    8
    Location:
    HBG198 = beer + ghẹ
    HAPPY BIRTHDAY to anh dinhhay Chúc a càng ngày càng lên tay ( diy xong cái này a lên thêm nhiều bậc lắm ạ ) , chúc a thành công với nhiều dự án , luôn gặp may mắn trong mọi lĩnh vực . HAPPY BIRTHDAY TO YOU [​IMG]
     
  20. huyhoanghp96

    huyhoanghp96 Advanced Member

    Joined:
    7/7/11
    Messages:
    3.818
    Likes Received:
    8
    Location:
    HBG198 = beer + ghẹ
    HAPPY BIRTHDAY to anh dinhhay Chúc a càng ngày càng lên tay ( diy xong cái này a lên thêm nhiều bậc lắm ạ ) , chúc a thành công với nhiều dự án , luôn gặp may mắn trong mọi lĩnh vực . HAPPY BIRTHDAY TO YOU [​IMG]
     
  21. huyhoanghp96

    huyhoanghp96 Advanced Member

    Joined:
    7/7/11
    Messages:
    3.818
    Likes Received:
    8
    Location:
    HBG198 = beer + ghẹ
    HAPPY BIRTHDAY to anh dinhhay Chúc a càng ngày càng lên tay ( diy xong cái này a lên thêm nhiều bậc lắm ạ ) , chúc a thành công với nhiều dự án , luôn gặp may mắn trong mọi lĩnh vực . HAPPY BIRTHDAY TO YOU [​IMG]
     
  22. huyhoanghp96

    huyhoanghp96 Advanced Member

    Joined:
    7/7/11
    Messages:
    3.818
    Likes Received:
    8
    Location:
    HBG198 = beer + ghẹ
    HAPPY BIRTHDAY to anh dinhhay Chúc a càng ngày càng lên tay ( diy xong cái này a lên thêm nhiều bậc lắm ạ ) , chúc a thành công với nhiều dự án , luôn gặp may mắn trong mọi lĩnh vực . HAPPY BIRTHDAY TO YOU [​IMG]
     
  23. huyhoanghp96

    huyhoanghp96 Advanced Member

    Joined:
    7/7/11
    Messages:
    3.818
    Likes Received:
    8
    Location:
    HBG198 = beer + ghẹ
    HAPPY BIRTHDAY to anh dinhhay Chúc a càng ngày càng lên tay ( diy xong cái này a lên thêm nhiều bậc lắm ạ ) , chúc a thành công với nhiều dự án , luôn gặp may mắn trong mọi lĩnh vực . HAPPY BIRTHDAY TO YOU [​IMG]
     
  24. huyhoanghp96

    huyhoanghp96 Advanced Member

    Joined:
    7/7/11
    Messages:
    3.818
    Likes Received:
    8
    Location:
    HBG198 = beer + ghẹ
    HAPPY BIRTHDAY to anh dinhhay Chúc a càng ngày càng lên tay ( diy xong cái này a lên thêm nhiều bậc lắm ạ ) , chúc a thành công với nhiều dự án , luôn gặp may mắn trong mọi lĩnh vực . HAPPY BIRTHDAY TO YOU [​IMG]
     
  25. huyhoanghp96

    huyhoanghp96 Advanced Member

    Joined:
    7/7/11
    Messages:
    3.818
    Likes Received:
    8
    Location:
    HBG198 = beer + ghẹ
    HAPPY BIRTHDAY to anh dinhhay Chúc a càng ngày càng lên tay ( diy xong cái này a lên thêm nhiều bậc lắm ạ ) , chúc a thành công với nhiều dự án , luôn gặp may mắn trong mọi lĩnh vực . HAPPY BIRTHDAY TO YOU [​IMG]
     

Share This Page

Loading...