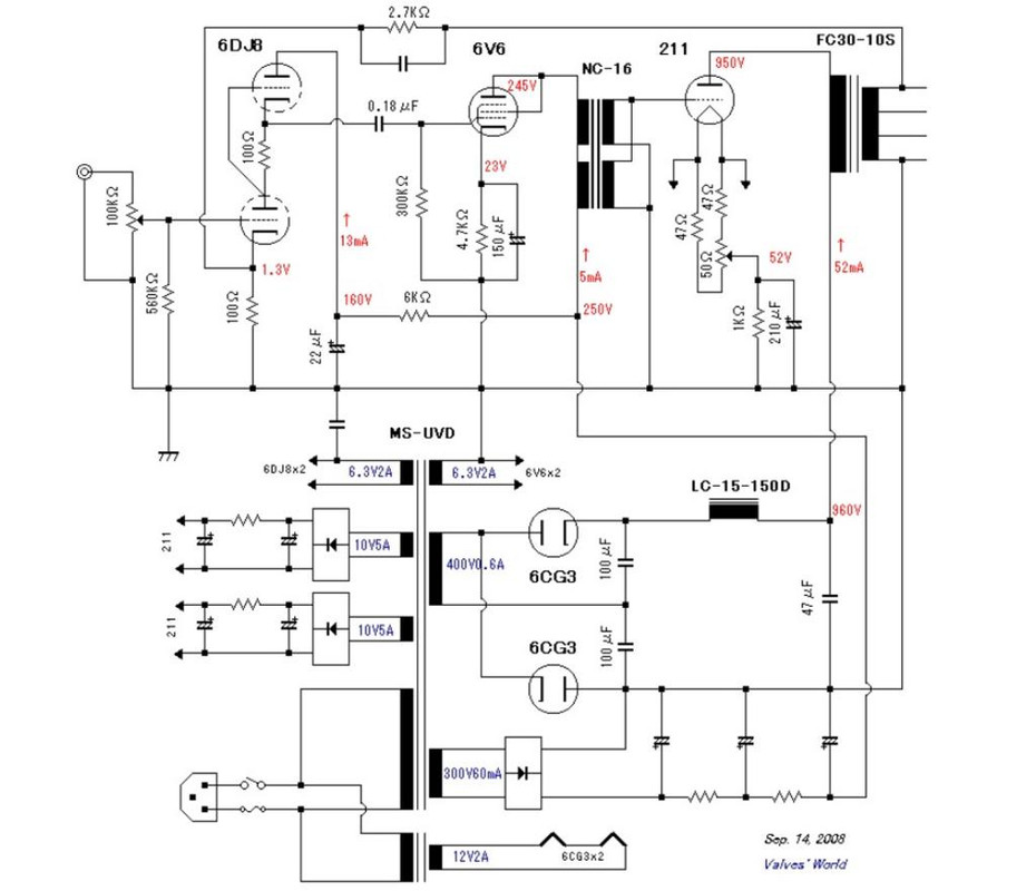
Hi all , Em chuẩn bị làm cái amply 211 SE. theo mạch bên dưới và em xài bóng mở là 12au7 chứ không xài 6DJ8 như vậy Gain giảm nhiều không ?? và có cần thay đổi giá trị điện trở? hiện tại nó chỉ sử dụng 2 con trở 100R Thanks all
Bỏ 6DJ8 và 6V6 đi, thay vào đó bằng cây 417W là xong. 6V6 mà chạy có 5mA thì .... 211 chạy có 52mA .... Show cái hình bác tham khảo (13W/ 8 Ohms)
Amp 211 đẹp quá anh ơi ---------------------- Amply của em fix luôn rồi.Khó đổi thay. Tube mở và lái được mấy ông bạn tặng 7044 - 12au7 - 6v6 - 6f6 Chừ chỉ giới hạn trong mấy bóng này cái nữa em đã vẽ và cho lên khuôn CNC luôn nốt rùi
Chỉ thay đổi hệ số KĐ vòng hở mạch có hồi tiếp khg ảnh hưởng nhiều lắm nếu muốn gần 33 chọn mấy bóng sau 6021 (35) , 6072 (44), 6BQ7 (38), 6BZ7 (36). Trừ 6072 các bóng còn lại khg mắc tiền lắm mà hay khg kém, mỗi bóng có cái hay riêng
6072 là 1 trong những tube mở em khoái nhất dày và mượt đã luôn Trong trường hợp em xài 6072 và bỏ hồi tiếp liệu có đủ gain không a?(e k thích hồi tiếp...hehe) Thanks a.
Bỏ hồi tiếp sẽ dư gain rất nhiều khg nghe được Nếu muốn bỏ hồi tiếp thì dùng 1 cây 5 cực chạy sao có gain cỡ 80-100 là được (Swing lái cho 211 cỡ 140Vpp) Với yêu cầu này hầu hết các cây 5 cực cỡ trung đều dùng được (6E5P, 12HG7, 12GN7, 6CL6, 6CH6, 6EJ7(EF184)......)
Lấy con trâu để đẩy con voi thì đơn giản quá còn gì.... Có mỗi cái lo là đốt tim của hai loại đèn đó thôi nhỉ... Làm vài cuộn đốt tim trong một cái biến áp nguồn cũng hơi mệt....
Bác Khoa dùng 6F6 làm driver hay hơn là 6V6. Gain với mạch 3 tầng này thì vô tư, chỉ sợ thừa không sợ thiếu
Gì chứ hạ đốt tim từ 6.3V xuống 5V thì dễ ẹc à. Nếu 300b cụ thấy hơi trâu thì có thể kiếm 2a3, vt25. Chơi DHT lái bằng DHT luôn cho máu. Em đùa thôi chứ 6F6 là phương án rất hay. Nhiều người làm thành công. Cụ chủ kiếm đc cục liên tầng 5k:5k ngon nữa thì quá đỉnh.
Mấy anh bạn em thì bảo : cho VT62 lái đi ngon lắm nhưng kẹt cái lưng đau ,nên em chỉ muốn làm cái gì nhẹ nhàng dễ bê nhất chứ có điều kiện em cũng là thử mạch bên dưới ................................................... em nhờ bạn sơn lại cái mặt đồng cho đỡ oxy hóa Ráp tới đây e đứng máy Đang đợi linh kiện về thêm... và rồi không biết nhét linh kiện vào chổ nào nữa..chật chội quá
VT25, 10Y, VT62, 801 là phương án hay nhất và... tốn kém nhất. Phải dùng choke load 100H hoặc biến áp 15k:15K đổ lên Nghe thì tùy gu chứ trong đám đèn lái các cụ thảo luận thì họ nhà VT25, 10Y là loại tuyến tính nhất rồi.
Đúng rồi, VT62/VT25/801A lái cho bóng cs lớn là đúng bài rồi. Kể ra bác xoay xở chút cũng vẫn ok. Thêm cục biến thể đốt tim nho nhỏ cho Vt62 và 2 mạch Rod Coleman. Bóng mở đầu 5 cực theo kiểu mạch đó thì với lỗ chassis đã khoan cho bóng chân tăm, bác có thể thử với 6ak5 (7 chân), có rất nhiều bóng hay thuộc họ này và theo em thì âm thanh còn tốt hơn dòng 6sj7/5963. Hoặc bác có thể thử với bóng 409a/5847 chân vàng của western, cũng khá rẻ mà hay. Mạch dùng bóng 5 cực mở đầu có thể chơi nhiều kiểu: 3 cực, 5 cực hồi tiếp dương kiểu Schade feedback. Nói chung theo em là tốt hơn mạch SRPP mở đầu
yah ,vâng sáng giờ e lu bu cày ,giờ mới relay được Em xài toàn đồ bình dân dễ mua, - Nguồn là Edcor 144 (240V) (lúc đầu dự nguồn QS Mỹ nhưng nản xài điện 110 , chừ lẩm cẩm , hay nhầm 110-220v) http://hifiparts.net/shop/edcor-xpwr144-120240/ - OPT thì em xài LL9202 https://www.lundahltransformers.com/wp-content/uploads/datasheets/1620_3_7_9202.pdf - Nối tầng LL1660 http://www.lundahl.se/wp-content/uploads/datasheets/1660.pdf - Choke thì em xài tạm cục UTC S 29 (mua lâu lắm giờ mới có dịp xài) Đèn lái mở = bạn cho Bóng 211 = china PS VAN Hết......
Quá ngon luôn ,Thanks Anh ^^ với cấu hình ...5 cực mở , lái VT62 vào biến áp đến tube Công Suất . Không có gì để chê 6ak5 western cũng rẻ và số lượng nhiều,chất western thì miễn bàn,đúng ý em luôn. VT62 thì quá đỉnh cho lái ,ai cũng mê khi ráp . Em sẽ theo cấu hình này trong nay mai Giờ cũng nôn ráp trước cái đơn giản nghe thử,rồi sẽ tiếp tục thay đổi. Do phải đặt đèn,rồi chuẩn bị làm tab chân đèn lại Lần này ráp khá rung tay em chưa lần nào ráp amply áp ~ 900vol như này ớn ớn...áp cao quá
Em cũng là fan dùng các bóng bác nêu ở trên làm driver 300B, 211, 845, 833 drive bằng VT25 em đều đã được trải nghiêm
Bạn khai thác 833 ác quá nhỉ... Đến phiến than mà còn cho em đó chạy đỏ lừ lên thế kia... Chẳng bù cho mình nhìn thấy 833 là ngại cho em nó nằm xó nhà....