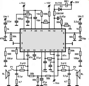
Dòng STK như thế nào ạ?

Discussion in 'Bán dẫn' started by minhthaibinh, 24/3/12.

  1. trinh_anhtu

    trinh_anhtu Advanced Member

    Joined:
    6/7/10
    Messages:
    5.676
    Likes Received:
    727
    Location:
    Tel Zalo 0913045685
    Mời cụ học việc xơi ạ.
     

    Attached Files:

  2. diyampli

    diyampli Advanced Member

    Joined:
    15/6/10
    Messages:
    6.542
    Likes Received:
    304
    Location:
    Anh có vào Nghĩa Lộ với em không?
    Ít xèng mà đòi cao, chơi không đẹp thì chỉ thế thôi ngài ạ. 500K kia tặng cho cháu nhà cụ mong sau nó đừng như kụ.
    Kính vãi.
     
  3. DThocviec

    DThocviec Advanced Member

    Joined:
    16/6/12
    Messages:
    265
    Likes Received:
    0
    Ít xèng mà đòi cao, chơi không đẹp thì chỉ thế thôi ngài ạ. 500K kia tặng cho cháu nhà cụ mong sau nó đừng như kụ.
    Kính vãi.[/quote]
    haha. thế là lòi mặt ra rồi nhé. tớ chơi với cậu có gì mà không đẹp. cậu nói thế thì nhờ đại ca nói chuyện với cậu thôi. tớ không có gì phải ái náy cả, tối vẫn không băn khoăn gì đâu cậu ạ. nếu đã nói là tặng cháu nó thì cháu nó nhận, cậu gửi vào đi nhé. :) .
    ngay khi bắt đầu thì alo nói chuyện nghe hay phết. giờ thì trở mặt ngay. tớ cũng kính vãi.
    tớ đã nói là cậu nói bao nhiệu thì tớ đưa bao nhiêu. thế là hứa ok vanh vách.
    tớ cũng xin chừa với cậu . hehe.
    @ Anh mì sả ơi, nếu có dạo ngang thì lên tiếng giúp em cái em vẫn kính phục anh hết mình vì anh em, nhưng anh hứa là sẽ giải quyết thế mà giờ để Diy nói thế với em, . em vẫn chưa bao giờ thẹn với anh chuyện gì cả anh nhé.. cụ DIY nói thế là xúc phạm em rồi đấy. đừng để em phải lên tiếng lần nữa là không hay đâu anh ơi.
     
  4. diyampli

    diyampli Advanced Member

    Joined:
    15/6/10
    Messages:
    6.542
    Likes Received:
    304
    Location:
    Anh có vào Nghĩa Lộ với em không?
    haha. thế là lòi mặt ra rồi nhé. tớ chơi với cậu có gì mà không đẹp. cậu nói thế thì nhờ đại ca nói chuyện với cậu thôi. tớ không có gì phải ái náy cả, tối vẫn không băn khoăn gì đâu cậu ạ. nếu đã nói là tặng cháu nó thì cháu nó nhận, cậu gửi vào đi nhé. :) .
    ngay khi bắt đầu thì alo nói chuyện nghe hay phết. giờ thì trở mặt ngay. tớ cũng kính vãi.
    tớ đã nói là cậu nói bao nhiệu thì tớ đưa bao nhiêu. thế là hứa ok vanh vách.
    tớ cũng xin chừa với cậu . hehe.
    @ Anh mì sả ơi, nếu có dạo ngang thì lên tiếng giúp em cái em vẫn kính phục anh hết mình vì anh em, nhưng anh hứa là sẽ giải quyết thế mà giờ để Diy nói thế với em, . em vẫn chưa bao giờ thẹn với anh chuyện gì cả anh nhé.. cụ DIY nói thế là xúc phạm em rồi đấy. đừng để em phải lên tiếng lần nữa là không hay đâu anh ơi.[/quote]

    Thôi ..... đi cho nước nó trong, nói nhiều để cho chủ top hỏi!
    Sống thế nào thì mọi người hiểu đâu phải thanh minh chi nhiều :lol:
    Gọi đến anh Quang thế đã giả nốt ít xèng linh kiện cho anh chưa mà ới :lol:
     
  5. DThocviec

    DThocviec Advanced Member

    Joined:
    16/6/12
    Messages:
    265
    Likes Received:
    0
    ok. sorry chú Minh nhé. anh chỉ post 1 bài này nữatho6i. vì anh thấy topic này cũng chìm lâu rồi, nay vào hỏi thêm cho nó lên lại í mà. :)
    @ Mimosalq: anh không lên tiếng, nghĩa là anh cũng đồng ý với DIY về vấn đề này, cũng như đồng ý việc em còn thiếu tiền linh kiện anh hả. :shock:
    thế thì em cũng chả cần phải nói gì nữa. cứ cho là vậy đi. 8)
    em chỉ khẳng định với anh một điều là em đã đưa anh khoản tiền đó rồi. tiền linh kiện cũng thanh toán sòng phẳng, trừ những gì anh nói là tặng em,thì em nhận và vô cùng mang ơn anh. chứ mỗi khi mua linh kiện em đều hỏi giá kỹ càng, đủ khả năng chi trả thì mới mua, anh đồng ý điều này không? vì anh cũng từng nói với em là coi như anh quên cũng đâu có sao.
    Qua chuyện này em cũng rút ra một bài học cho tính chủ quan của mình, tiền bạc thì phải giấy trắng mực đen, đặc biệt là với một người nhiều việc và hay quên như anh.
    @ DIYampli:
    Làm ăn với chú em cũng giống như làm ăn với các cụ quan liêu nói một đằng làm một nẻo nhà ta. OK, một lần và mãi mãi. :lol:
    Finally, Thôi em lượn đây, kẻo lại bảo em làm nước đục hahaha. để dành vùng nước trong cho những người như cụ DIY tắm mát và tự sướng.
    best regards,
     
  6. trinh_anhtu

    trinh_anhtu Advanced Member

    Joined:
    6/7/10
    Messages:
    5.676
    Likes Received:
    727
    Location:
    Tel Zalo 0913045685
    Em lại cứ tưởng bác hỏi thật lại đi tìm datasheet cho bác. Chắc bác cười em nhiều lắm nhỉ:roll:
     
  7. DThocviec

    DThocviec Advanced Member

    Joined:
    16/6/12
    Messages:
    265
    Likes Received:
    0
    ặc ặc. chết em. em có post bài cảm ơn bác Tú mà sao nó không hiện ra nhỉ. :(
    em chân thành xin lỗi và chân thành cảm ơn bác đã nhiệt tình giúp em. em thật sự cần nó , và tài liệu bác cho là vô cùng quý giá với em đấy bác. lots of thanks!!!
    best regards,
    Huỳnh biên hòa
     
  8. THIEN_THANH

    THIEN_THANH Advanced Member

    Joined:
    17/7/10
    Messages:
    65
    Likes Received:
    1
    Em cũng mới lượm đồng nát được 1 em sanyo với giá 150k .
    Nó dùng con STK2025 . về sử lại . chạy vẫn ngon . đúng là đồ nhật . chày cối .
     
  9. daothai90

    daothai90 Advanced Member

    Joined:
    30/3/13
    Messages:
    74
    Likes Received:
    3
    Hôm nay e cũng cày được 1 con STK 4148. Nhưng mà nó có chân 7V làm cái gì vậy các bác
     

Share This Page

Loading...