DIY Gryphon. Chia sẻ mấy bộ bo

Discussion in 'Bán dẫn' started by trinh_anhtu, 4/7/13.

  1. nghenhinhs1

    nghenhinhs1 Advanced Member

    Joined:
    26/2/10
    Messages:
    3.576
    Likes Received:
    23
    Re: DIY Gryphon AMPLI

    delete.............................................................................vì nhầm :lol:
     
  2. trinh_anhtu

    trinh_anhtu Advanced Member

    Joined:
    6/7/10
    Messages:
    5.676
    Likes Received:
    730
    Location:
    Tel Zalo 0913045685
    Re: DIY Gryphon AMPLI

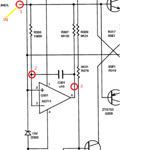
    Đây là sơ đồ của nó, phần nguồn chỉ có diot và tụ thôi.................
     

    Attached Files:

  3. trinh_anhtu

    trinh_anhtu Advanced Member

    Joined:
    6/7/10
    Messages:
    5.676
    Likes Received:
    730
    Location:
    Tel Zalo 0913045685
    Re: DIY Gryphon AMPLI

    Chỗ này có nhằm nữa ko cụ :p
     
  4. nghenhinhs1

    nghenhinhs1 Advanced Member

    Joined:
    26/2/10
    Messages:
    3.576
    Likes Received:
    23
    Re: DIY Gryphon AMPLI

    Nhầm thật vì cái mạch đầu tiên kụ đưa lên lem nhem quá, đọc cái mạch sau này mới thấy rõ. Srr :lol:
    Ờ nhưng lại nảy sinh vứn đề khác. Con opem đầu tiên (AD711) làm nhiệm vụ gì đấy kụ ? :wink:
     
  5. trinh_anhtu

    trinh_anhtu Advanced Member

    Joined:
    6/7/10
    Messages:
    5.676
    Likes Received:
    730
    Location:
    Tel Zalo 0913045685
    Re: DIY Gryphon AMPLI

    Nó vừa lọc thông thấp vừa là mạch so sánh với mức oV để ổn định DC trung bình của tín hiệu vào. Chẳng hạn mức DC tín hiệu vào cao lên nó sẽ kéo thấp xuống, vì ko có tụ vào nên nó phải làm thế. (Chân + nối 0V, chân đảo - nối với tín hiệu vào).
     
  6. nghenhinhs1

    nghenhinhs1 Advanced Member

    Joined:
    26/2/10
    Messages:
    3.576
    Likes Received:
    23
    Re: DIY Gryphon AMPLI

    So sánh kiểu gì khi đầu vào lẫn đầu ra của nó nối tắt vợi kụ ? :wink:
     
  7. tritridung

    tritridung Advanced Member

    Joined:
    3/2/09
    Messages:
    266
    Likes Received:
    43
    Location:
    NguyenChiThanh-HN
    Re: DIY Gryphon AMPLI

    Sắp có amp bd chất đền dùng rồi!
     
  8. trinh_anhtu

    trinh_anhtu Advanced Member

    Joined:
    6/7/10
    Messages:
    5.676
    Likes Received:
    730
    Location:
    Tel Zalo 0913045685
    Re: DIY Gryphon AMPLI

    Không hề nối tắt, cụ để ý đường ra của con OPAMP này là trở những 100K (Trở này dùng để phân cực cho 2 con vi sai). Nếu đường vào có DC đường ra con OPAM sẽ thay đổi rất lớn (Vì con trở 100K ngỏ ra ko đủ nhỏ để đồng nhất ngõ ra với chân - ) phần nữa chân - qua con 1M, dòng vào OPAMP cực nhỏ coi như chân - cùng điện áp đường tín hiệu vào. Nó tự xử nó đấy :p
     
  9. nghenhinhs1

    nghenhinhs1 Advanced Member

    Joined:
    26/2/10
    Messages:
    3.576
    Likes Received:
    23
    Re: DIY Gryphon AMPLI

    Tốc độ tự xử của nó liệu có nhanh bằng tốc độ của đoạn dây không kụ ? :wink:
     
  10. VQ_audio

    VQ_audio Advanced Member

    Joined:
    13/7/06
    Messages:
    9.261
    Likes Received:
    28
    Re: DIY Gryphon AMPLI

    Kụ lói nuôn nà bv DC in đi cho ló nhanh chứ lão kia già rồi nhầm nhọt sang trồng chọt là chiện rễ hỉu :mrgreen:
     
  11. trinh_anhtu

    trinh_anhtu Advanced Member

    Joined:
    6/7/10
    Messages:
    5.676
    Likes Received:
    730
    Location:
    Tel Zalo 0913045685
    Re: DIY Gryphon AMPLI

    Tuy nó cố ý dùng tụ hồi tiếp chỉ 0.1uF trên OPAMP để phần nào tăng tốc độ đáp ứng nhưng vẫn có độ trễ nhất định. Qua việc con ô pham tự xử nó (Đã tạo ra méo tín hiệu), em nghĩ hãng đã cố tình tạo ra một mức méo tín hiệu để nhằm mục đích.
     
  12. nghenhinhs1

    nghenhinhs1 Advanced Member

    Joined:
    26/2/10
    Messages:
    3.576
    Likes Received:
    23
    Re: DIY Gryphon AMPLI

    BV theo cơ chế nào vợi, kụ nàm ơn giảng giải kỹ hộ em được không ?
     
  13. VQ_audio

    VQ_audio Advanced Member

    Joined:
    13/7/06
    Messages:
    9.261
    Likes Received:
    28
    Re: DIY Gryphon AMPLI

    Lão Tú rải thích trên rồi kụ đọc kô rõ chữ hay để em sửa BV = dò & cut Dc in :mrgreen:
     
  14. nghenhinhs1

    nghenhinhs1 Advanced Member

    Joined:
    26/2/10
    Messages:
    3.576
    Likes Received:
    23
    Re: DIY Gryphon AMPLI

    Em không nghĩ vậy. Đeo bất kỳ hệ mạch nào // với 1 đoạn dây đều không có ý nghĩa gì. Trong lý thuyết lẫn thực tế em chưa thấy điều nào tương tự. Câu hỏi nghi vấn là liệu hãng khi công bố mạch này đã cố tình vẽ sai không ? chẳng hạn như con trở 100 omh đúng ra phải nằm giữa 2 đầu của con opem ?....
     
  15. nghenhinhs1

    nghenhinhs1 Advanced Member

    Joined:
    26/2/10
    Messages:
    3.576
    Likes Received:
    23
    Re: DIY Gryphon AMPLI

    Buồn cho ngừi mang ranh nà cao sủ dư kụ :wink:
     
  16. trinh_anhtu

    trinh_anhtu Advanced Member

    Joined:
    6/7/10
    Messages:
    5.676
    Likes Received:
    730
    Location:
    Tel Zalo 0913045685
    Re: DIY Gryphon AMPLI

    Em phóng to chỗ hình con ô phang, con trở đường vào nó nằm ở trang trước của sơ đồ nhé.
     

    Attached Files:

  17. VQ_audio

    VQ_audio Advanced Member

    Joined:
    13/7/06
    Messages:
    9.261
    Likes Received:
    28
    Re: DIY Gryphon AMPLI

    Bùn nà phải , kụ vs em đã đc nghe sờ đồ khủng dư lày đâu lên tất cả chỉ nà chém ró :lol:
     
  18. trinh_anhtu

    trinh_anhtu Advanced Member

    Joined:
    6/7/10
    Messages:
    5.676
    Likes Received:
    730
    Location:
    Tel Zalo 0913045685
    Re: DIY Gryphon AMPLI

    Cụ băn khoăn vị trí con trở 100R là đúng. Nhưng nếu bỏ qua đường vào vi sai chỉ quan tâm đến con ô phang cụ sẽ thấy chính con trở cụ nghĩ đến nó là con R307 100K.
    Chỉ xét tần số đủ thấp để con tụ hồi tiếp 0.1 coi như không có em trình bày thế này:
    Nếu vị trí (1) điện áo cao lên sẽ không làm tại (3) cao lên được vì trở kháng ra của ô pham khá nhỏ và do (1) nối (3) bằng trở 100K, đồng thời khi đó tại vị trí (3) điện áp sẽ thấp xuống (Có thể xuống -15V do ô pham hệ số vòng hở rất lớn). (3) thấp thì sẽ kéo (1) xuống thấp thôi.
    Em đã xem layout thì vị trí con trở 100 đúng như thế, nhưng nếu là em em cũng nghĩ như cụ cho nó nằm vào chỗ nối (1) và chân B vi sai thì hiệu quả hơn rất nhiều. Và trị số nó khoảng 1K.
     
  19. nghenhinhs1

    nghenhinhs1 Advanced Member

    Joined:
    26/2/10
    Messages:
    3.576
    Likes Received:
    23
    Re: DIY Gryphon AMPLI

    Vấn đề là khi anh muốn tác động hay lái một anh khác thì anh phải đủ khỏe, trong trường hợp này là vấn đề trở kháng xuất của con opem phải nhỏ hơn đoạn dây thì mới có ý nghĩa, nhưng theo em biết thì trình độ công nghệ bây giờ chưa làm đc con opem nào có trở kháng xuất nhỏ hơn mẩu dây dẫn cả kụ ợ
    @ Vê cu : Cứ phải sờ vào thì mới chém được hở kụ ? sờ vào thì đọc sê ma thấy nó rõ hơn ợ ? :shock:
     
  20. trinh_anhtu

    trinh_anhtu Advanced Member

    Joined:
    6/7/10
    Messages:
    5.676
    Likes Received:
    730
    Location:
    Tel Zalo 0913045685
    Re: DIY Gryphon AMPLI

    Con này là ampli tích hợp, gain lại cao vậy. Phía trước nó có cái volume, thể nào cũng không chỉnh max volume được nên nó làm vậy theo em cũng có lý do. Cụ quả là tinh tường, vấn đề này em cũng đã lăn tăn khi xem sơ đồ rồi.
     
  21. VQ_audio

    VQ_audio Advanced Member

    Joined:
    13/7/06
    Messages:
    9.261
    Likes Received:
    28
    Re: DIY Gryphon AMPLI

    Layout tuỳ máy sẽ có những cái xê ma kô coá , layout chưa rờ đc tận tay mà xê ma cũng chưa chắc phải gốc ... thì cũng chỉ để tham khảo :wink: kụ kô thấy td con ô pem í quẳng ló đi mạch vưỡn chạy mừ , cái đó chỉ là gia vị , nhể :lol:
     
  22. Pointed

    Pointed Advanced Member

    Joined:
    1/12/08
    Messages:
    2.557
    Likes Received:
    66
    Location:
    ...Sáng áo bông ...Tối áo phông
    Re: DIY Gryphon AMPLI

    +1 :D

    Ví dụ đơn giản nhất là tại sao chipamp chết (chập) lại gây ù ra loa :wink:
     
  23. nghenhinhs1

    nghenhinhs1 Advanced Member

    Joined:
    26/2/10
    Messages:
    3.576
    Likes Received:
    23
    Re: DIY Gryphon AMPLI

    Kụ lói cũng có lý dưng bây giờ có nhõn cái xêma thì chém vậy chứ biết làm sao, như cái xêma trước của kụ tú lem nhem mà mắt em lại lèm nhèm nên mới chém nhầm, nhưng thà chém nhầm còn hơn bỏ sót :mrgreen:
     
  24. VQ_audio

    VQ_audio Advanced Member

    Joined:
    13/7/06
    Messages:
    9.261
    Likes Received:
    28
    Re: DIY Gryphon AMPLI

    - 1 thì có , xê ma vẽ thế kô nhất thiết layout như thế , có thể chỉ là 1 điểm Pointed duy nhất mà cũng có khi là 1 đoạn dây nối hay mạch in độ dài ... chưa xác định :?: :lol: đơn giản nhất là cái xê ma mấy khi thể hiện đường mass thực ?
     
  25. Pointed

    Pointed Advanced Member

    Joined:
    1/12/08
    Messages:
    2.557
    Likes Received:
    66
    Location:
    ...Sáng áo bông ...Tối áo phông
    Re: DIY Gryphon AMPLI

    Lại muốn cân đo giữa hai phạm trù định tính vs định lượng hén :wink: cụ mà ngồi trên tàu bò vna thì hành khách cũng có phần an ủi :lol:

    Thôi các cụ đi ngủ sớm đê, lấy sức cuối tuần này ngồi ghế nóng :mrgreen:
     

Share This Page

Loading...