DIY và nhân bản Naim NAC, NAP & CAP từ A-Z

Discussion in 'Bán dẫn' started by ThuyLT, 7/6/10.

  1. mimosalq

    mimosalq Advanced Member

    Joined:
    8/5/06
    Messages:
    12.824
    Likes Received:
    122
    Ôi con này không dùng được cho naim rồi...Volt thấp mà là lọai darlington. :D
     
  2. vuhoa155

    vuhoa155 Advanced Member

    Joined:
    7/4/09
    Messages:
    1.198
    Likes Received:
    18
    Hì, tại nhìn thấy nó xịn giống ở trong mấy cái ảnh của gondmund lên em nhổ đại :D .

    Thank anh ạ.
     
  3. dothanhsonxd

    dothanhsonxd Advanced Member

    Joined:
    6/5/08
    Messages:
    1.007
    Likes Received:
    5
    Location:
    Ha Noi
    Em mới có mấy cặp fzt651 và 751; dùng cho naim có phải thay ddooist j ko anh Quang
     
  4. longpcb

    longpcb Advanced Member

    Joined:
    16/9/08
    Messages:
    2.175
    Likes Received:
    23
    Location:
    Gầm gầm cầu!
    Giống thằng Tây nào ko thì Em ko biết nhưng vụ dùng cốc Inox làm chụp biến áp thì giống của Em đó nha! Em dùng món này từ thời ULC của Cụ Ultraline cơ Cụ Lý nhá! Kiểu này hôm nào vào được Sài thành phải đòi Cụ Lý bản quyền vụ này mới được :lol: . Xin Cảm ơn! :lol:
     
  5. longpcb

    longpcb Advanced Member

    Joined:
    16/9/08
    Messages:
    2.175
    Likes Received:
    23
    Location:
    Gầm gầm cầu!
    Xin lỗi Em bị kích đúp...Delete
     
  6. mimosalq

    mimosalq Advanced Member

    Joined:
    8/5/06
    Messages:
    12.824
    Likes Received:
    122
    Tốt em nhưng chơi nguồn cao thì hơi nguy hiểm. :D
     
  7. corube1981

    corube1981 Advanced Member

    Joined:
    22/3/12
    Messages:
    920
    Likes Received:
    7
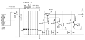
    Cục nguồn này dùng cho pre Nac được ko anh Quang?
    [​IMG]
    nguồn vào 0-115v + 0-115v ,nguồn ra 0-12v + 0-12v & 0-9v + 0-9v
    em nối tiếp đầu vào thành 230volt và 2 cuộn 0-12v lại với nhau,đo nguồn ra dc 27volt-hơi bị đẹp

    còn 2 cục kia to hơn to hơn bàn tay người lớn ,nguồn ra đẹp hơn luon nguồn ra 0-12v5 , 0-15v , 0-27v , 0-30v ,mà em năn nỉ quỳ lại nó mà nó ko dộng lòng bán,buồn buồn cầm cục be bé đi về :(
     
  8. mimosalq

    mimosalq Advanced Member

    Joined:
    8/5/06
    Messages:
    12.824
    Likes Received:
    122
    Cục này ok rồi em,nhưng to vẫ thích hơn... :D
     
  9. NDonline

    NDonline Advanced Member

    Joined:
    13/3/11
    Messages:
    87
    Likes Received:
    0
    Em chào anh Quang và các bác, nguồn và choke cho nac của em đây ạ

    Nhờ anh và các bác xem giúp em cái choke này ( cục to ạ ) nó ghi thông số là 12mH, 12a, 0,2Omh, có hợp với nac ko ạ. Xin cảm ơn
     

    Attached Files:

  10. tngoctu

    tngoctu Advanced Member

    Joined:
    10/10/10
    Messages:
    2.366
    Likes Received:
    186
    Cụ nghi ngại thì chuyển cục choke ra em dùng cho :D
     
  11. tda7293

    tda7293 Advanced Member

    Joined:
    7/9/07
    Messages:
    95
    Likes Received:
    1
    Chào các bác có bác nào dư tụ 470mF 63v x4 ---- 220mF 63v x4 ------ 100mF 63v x4 để lại cho em với em đang thiếu nhiêu đó nửa là naim của em hót rồi e kg biết chổ mua nếu bác nào còn dư thì sang nhưộng lại cho e với
     
  12. mimosalq

    mimosalq Advanced Member

    Joined:
    8/5/06
    Messages:
    12.824
    Likes Received:
    122
    Quá dư anh à,dùng rất tôt.Gởi anh cái choke tham khảo dùng cho pre bán dẫn... :D
     

    Attached Files:

  13. doancancel

    doancancel Advanced Member

    Joined:
    27/5/11
    Messages:
    592
    Likes Received:
    225
    Giống thằng Tây nào ko thì Em ko biết nhưng vụ dùng cốc Inox làm chụp biến áp thì giống của Em đó nha! Em dùng món này từ thời ULC của Cụ Ultraline cơ Cụ Lý nhá! Kiểu này hôm nào vào được Sài thành phải đòi Cụ Lý bản quyền vụ này mới được :lol: . Xin Cảm ơn! :lol:[/quote]
    Hihi cái vụ chụp BA bằng cái ca Inox là bản quyền của ai nhỉ ,giờ em làm i kụ lý có cần xin phép ai ko nhỉ :lol:
     
  14. kirato

    kirato Advanced Member

    Joined:
    14/12/06
    Messages:
    1.807
    Likes Received:
    9
    Location:
    Tầu THỐNG NHẤT
    có phải xin phép,a có giấy chứng nhận độc quyền rùi.mau qua a kèm theo tụ không dây nữa thì là a chấp nhận đã mua bản quyền :lol: :lol:
     
  15. touch3G

    touch3G Advanced Member

    Joined:
    3/1/10
    Messages:
    1.734
    Likes Received:
    1
    Hê hê. Cái ca inox chụp biến áp này thì mình không màng tới vụ bản quyền nhá. Nhưng cái nồi chụp biến áp là mình phát minh đầu tiên đấy các bác ạ. Nhưng cụ nào muốn dùng thì cứ xài thoải mái con gà mái, chỉ cần hỏi ampli vô địch là được. Có tấm hình làm chứng chiếc nồi kỳ diệu đây ạ.
     

    Attached Files:

  16. doancancel

    doancancel Advanced Member

    Joined:
    27/5/11
    Messages:
    592
    Likes Received:
    225
    Hehehehe vụ này hay vậy em ko lo bản quyền rồi ạ ,nhà em cũng có mấy quả nồi inox như của bác touch3G :lol:
     
  17. smartufo

    smartufo Approved Member

    Joined:
    10/4/11
    Messages:
    12
    Likes Received:
    0
    Tối qua ghé anh Quang khá trể để lấy mấy con FZT mà lại không còn :( .Anh đưa mấy con C2383/A1013 thay tạm mà nó vẫn hay như thường.Anh Quang vừa có ai đưa về rất nhiều AD1865 em nghĩ hơn 10 cây Plastic chứa em này.Anh Quang show hình cho anh em qua cướp đi anh.
     
  18. binhaudio

    binhaudio Advanced Member

    Joined:
    21/11/08
    Messages:
    320
    Likes Received:
    2
    Location:
    HCM-NT-PY
    AD1865...........khà khà khà .......chắc chắn đây là 1 dự án DAC của anh " Mì Sả " rồi :p !
    Nghe giang hồ đồn rằng con AD1865 làm DAC là number one :D
    Chắc làm AMPLI và làm PRE nhiều rồi nên anh "Mì Sả" chuyển qua làm DAC để ghép chung với mấy cái PRE và AMPLI cho có đôi có bạn đó mà :idea: .
    Vụ này hay đó anh, có gì cho em theo với nha :mrgreen: !
     
  19. espadon_vn

    espadon_vn Advanced Member

    Joined:
    26/3/08
    Messages:
    8.580
    Likes Received:
    181
    Location:
    KenKen /Xóm 4 - Lại Yên - Hoài Đức - Hà Nội/ Số 4
    Lộ hết cả bí mật ròi cụ ơi :lol:
     
  20. lynhan159

    lynhan159 Advanced Member

    Joined:
    16/10/07
    Messages:
    3.017
    Likes Received:
    5
    Location:
    Phú Nhuận Bang, Sài Gòn
    con này chán rồi :mrgreen:
    các bác quậy vui quá! :mrgreen:
     
  21. tuninh

    tuninh Advanced Member

    Joined:
    8/11/08
    Messages:
    2.032
    Likes Received:
    3
    Bác bỏ hết mấy con tụ đó đi không cần gắn thì tiếng nó giống naim hơn đấy , em cũng không hiểu tại sao lại có mấy con tụ đó
     
  22. mimosalq

    mimosalq Advanced Member

    Joined:
    8/5/06
    Messages:
    12.824
    Likes Received:
    122
    Ôi không phải của anh đâu,thằng nó mang qua khè anh thôi.Nó là chip AD1955ARS.DAC anh chỉ thích TDA1541 thôi,theo tai anh thì nghe mộc hơn và thật hơn,tai trâu rồi.
     
  23. minh_nt

    minh_nt Advanced Member

    Joined:
    26/4/10
    Messages:
    420
    Likes Received:
    0
    Chờ gì nữa anh, lập dự án luôn đi anh......em đang máu.
     
  24. lynhan159

    lynhan159 Advanced Member

    Joined:
    16/10/07
    Messages:
    3.017
    Likes Received:
    5
    Location:
    Phú Nhuận Bang, Sài Gòn
    con này diễn đàn mình cũng đang có đó! anh Quang đang chờ huyhoang làm rồi :D. chỉ có con wolfson đang chìm xuồng 4 năm rồi không thấy ai lôi lên. Thân
     
  25. mimosalq

    mimosalq Advanced Member

    Joined:
    8/5/06
    Messages:
    12.824
    Likes Received:
    122
    Anh còn 2 bo TDA này ,thích thì qua lấy về làm... :D
     

Share This Page

Loading...