DIY và nhân bản Naim NAC, NAP & CAP từ A-Z

Discussion in 'Bán dẫn' started by ThuyLT, 7/6/10.

  1. langbam

    langbam Advanced Member

    Joined:
    12/1/12
    Messages:
    1.800
    Likes Received:
    28
    May quá em chưa hàn vào bo :D
     
  2. atxihoi

    atxihoi Advanced Member

    Joined:
    16/2/08
    Messages:
    479
    Likes Received:
    98
    hàng về chưa anh Quang ơi ? về rồi thì trưa mai em ghé anh lấy được không ạ?
     
  3. hieuvu

    hieuvu Advanced Member

    Joined:
    20/10/06
    Messages:
    604
    Likes Received:
    672
    Cái zụ mod nì em đã làm rùi bác Quang. Rất oke, đánh rất mạnh, rất chi tiết, tãn nhiệt hơi bự, khá nóng vì em phân cực đến 120ma cho con mosfet, dung lượng tụ 4x18.000uf. Visai 2sc2362K của Sanyo, vas 2sa916 của Nec, lái 2sc4793+2sa1837 của Toshiba, mosfet 2sk3151 của Hitachi. Có điều chân S của cả 2 con mosfet đều có trở 0,33ohm/3W. Áp cấp 45VDC. Chi phí thấp, hiệu quả cao, âm sắc tốt.
     

    Attached Files:

    • 1.jpg
      1.jpg
      File size:
      78,1 KB
      Views:
      697
  4. langbam

    langbam Advanced Member

    Joined:
    12/1/12
    Messages:
    1.800
    Likes Received:
    28
    Con all in one của em mới dc có bằng này. Thiếu nhiều quá
     

    Attached Files:

  5. lynhan159

    lynhan159 Advanced Member

    Joined:
    16/10/07
    Messages:
    3.017
    Likes Received:
    5
    Location:
    Phú Nhuận Bang, Sài Gòn
    Xong có 1 cái mặt tiền phải vật lộn mấy ngày trời oải ơi là oải :( !
    [​IMG]
    [​IMG]
    trung tâm khiển all in one tách kênh DAC và pre
    1/ DAC 1865NK->1 opam-> buffer Nac 72 opt
    2/ DAC 1865NK-> buffer 2 opam opt
    3/ Pre NAC 72 opt
    4/ DAC 1865Nk-> buffer 2 opam opt-> volume-> pre Naim NAC 72 opt ( cái này chỉ cần bộ cơ và con power là gáy ngon :lol: )
     

    Attached Files:

  6. ngocpham

    ngocpham Advanced Member

    Joined:
    5/3/09
    Messages:
    213
    Likes Received:
    94
    Location:
    Dong Nai
    Nhìn con All in one này thèm quá anh ơi :( Ngày nào đi làm về cũng tối khuya nên ước mơ của em sao lâu tới quá, mần mãi chỉ được tới đây:
    [​IMG]
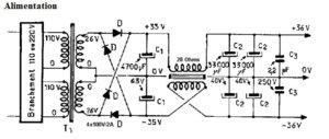
    Bữa trước ve chai được cục nguồn ưng ý nhất cho NAC (em chỉ thích dùng nguồn 100V)
    [​IMG]
     
  7. PHANHAI1471989

    PHANHAI1471989 Advanced Member

    Joined:
    12/3/13
    Messages:
    312
    Likes Received:
    51
    Location:
    Bình Dương
    bac quang cho em hoi cai naim 2 so sat kia lieu co hat kraoke ngon ko anh. Loa em loa 3 tac. OK thi em se dau tu lam em nay anh ah. Anh em cho y kien voi
     
  8. mimosalq

    mimosalq Advanced Member

    Joined:
    8/5/06
    Messages:
    12.824
    Likes Received:
    122
    Naim karaoke không hay?
     
  9. trunghieuhp89

    trunghieuhp89 Advanced Member

    Joined:
    8/7/12
    Messages:
    1.965
    Likes Received:
    4
    Location:
    Hải Phòng
    Karaoke em nghĩ phương án tối ưu là Leach thì hợp hơn ạ :p
     
  10. kirato

    kirato Advanced Member

    Joined:
    14/12/06
    Messages:
    1.807
    Likes Received:
    9
    Location:
    Tầu THỐNG NHẤT
    Em cung lượm được 1 bo Nhật .... Tối qua đã cất tiếng hót trào đời
     

    Attached Files:

  11. lynhan159

    lynhan159 Advanced Member

    Joined:
    16/10/07
    Messages:
    3.017
    Likes Received:
    5
    Location:
    Phú Nhuận Bang, Sài Gòn
    ai hàn mà xấu zậy? :)
     
  12. kirato

    kirato Advanced Member

    Joined:
    14/12/06
    Messages:
    1.807
    Likes Received:
    9
    Location:
    Tầu THỐNG NHẤT
    Nè giáp chưa mà gáy hả, mới xong, chạy hoàn chỉnh là sô liền đó. Từ từ làm vệ sinh, lau chùi, đi đây lại là đẹp hơn hãng luôn. Muốn nhờ cụ made up cái mẹt đây
     
  13. Pointed

    Pointed Advanced Member

    Joined:
    1/12/08
    Messages:
    2.557
    Likes Received:
    66
    Location:
    ...Sáng áo bông ...Tối áo phông
    Trông mật độ LK gần bằng tổ chim dac của cụ Lý roài :mrgreen:

    Tối T3 hai cụ có ct đập lộn gì k0, mình ghé đập tụ nhá :wink:
     
  14. kirato

    kirato Advanced Member

    Joined:
    14/12/06
    Messages:
    1.807
    Likes Received:
    9
    Location:
    Tầu THỐNG NHẤT
    Nem tích hợp mà a, nhìn cũng pro phết đấy
    A hẹn lão Lý đi, em thì vô tư luôn
     
  15. lynhan159

    lynhan159 Advanced Member

    Joined:
    16/10/07
    Messages:
    3.017
    Likes Received:
    5
    Location:
    Phú Nhuận Bang, Sài Gòn
    có rồi ráp chi nữa! để dành lâu lâu lấy ra ngắm chơi :). phải tự giáp chứ :)
     
  16. hoangde2005

    hoangde2005 Advanced Member

    Joined:
    27/1/10
    Messages:
    387
    Likes Received:
    1
    Fix hết lỗi chưa bác? Bộ sưa tập của A Trọng Naim hơi bị nhiều đó :mrgreen:
    Show hình chi tiết tí đi A, để em soi tìm ...... :D
     
  17. langbam

    langbam Advanced Member

    Joined:
    12/1/12
    Messages:
    1.800
    Likes Received:
    28

    Chắc cụ hay chơi với cụ Lý nên dòm dây rợ cũng mang 1 phong cách :lol:

    Bác có FTZ và Mj15030/31 ko share cho em với
     
  18. kirato

    kirato Advanced Member

    Joined:
    14/12/06
    Messages:
    1.807
    Likes Received:
    9
    Location:
    Tầu THỐNG NHẤT
    Chay toàn tập rùi, lỗi là con lái quay ngược lại, tụ 68uf cực + thiếu mạch đến con trở 27R nên câu dây là ok
    Đang đi làm không có ở nhà , từ tư sô sau nha bác.
    Bác nào muốn làm thì nhờ bác Doancannel in lại sẽ fix hết lỗi đó à
     
  19. kirato

    kirato Advanced Member

    Joined:
    14/12/06
    Messages:
    1.807
    Likes Received:
    9
    Location:
    Tầu THỐNG NHẤT
    Mấy con nì bác qua bác Quang là có hết :D
     
  20. lynhan159

    lynhan159 Advanced Member

    Joined:
    16/10/07
    Messages:
    3.017
    Likes Received:
    5
    Location:
    Phú Nhuận Bang, Sài Gòn
    vậy theo lịch trình của người a phuong xa, thứ 3 này đập lộn giữa dac bán dẫn 1865nk buffer naim nac72 opt và buffer opam opt với Lèema nha các anh. thân
     

    Attached Files:

  21. mimosalq

    mimosalq Advanced Member

    Joined:
    8/5/06
    Messages:
    12.824
    Likes Received:
    122
    Con Naim này nặng quá khiêng không nổi...................... :D
     

    Attached Files:

    • 1.jpg
      1.jpg
      File size:
      132,5 KB
      Views:
      207
  22. Pointed

    Pointed Advanced Member

    Joined:
    1/12/08
    Messages:
    2.557
    Likes Received:
    66
    Location:
    ...Sáng áo bông ...Tối áo phông
    Copy that! SIR ... :)
     
  23. lengkeng

    lengkeng Advanced Member

    Joined:
    31/10/06
    Messages:
    1.339
    Likes Received:
    17
    Location:
    Biên Hoà Đồng Nai
    F5 gãy cánh chứ cái vỏ ở đâu ra.
     
  24. mimosalq

    mimosalq Advanced Member

    Joined:
    8/5/06
    Messages:
    12.824
    Likes Received:
    122
    Không có con amp nào chịu nổi với chú Naim nếu chịu khó đầu tư... :D
     
  25. mimosalq

    mimosalq Advanced Member

    Joined:
    8/5/06
    Messages:
    12.824
    Likes Received:
    122
    Chiều nay hì hục làm cái L cho em nó,quá cực,em bẻ ,khoan hấu như tuyệt đối chính xác... :D
     

    Attached Files:

    • 1.jpg
      1.jpg
      File size:
      149,2 KB
      Views:
      154

Share This Page

Loading...