DIY và nhân bản Naim NAC, NAP & CAP từ A-Z

Discussion in 'Bán dẫn' started by ThuyLT, 7/6/10.

  1. hpham

    hpham Advanced Member

    Joined:
    16/3/09
    Messages:
    739
    Likes Received:
    24
    Tưởng đâu "ém" lại được mấy con cadock ai dè lão này tinh mắt quá... thôi xí bùm bum luôn :D
     
  2. startburn

    startburn Advanced Member

    Joined:
    20/6/07
    Messages:
    508
    Likes Received:
    12
    nói chung, ko hiểu ý đồ của hãng gắn tại sảo gắn như vậy nữa.... ko có dư đâu.... :)
     
  3. espadon_vn

    espadon_vn Advanced Member

    Joined:
    26/3/08
    Messages:
    8.580
    Likes Received:
    181
    Location:
    KenKen /Xóm 4 - Lại Yên - Hoài Đức - Hà Nội/ Số 4
    Ke ke, các cụ dạo này ăn chơi dữ quá ! Em thèm con này lâu rồi mà chưa có xèng đễ tậu. Thôi đợi Noel năm sau mua Sale Off :D
     
  4. espadon_vn

    espadon_vn Advanced Member

    Joined:
    26/3/08
    Messages:
    8.580
    Likes Received:
    181
    Location:
    KenKen /Xóm 4 - Lại Yên - Hoài Đức - Hà Nội/ Số 4
    Con này là Volum Shunt và con trở đó chính là con trở Shunt đó anh :mrgreen:
    P/s: Khi hàn các bác nhớ hàn cùng chiều nhé, hàn ngược là nghe tiếng bị lệch đó :lol:
     
  5. startburn

    startburn Advanced Member

    Joined:
    20/6/07
    Messages:
    508
    Likes Received:
    12
    Cái này khó à nghen.... phải nhờ cao thủ móc dây ra mới được quá,.... :D
     
  6. kirato

    kirato Advanced Member

    Joined:
    14/12/06
    Messages:
    1.807
    Likes Received:
    9
    Location:
    Tầu THỐNG NHẤT
    Hàn trở theo hình bác đã port đó là chuẩn luôn
     
  7. espadon_vn

    espadon_vn Advanced Member

    Joined:
    26/3/08
    Messages:
    8.580
    Likes Received:
    181
    Location:
    KenKen /Xóm 4 - Lại Yên - Hoài Đức - Hà Nội/ Số 4
    Con này cứ nhìn chiều chữ mà gắn thôi ạ, như hình là đang lộn đầu đấy cụ :lol:
     
  8. mimosalq

    mimosalq Advanced Member

    Joined:
    8/5/06
    Messages:
    12.824
    Likes Received:
    122
    Tối nghe rock cực phê..................................
     
  9. vak041

    vak041 Approved Member

    Joined:
    30/7/11
    Messages:
    33
    Likes Received:
    0
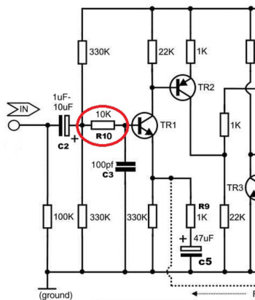
    Anh Quang cho em hỏi trong nguồn teddy thì c5 la 22 uf hay 2.2 uf vậy ah? Tks anh
     
  10. mimosalq

    mimosalq Advanced Member

    Joined:
    8/5/06
    Messages:
    12.824
    Likes Received:
    122
    22ù nhé.
     
  11. kirato

    kirato Advanced Member

    Joined:
    14/12/06
    Messages:
    1.807
    Likes Received:
    9
    Location:
    Tầu THỐNG NHẤT
    Hàng của bác nào lạc qua nhà e, làm e canh trộm từ sáng tới mệt quá :lol:
     

    Attached Files:

  12. Nguyen Bao

    Nguyen Bao Advanced Member

    Joined:
    1/3/12
    Messages:
    260
    Likes Received:
    0
    Anh lo canh trộm nên hnay em đi ve chai có một mình thất thu quá. :(
     
  13. tngoctu

    tngoctu Advanced Member

    Joined:
    10/10/10
    Messages:
    2.366
    Likes Received:
    186
    Theo tai nghe và kinh nghiệm của các bác thì con 10K ráp pre lấy giá trị bi nhiêu là đẹp nhất ah? Em canh mãi thấy trị số 470R nghe tốt nhất, ko biết em có bị tẩu ko nữa :mrgreen: ... Thanks.
     

    Attached Files:

  14. lynhan159

    lynhan159 Advanced Member

    Joined:
    16/10/07
    Messages:
    3.017
    Likes Received:
    5
    Location:
    Phú Nhuận Bang, Sài Gòn
    tùy linh kiện mà phối hợp thôi anh, có cái em dùng 1k mấy có cái thì dùng 384r. thân
     
  15. tngoctu

    tngoctu Advanced Member

    Joined:
    10/10/10
    Messages:
    2.366
    Likes Received:
    186
    Thanks bác, để em thử tiếp xem sao. Con trở này thấy vậy mà quan trọng phết, thay đổi là nghe nhận ra còn nhanh hơn thay trở hồi tiếp.
     
  16. HHK

    HHK Advanced Member

    Joined:
    5/6/10
    Messages:
    648
    Likes Received:
    88
    Location:
    Between heaven and hell
    Nhìn giống trở lưới của đèn bác nhỉ
     
  17. mimosalq

    mimosalq Advanced Member

    Joined:
    8/5/06
    Messages:
    12.824
    Likes Received:
    122
    Mấy bác chạy đua vũ trang kinh quá,tính đưa con NAC lên đỉnh của thế giới hay sao?
     
  18. vuduydong1980

    vuduydong1980 Advanced Member

    Joined:
    25/12/11
    Messages:
    579
    Likes Received:
    12
    Location:
    Bình Dương
    Chà bác Tú nghe tới tận supe của supetreb luôn rồi nha . :) đôi tai siêu thính luôn
    Em đang dùng con tụ pi 470p không biết trở bao nhiêu ok vậy bác, em đang để trở 1k
     
  19. mimosalq

    mimosalq Advanced Member

    Joined:
    8/5/06
    Messages:
    12.824
    Likes Received:
    122
    Gắn con 2k đi..................
     

    Attached Files:

    • 1.jpg
      1.jpg
      File size:
      113,6 KB
      Views:
      248
  20. vuduydong1980

    vuduydong1980 Advanced Member

    Joined:
    25/12/11
    Messages:
    579
    Likes Received:
    12
    Location:
    Bình Dương
    Dạ để em thử
     
  21. mimosalq

    mimosalq Advanced Member

    Joined:
    8/5/06
    Messages:
    12.824
    Likes Received:
    122
    Buồn ngủ gặp chiếu manh....chạy đua với anh NDHien,Kirato,startburn....
     

    Attached Files:

  22. corube

    corube Advanced Member

    Joined:
    17/9/10
    Messages:
    70
    Likes Received:
    0
    Báo giá em con này vào box mail cho em nha anh,thân.
     
  23. langbam

    langbam Advanced Member

    Joined:
    12/1/12
    Messages:
    1.800
    Likes Received:
    28
    Đây chú, giá cũng bèo :lol:

    http://www.ebay.ie/itm/Stepped-attenuat ... 1c404b2cec
     
  24. PSman

    PSman Advanced Member

    Joined:
    9/2/07
    Messages:
    1.332
    Likes Received:
    16
    Dự là 4 củ rưỡi, giá chót để sờ trên tay, đút vô khay tại VN...
     
  25. lengkeng

    lengkeng Advanced Member

    Joined:
    31/10/06
    Messages:
    1.339
    Likes Received:
    17
    Location:
    Biên Hoà Đồng Nai
    Cụ Tú làm luôn con biến trở vặn từ từ khi nào kêu hay thì ngưng lại đo fix giá trị tại đấy. Tai cụ Tú thính thế không biết, trở hồi tiếp thay đổi gain thôi chứ đâu có thay đổi chất âm đâu phải không các Cụ. :)
     

Share This Page

Loading...