DIY và nhân bản Naim NAC, NAP & CAP từ A-Z

Thảo luận trong 'Bán dẫn' bắt đầu bởi ThuyLT, 7/6/10.

  1. makino

    makino Approved Member

    Tham gia ngày:
    5/11/12
    Bài viết:
    43
    Đã được thích:
    2
    Em chưa nghe BC149C nhưng em nghĩ thần ve chai đã đúng khi tháo ztx 384 thay bằng BC149 :D . Một số bác khi gắn ztx 384 nghe xém té ghế, hồn siêu phách lạc ...... Nói chung con này nghe dễ bị tẩu, tâm hồn lúc nào cũng ở trên mây, vẻ mặt lờ đờ. Để thoát khỏi trạng thái "lờ đờ" các bác ấy phải dùng tụ "Đờ Lờ". Khi dùng DL thì gặp phải ù xì và giải pháp tiếp theo là nạp thật nhiều "Tụ Xanh" thì hết ù :lol:
    Nếu bác chưa hài lòng với chất âm của BC550, BC560 thì thay thử C2240, A970; tụ 100pf nên dùng polystyren; tụ input, output dùng loại tốt nhất trong khả năng của bác; tụ hồi tiếp 47uf dùng tatanlum cho tiếng bass tốt hơn.
    Em cũng không rành mấy cái này nhưng đọc mấy trang trước thấy các cao thủ nói vậy.
    Chúc bác chọn được chất âm như ý!
     
  2. startburn

    startburn Advanced Member

    Tham gia ngày:
    20/6/07
    Bài viết:
    508
    Đã được thích:
    12
  3. langbam

    langbam Advanced Member

    Tham gia ngày:
    12/1/12
    Bài viết:
    1.800
    Đã được thích:
    28

    Với trình của em sau mấy năm theo con NAC tốn bao nhiêu tiền của bo mạch cuối cùng em nghiệm ra rằng với tkế mạch con này chỉ có BJT thông số xyz gì đó của nó đã chọn mới ko chói dải cao. Tụ in out em nghĩ ko giải quyết dc vđề dải cao của con này vì sau khi thay ztx hết thì em thấy hết chói tụ in em dùng cũng lởm khởm.

    Nếu bác startburn thay hết ztx bằng BJT như BC 550, C2240 thử xem DL của bác có giải quyết dc vụ mid high ko thì biết ngay :lol:

    Topic này dài nhưng cuối cùng chỉ bác nào sở hữu ztx chính hãng thì thành công còn lại ra tiếng người hoặc chấp nhận là chính :lol:

    Thôi em phắn đây :mrgreen:
     
  4. meonamnang

    meonamnang Advanced Member

    Tham gia ngày:
    11/10/13
    Bài viết:
    79
    Đã được thích:
    0
    Em cũng muốn kiếm tụ Titanlum 47uf xem thử thế nào mà khó quá các cụ a` :eek:
     
  5. langbam

    langbam Advanced Member

    Tham gia ngày:
    12/1/12
    Bài viết:
    1.800
    Đã được thích:
    28
    Bác có chạy dc tới cầu Ông Bố ko thì tớ gửi tặng cho 1 cặp cho bass hoành tá tràng :lol:
     
  6. lynhan159

    lynhan159 Advanced Member

    Tham gia ngày:
    16/10/07
    Bài viết:
    3.017
    Đã được thích:
    5
    Nơi ở:
    Phú Nhuận Bang, Sài Gòn
    thầy Lang hôm nay Băm qúa! :lol: Thân
     
  7. langbam

    langbam Advanced Member

    Tham gia ngày:
    12/1/12
    Bài viết:
    1.800
    Đã được thích:
    28
    Băm chặt tùm lum nhưng tớ nhất quyết không nói ra là cụ là trùm mod NAC với bất kỳ BJT nào :lol:
     
  8. giaothu

    giaothu Advanced Member

    Tham gia ngày:
    19/7/11
    Bài viết:
    584
    Đã được thích:
    113
    Chạy tới cầu Ông Bố thì phải xách thêm,...... hộp tụ,,,,,,, mới có tantalium MIL được chứ?
    Vậy con ztx 107 chính hãng mặt xanh như đít nhái thì sao cụ Lang? Thấy cụ có cắm rồi cho vài lời nhận xét coi?
     
  9. langbam

    langbam Advanced Member

    Tham gia ngày:
    12/1/12
    Bài viết:
    1.800
    Đã được thích:
    28
    ztx 107 cũng kinh qua bass ko sâu, mid vẫn chói, thông số na ná nhau nhưng ko thể qua mặt đc ztx 384 dc

    ấy chết bác hỏi em thế này mọi người lại tưởng em trùm NAC mất. Con NAC ở nhà đang trục trặc chưa tìm ra nguyên nhân đây :lol:
     
  10. diyampli

    diyampli Advanced Member

    Tham gia ngày:
    15/6/10
    Bài viết:
    6.542
    Đã được thích:
    304
    Nơi ở:
    Anh có vào Nghĩa Lộ với em không?
    Đi đâu loanh quanh cho đời mỏi mệt :lol: hay hơn hãng thì có nhưng không thể nào chuẩn như một thương hiệu được. Cụ đã tu thành cháng quả rồi đóa.
    @ Có lõi cho con cụ cần rồi nhé.
     
  11. tngoctu

    tngoctu Advanced Member

    Tham gia ngày:
    10/10/10
    Bài viết:
    2.366
    Đã được thích:
    186
    Em thấy diyers khổ quá, thay vì mod cho ra tiếng mình thích nghe thì lại chạy theo tiếng ... hán :mrgreen:
     
  12. startburn

    startburn Advanced Member

    Tham gia ngày:
    20/6/07
    Bài viết:
    508
    Đã được thích:
    12
    Đi đâu loanh quanh cho đời mỏi mệt :lol: hay hơn hãng thì có nhưng không thể nào chuẩn như một thương hiệu được. Cụ đã tu thành cháng quả rồi đóa.
    [/quote]
    Thực tế khi đã DIY thì mỗi cái sản phẩm có 1 chất âm riêng theo chủ ý chủ tác giả là chính và đó là DIY nên có người thích, người ko thích là bình thường.... Còn đồ hãng thì ngòai 3 dãi thì còn sân khấu, độ cân bằng thì nếu làm được vậy chỉ là may mắn và chắc là 1 cái duy nhất, bảo làm lại cái nữa giống ý hệt chắc ko được. Diy em thấy có cái hay là trải nghiệm thêm những chất âm khác nhau và hầu như ai đã vào con đường này dù chuyên nghiệp hay ko biết gì như e cũng muốn thử như thế, chưa chắc chất âm mới thay đổi là phù hợp với mình.

    Tuy nhiên Nac là 1 con pre rất hay (theo gu nhạc của em), giá trị phù hợp với mức đầu tư và rất đáng để làm. Cứ làm theo gu nhạc của mình, nghe hạp là em thấy ok. :)
     
  13. diyampli

    diyampli Advanced Member

    Tham gia ngày:
    15/6/10
    Bài viết:
    6.542
    Đã được thích:
    304
    Nơi ở:
    Anh có vào Nghĩa Lộ với em không?
    Vâng. Nhưng tiếng hán nghe nó không chói lá :lol:
     
  14. touch3G

    touch3G Advanced Member

    Tham gia ngày:
    3/1/10
    Bài viết:
    1.734
    Đã được thích:
    1
    Cụ Ní bữa ni nói chiện trớt quớt. Thầy Lang mà không Băm mới lạ, chứ Băm là phình phường mừ.
     
  15. meonamnang

    meonamnang Advanced Member

    Tham gia ngày:
    11/10/13
    Bài viết:
    79
    Đã được thích:
    0
    Gì chứ cầu Ông Bố thì em chạy được cụ ạ. Thế là sắp có cặp tụ rồi :mrgreen: . Cám ơn cụ nhé !
     
  16. mimosalq

    mimosalq Advanced Member

    Tham gia ngày:
    8/5/06
    Bài viết:
    12.824
    Đã được thích:
    119
    Mình kết thúc cuộc phiêu lưu với vnav tại đây,bao nhiêu buồn vui đều có nói chung là tốt đẹp.Em sẽ chuyển qua diy món khác em rất thích và là sở trường của em...rượu vang.Rất nhớ anh em.
     

    Các file đính kèm:

    • 1.jpg
      1.jpg
      Kích thước:
      99,1 KB
      Đọc:
      419
  17. PSman

    PSman Advanced Member

    Tham gia ngày:
    9/2/07
    Bài viết:
    1.332
    Đã được thích:
    16
    Gì nữa đây trời, còn hơn 3 tháng nữa mới tới tháng 4 mà a Quang !
     
  18. vducuy

    vducuy Advanced Member

    Tham gia ngày:
    13/10/06
    Bài viết:
    4.429
    Đã được thích:
    8
    uống rượu vang cho đỡ no bụng hả anh? :lol: :lol: :lol:
     
  19. meonamnang

    meonamnang Advanced Member

    Tham gia ngày:
    11/10/13
    Bài viết:
    79
    Đã được thích:
    0
    DIY rựu chuối hột thì dễ chứ rựu vang thì hơi khó nha anh Quang :mrgreen:
     
  20. hpham

    hpham Advanced Member

    Tham gia ngày:
    16/3/09
    Bài viết:
    739
    Đã được thích:
    23
    Sau này mong anh handmade tụ màu bộc-đô cho thêm Vang vào cho ngọt ngào ngang ngữa với DL nha anh....
     
  21. lynhan159

    lynhan159 Advanced Member

    Tham gia ngày:
    16/10/07
    Bài viết:
    3.017
    Đã được thích:
    5
    Nơi ở:
    Phú Nhuận Bang, Sài Gòn
    Tìm được truyền nhân trao lại bí kíp tuyệt học võ chém... ặc lộn võ lâm chưa anh? :lol: . Thân
     
  22. vancao

    vancao Advanced Member

    Tham gia ngày:
    23/4/08
    Bài viết:
    648
    Đã được thích:
    10
    Vậy bác chào hay hỏi AE đấy ah. Nếu chào thì chắc khó rồi. Nếu hỏi thì AE nói KHÔNG.
     
  23. lynhan159

    lynhan159 Advanced Member

    Tham gia ngày:
    16/10/07
    Bài viết:
    3.017
    Đã được thích:
    5
    Nơi ở:
    Phú Nhuận Bang, Sài Gòn
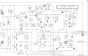
    Mấy hôm nay lôi cái đống bo anh cho ra xem và vọc cái bảo vệ loa UPC1327 vào nap có mấy chức năng hay phết. :lol: Thân
     

    Các file đính kèm:

  24. langbam

    langbam Advanced Member

    Tham gia ngày:
    12/1/12
    Bài viết:
    1.800
    Đã được thích:
    28

    Hồi mới nhập vào loại 3 chân tớ ráp cái này ko chạy :(
     
  25. lynhan159

    lynhan159 Advanced Member

    Tham gia ngày:
    16/10/07
    Bài viết:
    3.017
    Đã được thích:
    5
    Nơi ở:
    Phú Nhuận Bang, Sài Gòn
    Muốn nó chạy ngon ít nhất phải chỉnh điện trở R159,R160 đạt số vol ở chân 4,7,8 như trên hình, DIY mà dùng toàn file boom thì lấy gì chạy. Thân
     

Chia sẻ trang này

Đang tải...