EL84 push pull đơn giản.

Discussion in 'Đèn điện tử' started by mimosalq, 24/7/13.

  1. tube audio

    tube audio Advanced Member

    Joined:
    13/2/13
    Messages:
    138
    Likes Received:
    8
    Location:
    Hải Phòng T.Phố Cảng Thân Yêu
    Bác cuongnm và bác gabolino cứ phải lo làm gì.
    Các bác ấy dùng Tủ Lạnh hết rồi. :D
     
  2. Simple

    Simple Advanced Member

    Joined:
    2/5/11
    Messages:
    1.163
    Likes Received:
    59
    Anh Quang có chụp hình bộ nội tạng của Nimis không anh?
    Cho E xin tí hình với! Tks
     
  3. mimosalq

    mimosalq Advanced Member

    Joined:
    8/5/06
    Messages:
    12.824
    Likes Received:
    122
    Anh em chưa cho địa chỉ nhận hàng thì nhắn cho mình để hòan thành thủ tục nhé.
     
  4. trung_son

    trung_son Advanced Member

    Joined:
    5/9/11
    Messages:
    1.747
    Likes Received:
    3
    Location:
    Hà Nội
    Anh nhan dc D/c cua em chua aj?
     
  5. mimosalq

    mimosalq Advanced Member

    Joined:
    8/5/06
    Messages:
    12.824
    Likes Received:
    122
    rồi anh à,lát nữa sẽ gởi
     
  6. tuanhaitin

    tuanhaitin Advanced Member

    Joined:
    18/4/10
    Messages:
    1.587
    Likes Received:
    16
    Location:
    Phú Nhuận-HCM
    - Hôm qua em dập tấm nhôm mặt trên về làm chassic, thấy khá khoai khi xếp hình, vì biến áp và OPT sẽ đặt xa bóng đèn hơn, do bị vướng 3 con tụ lọc nguồn. Vì vậy diện tích mặt phải nâng cao hơn đồ hãng để cho hài hoà. Diện tích mặt trên của em là 330x230. Kích thước của hãng 320x220x120.


    - Đồ hãng họ đưa phần tụ lọc nguồn ra trước, và diện tích này có volume và núm chọn kênh nên hài hoà cách bố trí.
     

    Attached Files:

  7. tmvinh

    tmvinh Advanced Member

    Joined:
    7/4/09
    Messages:
    595
    Likes Received:
    69
    Location:
    Hà Nội
    e vừa nhận bo rồi a Quang. Cảm ơn anh nhé!
    A xem đo giá trị điện áp ở một số điểm cho ae so sánh a nhé
     
  8. corube1981

    corube1981 Advanced Member

    Joined:
    22/3/12
    Messages:
    920
    Likes Received:
    7

    đâu có vướng tụ nguồn đâu anh,biến áp + OPT vẫn đặt gần với bóng như háng dc mà,chỉ có phần trc của mình hơi chống trải vì ko có 2 nút selecter + volume như háng thôi.nhg kích thước anh làm cũng đâu lớn hơn háng bao nhiêu đâu có 10cm thôi mà,cụa opt của anh còn dc FE 28,c ủa em có 25 nhìn còn mất cân đối tí,thân.
     
  9. tuanhaitin

    tuanhaitin Advanced Member

    Joined:
    18/4/10
    Messages:
    1.587
    Likes Received:
    16
    Location:
    Phú Nhuận-HCM
    - Em tính xoay lại để tụ lọc nguồn gần mấy cục biến áp để giẩi quyết trống trãi ở phía trước, nhưng gặp vấn đề là biến áp đặt âm xuống dưới bị vướng tụ nguồn. :( . đau cái đầu.
     
  10. corube1981

    corube1981 Advanced Member

    Joined:
    22/3/12
    Messages:
    920
    Likes Received:
    7
    em lấy pcb về hàn dc tới đây vì nhà chỉ còn dc nhiêu đây linh kiện,giờ tới phần làm chassic cho nó mới oải đây,ban đầu em cũng tính úp biến áp và opt như hãng,giờ mới để ý bài của anh tuanhaitin mới nghĩ lại cách sắp xếp,hay lại đặt biến áp và opt lên trên chassic rồi lại khoan lỗ nhỏ luồn dây điện xuốn dưới như cổ điển và bù lại ta rút gọn cái chassic lại khá nhiều,thân.
     

    Attached Files:

  11. tuanhaitin

    tuanhaitin Advanced Member

    Joined:
    18/4/10
    Messages:
    1.587
    Likes Received:
    16
    Location:
    Phú Nhuận-HCM
    - Cách này em cũng nghĩ tới, nhưng lại tốn tiền cho 3 cái hộp vuông chụp biến áp :?
     
  12. corube1981

    corube1981 Advanced Member

    Joined:
    22/3/12
    Messages:
    920
    Likes Received:
    7
    chơi nắp bịp 2 đầu cũng dc mà,chịu khó đi kiếm thôi vì giờ bị các anh đi săn dữ quá nên hơi khó tí
    em đang ngồi tính cách đấu cong tắc đánh loa 4R và 8R đã xong rồi,đơn giản lả bỏ tiền ra mua công tắc thôi :p
     
  13. tuanhaitin

    tuanhaitin Advanced Member

    Joined:
    18/4/10
    Messages:
    1.587
    Likes Received:
    16
    Location:
    Phú Nhuận-HCM
    - Công đi lùng mua còn mắc hơn mua 3 cái hộp Bác ạh.
     
  14. garbolino

    garbolino Advanced Member

    Joined:
    28/3/07
    Messages:
    6.862
    Likes Received:
    11
    Location:
    ZVL Skalica
    Loại này được không bác

    .
     
  15. mimosalq

    mimosalq Advanced Member

    Joined:
    8/5/06
    Messages:
    12.824
    Likes Received:
    122
    Em vừa chuyển hết hàng cho anh em rồi... :D
     
  16. tranguyennguyen

    tranguyennguyen Advanced Member

    Joined:
    20/4/11
    Messages:
    3.529
    Likes Received:
    25
    Location:
    Hà Nội
    Loại này quá được. Bác tìm chỗ bán hoặc gia công đi, em xin đăng ký đầu tiên.
     
  17. superfarmer

    superfarmer Advanced Member

    Joined:
    26/1/12
    Messages:
    2.490
    Likes Received:
    478
    Bác chuyển pcb và linh kiện cho em chưa vậy?

    Thân chào!
     
  18. Simple

    Simple Advanced Member

    Joined:
    2/5/11
    Messages:
    1.163
    Likes Received:
    59
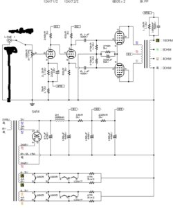
    Một phát hiện hay cho AE chọn lựa:
    PCB hiện tại dùng OPT 10K

    Nếu AE nào có OPT 8K thì chơi mạch này ngon luôn, chỉnh chút xíu thôi:
     

    Attached Files:

  19. truong_tran_van

    truong_tran_van Advanced Member

    Joined:
    28/7/11
    Messages:
    3.042
    Likes Received:
    106
    bác nhiều đế để lại co em một bộ di ah
     
  20. Bluehavent

    Bluehavent Advanced Member

    Joined:
    10/3/13
    Messages:
    52
    Likes Received:
    1
    Em Vân chưa nhìn thấy PCB đâu vì không ở nhà :D nóng ruột quá
     
  21. newpower

    newpower Advanced Member

    Joined:
    8/4/09
    Messages:
    1.761
    Likes Received:
    81
    Khg pải do chỉnh lại chút xíu thôi đâu mà là do B+ cáng cao thì Z càng cao
     
  22. mimosalq

    mimosalq Advanced Member

    Joined:
    8/5/06
    Messages:
    12.824
    Likes Received:
    122
    Em đã gởi hết còn 3 bác em chưa có địa chỉ và phone

    11 Chiều nay em đã chuyển cho bác 250,000VNĐ cho 1 bộ board.
    Tài khoản nguồn (của em): 0181000753328 Nguyễn Hoài Thanh
    Tài khoản đích (của bác): 0071000622947 Trần Lê Quang
    Bác kiểm tra và xác nhận giùm em nhé. Thân

    12 Nguyencanh 600k 21/8/13

    13/hdbt 250k 21/8/13
     
  23. khangnetwork

    khangnetwork Advanced Member

    Joined:
    8/7/10
    Messages:
    826
    Likes Received:
    2
    Location:
    C:\Windows\System32
    Em lượn chợ tình cờ gặp được đôi OPT này không biết có xài được không anh Quang ơi

    Cái này tamura nên đắt hơn :(
     

    Attached Files:

  24. garbolino

    garbolino Advanced Member

    Joined:
    28/3/07
    Messages:
    6.862
    Likes Received:
    11
    Location:
    ZVL Skalica


    Đây cụ, mua về gỡ lấy 2 cái chụp, cái ruột cụ ..... cho em xin :lol:

    http://www.amazon.com/dp/B00C1KCC58/ref ... B00C1KCC58
     
  25. tranguyennguyen

    tranguyennguyen Advanced Member

    Joined:
    20/4/11
    Messages:
    3.529
    Likes Received:
    25
    Location:
    Hà Nội
    Em cần 8 quả, mà nó còn có 5 quả, tiếc quá :mrgreen:
     

Share This Page

Loading...