EL84 push pull đơn giản.

Discussion in 'Đèn điện tử' started by mimosalq, 24/7/13.

  1. anhlongtranf

    anhlongtranf Advanced Member

    Joined:
    10/2/09
    Messages:
    1.313
    Likes Received:
    4
    Đưa ra cách làm cầu chỉ bảo vệ OPT cũng không tệ. Nhưng để cầu chì đó có hiệu quả và không ảnh hưởng đến mạch và sự ổn định của nó cũng là vấn đề nan giải.
    Việc bật công tắc cao áp mà không có thiếng bụp cũng có giải pháp.
    PS. Em đang lắp lại 6P14P theo cách của riêng mình, hôm nào xong thì thi đấu nhé :D
     
  2. tuanhaitin

    tuanhaitin Advanced Member

    Joined:
    18/4/10
    Messages:
    1.587
    Likes Received:
    16
    Location:
    Phú Nhuận-HCM
    1) Em dùng cách đơn giản là đo điện áp rơi trên hai nữa cuộn sơ cấp....> suy ra số sai lệch tương đối.
    2) Cầu chì em gắn thêm là bảo vệ mạch điện , không nhằm bảo vệ phóng điện.
    3) Em gắn công tắc đóng trễ tai vị trí cao áp AC không phải DC nên áp lên từ từ (vì phải chờ nạp điện cho tụ) đồng thời tăng tuổi thọ cho công tắc vì làm việc ở áp thấp.
     
  3. Minh Thu

    Minh Thu Advanced Member

    Joined:
    15/12/12
    Messages:
    222
    Likes Received:
    0
     
  4. mimosalq

    mimosalq Advanced Member

    Joined:
    8/5/06
    Messages:
    12.824
    Likes Received:
    122
    Giải pháp đơn giản mà................ :D
     

    Attached Files:

    • 1.jpg
      1.jpg
      File size:
      50,1 KB
      Views:
      549
  5. Minh Thu

    Minh Thu Advanced Member

    Joined:
    15/12/12
    Messages:
    222
    Likes Received:
    0
    mấy cái amp 6p14p em đã bán sạch sẽ. Nếu đấu, chờ em ráp PL84. Em ghét mấy cái vụ clone.
     
  6. tranguyennguyen

    tranguyennguyen Advanced Member

    Joined:
    20/4/11
    Messages:
    3.529
    Likes Received:
    25
    Location:
    Hà Nội
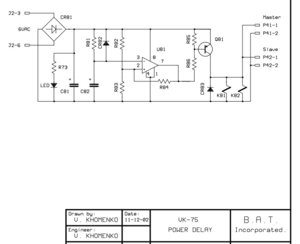
    Món này của bác là đốt tim tăng từ từ soft start, các bác kia đang nói về cao áp chậm hoặc tăng từ tư cơ mà bác. Mạch này là khởi động sẽ qua trở cỡ 470 Ohm, sau khoảng 1 phút mới đóng thẳng.
     
  7. mimosalq

    mimosalq Advanced Member

    Joined:
    8/5/06
    Messages:
    12.824
    Likes Received:
    122
    Dùng chip cho nó gọn đẹp tin cậy và rẽ.Này thì cao áp tăng từ từ nè.Em thích giải pháp này nhất. :D
     

    Attached Files:

    • 1.png
      1.png
      File size:
      37,6 KB
      Views:
      513
  8. minhtriet

    minhtriet Advanced Member

    Joined:
    12/2/08
    Messages:
    4.527
    Likes Received:
    6
    Location:
    Huế
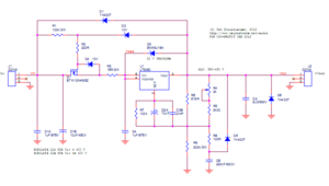
    Các bác tham khảo mạch này hay nè:
    http://www.nervenet.info/HT_delay/htr214xp.html
    [​IMG]

    [​IMG]
    Ưu điểm: gọn nhẹ, không cần nguồn nuôi, nếu bật máy lần đầu thì thời gian trễ lâu, nếu sau đó tắt rồi bật lại ngay (đèn đang nóng) thì sẽ đóng nhanh hơn, khỏi phải chờ dài cổ :p
    Nhược: cao áp phải đi qua 1 con SCR (trong trường hợp này sẽ như 1 diode) cho nên phải chọn scr nào có chất âm tốt nhất :lol:
    Mấy bác dùng amply đèn cổ nắn diode dùng cái này rất hay vì không phải thêm nguồn nuôi cho nó.
     
  9. Pointed

    Pointed Advanced Member

    Joined:
    1/12/08
    Messages:
    2.557
    Likes Received:
    66
    Location:
    ...Sáng áo bông ...Tối áo phông
    Bác chụp giùm cái hình bóng bị tèo và mấy con LK lên cho em coi cái, văn tả thực của bác đọc như quảng cáo game online hay truyện chưởng nhật bổn ấy, hơi khó hình dung :wink:
     
  10. vanven

    vanven Advanced Member

    Joined:
    16/4/13
    Messages:
    462
    Likes Received:
    0
    Đây mới là đơn giản nè. gắn ngay AC.
    [​IMG]
     
  11. tuanhaitin

    tuanhaitin Advanced Member

    Joined:
    18/4/10
    Messages:
    1.587
    Likes Received:
    16
    Location:
    Phú Nhuận-HCM
    1) Cách em làm để kiểm tra sơ bộ 2 bóng có cân nhau không (tương đối về độ chính xác với một cái đồng hồ VOM) nếu Bác có cách nào hay hơn không? Mọi việc em vẫn kiểm soát tốt. Bóng bị cháy, nguyên nhân là chưa burn nóng trước khi đóng điện cao áp. Việc OPT bị chập là hậu quả của việc cháy bóng trước đó.

    3) Bác nhầm lẫn về vị trí đóng điện cao áp. Hai trường hợp này hoàn toàn khác nhau về bản chất
     
  12. Minh Thu

    Minh Thu Advanced Member

    Joined:
    15/12/12
    Messages:
    222
    Likes Received:
    0
    Mấy chuyện bác tả văn tả vẻ, chụp hình phía trên em đều gặp đủ nhiều năm trước.

    Nói ngắn gọn: Nếu vẫn như cũ từ cách quấn opt, mạch, suy nghĩ.... thì cơ hội cháy đèn, cháy opt của bác vẫn còn. Còn nguyên nhân cháy bóng và opt thì bác cần nghiên cứu thêm nhé. Chuyện công tắc cao áp bác nên tìm hiểu thêm vì còn nhiều chiêu lắm. Em mạn phép stop ở đây.
     
  13. aquilion64

    aquilion64 Advanced Member

    Joined:
    30/11/10
    Messages:
    213
    Likes Received:
    5
    Mạch đóng chậm này cũng đơn giản nè :
    [​IMG]
     
  14. anhlongtranf

    anhlongtranf Advanced Member

    Joined:
    10/2/09
    Messages:
    1.313
    Likes Received:
    4
    Sau cái 6P14 này em sẽ làm cái 6P1P giao lưu nhé :D
     
  15. Suotngayloavoidai

    Suotngayloavoidai Advanced Member

    Joined:
    31/3/07
    Messages:
    1.336
    Likes Received:
    107
    Location:
    Where the Worst becomes Worse!!!
    - Em cũng đang sài cái này, nuôi bằng điện 220v, set được thời gian từ 1-60 giây tùy chọn. Em chọn đóng trễ AC tuy nhiên vẫn có tiếng bụp nhỏ khi đóng mạch ợ :D
     
  16. mimosalq

    mimosalq Advanced Member

    Joined:
    8/5/06
    Messages:
    12.824
    Likes Received:
    122
    Cái pcb Leben nhờ ủi xong rồi,bạn này quá khéo tay........... :D
     

    Attached Files:

    • 1.jpg
      1.jpg
      File size:
      139,2 KB
      Views:
      340
  17. PhuongCa

    PhuongCa Advanced Member

    Joined:
    8/7/12
    Messages:
    161
    Likes Received:
    0
    Location:
    House of Rising Sun.
    Nhìn là muốn mần liền anh Quang ơi. Anh ráp xong cho em qua nghe tý nha anh.
     
  18. mimosalq

    mimosalq Advanced Member

    Joined:
    8/5/06
    Messages:
    12.824
    Likes Received:
    122
    Khakha nói là làm chứ không có chờ đợi...
     
  19. nhthanh

    nhthanh Advanced Member

    Joined:
    30/7/10
    Messages:
    575
    Likes Received:
    21
    Không biết ae nhà mình có ai đi Metalex 2013 (từ 10~12/10/2013 đang diễn ra tại SECC Q7), năm nay có thêm các gian hàng về ngành điện tự, họ mô phỏng ủi board qua màn hình nhìn ghiền luôn.
     
  20. hoangquyetkd

    hoangquyetkd Advanced Member

    Joined:
    8/12/12
    Messages:
    170
    Likes Received:
    6
    Location:
    Bình Lục -Hà Nam
    lúc đó mấy AE đang ngồi tự nhiên loé sáng trưng chỉ kịp tắt điện nhưng ! ôi em nó đã ra đi một bóng ! :( :( :(
     
  21. Pointed

    Pointed Advanced Member

    Joined:
    1/12/08
    Messages:
    2.557
    Likes Received:
    66
    Location:
    ...Sáng áo bông ...Tối áo phông
    bác cứ chụp cái hình bóng bị hỏng đưa lên đây, tiện thể bác dùng đồng hồ ohm đo chân 4-5 xem tim bóng còn hay đứt rồi.

    Thế còn con trở và tụ thoát thì sao ạ, nó đã "bay" về chỗ cũ chưa?
     
  22. hoangquyetkd

    hoangquyetkd Advanced Member

    Joined:
    8/12/12
    Messages:
    170
    Likes Received:
    6
    Location:
    Bình Lục -Hà Nam
    sợi đốt vẫn còn bác à (4 quả 6p14p-k )chứ không phải đuôi eb
     
  23. trung_son

    trung_son Advanced Member

    Joined:
    5/9/11
    Messages:
    1.747
    Likes Received:
    3
    Location:
    Hà Nội
    Bóng của bác quyết mang đến nên sự tình dư lào bác quyết đều biết :( dưng mà 2 con R thoát k nó bay ra khỏi pcb và có hiện tượng cháy đen em thấy cũng lạ :oops: ảnh em chụp rồi nhưng chưa post đc vì dạo nay em ngồi máy tính nhìu quá nên gấu nhà em nó càu nhàu ạ :mrgreen:
     
  24. trung_son

    trung_son Advanced Member

    Joined:
    5/9/11
    Messages:
    1.747
    Likes Received:
    3
    Location:
    Hà Nội
    Híhi, em sắp có thêm đồ chơi mới rồi :D
    @ bác quyết, bác đã hết phê con ampl bé tí như bao thuốc của em chưa ạ? :wink: còn xót 1 quả 6p14 ở nhà anh đấy nếu mai còn ở HN thì qua 371 trần Khát Chân lấy nhé.
     
  25. hoangquyetkd

    hoangquyetkd Advanced Member

    Joined:
    8/12/12
    Messages:
    170
    Likes Received:
    6
    Location:
    Bình Lục -Hà Nam
    vâng vẫn còn hưng phấn lắm bác à .chắc cũng phải làm một chú về cho nó đánh đôi DTL còi của em ,sem nó có phê hơn ở nhà bác không .chứ đang phê mà không dược phê nữa thì ... không ổn lắm bác à
    vâng em vẫn ở HN có gì sang mai em đi qua đó tiện ké bác luôn !
     

Share This Page

Loading...