EL84 push pull đơn giản.

Discussion in 'Đèn điện tử' started by mimosalq, 24/7/13.

  1. NDHien

    NDHien Advanced Member

    Joined:
    12/11/09
    Messages:
    1.693
    Likes Received:
    11
    Thế đấu xong rồi có ra bà Lệ đấu tiếp như thường lệ không , trường kỳ kháng chiến mà :mrgreen:

    Thân
     
  2. mimosalq

    mimosalq Advanced Member

    Joined:
    8/5/06
    Messages:
    12.824
    Likes Received:
    122
    Dạ nhậu từ 11h đến gần bảy giờ tối à anh,Kiảto còn đói qua chổ khác nhậu tiếp.Uống thuốc gì mà sung dử quá... :D
     
  3. tranba

    tranba Advanced Member

    Joined:
    18/7/09
    Messages:
    164
    Likes Received:
    1
    Location:
    Thanh Hoá
    Chim của lão Ki không cần phải ghép tụ làm chi cả. để nguyên như lúc đầu nghe đúng bẩn chất ngọt của 6BQ5.
     
  4. tuanhaitin

    tuanhaitin Advanced Member

    Joined:
    18/4/10
    Messages:
    1.587
    Likes Received:
    16
    Location:
    Phú Nhuận-HCM
    - Sau đợt giao du Chim vừa rồi, Bác chủ nhà thấy chưa vui lắm vì có chim hót ra tiếng pe deeee :lol: . Nên hẹn một cuộc giao lưu Pre đèn 2 tuần nữa. Tráng sỹ em không có gì ngoài con pre- 818 nâng cấp tụ xuất, xin được giao lưu.
     

    Attached Files:

  5. kirato

    kirato Advanced Member

    Joined:
    14/12/06
    Messages:
    1.807
    Likes Received:
    9
    Location:
    Tầu THỐNG NHẤT
    heêeeee tráng sĩ cho em 1 tháng đê em còn chưa có bo thì seo mà giao lưu :lol:
    đề nghị các cụ có rề chuẩn bị nâng cấp lên nữa đê..............còn để giao lưu nha
     
  6. corube1981

    corube1981 Advanced Member

    Joined:
    22/3/12
    Messages:
    920
    Likes Received:
    7
    cảm ơn các anh lớn đã cho em đựơc học hỏi rất nhiều về DIY từ bán dẫn và giờ đây là đèn đóm,và đây cũng là con chim đèn đầu tiên em mần mà dc các anh ưu ái khen làm em vui quá đi,em trị dc bệnh rù rù nhẹ của nó rồi,đi vài đường mass một tập trung về 1 chỗ chư anh Long nói,em nó đã sạch nền rồi,nhg em sẽ cho em nó 3 quả M-lytic + em đen hỗi 20uf GAP-viva audio lọc nguồn tầng đầu+ 2 quả pre 12AX7 mullar ấm áp hay đanh thép telefunken nhỉ,thân.

    còn pre em còn thiếu nhiều như nguồn+ bóng đèn + nhiều thứ linh tinh nữa :p ,đang khô máu nên tạm ngưng lại,chỉ góp mặt chung vui với các anh thôi dc ko?
     
  7. Listen_by_heart

    Listen_by_heart Advanced Member

    Joined:
    5/12/05
    Messages:
    3.856
    Likes Received:
    11
    Location:
    Gò Vấp - Sài Gòn.
    Không có chim nhỏ tham gia, lấy chim lớn đi nhậu thôi được hông? :oops:
     
  8. kirato

    kirato Advanced Member

    Joined:
    14/12/06
    Messages:
    1.807
    Likes Received:
    9
    Location:
    Tầu THỐNG NHẤT
    kèo nì em kết liền. chim lớn đá không thía mệt, mà có mệt thì hổi cung nhanh nhề :lol:
     
  9. mimosalq

    mimosalq Advanced Member

    Joined:
    8/5/06
    Messages:
    12.824
    Likes Received:
    122
    Nếu không chê mấy con pre cùi bắp thì em cho cái pre NAC của em tiếp chiêu với nhé...nhớ là test mù nhé,,, :D
     
  10. quangnt

    quangnt Advanced Member

    Joined:
    29/10/11
    Messages:
    2.409
    Likes Received:
    126
    cái pre CAT anh xong lúc nào thì để em 1 bo nhé, thanks anh
     
  11. trung_son

    trung_son Advanced Member

    Joined:
    5/9/11
    Messages:
    1.747
    Likes Received:
    3
    Location:
    Hà Nội
    Em cũng đăng ký 1 bộ PCB pre CAT anh Quang nhé. Mấy bữa trước vô tình em đọc đc mấy bài re view về pre CAT thấy quá hay nên em cũng muỗn ...... anh ạ.:)
     
  12. rock0em_h_x

    rock0em_h_x Advanced Member

    Joined:
    25/1/11
    Messages:
    2.009
    Likes Received:
    111
    Location:
    Hà Tĩnh - Nghệ An
    Thấy các cụ làm EL84 xôm quá, Thứ 7 và chủ nhật em hì hục mod lại con 6p14p PP theo mạch Leben cs x300, phiên bản rock0em với 6p14p thay El84, 6h2p-eb thay 5751 :lol:
    Khoe các bác tý: (cấu hình cũ 2 tầng khuyếch đại trước công suất nên lần này mod sang mạch Leben, em bỏ 2 con led vào 2 chân đèn ko dùng đến, cắm lên đốt sáng cho nhiều bóng lung linh :lol: )
     

    Attached Files:

  13. PhuongCa

    PhuongCa Advanced Member

    Joined:
    8/7/12
    Messages:
    161
    Likes Received:
    0
    Location:
    House of Rising Sun.
    Em mới nhận được chi viện từ bác Tuanhaitin một cuộn giấy lót teflon cực xịn. Phải nói là độc dược trong độc dược. Giấy này em nghe các vị tiền bối truyền rằng nó đã tuyệt chủng. Không ngờ bây giờ em có trong tay. Em mới rọc vài đường mà tay còn run run.
    Cám ơn bác Tuấn rất nhiều. :D :D :D
     
  14. anhlongtranf

    anhlongtranf Advanced Member

    Joined:
    10/2/09
    Messages:
    1.313
    Likes Received:
    4
    Mình cũng đang kiếm cặp tụ xuất cho PRE sắp hoàn thiện đây, không biết dùng tụ gì cho ngon bổ rẻ nữa? Xin tư vấn :D
    Sau khi nghị quyết được đưa ra từ phiên họp bất thường tại Lệ Quán, hạn chót là 3 tuần, chứ để hơn tháng nguội mất :lol:
     
  15. anhlongtranf

    anhlongtranf Advanced Member

    Joined:
    10/2/09
    Messages:
    1.313
    Likes Received:
    4
    Cái hay của Liên Xô các cụ nhà ta chưa nhìn ra nên nó thía :lol:
    Lần giao lưu PRE tới cụ phải tham gia đó, cho em 818 ra biển bão xem sao? Ở nhà hồ lặng không gió cũng chẳng có địch không biết rõ sức mạnh của tàu :D
     
  16. rock0em_h_x

    rock0em_h_x Advanced Member

    Joined:
    25/1/11
    Messages:
    2.009
    Likes Received:
    111
    Location:
    Hà Tĩnh - Nghệ An
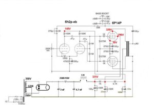
    Các cụ cho em ké tý, em mod lại mạch 6p14p, theo Leben x300 mà cái biến áp nguồn em thay vào cao áp AC to quá, em hạ tụ sau đèn xuống mức nhỏ nhất với trở hạ áp to nhất có thể rồi mà nó vẫn cho B+ tận 325V. Tầng đầu cho 6h2p thì em chỉnh đạt như mạch leben, chỉ có tầng công suất đang chạy hơi cao, cơ mà nghe nó sướng tai hơn nên em để vậy đã.
    Các bác xem cho em cái mạch với, chạy áp như vậy thì 6p14 nó có tèo ko ạ? bóng em là 6p14p trơn, chữ đỏ:
     

    Attached Files:

  17. kkalord

    kkalord Advanced Member

    Joined:
    6/6/08
    Messages:
    392
    Likes Received:
    8
    Lồng chim nhà cụ Lý xong rồi đẹp lắm, cụ Long mà khích thế này thì cụ Lý lại mỏi lưng ngồi se rồi :D
     
  18. anhlongtranf

    anhlongtranf Advanced Member

    Joined:
    10/2/09
    Messages:
    1.313
    Likes Received:
    4
    Dạo này em thấy cụ ấy bận quá nên cũng ít ghé qua, nhưng sao lại se nữa, hôm trước thấy chạy phe phé rồi mừ :D
     
  19. lynhan159

    lynhan159 Advanced Member

    Joined:
    16/10/07
    Messages:
    3.017
    Likes Received:
    6
    Location:
    Phú Nhuận Bang, Sài Gòn
    em lên núi ở rồi các cụ cứ giao lu đi :)
     
  20. garbolino

    garbolino Advanced Member

    Joined:
    28/3/07
    Messages:
    6.862
    Likes Received:
    11
    Location:
    ZVL Skalica

    Sáng uống trà, trưa oánh cờ và tối ...... tắm với tiên :lol:
    Diy là chiệng của thế nhân phàm tục, lên tới cỡ này rồi chỉ còn nghe tiếng nước chảy lá reo thôi :mrgreen:
     
  21. lynhan159

    lynhan159 Advanced Member

    Joined:
    16/10/07
    Messages:
    3.017
    Likes Received:
    6
    Location:
    Phú Nhuận Bang, Sài Gòn
    ở đâu ra mà sướng zậy :lol: ... bị gấu đuổi lên núi mà ở thì có :lol: :mrgreen:

    @tuanhaitin có 2 quả xanh cột chặt quá sao Lý mượn được :lol:
     
  22. kirato

    kirato Advanced Member

    Joined:
    14/12/06
    Messages:
    1.807
    Likes Received:
    9
    Location:
    Tầu THỐNG NHẤT
    Lên núi thì lo chuồng trại đê còn ngó quả xanh làm giề, nghe nói ở núi đầy quả xanh hơn
     
  23. tuanhaitin

    tuanhaitin Advanced Member

    Joined:
    18/4/10
    Messages:
    1.587
    Likes Received:
    16
    Location:
    Phú Nhuận-HCM
    - Sắp rã rồi, Nguồn regu này khó chơi quá, mới nâng tý áp AC là xịt khói một kênh rồi :( Gu tụ này hợp với Cụ đấy.
     
  24. anhlongtranf

    anhlongtranf Advanced Member

    Joined:
    10/2/09
    Messages:
    1.313
    Likes Received:
    4
    Bác bỏ hẳn con tụ 3uF đi thì áp sẽ giảm đáng kể, khi đó R lọc cũng phải giảm theo để áp cho tầng công suất đúng 310V. Nghe áp cao quá tiếng cứng và mỏng. Bóng này thì chả sợ hư đâu.
     
  25. rock0em_h_x

    rock0em_h_x Advanced Member

    Joined:
    25/1/11
    Messages:
    2.009
    Likes Received:
    111
    Location:
    Hà Tĩnh - Nghệ An
    Vâng, để cuồi tuần về em lại thử.
    Bữa trước em thử phương án choke input, ko dùng trở hạ áp, sau đèn nắn là choke luôn, thì áp sụt thê thảm.
    Vac là 350V-0-350V mà áp sau nắn có 280V khi có tải. Ko biết lần này sau nắn có R+C rồi mới đến choke thì thế nào.
    Cuối tuần về em mới mod đc, có gì em báo cáo sau.

    Cơ mà áp cao vậy mà 6p14p chạy lâu ko mau chết là em yên tâm rồi. :D

    p/s: cho em hỏi thêm tý, chạy penthode, G2 nên để áp cao hay áp thấp vậy các bác?
     

Share This Page

Loading...