EL84 push pull đơn giản.

Discussion in 'Đèn điện tử' started by mimosalq, 24/7/13.

  1. mimosalq

    mimosalq Advanced Member

    Joined:
    8/5/06
    Messages:
    12.824
    Likes Received:
    122
    Tụ Clarity em à................ít hôm nữa có LT783.Thân.
     
  2. quangnt

    quangnt Advanced Member

    Joined:
    29/10/11
    Messages:
    2.409
    Likes Received:
    126
    Cho em xin thông số BA nguồn anh nhé, thanks
     
  3. kirato

    kirato Advanced Member

    Joined:
    14/12/06
    Messages:
    1.807
    Likes Received:
    9
    Location:
    Tầu THỐNG NHẤT
    bác chơi 6.8ù thui lên nữa bass sẽ dư nhiều đó
     
  4. fish2k7

    fish2k7 Advanced Member

    Joined:
    4/6/09
    Messages:
    132
    Likes Received:
    2
    Location:
    Bien Hoa
    Khi nào có TL783 bác hú em luôn nhé :p

    Em không có BY329 giờ em thay thế bằng RN4Z được không bác?
    RN4Z datasheet: http://html.alldatasheet.com/html-pdf/3 ... /RN4Z.html
     
  5. lynhan159

    lynhan159 Advanced Member

    Joined:
    16/10/07
    Messages:
    3.017
    Likes Received:
    6
    Location:
    Phú Nhuận Bang, Sài Gòn
    nhìn cài loa với cái rèm cửa thấy quen quen :). vậy pre này là của ai mà xấu vẫy amh? :) Thân
     
  6. mimosalq

    mimosalq Advanced Member

    Joined:
    8/5/06
    Messages:
    12.824
    Likes Received:
    122
    Bít mà còn hỏi...haha
     
  7. trung_son

    trung_son Advanced Member

    Joined:
    5/9/11
    Messages:
    1.747
    Likes Received:
    3
    Location:
    Hà Nội
    Trên PCB ghi 10uf nên em sợ hơi mạnh mẽ và dư bass nên chưa mua tụ xuất âm,cứ mượn mấy loại về nghe thử xem hợp tai mình nhất là bao nhiêu uf mới mua ạ.
    @ anh mimosalq, mà sao con lt 783 này ở trong đó có sao ngoài em ko có vậy ta.Em hỏi búa sua các cửa hàng lK đều lắc đầu nguây nguẩy anh à :mrgreen: .Anh hỏi giúp em 2 con 78S05 nữa anh nhé,thanks anh! :D
     
  8. corube1981

    corube1981 Advanced Member

    Joined:
    22/3/12
    Messages:
    920
    Likes Received:
    7
    oh 2 cây mullar của EL84 đưa qua hả anh,em chưa có bóng mà chưa hàn xong con này,vì lại bay đi bay về liên tục và chưa vác cái khoan lên cho anh kirato nữa,sợ bị la nên ko dám anhô luôn :x

    anh còn cây 6DJ8 và 12AU nào ko anh Quang?khi nào có TL783 để em 2 chú nha anh,thanks
     
  9. corube1981

    corube1981 Advanced Member

    Joined:
    22/3/12
    Messages:
    920
    Likes Received:
    7
    hnay vừa vể tới nhà là ngồi hàn linh kiện pre Cat tới đây rùi,còn thiếu vài con quan trọng phần nguồn và quan trọng là 4 cây bóng nữa :p
     

    Attached Files:

  10. G - Music

    G - Music Advanced Member

    Joined:
    23/8/13
    Messages:
    78
    Likes Received:
    2
    Bác Quang có pcb mạch đóng trễ này ko ?
     
  11. trung_son

    trung_son Advanced Member

    Joined:
    5/9/11
    Messages:
    1.747
    Likes Received:
    3
    Location:
    Hà Nội
    Nhìn cái chố còn thiếu nó kha khá xiền bác nhỉ :wink: .
     
  12. G - Music

    G - Music Advanced Member

    Joined:
    23/8/13
    Messages:
    78
    Likes Received:
    2
    Mấy con diot nắn nguồn của bác Quang là loại gì vậy ?
     
  13. mimosalq

    mimosalq Advanced Member

    Joined:
    8/5/06
    Messages:
    12.824
    Likes Received:
    122
    BYV329
     
  14. khangnetwork

    khangnetwork Advanced Member

    Joined:
    8/7/10
    Messages:
    826
    Likes Received:
    2
    Location:
    C:\Windows\System32
    Em chưa gom được xèng để chơi Mundorf đang tính xài một trong mấy con này cho nó vừa miếng, có cụ nào xài rồi cho em biết ý kiến với ạ
    FT cap


    MKP cap


    Obb cap
     

    Attached Files:

  15. ngvquoc

    ngvquoc Advanced Member

    Joined:
    27/6/09
    Messages:
    1.110
    Likes Received:
    0
    Sau bao nhiêu ngày lên núi giờ cũng chính thức đóng điện pre Cat. Nhưng mà sao mấy con ổn áp nóng quá. Hát khoảng 3 bài là nóng không sờ được. Nên tạm thời để đó đi kiếm tản nhiệt khác to to lắp vào.

    Âm thanh thì quá tuyệt vời.

    Bóng vào 12AU7. Bóng giữa 5751, Bóng cuối Ecc88 chân vàng.

    Thanks Phuongca nhiều. Nguồn chạy rất tốt. Áp ra cực chuẩn luôn
     

    Attached Files:

  16. mimosalq

    mimosalq Advanced Member

    Joined:
    8/5/06
    Messages:
    12.824
    Likes Received:
    122
    Chúc mừng em đã về đích,con này chất âm thì khỏi phải bàn rồi ...

    Con TL783 cho áp rớt trên đó khoảng 20V là ngon,tản nhiệt thì ở SG đâu là vấn đề... :D
     
  17. superfarmer

    superfarmer Advanced Member

    Joined:
    26/1/12
    Messages:
    2.490
    Likes Received:
    478
    Bác mimosalq ơi, còn đủ bộ bo kg chia lại cho em với :)

    Thân chào!
     
  18. mimosalq

    mimosalq Advanced Member

    Joined:
    8/5/06
    Messages:
    12.824
    Likes Received:
    122
    Phần của mình cũng bị trấn tột rồi, mình đã đặt lại rồi. :D
     
  19. G - Music

    G - Music Advanced Member

    Joined:
    23/8/13
    Messages:
    78
    Likes Received:
    2
    có lại pcb el84 pp chưa Bác Quang ,e đang chờ bo về lk đã gom đủ rồi
     
  20. superfarmer

    superfarmer Advanced Member

    Joined:
    26/1/12
    Messages:
    2.490
    Likes Received:
    478
    Vậy cho em phần chuyến tới nhé :) Thanks so much!

    Thân chào!
     
  21. mimosalq

    mimosalq Advanced Member

    Joined:
    8/5/06
    Messages:
    12.824
    Likes Received:
    122
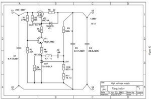
    Anh em hỏi mình không có TL783 thì sao ,em thấy cũng đơn giản thôi làm theo mạch này rất ok nè...Mạch này mấy chú Calypso hay dùng.Chúc anh em thành công.Thân
     

    Attached Files:

    • 1.jpg
      1.jpg
      File size:
      72,3 KB
      Views:
      200
  22. mimosalq

    mimosalq Advanced Member

    Joined:
    8/5/06
    Messages:
    12.824
    Likes Received:
    122
    Mình không có làm thêm pcb,nếu kẹt mình tháo cái của mình đang chạy gởi bác.
     
  23. mimosalq

    mimosalq Advanced Member

    Joined:
    8/5/06
    Messages:
    12.824
    Likes Received:
    122
    Mạch trên mọi chỉ tiêu kỷ thuật đều vượt trội so với nguồn LC L 6H C 100uF.
     

    Attached Files:

    • 1.jpg
      1.jpg
      File size:
      130,6 KB
      Views:
      164
    • 2.jpg
      2.jpg
      File size:
      52,7 KB
      Views:
      166
    • 3.jpg
      3.jpg
      File size:
      37,7 KB
      Views:
      160
  24. craze

    craze Advanced Member

    Joined:
    18/10/13
    Messages:
    531
    Likes Received:
    41
    Location:
    Phường Ve Chai
    bác quôc ơi mấy con tụ xanh xanh trên bo cs bác dung mấy uf vậy bác con cs tl783 nóng lắm hả bác vậy em phải kiếm tản nhiệt khủng mới được
     
  25. ngvquoc

    ngvquoc Advanced Member

    Joined:
    27/6/09
    Messages:
    1.110
    Likes Received:
    0
    Mấy con tụ xanh trên board pre dùng 47uf. Trên board nguồn thì dùng đúng trên board. Tản nhiệt đang dùng nhỏ nên nóng. Bác nên dùng loại to cho mát để yên tâm nghe lâu dài.
     

Share This Page

Loading...