EL84 push pull đơn giản.

Discussion in 'Đèn điện tử' started by mimosalq, 24/7/13.

  1. bknight

    bknight Advanced Member

    Joined:
    7/7/14
    Messages:
    308
    Likes Received:
    0
    Hix, vậy là đằng nào cũng phải gỡ ra để quấn lại thành 250 volts rồi phải không ạ? Thôi em quấn cái khác cho nhanh, cái 280 này để làm cái khác ạ, thời gian em nhiều mà :p.
    em dùng mạch nắn của bác Rumbeng trong topic của bác Audioto có được không ạ?
    Thêm nữa là theo như bài của bác trà xanh nước biển thì khi quấn OPT ta dùng giấy trong các tụ bù công suất, cơ mà em chưa biết được cái tụ đấy mồm nang mũi dọc nó dư nào để đi kiếm, bác có cái hình không cho em nghía một cái xem sao ạ :D
    Cảm ơn các bác trước ạ!
     

    Attached Files:

  2. bknight

    bknight Advanced Member

    Joined:
    7/7/14
    Messages:
    308
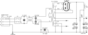
    Likes Received:
    0
    Có ai lọ mọ như em không. Đã xong cục biến áp nguồn ạ. :D
     

    Attached Files:

  3. tuanhaitin

    tuanhaitin Advanced Member

    Joined:
    18/4/10
    Messages:
    1.587
    Likes Received:
    16
    Location:
    Phú Nhuận-HCM
    - Em cũng làm một cái El84 PP để trả nợ vì lời hứa. Fe 32 của đế quốc 0.35 mm. Bác không ra trạm hàn trước rồi vào FE cho đẹp.




    OPT cho EL 84PP dung FE 26 của semen Đức. Đo được 50 Henry(P-P), Tụ ký sinh 4nF, L Rò 18 mH
     

    Attached Files:

  4. caoan

    caoan Advanced Member

    Joined:
    21/12/10
    Messages:
    2.782
    Likes Received:
    22
    bác ra dây đẹp quá...hehe, mà bác mua cai trạm hà ở đâu vậy?sao bác ko chơi f 32 quấn opt cho nó đồng bộ........ :)
     
  5. diyampli

    diyampli Advanced Member

    Joined:
    15/6/10
    Messages:
    6.542
    Likes Received:
    304
    Location:
    Anh có vào Nghĩa Lộ với em không?
    Em còn lọ mọa hơn cụ cơ, quấn xuyến đốt chim cho tube 6H30 :lol:
     

    Attached Files:

  6. tngoctu

    tngoctu Advanced Member

    Joined:
    10/10/10
    Messages:
    2.366
    Likes Received:
    186
    Nhìn giống háng quá cụ ơi, 01 cặp này thì 818 của em hết rung hết kêu nhé :)
    Mấy cục xuyến cụ quấn hộ em cho Naim và GM test đều chạy ổn định, nhìn đẹp quá ko nỡ lắp chụp tole luôn, khà khà ...
    Thanks.
     
  7. bknight

    bknight Advanced Member

    Joined:
    7/7/14
    Messages:
    308
    Likes Received:
    0
    Cái món xuyến này em chưa được thụ giáo cụ ah!
     
  8. huhiun

    huhiun Advanced Member

    Joined:
    11/2/12
    Messages:
    117
    Likes Received:
    3
    Hình như quả nắn của em có vấn đề các bác ạ, em quấn 350 ct mà áp tụ ngay sau đèn nắn có 357v, B+ còn 323v!
     
  9. bknight

    bknight Advanced Member

    Joined:
    7/7/14
    Messages:
    308
    Likes Received:
    0
    Em đã sưu tầm đc từng này thứ. Opt em đang không biết làm cốt thế nào, mong các cụ tư vấn giúp em ạ!
     

    Attached Files:

  10. tmvinh

    tmvinh Advanced Member

    Joined:
    7/4/09
    Messages:
    595
    Likes Received:
    69
    Location:
    Hà Nội
    OPT có Fe xịn mỏng là ngon rồi bác ơi, có sơ đồ của bác Trà Xanh nhưng là cho Fe 28, e thấy các bác khác còn quấn vs Fe 22,25 cho opt PP này
    Fe 32 thì thoải mái nhưng mà phải điều chỉnh cỡ dây thì phải. Bác tìm Fe 25,28 quấn , để dành 32 hoặc có gì chơi đấy luôn :mrgreen:
    E lanh chanh tí, k đúng đừng mắng em
     

    Attached Files:

  11. huhiun

    huhiun Advanced Member

    Joined:
    11/2/12
    Messages:
    117
    Likes Received:
    3
    Lõi biến áp em làm bằng giấy 1 ly như thế này!
    [​IMG]
    [​IMG]
    [​IMG]
     
  12. bknight

    bknight Advanced Member

    Joined:
    7/7/14
    Messages:
    308
    Likes Received:
    0
    vậy với amp EL84 này thì FE 32 là hơi phí phải không ạ? vậy có khi em sẽ kiếm cái FE 28 còn cái 32 này em nhắm đến 6C33C ạ
     
  13. tmvinh

    tmvinh Advanced Member

    Joined:
    7/4/09
    Messages:
    595
    Likes Received:
    69
    Location:
    Hà Nội
    Phí thì cũng k phí, có gì chơi đấy là đc mà bác. 32x35 cũng tương đương diện tích vs 28x40 rồi, cửa sổ lại rộng hơn, quấn thoải mái bác ơi.
    Giờ k có 28 để quấn theo sơ đồ đã có thì cứ chơi 32 đi. :D
     
  14. bknight

    bknight Advanced Member

    Joined:
    7/7/14
    Messages:
    308
    Likes Received:
    0
    tức là một bộ FE của em có thể tách ra làm 2 cái OPT hở bác?
     
  15. tmvinh

    tmvinh Advanced Member

    Joined:
    7/4/09
    Messages:
    595
    Likes Received:
    69
    Location:
    Hà Nội
    e thấy bác post bên xưởng thế này FE 32, dầy 70, nên bác chia đôi cục này ra, thành 32 x35 mm là đủ 1 cục OPT rồi.
    Fe của bác là loại xám, mỏng 0.35mm mỗi lá ? :?:
     
  16. bknight

    bknight Advanced Member

    Joined:
    7/7/14
    Messages:
    308
    Likes Received:
    0
    Vâng đúng rồi bác ạ lá dầy 0.35mm bản 32 cả cục dầy 70 em không biết nên mua 2 cục :D
     
  17. tuanhaitin

    tuanhaitin Advanced Member

    Joined:
    18/4/10
    Messages:
    1.587
    Likes Received:
    16
    Location:
    Phú Nhuận-HCM
    - Em xong được cái chassic cho EL84 PP. Chuẩn bị đóng điện :)
     

    Attached Files:

  18. Xehium

    Xehium Advanced Member

    Joined:
    13/6/14
    Messages:
    187
    Likes Received:
    1
    Location:
    Gò Té City
    Có cụ nào dư mạch này ko xài đến ko ạ?
     
  19. bknight

    bknight Advanced Member

    Joined:
    7/7/14
    Messages:
    308
    Likes Received:
    0
    Chúc mừng cụ nhé! em vẫn đang loay hoay ạ!
     
  20. bknight

    bknight Advanced Member

    Joined:
    7/7/14
    Messages:
    308
    Likes Received:
    0
    Cụ ơi cho em hỏi phát, cụ có mạch kết hợp kiểu này không ạ? em trót mua một cái bóng 5ỦC rồi, giờ bỏ đi thì tiếc quá!
     
  21. tuanhaitin

    tuanhaitin Advanced Member

    Joined:
    18/4/10
    Messages:
    1.587
    Likes Received:
    16
    Location:
    Phú Nhuận-HCM
    - Đây Bác.
     

    Attached Files:

  22. hahuy

    hahuy Advanced Member

    Joined:
    7/12/12
    Messages:
    99
    Likes Received:
    5
    Location:
    Hanoi
    chào các cụ.e cũng muốn làm một EL84 chết cái e đọc mãi mà kg hiểu vậy có cụ nào ở hanoi đang làm cho e theo hoc với.thanks
     
  23. bknight

    bknight Advanced Member

    Joined:
    7/7/14
    Messages:
    308
    Likes Received:
    0
    Em với cụ cùng trí hướng rồi, em vẫn đang ở giai đoạn khởi động :D
     
  24. bknight

    bknight Advanced Member

    Joined:
    7/7/14
    Messages:
    308
    Likes Received:
    0
    Oài, trông thế này là em phải quấn lại BA rồi :(, em đã quấn như thế này rồi
     

    Attached Files:

  25. hahuy

    hahuy Advanced Member

    Joined:
    7/12/12
    Messages:
    99
    Likes Received:
    5
    Location:
    Hanoi
    hi e còn chưa xuất phát mà cụ,hay cụ cho e theo cụ nhé?
     

Share This Page

Loading...