EL84 push pull đơn giản.

Discussion in 'Đèn điện tử' started by mimosalq, 24/7/13.

  1. bknight

    bknight Advanced Member

    Joined:
    7/7/14
    Messages:
    308
    Likes Received:
    0
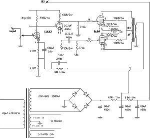
    OK, em với cụ làm đôi bạn cùng tiến nhé! Em update lại sơ đồ cho cụ xem cho rõ. Em cũng không hiểu mô tê gì về nguyên lý hoạt động đâu, em chỉ biết cầm mỏ hàn và hàn dính với nhau thôi :D
     

    Attached Files:

    • EL84.gif
      EL84.gif
      File size:
      51,1 KB
      Views:
      769
  2. tmvinh

    tmvinh Advanced Member

    Joined:
    7/4/09
    Messages:
    595
    Likes Received:
    69
    Location:
    Hà Nội
    quấn như này là ok rồi mà bác, nắn đèn, dùng thêm 2 con diot tạo mass như hình bác Tuấn post đó ạ.
    sau nắn sẽ là 1,1x250 ~ 270-275 vdc. cứ mạnh dạn làm đi bác. có gì sai đâu, cần gì, cứ post lên, sẽ đc trợ giúp mà
    em có phán sai, bác nào đi qua sửa giúp e nhé :mrgreen:
     
  3. hahuy

    hahuy Advanced Member

    Joined:
    7/12/12
    Messages:
    99
    Likes Received:
    5
    Location:
    Hanoi
    Được như thế là cụ hơn e một bậc roai :D e đọc mạch cụ post xong kg biết bắt đầu từ đâu,cụ ở hn kg? Hôm nào di mua linh kiện cho e theo với? :mrgreen:
     
  4. bknight

    bknight Advanced Member

    Joined:
    7/7/14
    Messages:
    308
    Likes Received:
    0
    Em thì dự tính sẽ bắt đầu từ việc quấn biến áp nguồn và biến áp xuất âm sau đó đi mua đèn và chân đèn để có kích thước về làm chassis. Xong chassis rồi gắn chân đèn vào và bắt đầu hàn xì. Hiện em định dùng bóng 6h23 thay cho 12ax7 và 6p14 cho el84 thử trước cho rẻ.
     
  5. rock0em_h_x

    rock0em_h_x Advanced Member

    Joined:
    25/1/11
    Messages:
    2.009
    Likes Received:
    111
    Location:
    Hà Tĩnh - Nghệ An
    6h2p mới tương đương với 12ax7 (ngoại trừ phần chân cẳng đốt tim).
    Nếu dùng 6h23p thay cho 12ax7 nó cũng hát được, nhưng cần lưu ý đốt tim: chân cẳng và dòng của nguồn đốt tim.
     
  6. tuanhaitin

    tuanhaitin Advanced Member

    Joined:
    18/4/10
    Messages:
    1.587
    Likes Received:
    16
    Location:
    Phú Nhuận-HCM
    - Em vưa hoàn thành xong el84 pp, Bị cái board nó vật cho tơi tả :( Mạch in không được tốt nên không tiếp xúc điện. Cuối cùng cũng Fix được. Đi đo đạt xem đủ công suất để đi giao lưu Thủ Đức không :mrgreen:
     

    Attached Files:

  7. craze

    craze Advanced Member

    Joined:
    18/10/13
    Messages:
    531
    Likes Received:
    41
    Location:
    Phường Ve Chai
    bác tuấn lam mấy cái chụp lên transformer cho em nó nhỉnh lên chút
     
  8. bknight

    bknight Advanced Member

    Joined:
    7/7/14
    Messages:
    308
    Likes Received:
    0
    Thích thế, bác có PCB luôn. em thì chắc Pp thôi ạ
     
  9. giaothu

    giaothu Advanced Member

    Joined:
    19/7/11
    Messages:
    584
    Likes Received:
    113
    Chạy áp cao chút xíu, chục kom lận đấy. Thân
     
  10. Listen_by_heart

    Listen_by_heart Advanced Member

    Joined:
    5/12/05
    Messages:
    3.856
    Likes Received:
    11
    Location:
    Gò Vấp - Sài Gòn.
    Ba con tụ lớn nhất trên board là tụ nguồn hả bác tuanhaitin?
     
  11. mimosalq

    mimosalq Advanced Member

    Joined:
    8/5/06
    Messages:
    12.824
    Likes Received:
    122
    Món này đem đi quýnh lộn với Leben rồi nhé...Đừng ngại ánh hào quang của Leben.
     
  12. kirato

    kirato Advanced Member

    Joined:
    14/12/06
    Messages:
    1.807
    Likes Received:
    9
    Location:
    Tầu THỐNG NHẤT
    Hiiiiii tụ nguồn chớ có tụ giề đâu, hêeeeeeeeee hay là tụ hỏng dây nhể bác :lol:
     
  13. tuanhaitin

    tuanhaitin Advanced Member

    Joined:
    18/4/10
    Messages:
    1.587
    Likes Received:
    16
    Location:
    Phú Nhuận-HCM
    - Tối nay em đi đo công suất xem đạt được nhiêu oát để đi giao lưu Thủ Đức. :mrgreen: Đạt được 9,6 V trên tải 8 Ohm. Vậy là có khả năng qua vòng kỹ thuật để tham gia rồi.





    Listen_by_heart : Mạch này dùng 3 con tụ 68mF/400V Bác Listen.

    craze: Em cũng có cái chụp Biến thế nguồn cao nhưng màu đen nên không gắn vào :)
     

    Attached Files:

  14. mimosalq

    mimosalq Advanced Member

    Joined:
    8/5/06
    Messages:
    12.824
    Likes Received:
    122
    Đẹp lắm,làm tốt lắm em.
    Khi nào cần 12AX7 Telefunken hay Mulllar ghé anh ghép thử nhé. :D
     
  15. Pilab

    Pilab Advanced Member

    Joined:
    29/1/09
    Messages:
    1.732
    Likes Received:
    329
    Location:
    TP ThanhHoa, VietNam
    http://vnav.vn/forum/download/file.php?id=550367
    Nếu công suất ra đạt 10 W trên tải 8 Ôm thì điện áp trên tải cỡ 9 V và tương ứng phải là 25 Vpp. Như hình, em thấy điện áp ra là 10 Vpp (2 ô ở thang 5V trên mỗi ô) nên công suất ra khá nhỏ phải vậy không bác?

    Tks bác :)
     
  16. tuanhaitin

    tuanhaitin Advanced Member

    Joined:
    18/4/10
    Messages:
    1.587
    Likes Received:
    16
    Location:
    Phú Nhuận-HCM
    - Điện áp 9.6 volt AC em đo được là điện áp tại ngõ ra loa với tải giả là 8 ohm bằng đồng hồ VOM . Còn hình trên máy hiện thị sóng là được phóng đại để xem nó bị méo không? Du xích trên máy hiện thị sóng thì em không rõ là bao nhiêu? Em thấy các Cụ khi đo tải Amly cũng làm vậy.
     
  17. nhthanh

    nhthanh Advanced Member

    Joined:
    30/7/10
    Messages:
    575
    Likes Received:
    21
    Bác tuanhaitin cho em hỏi mấy cái tụ nguồn này bác mua ở đâu? Còn cục nguồn ở đâu bán hoặc nhận quấn ạ? Em tha cái board của anh Quang về cả năm nay mà còn thiếu mỗi 3 cái tụ này và cục nguồn. Thanks bác.
    P/s: vừa rồi em làm chuột bạch nhờ anh bạn tha cặp OPT 10K của Toei từ Nhật về nên đang tìm gấp 2 món trên để xem OPT này thế nào.
     
  18. tuanhaitin

    tuanhaitin Advanced Member

    Joined:
    18/4/10
    Messages:
    1.587
    Likes Received:
    16
    Location:
    Phú Nhuận-HCM
    - Tụ nguồn này em đi ve chai, nếu Bác chưa có thì em gởi tăngj Bác 3 con tụ như cái em đang dùng.
    - Biến thế nguồn thì em tự quấn, Nếu Bác cần thì có thể nhơ Bác giaothu quấn giúp.
    - Mạch nguồn này nếu lọc bằng con trở 47 ohm thì không hay bằng con choke. Em thử nghiệm 2 cách lọc thì với choke sẽ giảm được nhiễu nền rất nhiều. Em đo được 6mvAC so với 16 mvAC. Choke 2 henry, 22 ohm DC.
     
  19. Simple

    Simple Advanced Member

    Joined:
    2/5/11
    Messages:
    1.163
    Likes Received:
    59
    Con của E có xài cuộn choke 2H đây, làm xong lâu rồi. Giờ mới SHOW:
    Pcb của bác mimosalq chuẩn, làm đúng theo là chạy tốt.

    Thêm 1 ảnh mặt đáy:
     

    Attached Files:

  20. trung_son

    trung_son Advanced Member

    Joined:
    5/9/11
    Messages:
    1.747
    Likes Received:
    3
    Location:
    Hà Nội
    Bác hùng doanh diy pro thật, em rất thích phong cách này!
     
  21. Simple

    Simple Advanced Member

    Joined:
    2/5/11
    Messages:
    1.163
    Likes Received:
    59
    Em lại thích kiểu nắp chụp biến áp của bác hơn.
    Nhưng rất khó tìm được, hoặc phải trả với chi phí đắt hơn cả lõi FE bác ạ.
    Có thời gian E sẽ mod thêm 02 con đèn LED màu Green cho 02 cây 12AX7 nữa là đẹp mắt luôn.
     
  22. cuoico

    cuoico Advanced Member

    Joined:
    1/3/12
    Messages:
    352
    Likes Received:
    8
    Em nghe nói Bác Hungdoanh có dự án 6V6 pp , em đang theo dự án này . Hôm giao lưu âm ly đèn tự ráp ở nhà Bang Chủ Thủ Đức, đèn Diy cũng có, đèn hãng cũng có , nhưng em rất ấm tượng với chất âm 6V6 hun khói này .
     
  23. Simple

    Simple Advanced Member

    Joined:
    2/5/11
    Messages:
    1.163
    Likes Received:
    59
    Em lại chưa được nghe. :(
    Cũng sắp xong cặp OPT cho 6v6PP rồi! :)
     
  24. craze

    craze Advanced Member

    Joined:
    18/10/13
    Messages:
    531
    Likes Received:
    41
    Location:
    Phường Ve Chai
    bác Quang cho mượn BA đóng điện rùi,một phát ăn ngay ,chuẩn men luôn, dùng bóng 6dj8 thì chậm rãi nhẹ nhàng, còn dùng 6h23 thì chi tiết, bass hơi bạo lực. lúc đầu nghĩ 1 bóng thì nghe cái giề,
    bác kirato còn pcb em này không ạ em thich ẻm này
     
  25. kirato

    kirato Advanced Member

    Joined:
    14/12/06
    Messages:
    1.807
    Likes Received:
    9
    Location:
    Tầu THỐNG NHẤT
    Mạch này em giặt là có 1 bo thui, nếu bác thích ủi thì e gởi mạch cho.
     

Share This Page

Loading...