Hifi LA440 amplifier - cực đơn giản!

Discussion in 'Bán dẫn' started by mengkut, 20/6/11.

  1. vndiy

    vndiy Advanced Member

    Joined:
    22/10/12
    Messages:
    273
    Likes Received:
    0
    Location:
    Hòn Ngọc Viễn Đông
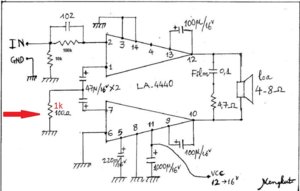
    LA4440 rất dễ ù do đi mass và bể tiếng khi mở volume lớn do gain cao trên 50dB.khi làm mạch stereo các bác dựa vào công thức này để tính Gain khoảng dưới 40 là ok ạ
     

    Attached Files:

  2. vndiy

    vndiy Advanced Member

    Joined:
    22/10/12
    Messages:
    273
    Likes Received:
    0
    Location:
    Hòn Ngọc Viễn Đông
    mạch stereo thì như vậy ạ,bác thêm Rnf ' bên ngoài
     

    Attached Files:

  3. vndiy

    vndiy Advanced Member

    Joined:
    22/10/12
    Messages:
    273
    Likes Received:
    0
    Location:
    Hòn Ngọc Viễn Đông
    và cái này là gain của LA4440 đánh kiểu Gridge thông thường thì mình làm cái này :mrgreen: các bác đừng chém em tội nghiệp chỉ cung cấp cho những bác nào mới lâm vào con đường nghiện ngập
     

    Attached Files:

  4. vndiy

    vndiy Advanced Member

    Joined:
    22/10/12
    Messages:
    273
    Likes Received:
    0
    Location:
    Hòn Ngọc Viễn Đông
    thằng ON cũng sx LA nữa hả mấy bác :mrgreen: mới thấy đây thôi không phải sanyo hả ta
     

    Attached Files:

  5. vndiy

    vndiy Advanced Member

    Joined:
    22/10/12
    Messages:
    273
    Likes Received:
    0
    Location:
    Hòn Ngọc Viễn Đông
    kẻ thù là đây,ảnh cuối cùng của ngày hôm nay trong topic này,chúc các bác 1 ngày vui vẻ thành công :D
    ảnh của bác LanHương (bác ấy rất giỏi và em học hỏi được rất nhiều điều bổ ích từ bác ấy ) xin phép bác cho ảnh này được trụ tại topic này cho anh em tham khảo ạ
     

    Attached Files:

  6. dreamviolet91

    dreamviolet91 New Member

    Joined:
    22/12/14
    Messages:
    4
    Likes Received:
    0
    Location:
    Hải Dương
    Có ai cho em xin sơ đồ nguyên lý mono hoặc sơ đồ mach in mono của la4440 có ghi giá trị linh kiện không ạ. E làm song một mạch mà nó cho ra âm lượng rất nhỏ và rè.
     
  7. vndiy

    vndiy Advanced Member

    Joined:
    22/10/12
    Messages:
    273
    Likes Received:
    0
    Location:
    Hòn Ngọc Viễn Đông
    Tiếp bác nhé,của bác đây em sửa lại từ datasheet.... anh em đừng chém ạ..có gì sai thì bổ sung giúp nha các bác :mrgreen:
     

    Attached Files:

  8. dreamviolet91

    dreamviolet91 New Member

    Joined:
    22/12/14
    Messages:
    4
    Likes Received:
    0
    Location:
    Hải Dương
    Thankyou diễn đàn. Em đã lắp ráp song mạch la4440 và ghép lại thành stereo, nói chung là chạy rất ổn định, mở volum hết cỡ thì hơi rè chút xíu, chưa có phần chỉnh bass tred và khi chưa đưa tín hiệu vào thì bị ù, khi chạm tay vào tản nhiệt thì hết ù. Mong các bác tìm ra nguyên nhân và cách khắc phục giúp đỡ em. Em sưr dụng nguồn là acquy.
     
  9. vndiy

    vndiy Advanced Member

    Joined:
    22/10/12
    Messages:
    273
    Likes Received:
    0
    Location:
    Hòn Ngọc Viễn Đông
     
  10. vndiy

    vndiy Advanced Member

    Joined:
    22/10/12
    Messages:
    273
    Likes Received:
    0
    Location:
    Hòn Ngọc Viễn Đông
    Bác đi mass lại cho đúng,LA4440 rất dể ù xì nếu mass không đúng,bác đi mass hình sao nhé sẽ có ích lắm,điểm chung là tụ lọc nguồn phân ra và đi dây ra các nhánh khác của mạch,tách mass tín hiệu vào bác nối tiếp với con trở 10R riêng,mass output riêng,mass pre riêng, mass pre của IC(chân số 3) bác tách nó ra không được dính với mass công suất(chân 14,8)trên mạch.
    Thân ạ
     
  11. mengkut

    mengkut Advanced Member

    Joined:
    31/7/09
    Messages:
    974
    Likes Received:
    21
    Location:
    Đồng Nai
    Chào bác, IC này làm theo mạch datasheet thì khó lòng mà ù xì nếu nguồn sạch như accu. Mình thấy nhiều anh em làm chasis bằng hộp nhựa vẫn im re. Trường hợp của bác phải xem lại dây mass tín hiệu hàn chưa kỹ hoặc đã nối vào mass chưa (kiểm tra tại volume). Đôi khi cái jack bông sen bị lỏng, cắm dây vào không nối mass giữa đầu phát và ampli sẽ gây ù rất to.
     
  12. dreamviolet91

    dreamviolet91 New Member

    Joined:
    22/12/14
    Messages:
    4
    Likes Received:
    0
    Location:
    Hải Dương
    Mấy ngày hì hục làm theo các cách mà các bác đã chỉ nhưng vẫn vậy, cuối cùng e cũng tìm ra được nguyên nhân là do dây tín hiệu. Khi em rút rắc cắm ra khỏi biến trở volum thì im re, cắm vào thì lại bị ù.
     
  13. ngochien9x

    ngochien9x Approved Member

    Joined:
    9/2/15
    Messages:
    7
    Likes Received:
    0
    em có 2 con la440 từ thời 9x để lại. còn tốt. đọc thì page 1 đến page cuối nhưng e chưa tìm ra mạch nào ổn định, ý e là có mạch in và ds linh kiện, e dân cntt nên k rành đt. a nào cho e mạch in pdf với ds linh kiện lun..e cảm ơn
     
  14. mengkut

    mengkut Advanced Member

    Joined:
    31/7/09
    Messages:
    974
    Likes Received:
    21
    Location:
    Đồng Nai
    Vẽ sơ sơ như thế này chú in ra kẹp vô tấm bo (mặt đồng) mà khoan lỗ theo nó cũng mần được. Cái sprint-layout bị hư rồi, không xuất ra file ủi được.
    Linh kiện có trên đó luôn rồi, khỏi cần lít.
    Hồi xưa đi học, mấy anh em toàn nhìn mạch vẽ mò bằng tay cũng khoan cũng ngâm được cả.
     

    Attached Files:

  15. Quang binh

    Quang binh Advanced Member

    Joined:
    7/6/14
    Messages:
    215
    Likes Received:
    1
    Location:
    Quảng Bình ..>...sơn trà Đà Nẵng ....
    mấy em LA này mà hàng nhổ trong mấy cái casset thời xưa thì chạy mát phải biết !
     
  16. ngochien9x

    ngochien9x Approved Member

    Joined:
    9/2/15
    Messages:
    7
    Likes Received:
    0
    em ra chợ mua đươc cái board có sẵn lk. giá 10k. e lắp con la440 vô, xài nguồn 12v. lúc đầu e xài chiết áp 50k nối tiếp thêm 1 con trở 100k, mở gần nhỏ nhất thì nghe to, không xì không rè gì cả nhưng đụng tới chiết áp mà chỉnh thì loa làm rẹt rẹt rất to. để z nghe thì được. bữa nay e thay chiết áp 100k vẫn nối tiếp 1 con trở 100k song song tụ film 102, kêu bé k nghe được, tháo trở với tụ ra để vô gần cháy loa.lại rè. e muốn hạ gain xuống thấp thôi vì loa e nhỏ. ae chỉ giúp e với..thanks

    http://i.imgur.com/NxAcGGn.jpg
    http://i.imgur.com/eoKjRGF.jpg
     
  17. vndiy

    vndiy Advanced Member

    Joined:
    22/10/12
    Messages:
    273
    Likes Received:
    0
    Location:
    Hòn Ngọc Viễn Đông
    Ảnh mờ quá bác em không thấy gì hết,nhưng quan trong bác kiểm tra lại tụ mắc đúng chưa?vì board chơ hay mắc ngược tụ(ráp ẩu) và nữa đó là gain quá lớn gây bể tiếng khi mở vol cao(nhít vol phát là cả làng nghe) khuyến mại thêm ù xì (vì gain cao nên nó khuếch đại luôn cả tín hiêu không mong muốn)
    Bác nên thay volume khác(em hay xài 50k thôi) bác ra chợ nói bán tui cái volume đôi đài loan(vặn nhẹ hơn cái thường) là được :mrgreen:
     

    Attached Files:

  18. vndiy

    vndiy Advanced Member

    Joined:
    22/10/12
    Messages:
    273
    Likes Received:
    0
    Location:
    Hòn Ngọc Viễn Đông
    Mà bác mua mạch chợ chắc giống mạch của bác mangcut bác thử thay trở 100 Om thành 1k xem sao
     

    Attached Files:

  19. ngochien9x

    ngochien9x Approved Member

    Joined:
    9/2/15
    Messages:
    7
    Likes Received:
    0
    em thêm trở 1k sau tụ ở chân 1, tụ qua trở rồi mới vào chân 1, và e đã khắc phục được vụ gain, nghe vừa đủ rồi, chỉnh volume cũng hơi rè chút thôi, để mua núm mũ gắn vào nữa chắc hết, cơ mà để trên bàn nghe thì không sao, thảy xuống đất nghe rè rè nhỏ.
     
  20. ngochien9x

    ngochien9x Approved Member

    Joined:
    9/2/15
    Messages:
    7
    Likes Received:
    0
    e thấy trên cái mạch nguyên thuỷ của nó có xài con tran c1815 nữa, trở cũng nhiều, tụ thấy toàn 100uF, mạch e mua nhỏ, tụ nhiều trị số, trở có 2 con, e thêm 1 con nữa là 3.
     
  21. ngochien9x

    ngochien9x Approved Member

    Joined:
    9/2/15
    Messages:
    7
    Likes Received:
    0
    e coi sơ đồ của bác mengkut ở #1 thì k thấy con trơ 1 ohm, nhưng trên mạch thật của bác ấy có là sao nhỉ?
     
  22. ngochien9x

    ngochien9x Approved Member

    Joined:
    9/2/15
    Messages:
    7
    Likes Received:
    0
    mắc 2 con lại thành stereo mắc dây thế nào ợ
     
  23. vndiy

    vndiy Advanced Member

    Joined:
    22/10/12
    Messages:
    273
    Likes Received:
    0
    Location:
    Hòn Ngọc Viễn Đông
    Không được bác ạ,LA4440 mono chỉ vậy....... còn bác muốn 2 chanel thì cứ làm thêm 1 chú mono nữa (19w) là ok
     
  24. ngochien9x

    ngochien9x Approved Member

    Joined:
    9/2/15
    Messages:
    7
    Likes Received:
    0
    ý mình là lắp 2 mạch môn lại vơi nhau thế nào đấy
     
  25. hoangtrieukg

    hoangtrieukg New Member

    Joined:
    27/4/15
    Messages:
    1
    Likes Received:
    0
    Có ai còn theo chủ đề này hok cho mình hỏi tý. Mình mua linh kiện về lắp theo mạch của bác măngcut thì bị rè và ù. Sau đó mình mua mạch bán sẵn ngoài chợ về hàn ic, mình có thêm 2 trở 1k ở chân 1 và chân 7 xuống thẳng mass (hôm bữa đọc trên forum)thì rè ít, đấu jack 3.5 vào và găm vào dt thì chỉ nghe dc tiếng nhac và lời bè, lời chính thì ko nghe dc. Các bác cơ thể chỉ giáo dc ko ạ...!
     

Share This Page

Loading...