Hifi LA440 amplifier - cực đơn giản!

Discussion in 'Bán dẫn' started by mengkut, 20/6/11.

  1. mengkut

    mengkut Advanced Member

    Joined:
    31/7/09
    Messages:
    974
    Likes Received:
    21
    Location:
    Đồng Nai
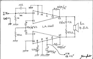
    IC này có gain lớn mà trở kháng vào thì hơi thấp, mà tín hiệu từ đầu cassete rất nhỏ nên dùng điện trở như bác là ok, còn thời nay tín hiệu đầu CD lớn hơn rất nhiều nên khi vào sẽ bị xén mất ngọn, nghe bị bể tiếng rất dở, volume 100k chỉ cần nhích chút là vỡ òa.
    Đối với mạch này, con R 68k đừng nói là dùng 1k chứ 10k vẫn bể tiếng nếu như con Rin=22k.
    Rin = 2,2k thì tiếng hơi mỏng. Do vậy, em đã thử và sửa lại 1 chút: tăng Rin=10k, R 68k giữ nguyên hoặc tăng lên 100k thì nghe mạnh mẽ hơn, nhưng max volume vẫn bể tiếng. Cái tụ 102 // là để lấy 1 ít dải cao. Bác nào không thích tiếng xì xào nhiều thì bỏ cũng được.
    Còn tụ 0,1u hay 104 ở ngõ ra là tụ film, là loại polyester film rất thông dụng, không phải filte.
    Thân mến!
     
  2. trungtruonglove

    trungtruonglove Advanced Member

    Joined:
    10/9/12
    Messages:
    90
    Likes Received:
    1
    Bác có thể cho em xem hình điện trở Rin và tụ Film được không. Bác cho em hỏi mạch này dùng biến trở 50k hay 100k. Thanks
     
  3. cuongkoken

    cuongkoken Advanced Member

    Joined:
    4/8/12
    Messages:
    107
    Likes Received:
    0
    [​IMG]
    Là chú cùi nhất ^^. lên google tìm: "metal film capacitor"

    [​IMG]
    đây là con R:4.7/1W đó bác.
     
  4. trungtruonglove

    trungtruonglove Advanced Member

    Joined:
    10/9/12
    Messages:
    90
    Likes Received:
    1
    Thanks bác nhiều.
     
  5. Hại Điện

    Hại Điện Advanced Member

    Joined:
    6/4/09
    Messages:
    1.996
    Likes Received:
    25
    Thiệt tình ! các bác clôn cái gì không clôn, lại đi clôn cái ampli kẹo kéo....mà clôn dư bộ nào cho em xin đê
     
  6. mengkut

    mengkut Advanced Member

    Joined:
    31/7/09
    Messages:
    974
    Likes Received:
    21
    Location:
    Đồng Nai
    Đây, cụ trungtruong về ngâm kíu thêm về môn vật liệu linh kiện nhé, thú vị lắm đó.
    Biến trở dùng 100k. Thân!
     

    Attached Files:

  7. trungtruonglove

    trungtruonglove Advanced Member

    Joined:
    10/9/12
    Messages:
    90
    Likes Received:
    1
    Em cảm ơn các bác nhiều. Bác mengkut ở Đồng Nai à, em cũng ở Đồng Nai đây. Em ở huyện Long Thành!
     
  8. CHU TEU

    CHU TEU Advanced Member

    Joined:
    30/11/08
    Messages:
    287
    Likes Received:
    5
    Hj hj bác có dám đảm bảo clone được trăm con kẹo kéo này hoạt động ổn định ngay từ đầu không?
    Hj hj đây là dân chơi mà có thiên tài thì cũng có hai lúa. Em là hạng lông tơ không dám đọ với các cao thủ nên chỉ dám mon men góc này thôi.
    Còn chơi đồ hãng thì mời bác qua nhà xem đồ của em cho bít.
     
  9. cuongkoken

    cuongkoken Advanced Member

    Joined:
    4/8/12
    Messages:
    107
    Likes Received:
    0
    Quan trọng là cái chữ "mà clôn dư bộ nào thì cho em xin" kìa ^^! Chứ đồ hãng thì đồ nào là không hãng hã bác ^^. chẳng lẽ bác tạo được con LA4440? hay bác chế được cái tụ ^^.
     
  10. mengkut

    mengkut Advanced Member

    Joined:
    31/7/09
    Messages:
    974
    Likes Received:
    21
    Location:
    Đồng Nai
    Hị hị, ampli này âm thanh thật tuyệt vời vì nó có băng thông rất rộng, đặc biệt là dải cao. Dải dưới cũng xuống dưới 30Hz nếu thay tụ hồi tiếp từ 47u thành 100u. Làm nó đàng hoàng chẳng kém gì hi-end. Hôm nào kiếm được cái hộp nhôm xinh xinh bằng bàn tay lắp 1 cái đút túi đi giao lưu.
    Hôm qua em ở nhà nghe thử nó với cái F5 thấy thích nó hơn mới lạ chứ, chắc tại nó hợp nhạc vàng nhỉ.
     
  11. trungtruonglove

    trungtruonglove Advanced Member

    Joined:
    10/9/12
    Messages:
    90
    Likes Received:
    1
    Bác vẽ lại cho em cái sơ đồ chuẩn được không ạ.
     
  12. mengkut

    mengkut Advanced Member

    Joined:
    31/7/09
    Messages:
    974
    Likes Received:
    21
    Location:
    Đồng Nai
    Đây nè bác.
     

    Attached Files:

  13. trungtruonglove

    trungtruonglove Advanced Member

    Joined:
    10/9/12
    Messages:
    90
    Likes Received:
    1
    Thanks bác nhiều.
     
  14. trungtruonglove

    trungtruonglove Advanced Member

    Joined:
    10/9/12
    Messages:
    90
    Likes Received:
    1
    Bác mengkut ơi có cách nào làm hết bể tiếng không bác, em ráp xong rồi không có ù xì gì hết nhưng mở hơi to là bị bể tiếng.
     
  15. cuongkoken

    cuongkoken Advanced Member

    Joined:
    4/8/12
    Messages:
    107
    Likes Received:
    0
    Bể tiếng là quá công suất của nó rồi bác ơi! 18W nếu oánh Bass nặng chút là hết công lực của chú ấy rồi ^^. Tìm đường khác mà chạy qua LM3886 hay TDA7294 đi bác ^^.
     
  16. trungtruonglove

    trungtruonglove Advanced Member

    Joined:
    10/9/12
    Messages:
    90
    Likes Received:
    1
    Em đánh loa nhỏ mà, loa sony nỉ. Bác cho em sơ đồ LM3886 và TDA7294 với. Em cũng đang thích thú với mấy cái này. Mong bác chỉ dẫn thêm. Thanks
     
  17. trungtruonglove

    trungtruonglove Advanced Member

    Joined:
    10/9/12
    Messages:
    90
    Likes Received:
    1
    Bác mengkut mua tụ xịn ở đâu thế, em tìm lòng vòng ở Nhật Tảo họ chỉ bán loại Fuseng thôi.
     
  18. cuongkoken

    cuongkoken Advanced Member

    Joined:
    4/8/12
    Messages:
    107
    Likes Received:
    0
    Quan bên đồ cũ mà mua, tụ nichicon tháo tivi hay ampli cũ nếu may được vài chú Elna hay Panasonic đó bác.
     
  19. trungtruonglove

    trungtruonglove Advanced Member

    Joined:
    10/9/12
    Messages:
    90
    Likes Received:
    1
    Em đã hoàng thành cái amp LA4440, âm thanh rất hay, hay hơn con Amp Muse Class T của em nhiều. Em cảm ơn bác Mengkut và bác cuongkoken đã hỗ trợ tư vấn cho em.

    [​IMG]
    [​IMG]
    [​IMG]
    [​IMG]
    [​IMG]
    [​IMG]
     
    Thinhlinux likes this.
  20. mengkut

    mengkut Advanced Member

    Joined:
    31/7/09
    Messages:
    974
    Likes Received:
    21
    Location:
    Đồng Nai
    Híc, cụ làm cái hộp gỗ be bé xinh xinh, có cái nắp trượt trông cũng đẹp.
    Con này không nóng mấy nên bỏ cái quạt đi. Khi nào nghe thì trượt cái nắp ra.
    Diode cầu to rứa có xài cho chục cái ampli này cũng không cần giải nhiệt cho nó.
    Hết bể tiếng chưa? nếu còn thì giảm con điện trở 10k ngõ vào xuống 4.7k thôi.
    Thân
     
  21. trungtruonglove

    trungtruonglove Advanced Member

    Joined:
    10/9/12
    Messages:
    90
    Likes Received:
    1
    Vẫn còn bể tiếng bác à, để mai em thử thay con 4.7k xem sao. Bác cho em hỏi tất cả điện trở trong mạch này dùng điện trở mấy W, em đang dùng điện trở 1/4W, nhưng em thấy bác sài con to hơn.
     
  22. cuongkoken

    cuongkoken Advanced Member

    Joined:
    4/8/12
    Messages:
    107
    Likes Received:
    0
    1/4W là được rồi Bác à! Chỉ con 4.7 Ohm ngay cái tụ film là 1/2W thôi! Bác là thơ mộc hay sao mà làm cái hộp xinh và đẹp thế ^^. Nghiên cứu đóng thùng loa rồi chuyển nghề luôn đi Bác ^^!
     
  23. trungtruonglove

    trungtruonglove Advanced Member

    Joined:
    10/9/12
    Messages:
    90
    Likes Received:
    1
    Em không phải thợ mộc đâu ạ, nhưng có ông anh làm thợ mộc.hihi
    Cặp loa của em nè
    [​IMG]
    [​IMG]
     
  24. nguyensyanhduy

    nguyensyanhduy Advanced Member

    Joined:
    5/10/09
    Messages:
    920
    Likes Received:
    47
    Location:
    BH-ĐN
    bác măng kụt nếu bác chưa có vỏ ghé em tặng bác 1 cái vỏ nhôm đi bác rủ cụ lengkeng đi cho vui sđt của em 0919577171
     
  25. mengkut

    mengkut Advanced Member

    Joined:
    31/7/09
    Messages:
    974
    Likes Received:
    21
    Location:
    Đồng Nai
    ok, rứa hả? híc, cám ơn duy nghe, mai rảnh lên đấu pre với lengkeng tiện ghé luôn.
     

Share This Page

Loading...