Mod lại phần Dac của SLxx.

Discussion in 'Thiết bị số' started by Sonus Sonny, 27/11/09.

  1. espadon_vn

    espadon_vn Advanced Member

    Joined:
    26/3/08
    Messages:
    8.580
    Likes Received:
    181
    Location:
    KenKen /Xóm 4 - Lại Yên - Hoài Đức - Hà Nội/ Số 4
    Cụ này nói em mới để ý, ! đúng là nếu cụ Sony&DSP24 mà câu sang chân đó thì không ổn rồi, nên câu sang chân bên kia của 2 con tụ vàng đó (tháo 2 con đó ra luôn cho lành )...
     
  2. coi

    coi Advanced Member

    Joined:
    3/4/06
    Messages:
    2.221
    Likes Received:
    7
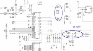
    cụ phải lấy ở đây này:
     

    Attached Files:

  3. coi

    coi Advanced Member

    Joined:
    3/4/06
    Messages:
    2.221
    Likes Received:
    7
    điểm lấy đường line out,
     
  4. coi

    coi Advanced Member

    Joined:
    3/4/06
    Messages:
    2.221
    Likes Received:
    7
    bác muốn làm như thế thì phải làm như thế này: tận dụng đường tai nghe làm đường line out
     

    Attached Files:

  5. Sonus Sonny

    Sonus Sonny Advanced Member

    Joined:
    20/11/08
    Messages:
    705
    Likes Received:
    0
    Location:
    Hoàng Sa - Đà Nẵng
    Hix, quên để ý cực của quả tụ. Vậy nối ra ở điểm này luôn cho nó lành.

    He he, cụ odo cho em mượn quả rề của cụ nghen. Cái pre AD815 chắc treo tới năm sau rồi :(.
     

    Attached Files:

  6. coi

    coi Advanced Member

    Joined:
    3/4/06
    Messages:
    2.221
    Likes Received:
    7
    bác nối như vậy xong nhớ đo lại xem có áp ngõ ra ko nhé...
     
  7. Sonus Sonny

    Sonus Sonny Advanced Member

    Joined:
    20/11/08
    Messages:
    705
    Likes Received:
    0
    Location:
    Hoàng Sa - Đà Nẵng
    Hix, mới coi lại. Giờ đúng là ngõ FIN các bác ạ. Vừa học vừa chơi đầu óc nó cứ loạn lên. Phần audio của SL được đầu tư quá kĩ hèn chi nó kêu hay thế.
     
  8. minhtriet

    minhtriet Advanced Member

    Joined:
    12/2/08
    Messages:
    4.527
    Likes Received:
    6
    Location:
    Huế
    Kụ cứ mod cho xong con này rồi làm pre AD815 cũng được :lol:
    Mấy hôm nay cầm con AD trong bọc áo mà bận quá ko chuyển được, lúc nào kụ mod xong e chuyển luôn nha :p
     
  9. Sonus Sonny

    Sonus Sonny Advanced Member

    Joined:
    20/11/08
    Messages:
    705
    Likes Received:
    0
    Location:
    Hoàng Sa - Đà Nẵng
    Thôi cụ chuyển con AD đã hoàn thành của cụ cho em. Để con AD mới đó nại, khi nào cụ rãnh thì làm zậy.
     
  10. thohi558

    thohi558 Advanced Member

    Joined:
    19/10/09
    Messages:
    212
    Likes Received:
    0
    Khà khà ! đã bẩu cụ coi lại cái Sche của con DAC ở trên cụ không nghe, lại cứ khăng khăng là phải lấy từ cái chỗ "kia", em không biết nhiều tiếng Anh nên toàn coi hình thôi . Coi vu vơ thế mà chuẩn nhỉ ...!
     
  11. thohi558

    thohi558 Advanced Member

    Joined:
    19/10/09
    Messages:
    212
    Likes Received:
    0
    Tình hình cụ Sony làm đén đâu rồi ?
    Mấy ngày nay chưa thấy đưa bảng tiến độ lên :D
     
  12. Sonus Sonny

    Sonus Sonny Advanced Member

    Joined:
    20/11/08
    Messages:
    705
    Likes Received:
    0
    Location:
    Hoàng Sa - Đà Nẵng
    Ec, SL của em đưa đi đống vỏ rồi. Cả tuần nay em chưa lấy về được :(. Mai nhất định lên tận nhà đòi về luôn .
     
  13. Sonus Sonny

    Sonus Sonny Advanced Member

    Joined:
    20/11/08
    Messages:
    705
    Likes Received:
    0
    Location:
    Hoàng Sa - Đà Nẵng
    Dùng pre thì gạt về đâu đây các bác. Ko biết ngõ AUX có tụ input(Sansui AU-607) có tụ ngõ vào ko các bác nhở.
     

    Attached Files:

  14. oDoh5

    oDoh5 Advanced Member

    Joined:
    30/3/09
    Messages:
    2.001
    Likes Received:
    5
    Location:
    DNCity
    Gần thi rồi mà cứ lăn tăn đủ thứ. Hic, mai mốt ngồi đó tiếc!
     
  15. thohi558

    thohi558 Advanced Member

    Joined:
    19/10/09
    Messages:
    212
    Likes Received:
    0
    Cụ đó chắc lại theo con đường của em thôi ;))
    Trước mua thi chả thấy ngồi học hàng cái j , chỉ tháy chúi đầu vào nghịch mấy cái "của nợ" này suốt ngày.
    Đến lúc thi xong, biết kết quả mới thấy rằng, giá thời gian ôn thi nó giảm đi mọt nửa chắc là kết quả mình tốt hơn :(
     

Share This Page

Loading...