Pre818 -Hướng dẫn làm HQHV shunt trang 123

Discussion in 'Đèn điện tử' started by quanghao, 13/10/08.

  1. quanghao

    quanghao Advanced Member

    Joined:
    30/10/06
    Messages:
    7.598
    Likes Received:
    321
    Location:
    Thành Công
    Re: Pre ConradJohnson by 818design

     
  2. meoden

    meoden Advanced Member

    Joined:
    13/9/08
    Messages:
    311
    Likes Received:
    2
    Location:
    Hà nội
    Re: Pre ConradJohnson by 818design

    Tôi hiểu ý bác Quang Hào rồi
    thank
     
  3. audiophile9002

    audiophile9002 Advanced Member

    Joined:
    1/3/09
    Messages:
    1.400
    Likes Received:
    5
    Location:
    Eo ơi ! Hà Lội fố..
    Re: Pre ConradJohnson by 818design

    //////////
     
  4. meoden

    meoden Advanced Member

    Joined:
    13/9/08
    Messages:
    311
    Likes Received:
    2
    Location:
    Hà nội
    Re: Pre ConradJohnson by 818design

    meoden: 1 bộ nguồn mẫu NoBG
    Đã chết thì chết tới cùng luôn, cất nguồn Shunt đi đợi khi nào đủ già để lắp 300B
     
  5. bomoi

    bomoi Advanced Member

    Joined:
    17/1/08
    Messages:
    228
    Likes Received:
    0
    Re: Pre ConradJohnson by 818design

    Nhà em chỉ có 1 tầng.

    Vợ em không lè nhè.

    Em chưa thấy mệt :mrgreen:
    Em xem kỹ rồi.

    Em vẫn đăng ký.
     
  6. NoBG

    NoBG Advanced Member

    Joined:
    4/4/06
    Messages:
    887
    Likes Received:
    5
    Re: Pre ConradJohnson by 818design


    Những bác có Power Supply board tôi gởi về đâu thử rap xem co chay tốt không?
    Nếu OK tôi sẽ gởi cho quang hào layout để làm thêm. Ky nầy co sửa lại 1 chut,
    thêm phần regulator dốt tim va dung standard heat sink. Nếu không chạy tôt thì khỏi làm, khỏi tốn tiền.
     
  7. ducanhle

    ducanhle Advanced Member

    Joined:
    21/6/07
    Messages:
    1.704
    Likes Received:
    3
    Re: Pre ConradJohnson by 818design

    Bác nào biết chỗ mua 10M45S chỉ em với, bên bác NCC hết mất tiêu rồi

    Tks n' brdgs
     
  8. audiophile9002

    audiophile9002 Advanced Member

    Joined:
    1/3/09
    Messages:
    1.400
    Likes Received:
    5
    Location:
    Eo ơi ! Hà Lội fố..
    Re: Pre ConradJohnson by 818design

     
  9. quanghao

    quanghao Advanced Member

    Joined:
    30/10/06
    Messages:
    7.598
    Likes Received:
    321
    Location:
    Thành Công
    Re: Pre ConradJohnson by 818design

    Ok :D
     
  10. quanghao

    quanghao Advanced Member

    Joined:
    30/10/06
    Messages:
    7.598
    Likes Received:
    321
    Location:
    Thành Công
    Re: Pre ConradJohnson by 818design

    Để tiện cho các Bác theo dõi vụ Pre 818 này em xin tổng kết nhận xét từ các Bác đã làm! Nhằm giúp các Bác quyết đinh đứng đắn khi quyết định liều:

    1. DHT:
    Báo cáo các Bác em đã hoàn thành dự án Pre 818 ( nhưng chưa có trang phục ). Em dùng đèn 6H30, cho chạy chế độ Ua = 90v ; Uk = 4v ; Ia = 15ma. Cảm nhận của em là rất tuyệt vời , tiếng sạch sẽ, độ động cao, rõ ràng tách bạch và đều ở các dải tần, bass mềm và xuống rất sâu. Cám ơn Bác Hào rất nhiều, Bác đã thiết kế một tác phẩm chất lựong rất cao, và rất chuyên nghiệp, và đã chia sẻ cho anh em cộng đồng Vnav, riêng em cũng thừa hưởng được của Bác để có được một tác phẩm tự tạo như ý. Một lần nữa chân thành cám ơn Bác. Em gửi kèm tấm ảnh để các Bác xem và góp ý cho em hoàn thiện hơn.

    DHT: Có chút ít kinh nghiệm còi khi ráp mạch Pre 818 xin chia xẻ với các Bác đang và sẽ làm để các Bác đỡ mất thời gian vàng ngọc của các Bác :
    1. Về biến áp nguồn : Mạch này ngốn khá nhiều công suất, em quấn theo trị số tính toán của Bác Hào, em đã dự trù tính cao hơn một chút, nhưng khi chạy thì bị sụt áp ( mặc dù em đã dùng fe zin tháo ra ). Em phải quấn lại đến lần thứ 3 mới ổn định, nguồn đốt tim em phải dùng dây 1,6mm, lần đầu dùng dây 1,2mm, 6,55v bị sụt áp tới 1v, còn có 5,5v.
    2. Diện trở tải anot có áp khoảng 100 ~ 130v, dòng khoảng 60~80ma, nóng khủng khiếp. em phải thay đến lần thứ 5 dùng trở ống mới tạm ổn.( em đo nhiệt độ vẫn còn ~ 70 độ )
    3. Các diện trở nhỏ em đều dùng trở mua ở chợ NT. 500d Vn 1con, mỗi thứ mua gấp 5 lần số cần dùng, về đo lại chọn các cặp cân nhất sử dụng cho đều 2 vế ( em cũng không ngờ loại này có sai số rất nhỏ chưa tới 1%. em khong biết độ bền thì thế nào, nhưng chất lượng âm thanh rất sạch, trong trẻo.
    4. Trở thoát catot, đầu tiên em dùng biến trở dây 150 om, điều chỉnh chạy ở chế độ hoàn hảo nghe tốt nhất, sau đó mới tháo ra đo trị số rồi mới lắp điện trở cố định.
    Có vài kinh nghiệm còi như vậy nhưng đối với em và một số Bác tập tý toáy thì là kinh nghiệm xương máu, mong các Bác đừng cười em.

    DHT: Kính báo các bác em đã thực hiện xong Pre 818 V2. Hôm nay em nó đã cất tiếng hát chào đời rồi ạ. Thú thật với các bác, để mạch chạy tốt và phát huy hết công lực của SR và 6H30, gần như em phải tính toán lại và thay đổi khá nhiều các trị số của toàn mạch, sao cho cố gắng đến mức tối đa, đưa được các đèn từ mạch SR : KT88 và 6DJ8 cho đến 6H30 vào chế độ làm việc tốt nhất trong khả năng có thể. Kết quả cho đến hôm nay chế độ cho toàn mạch đã tạm ổn định : Không ù xì, âm vực và khả năng trình diễn tốt hơn khá nhiều so với V1. Đây là ruột gan em nó em chụp cách đây 2 ngày, đến hôm nay điều chỉnh xong thì em nó có thay đổi 1 chút.
     
  11. quanghao

    quanghao Advanced Member

    Joined:
    30/10/06
    Messages:
    7.598
    Likes Received:
    321
    Location:
    Thành Công
    Re: Pre ConradJohnson by 818design

    2. Alicuti: Đã có bác nào làm xong chưa ạ ???
    Tối nay em càng nghe càng thấy hay, chứng tỏ mạch này thiết kế rất hay. Các dải tách bạch hơn, tiếng trầm xuống sâu hơn, gọn hơn, dải cao đỡ gắt hơn (do loa củ em là electrovoice 15trx có tweeter hơi bị chói). bóng 6h6pi tiếng đã khá vậy chắc 6H30pi phải hay hơn nữa. Bởi vậy, em nghĩ các bác nên làm đi sẽ thấy công sức bỏ ra xứng đáng đấy ạ.
    thôi em đi kiếm bóng 6H30 đây
    Dạ xin lỗi em nghĩ bác theo dõi nhiều nhưng không tóm được phần kết luận ạ:
     
  12. quanghao

    quanghao Advanced Member

    Joined:
    30/10/06
    Messages:
    7.598
    Likes Received:
    321
    Location:
    Thành Công
    Re: Pre ConradJohnson by 818design

    3. DragonVU:
    Xin lỗi các bác vì cái máy chụp hình thằng đệ mang đi chụp Phong cảnh rùi!! Tối nó mang về em sẽ post lên. Trong quá trình ráp em có 1 số trục trặc sau chia sẽ cùng các bác.
    1/ Bác Quang Hào quên note anh em là nếu đèn ráp nổi lên trên thì linh kiện ráp vào mặt không có chữ nên em cứ theo nguyên tắc ráp mạch in linh kiện chơi hết lên mặt có chữ và đèn lên mặt ko chữ thế là!!!! Hút chì bở hơi tai, do mạch bác Hào làm chân rất to chì tốn rất nhiều, tháo ra mà sót hết ruột vì mạch thì rất đẹp nhưng qua tay em nó ghẻ tùm lum!!!!
    2/ Tới con LT 1083 siêu thi av hêt hàng thế là ko biết làm sao đốt tim, thì em chợt nhớ tới bác NCC gọi cho bác ấy oder con LM1084 chịu được dòng có 5A, thế là đèn đã sáng và tiếng hát cất lên nhưng được 03 bài đèn lại tối đi do nóng quá con IC bị Down. Em bèn chơi cái tản nhiệt to như bàn tay vào nhưng cũng chịu đựng không được lâu. Tối nằm suy nghĩ xem có cách nào làm cho nó mát hơn không thế là em nhìn cái CPU có cái quạt quay vù vù, chạy ra chợ NT mua cái quạt tháo máy be bé chơi vào cái tản nhiệt, ôi sao mà mát thế hát 3 đĩa vẫn bình thường!!
    3/ Về linh kiện em ra Cô Hai chơi cho nó rẻ, Nhưng các bác chú ý cái con trở 2K anod rất nóng, may mắn là kiếm được 02 con 4K 18W ghép lại nhưng khi chạy mà rờ vào để lau là phỏng tay.
    Lúc đầu em sợ con trở 50 ohm thay cho choke sẽ rất nóng nhưng qua thực tế thì cần con 10W là đủ rồi.
    4/ Đến phần thông số kỹ thuật thì nguồn em quấn khoảng 230 V 0 230v sau khi chạy nóng thì điện thế trước trở Anod khoảng 200v qua trở anod 2k còn khoảng 70-75v, so với lý thuyết bác Hào là 90v là thấp hơn. Em thấy 4 bóng 6H30 chạy như 1 cái amply rồi còn gì, theo các cao thủ thì có cần phải V anod cao hơn tí nữa ko?
    5/ Phần cảm nhận thì Pre nhưng tiếng lực như amply, nhích volume tí là rất áp phê. Em đang chơi em SE 211 đưa Pre vào tiếng thanh thoát và mạnh mẽ hơn, tiếng bung ra nghe so với không có pre là rất rõ rệt.
    6/ Phần nhận định: theo cá nhân em thì Pre bác Quang Hào thiết kế là rất ổn về kỹ thuật, hoàn toàn không ù xì gì khi ráp xong là chạy liền. Còn về hay dở thì tùy tai mỗi người nhưng theo em là đạt rồi và bóng 6H30pi quả là hay hơn mấy cái bóng E88cc, 12AX, 12AU, 6SN7.... nhiều nếu làm pre.
    Các anh em sau khi ráp xong có gì hay xin góp ý để Pre 818 hoàn thiện hơn nhé!
     
  13. quanghao

    quanghao Advanced Member

    Joined:
    30/10/06
    Messages:
    7.598
    Likes Received:
    321
    Location:
    Thành Công
    Re: Pre ConradJohnson by 818design

    4. PC-Chip:
    - Thứ nhất em đã kết luận sơ bộ một số điểm ở phần mạch nguồn: SR điện áp thấp quá nên cần phải điều chỉnh giá trị linh kiện. Nhưng theo đúng tác giả thì phần SR không phải mục đích chính là để line regulation hay load regulation. Nó chỉ có tác dụng hỗ trợ mạch lọc thôi.
    - Thứ 2 phải dùng Choke thì mới có tác dùng triệt để trong phần lọc nguồn như em đã trình bày.
    - Thứ 3: phần lọc đốt tim cần tăng giá trị tụ lọc ngay sau diod nắn lên tầm 10.000uF trở lên.
    - Thứ 4: Mạch pre này rất cơ bản nên chẳng có vấn đề gì cả.
    - Thứ 5: Các giải pháp các bác kia nêu ở trên chủ yếu là nhằm giúp em khắc phục vấn đề nhỏ trên hệ thống của em (dư gain, loa nhạy).
    - Thứ 6: Bác DTH đã xác nhận không gặp vấn đề gì trên hệ thống của bác ây (em đã được mục kích hệ thống rất gấu của bác ấy: loa mành, power gấu, có điều loa mành nên không quá nhạy, power được thiết kế chuẩn nên không quá nhiều gain).

    Còn nhiều điểm nữa nếu bác đọc kỹ tí chút thì chắc cũng tự kết luận được thêm điểm gì mà em còn bỏ sót chăng.

    Kính bác,
     
  14. quanghao

    quanghao Advanced Member

    Joined:
    30/10/06
    Messages:
    7.598
    Likes Received:
    321
    Location:
    Thành Công
    Re: Pre ConradJohnson by 818design

    5. NoBG :
    Làm cái Pre kiểu nầy chắc chắn phải tốn tiền rồi.
    Mach nay thiet ke rat theo một trào lưu mới là "single stage amplification" chỉ dùng 1 tầng phóng đại do Victor Khomenko của BAT đề xướng. Mạch không dùng hồi tiếp, không dùng Cathode Follower để giãm output impedance (dĩ nhiên là không dùng OPT). Đó là lý do tại sao phải nối 2 con 6H30 (4 triodes) song song. Hầu như tất cả những Preamplifier mới của BAT đều như vậy. Quan trọng nhất là phải dùng linh kiện thật là tốt. Dĩ nhiên PCB cũng là trong những linh kiện phải được nâng cấp. Nếu bác dùng 2-layer PCB, xin cho tôi đăng ký 2 bộ. Tôi nghĩ không dùng tube regulator làm gì. Dùng bán dẫn còn tốt hơn.

    Quen 1 chuyện. Tubes đã shipped hôm 26/12. Tracking:

    http://trkcnfrm1.smi.usps.com/PTSIntern ... 01010011US


    NoBG :
    Pre818 coi như đã đã xong.
    Khác với ý nghĩ ban đầu là Hum/Noise rất lớn, con Pre nầy rất êm. Không có Hum 60/120Hz, chi có white noise.
    Đế input open, do oscillocope do được 3.6mV. Lúc để bên ngoài thùng đo khoãng 17mV.

    Gain (no load) khoãng 12 nếu có cathode by-pass, nếu không gain khoãng 9.2
    Con Pre nầy có 1 vấn đề là nóng quá. Nhứt là phần đốt tim.
    Phần cao thế board 10M45S rất tuyệt.

    ác nói đúng. Phần nguồn đúng là dùng board 10M45S. Filament cũng dùng regulator dùng 1084, biến áp cũng home made luôn.

    Biến áp thứ cấp cao thế là 200VAC, sau khi regulated xong cho ra 220VDC. 2 thứ cấp cho đốt tim là 8.5VAC/3A. Diodes cho phần đốt tim tui dùng schottky đễ tránh nóng.

    Cá nhân toi nghĩ là 6H30 là loại tube có emission cao nên chắc filament và cathode phải rất gần nhau nên nguồn đốt tìm cần phả có regulated nếu không thì hum sẽ cao hơn những loại "small signal" tubes khác.

    Có đều đáng nói là tôi nối nguồn đốt tim thẳng vào GND luôn không cần phải treo áp (nối bên phía 0V vô system GND). Tôi đã làm thí nghiệm nhiều cách và đây là cách tốt nhất. Chuyện nầy cũng dễ hiểu bới mạch nầy là "Ground Cathode", điện thế bias của cathode chỉ khoãng 4-5VDC, nên nối vô GND là hợp lý nhất.

    Phần power supply có lẽ bác phải tốn công, ngoài ra không có gì đặc biệt, mạch điện rất dễ làm và dễ thành công.

    (Phần Power Supply coi vây nhưng rất khó, nhứt là bác phải tìm cách trị nhiệt trong phần đốt tim. Nếu vẩn dùng power supply "shunt" của bác Hào thì tôi nghĩ ít nhất phải có 1 power transformer 150W mới đủ.


    Tối nay có đo được thêm được thêm 1 vài data, post lên các bác tham khảo.

    Đáp ứng tần số (Freq. response): Bằng phẳng từ 20-40Khz, -3db point trên 100Khz.
    Max output (before clip): khoãng 100V peak-to-peak

    Harmonic Distortion: <0.05% khi output = 2.5V RMS
    Harmonic Distortion: <0.2% khi output = 5.0V RMS
    Harmonic Distortion: <0.45% khi output = 10.0V RMS

    Đặc biệt là distortion không thay đổi nhiều theo tần số, vì thời giờ hạn chế nên tôi không đo nhiều tần số, chỉ đo tại 50Hz, 1.5Khz, 15KHz và 21KHz.

    Distortion tăng lên theo theo biên độ. Chổ nầy có thể cải thiện được nếu thay đổi BIAS bằng cách tăng trị số của load resistor (hoặc dùng active load) và tăng Vak.

    Harmonic bật 2 chiếm tỷ lệ cao gần như tuyệt đối, như các bác thấy trong hình phía dưới.
    Higher order rất thấp, hầu như không thấy trong waveform.

    Kết quả thật khích lệ, không thua gì những Pre "xịn" bạc ngàn.

    Làm xong con Pre này tui muốn bán con Pre Audio Research LS-7 và con SilverQuick Line Amplifier.

    NoBG Write:
    Tối nay có đo được thêm được thêm 1 vài data, post lên các bác tham khảo.

    Đáp ứng tần số (Freq. response): Bằng phẳng từ 20-40Khz, -3db point trên 100Khz.
    Max output (before clip): khoãng 100V peak-to-peak

    Harmonic Distortion: <0.05% khi output = 2.5V RMS
    Harmonic Distortion: <0.2% khi output = 5.0V RMS
    Harmonic Distortion: <0.45% khi output = 10.0V RMS

    Đặc biệt là distortion không thay đổi nhiều theo tần số, vì thời giờ hạn chế nên tôi không đo nhiều tần số, chỉ đo tại 50Hz, 1.5Khz, 15KHz và 21KHz.

    Distortion tăng lên theo theo biên độ. Chổ nầy có thể cải thiện được nếu thay đổi BIAS bằng cách tăng trị số của load resistor (hoặc dùng active load) và tăng Vak.

    Harmonic bật 2 chiếm tỷ lệ cao gần như tuyệt đối, như các bác thấy trong hình phía dưới.
    Higher order rất thấp, hầu như không thấy trong waveform.

    Kết quả thật khích lệ, không thua gì những Pre "xịn" bạc ngàn.

    Làm xong con Pre này tui muốn bán con Pre Audio Research LS-7 và con SilverQuick Line Amplifier.
     
  15. hailedinh80

    hailedinh80 Advanced Member

    Joined:
    10/12/08
    Messages:
    150
    Likes Received:
    53
    Location:
    Hồ Chí Minh
    Re: Pre ConradJohnson by 818design

    Chào các bác !
    Trong quá trình DIY pre818 của bác Quang Hào em cảm thấy rất tâm đắc với chất âm của nó mang lại, cảm ơn bác Hào đã tạo ra sân chơi cho các anh em trên diễn đàn.
    Nay em có 1 vấn đề nhỏ muốn tham khảo ý kiến các bác :
    - Chắc chắn chúng ta sẽ có nhiều hơn 1 thiết bị đầu vào, như là CD, TAPE, TUNER... như vậy trong Pre phải dùng tới công tắc Switch để chọn kênh đầu vào. Như thế đi dây trong Pre sẽ bị dài ra có khả năng suy giảm tín hiệu, ù...
    - Nay em thử tự làm một mạch nho nhỏ đóng mở tuần tự từng relay(để chọn kênh đầu vào) chỉ bằng một nút nhấn (có thể mở rộng ra tới 10 relay tuần tự).
    Mong các bác góp ý thêm cho em về vấn đề này với.
    Chúc các bác vui !
     
  16. audiophile9002

    audiophile9002 Advanced Member

    Joined:
    1/3/09
    Messages:
    1.400
    Likes Received:
    5
    Location:
    Eo ơi ! Hà Lội fố..
    Re: Pre ConradJohnson by 818design

    :D
     
  17. PhanTran

    PhanTran Advanced Member

    Joined:
    5/2/07
    Messages:
    2.160
    Likes Received:
    239
    Re: Pre ConradJohnson by 818design

    Nguồn dùng đèn em lắp cũng ổn mà, mỗi tội hao công suất nguồn và tốn kém hơn thôi, bác lại bảo ung thư thì mất quan điểm quá. Tuy nhiên về cá nhân thì em cũng thích dùng nguồn ổn áp bán dẫn cho pre này hơn, em thấy gọn nhẹ và độ ổn định cao hơn. Trước đây em cũng đã thử với nguồn ổn áp do bác DIY Lover thiết kế nhưng không thành công (do người lắp dở :oops: ), hi vọng lần này sẽ khác, nếu Giời thương cho không xảy ra cháy nổ gì thì ngày mai em sẽ được nghe pre 818 với bo nguồn do bác NoBG gửi tặng.
     
  18. quanghao

    quanghao Advanced Member

    Joined:
    30/10/06
    Messages:
    7.598
    Likes Received:
    321
    Location:
    Thành Công
    Re: Pre ConradJohnson by 818design

    Ok Bác làm thử xem! cái này khỏi cần selector! Nhưng quan trọng là linh kiện để chuyển mạch!
     
  19. hailedinh80

    hailedinh80 Advanced Member

    Joined:
    10/12/08
    Messages:
    150
    Likes Received:
    53
    Location:
    Hồ Chí Minh
    Re: Pre ConradJohnson by 818design

    Ok Bác làm thử xem! cái này khỏi cần selector! Nhưng quan trọng là linh kiện để chuyển mạch![/quote]

    Hình chụp trên là bản demo em đã làm và chạy thử, toàn những linh kiện dể kiếm và thông dụng cả bác ạ. (ráp toàn mạch chưa tới 50K :D )
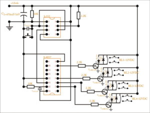
    Còn đây là sơ đồ nguyên lí, mời bác xem qua :
     

    Attached Files:

  20. DTH

    DTH Advanced Member

    Joined:
    4/3/08
    Messages:
    78
    Likes Received:
    10
    Re: Pre ConradJohnson by 818design

    Vâng ! em hoàn toàn đồng ý kiến với bác Hào.
    - Em cũng cùng sở thích với bác : Đèn 6H30.
    - Em cũng từng làm chuột cho sự đam mê này,Và đã trả giá rất nhiều, Từ Pre 1 Tube 6h30 đến 2 tube6H30 rồi lại 3 và cuối cùng là Pre 818 với 4 tube 6H30 mắc //, Từ 818 Seri 1 đến 818 SR.
    - Em cũng đã từng thử pre này với nhiều nguồn khác nhau, kể cả nguồn bán dẫn.
    Em xin mạn phép có một số ý kiến qua kinh nghiệm mà em đã lọ mọ trải qua hơn 1 năm nay để các bác mới chơi có cơ hội chọn lựa :
    1. Mạch Pre rất đơn giản và là mạch căn bản, chuẩn mực rồi, không còn gì để bàn. chất lượng âm thanh chỉ còn phụ thuộc vào linh kiện tụ, trở, đèn. Số linh kiện này không nhiều, dễ kiếm, chất lượng còn phụ thuộc vào túi tiền. Để đạt đến đỉnh thì chi phí tối đa khoảng 200~300k.
    2. Phần nguồn có rất nhiều chọn lựa :
    - Bác nào mới nhập môn, chưa biết nhiều về điện tử nên chọn nguồn bán dẫn, vừa dễ làm, mạch đơn giản, chi phí thấp, và nhất là dễ thành công, chất lượng âm thanh đã rất khá rồi, không ù hum, âm thanh sạch sẽ, tách bạch ( chắc chắn hay hơn đồ hãng tầm tầm ).
    - Bác nào ngoại đạo nhưng có đam mê âm thanh Tube, và có chút ít kiến thức căn bản như em ( biết ông Ohm ) thì làm nguồn đèn tube cũng là một lựa chọn tốt ( ví dụ như nguồn SR của bác Hào ), Nguồn này hơi khó làm một chút, nhưng đã làm tới rồi thì đúng là không hổ danh SR. Em đã tính toán điều chỉnh lại các thông số linh kiện và điện áp sử dụng cho mạch này. Kết quả cho âm thanh có chất lượng rất cao, vượt trội hơn hẳn ậm thanh của các loại nguồn khác mà em đã thử : Âm thanh đều ở cả 3 giải . Không còn độ cứng, chói gắt của dải tần trung, cao, giải thấp bass rất mềm và xuống thật sâu, và rất êm không bị tức ngực, nghe lâu không bị mệt, và nhất là có được sự quyến rũ của âm nhạc, đã nghe rồi thì không muốn tắt máy, không muốn đị nghỉ.( mặc dù em đang dùng Pow SS )
    Em hơi ngạc nhiên khi có bác đã kết luận nguồn SR như mợt căn bệnh ung thư và hết thuốc chữa. Có thể là các bác làm chưa tới được thôi ( vì khó cân chỉnh )
    Vài lời chia sẻ cùng các bác.
     
  21. quanghao

    quanghao Advanced Member

    Joined:
    30/10/06
    Messages:
    7.598
    Likes Received:
    321
    Location:
    Thành Công
    Re: Pre ConradJohnson by 818design

    Vâng ! em hoàn toàn đồng ý kiến với bác Hào.
    - Em cũng cùng sở thích với bác : Đèn 6H30.
    - Em cũng từng làm chuột cho sự đam mê này,Và đã trả giá rất nhiều, Từ Pre 1 Tube 6h30 đến 2 tube6H30 rồi lại 3 và cuối cùng là Pre 818 với 4 tube 6H30 mắc //, Từ 818 Seri 1 đến 818 SR.
    - Em cũng đã từng thử pre này với nhiều nguồn khác nhau, kể cả nguồn bán dẫn.
    Em xin mạn phép có một số ý kiến qua kinh nghiệm mà em đã lọ mọ trải qua hơn 1 năm nay để các bác mới chơi có cơ hội chọn lựa :
    1. Mạch Pre rất đơn giản và là mạch căn bản, chuẩn mực rồi, không còn gì để bàn. chất lượng âm thanh chỉ còn phụ thuộc vào linh kiện tụ, trở, đèn. Số linh kiện này không nhiều, dễ kiếm, chất lượng còn phụ thuộc vào túi tiền. Để đạt đến đỉnh thì chi phí tối đa khoảng 200~300k.
    2. Phần nguồn có rất nhiều chọn lựa :
    - Bác nào mới nhập môn, chưa biết nhiều về điện tử nên chọn nguồn bán dẫn, vừa dễ làm, mạch đơn giản, chi phí thấp, và nhất là dễ thành công, chất lượng âm thanh đã rất khá rồi, không ù hum, âm thanh sạch sẽ, tách bạch ( chắc chắn hay hơn đồ hãng tầm tầm ).
    - Bác nào ngoại đạo nhưng có đam mê âm thanh Tube, và có chút ít kiến thức căn bản như em ( biết ông Ohm ) thì làm nguồn đèn tube cũng là một lựa chọn tốt ( ví dụ như nguồn SR của bác Hào ), Nguồn này hơi khó làm một chút, nhưng đã làm tới rồi thì đúng là không hổ danh SR. Em đã tính toán điều chỉnh lại các thông số linh kiện và điện áp sử dụng cho mạch này. Kết quả cho âm thanh có chất lượng rất cao, vượt trội hơn hẳn ậm thanh của các loại nguồn khác mà em đã thử : Âm thanh đều ở cả 3 giải . Không còn độ cứng, chói gắt của dải tần trung, cao, giải thấp bass rất mềm và xuống thật sâu, và rất êm không bị tức ngực, nghe lâu không bị mệt, và nhất là có được sự quyến rũ của âm nhạc, đã nghe rồi thì không muốn tắt máy, không muốn đị nghỉ.( mặc dù em đang dùng Pow SS )
    Em hơi ngạc nhiên khi có bác đã kết luận nguồn SR như mợt căn bệnh ung thư và hết thuốc chữa. Có thể là các bác làm chưa tới được thôi ( vì khó cân chỉnh )
    Vài lời chia sẻ cùng các bác.[/quote]

    Ok! Bác DHt nói hoàn toàn chính xác. Song không hẳn là nguồn Bán dẫn không tốt bằng nguồn dùng đèn mà theo em đó là sở thích và sự lựa chọn của mỗi người mà thôi! Nguồn bán đã cho Pre 818 em đã làm cả chục cái rùi, Bộ nguồn gồm: sr và shunt dùng hoàn toàn bán dẫn em cũng đã kinh qua và hiện nay vẫn đang dùng- Em rất thích nó- mỗi tội tản nhiệt cho nó phải to quá cơ!
    Còn nguồn dùng đèn em khoái hơn và nhất là nguồn Shunt vừa rồi làm, nhưng nó quá khó sử lý nên làm cho nhiều Bác phải đau đầu! Em đã và Đang nghiên làm một bộ nguồn đặc biệt dành cho Pre 818 ( vừa dễ làm vừa dễ thành công và cho âm thanh chất lượng cao, Em sẽ trình làng trong một ngày nào đó đẹp trời!!! :D
     
  22. khuehn

    khuehn Advanced Member

    Joined:
    12/10/06
    Messages:
    5.241
    Likes Received:
    50
    Location:
    Ha noi
    Re: Pre ConradJohnson by 818design

    Cái mạch của Bác lắp rất hay, mình định làm thử nhờ bác chỉ cho con IC 4017 ký hiệu đầy đủ của nó như thế nào, nếu không có con BC547 thì thay tương đương bằng con nào thông dụng, cám ơn bác trước nha :p
    Hình chụp trên là bản demo em đã làm và chạy thử, toàn những linh kiện dể kiếm và thông dụng cả bác ạ. (ráp toàn mạch chưa tới 50K :D )
    Còn đây là sơ đồ nguyên lí, mời bác xem qua :[/quote]
     
  23. VQ_audio

    VQ_audio Advanced Member

    Joined:
    13/7/06
    Messages:
    9.261
    Likes Received:
    28
    Re: Pre ConradJohnson by 818design

    Hình chụp trên là bản demo em đã làm và chạy thử, toàn những linh kiện dể kiếm và thông dụng cả bác ạ. (ráp toàn mạch chưa tới 50K :D )
    Còn đây là sơ đồ nguyên lí, mời bác xem qua :[/quote]
    Ui , cái xê ma của bác hay wé :) con 4017 em vuỡn còn sót 1 chú từ thời xưa , con clock 555 hình như bác xài loại CMOS như kiểu NE7555 mới chạy đc nguồn +12V còn loại 555 trơn chỉ xài nguồn +5V thui ?
     
  24. hailedinh80

    hailedinh80 Advanced Member

    Joined:
    10/12/08
    Messages:
    150
    Likes Received:
    53
    Location:
    Hồ Chí Minh
    Re: Pre ConradJohnson by 818design

    Ui , cái xê ma của bác hay wé :) con 4017 em vuỡn còn sót 1 chú từ thời xưa , con clock 555 hình như bác xài loại CMOS như kiểu NE7555 mới chạy đc nguồn +12V còn loại 555 trơn chỉ xài nguồn +5V thui ?[/quote]

    Vâng ạ, em dùng con NE555, nên power supply sẽ dao động trong tầm 4.5v - 16v.
     
  25. audiophile9002

    audiophile9002 Advanced Member

    Joined:
    1/3/09
    Messages:
    1.400
    Likes Received:
    5
    Location:
    Eo ơi ! Hà Lội fố..
    Re: Pre ConradJohnson by 818design

    ///////
     

Share This Page

Loading...