Pre818 -Hướng dẫn làm HQHV shunt trang 123

Discussion in 'Đèn điện tử' started by quanghao, 13/10/08.

  1. meoden

    meoden Advanced Member

    Joined:
    13/9/08
    Messages:
    311
    Likes Received:
    2
    Location:
    Hà nội
    Re: Pre ConradJohnson - Pre818

    Lần này tôi đợi kết quả cuối cùng về bo mới rồi mới quyết chiến tiếp hay không
    Mạch nguồn bán dẫn thì dám (chắc ít xiền)
     
  2. PhanTran

    PhanTran Advanced Member

    Joined:
    5/2/07
    Messages:
    2.160
    Likes Received:
    239
    Re: Pre ConradJohnson - Pre818

    ặc ặc, mạch thế kia mà bảo rẻ. Linh kiện nhiều như quân Nguyên, em tính riêng mớ tụ hoá thôi, nếu chơi tụ mới loại tốt đã gần 2M rồi.
     
  3. mesl45

    mesl45 Advanced Member

    Joined:
    20/6/07
    Messages:
    2.587
    Likes Received:
    25
    Location:
    Hà nội - Thành viên Xã đoàn gầm cầu
    Re: Pre ConradJohnson - Pre818

    chưa làm đã kêu à cụ, máu lên đê
     
  4. DragonVU

    DragonVU Advanced Member

    Joined:
    6/4/08
    Messages:
    56
    Likes Received:
    0
    Location:
    Q7, TP.HCM
    Re: Pre ConradJohnson - Pre818

    Nhìn phê quá!!! :D Hoàn chỉnh để anh em update Pre 818 đê!!!!
     
  5. ducanhle

    ducanhle Advanced Member

    Joined:
    21/6/07
    Messages:
    1.704
    Likes Received:
    3
    Re: Pre ConradJohnson - Pre818

    Bác quang hao cho em hỏi đây là mạch bác mới thiết kế?? Bác đã ráp chạy thử theo mạch này chưa nếu có bác show hàng cho ae mừng.
     
  6. quanghao

    quanghao Advanced Member

    Joined:
    30/10/06
    Messages:
    7.598
    Likes Received:
    321
    Location:
    Thành Công
    Re: Pre ConradJohnson - Pre818

    vâng em đang chạy rùi mà! cái này để chơi thôi! cá bác làm nó tốn xiền lém! tới cả thảy 8 đèn đó ợ!
    :D
     
  7. meoden

    meoden Advanced Member

    Joined:
    13/9/08
    Messages:
    311
    Likes Received:
    2
    Location:
    Hà nội
    Re: Pre ConradJohnson - Pre818

    Đèn gì vậy bác QH ơi, có sơ đồ không?
     
  8. audiophile9002

    audiophile9002 Advanced Member

    Joined:
    1/3/09
    Messages:
    1.400
    Likes Received:
    5
    Location:
    Eo ơi ! Hà Lội fố..
    Re: Pre ConradJohnson - Pre818

    Em không sợ đắt mà chỉ kinh nhất là...ù và kêu không hay thôi!
    Cố lên bác QH ời, rất đông ae đang đứng trong bụi rậm chờ bác đó.
    Trong khi rình, tốt nhất là e xin phép đến quấy rầy bác QH một bữa, có được hông ạ? :D
     
  9. quanghao

    quanghao Advanced Member

    Joined:
    30/10/06
    Messages:
    7.598
    Likes Received:
    321
    Location:
    Thành Công
    Re: Pre ConradJohnson - Pre818

    đèn này chắc chắn rất rẻ nhưng em không cho lên vì sợ như lần trước giá đèn sẽ tăng! hi hi
     
  10. quanghao

    quanghao Advanced Member

    Joined:
    30/10/06
    Messages:
    7.598
    Likes Received:
    321
    Location:
    Thành Công
    Re: Pre ConradJohnson - Pre818

    Đây bác nha
     

    Attached Files:

  11. quanghao

    quanghao Advanced Member

    Joined:
    30/10/06
    Messages:
    7.598
    Likes Received:
    321
    Location:
    Thành Công
    Re: Pre ConradJohnson - Pre818


    Bác còn nghi ngờ thì chơi cái mạch nguồn bán dẫn này nhé! Làm rồi sẽ thấy
     
  12. quanghao

    quanghao Advanced Member

    Joined:
    30/10/06
    Messages:
    7.598
    Likes Received:
    321
    Location:
    Thành Công
    Re: Pre ConradJohnson - Pre818

    Hay thì phải thử mới biết. Ù xì là lẽ đương nhiên, cao thủ còn táy bo nữ là! :) :)

    Ok! rảnh mời bác qua em ! :D :D
     
  13. DIY-lover

    DIY-lover Advanced Member

    Joined:
    12/8/07
    Messages:
    7.338
    Likes Received:
    87
    Location:
    TBG - HCMC
    Re: Pre ConradJohnson - Pre818

    Cho phép Em xí xọn tí nha :) :
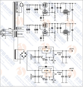
    Mạch ổn áp cao áp bán dẫn này Bác Hào chạy bao nhiêu Volt vậy, Em thấy các giá trị điện trở và mạch nguyên lý chưa ổn lắm.
     
  14. quanghao

    quanghao Advanced Member

    Joined:
    30/10/06
    Messages:
    7.598
    Likes Received:
    321
    Location:
    Thành Công
    Re: Pre ConradJohnson - Pre818

    Cho phép Em xí xọn tí nha :) :
    Mạch ổn áp cao áp bán dẫn này Bác Hào chạy bao nhiêu Volt vậy, Em thấy các giá trị điện trở và mạch nguyên lý chưa ổn lắm.[/quote]
    Bác hỏi mạch dùng đèn hay bán dẫn a??
     
  15. quanghao

    quanghao Advanced Member

    Joined:
    30/10/06
    Messages:
    7.598
    Likes Received:
    321
    Location:
    Thành Công
    Re: Pre ConradJohnson - Pre818

    [quote="DIY-lover"

    Cho phép Em xí xọn tí nha :) :
    Mạch ổn áp cao áp bán dẫn này Bác Hào chạy bao nhiêu Volt vậy, Em thấy các giá trị điện trở và mạch nguyên lý chưa ổn lắm.[/quote][/quote][/quote]

    Em chạy từ 160- 200 v out Bác ạ!
    À mà bác thấy chỗ nào chưa ổn xin chỉ giáo cho em! Thank bác nhiều!
     
  16. DIY-lover

    DIY-lover Advanced Member

    Joined:
    12/8/07
    Messages:
    7.338
    Likes Received:
    87
    Location:
    TBG - HCMC
    Re: Pre ConradJohnson - Pre818


    - Chỗ cực Gate con mosfet đầu tiên có một nét đứt, hình như là con BJT PNP ? :wink:
    - Chỗ con trở 100k/2W BC560 hình như hơi bị lớn, không biết mạch có chạy được không ? Bác tính lại thử xem
    - Dùng BC560 chỗ đó khi mạch khởi động nó phải chịu áp 160 - 200V thì không an toàn tí nào, quá trình quá độ sẽ đánh thủng con BC560, nên thay = con MSPA92.
    - Con trở 2.2k chỗ con MSPA92 nên thay con lớn hơn khoảng 4.7k, khi đó CS tiêu tán trên con MSPA92 tầm dưới 0.2W thì mới an toàn lâu dài (theo datasheets cùa MSPA92 thì Ptot max ~ 0.6W) mà hàng tàu thì khó mà đạt được như datasheets.
    Em chỉ nhòm lướt qua thấy sơ vậy thôi, nếu Bác có cái mạch đầy đủ thì góp ý dễ hơn.
     
  17. quanghao

    quanghao Advanced Member

    Joined:
    30/10/06
    Messages:
    7.598
    Likes Received:
    321
    Location:
    Thành Công
    Re: Pre ConradJohnson - Pre818

    - Chỗ cực Gate con mosfet đầu tiên có một nét đứt, hình như là con BJT PNP ? :wink:
    - Chỗ con trở 100k/2W BC560 hình như hơi bị lớn, không biết mạch có chạy được không ? Bác tính lại thử xem
    - Dùng BC560 chỗ đó khi mạch khởi động nó phải chịu áp 160 - 200V thì không an toàn tí nào, quá trình quá độ sẽ đánh thủng con BC560, nên thay = con MSPA92.
    - Con trở 2.2k chỗ con MSPA92 nên thay con lớn hơn khoảng 4.7k, khi đó CS tiêu tán trên con MSPA92 tầm dưới 0.2W thì mới an toàn lâu dài (theo datasheets cùa MSPA92 thì Ptot max ~ 0.6W) mà hàng tàu thì khó mà đạt được như datasheets.
    Em chỉ nhòm lướt qua thấy sơ vậy thôi, nếu Bác có cái mạch đầy đủ thì góp ý dễ hơn.[/quote]

    Ok! bác đúng là cao thủ về nguồn Bán dẫn!
    Thank
     
  18. quanghao

    quanghao Advanced Member

    Joined:
    30/10/06
    Messages:
    7.598
    Likes Received:
    321
    Location:
    Thành Công
  19. meoden

    meoden Advanced Member

    Joined:
    13/9/08
    Messages:
    311
    Likes Received:
    2
    Location:
    Hà nội
    Re: Pre ConradJohnson - Pre818

    Trên bo mạch dùng 8 đèn, trên so đồ sao có 6 thôi bác QH ơi
     
  20. quanghao

    quanghao Advanced Member

    Joined:
    30/10/06
    Messages:
    7.598
    Likes Received:
    321
    Location:
    Thành Công
    Re: Pre ConradJohnson - Pre818

    2 đèn van em bỏ túi cất đi! bác ự! tất nhiên là có rùi! :D :D
     
  21. LinhTran

    LinhTran Advanced Member

    Joined:
    8/5/08
    Messages:
    173
    Likes Received:
    0
    Re: Pre ConradJohnson - Pre818

    Các bác đã có bác nào làm xong dự án này với phần nguồn Regu chưa ạ, có ai xong rồi thì show hàng cho bà con xem tý đi ạ. Em vẫn xếp xó cái dự án DIY này vì không biết mình trình độ non có làm xong được không đây. :( :(
     
  22. hailedinh80

    hailedinh80 Advanced Member

    Joined:
    10/12/08
    Messages:
    150
    Likes Received:
    53
    Location:
    Hồ Chí Minh
    Re: Pre ConradJohnson - Pre818

    Bác phải tự tin lên chứ, nếu trong quá trình làm có vấn đề gì thì mọi người trên này sẽ giúp bác mà. Còn nếu bác chưa làm thì nhượng lại cho em cái Pre818 - V2 để em thử làm Regulator bằng bán dân (theo sơ đồ của bác NoBG) xem có gì khác biệt so với regulator bằng đèn em đang dùng không :D :D
     
  23. pc_chip

    pc_chip Advanced Member

    Joined:
    18/12/05
    Messages:
    5.042
    Likes Received:
    740
    Location:
    THỦ ĐỨC GROUP
    Re: Pre ConradJohnson - Pre818

    Em đang mod lại cái pre V2 này dùng phương án nguồn lai:

    Phần regu đốt tim cưa cái board nguồn phần LT1083 của bác Quanghao ra dùng lại (em chưa từng cưa cái PCB nào mà thấy nó cứng như cưa nhôm như vậy: cưa xong thấy vàng ở 2 mặt nó tòi ra mà thèm! hihi)

    Phần cao áp nắn bằng đèn 5U4G, qua choke rồi regu bằng board bán dẫn của bác NoBG.

    Hy vọng trong 1, 2 hôm nữa xong mà không trục trặc gì thì em sẽ báo cáo kết quả để các bác có thêm một phương án tham khảo.
     
  24. audiophile9002

    audiophile9002 Advanced Member

    Joined:
    1/3/09
    Messages:
    1.400
    Likes Received:
    5
    Location:
    Eo ơi ! Hà Lội fố..
    Re: Pre ConradJohnson - Pre818

    Đề nghị bác HAILEDINH cho em mượn con Rề-818 để về em gắn nó vào Pow L-550 và Speaker Altec Lansing 8 xem sao?

    Nếu bác đồng ý, bác ở đâu em đến rước cả bác lẫn Rề ? :D
     
  25. hailedinh80

    hailedinh80 Advanced Member

    Joined:
    10/12/08
    Messages:
    150
    Likes Received:
    53
    Location:
    Hồ Chí Minh
    Re: Pre ConradJohnson - Pre818

    Đề nghị bác HAILEDINH cho em mượn con Rề-818 để về em gắn nó vào Pow L-550 và Speaker Altec Lansing 8 xem sao?

    Nếu bác đồng ý, bác ở đâu em đến rước cả bác lẫn Rề ? :D[/quote]
    Cám ơn bác đã tín nhiệm :lol: Thật sự em cũng muốn đem qua bác thử Rề của em lắm lắm...vì em mới bước mon men vào lãnh vực này nên các thiết bị không được chuẩn và đồng bộ để test thử chất lượng em Rề này ( chủ yếu em chỉ kiểm tra thông số bằng đo đạc ) nhưng dự án của em hiện đang còn dang dở, chưa gắn vào chassis nữa. Em hứa lúc nào xong sẽ đem qua bác thử :)
     

Share This Page

Loading...