Ráp amply đèn SEPP ăn Tết

Discussion in 'Đèn điện tử' started by HaiLua, 28/12/10.

  1. Hamcq

    Hamcq Advanced Member

    Joined:
    6/12/05
    Messages:
    874
    Likes Received:
    6

    Attached Files:

  2. SixL6

    SixL6 Advanced Member

    Joined:
    10/9/06
    Messages:
    2.257
    Likes Received:
    13
    Location:
    THỦ ĐỨC GROUP
    Cái mạch thứ 2 hình như loa là 400 ohm ? Nếu đúng vậy thì đèn em có mà loa em hỏng có. Bác HaiLua có loa 400 ohm không ? Nếu có thì em ráp amply còn bác cho em mượn loa :D
     
  3. mrseven

    mrseven Advanced Member

    Joined:
    28/10/09
    Messages:
    3.646
    Likes Received:
    5
    Em thấy bác Hai có loa 280 ohms , nếu vậy có thể nối tiếp 2 loa nghe được đó :roll:
     
  4. garbolino

    garbolino Advanced Member

    Joined:
    28/3/07
    Messages:
    6.862
    Likes Received:
    11
    Location:
    ZVL Skalica
    Các cụ hăng quá, nhưng em vẫn bảo lưu ý kiến, cái này ...... khó làm lắm :mrgreen:
     
  5. thanhgv

    thanhgv Advanced Member

    Joined:
    12/2/09
    Messages:
    66
    Likes Received:
    0
    Location:
    Đến từ Q12
    Em đang theo dõi,len lén đu theo lỡ mua được cặp làm nghe thử xem sao. :)
     
  6. ssass

    ssass Advanced Member

    Joined:
    12/8/07
    Messages:
    4.557
    Likes Received:
    94
    em nhớ ngày xưa Lão Đại từng xúi em làm 6H6 PP theo kiểu này , lúc đó em như vịt nghe sấm , có biết gì đâu :mrgreen: .
     
  7. Hamcq

    Hamcq Advanced Member

    Joined:
    6/12/05
    Messages:
    874
    Likes Received:
    6
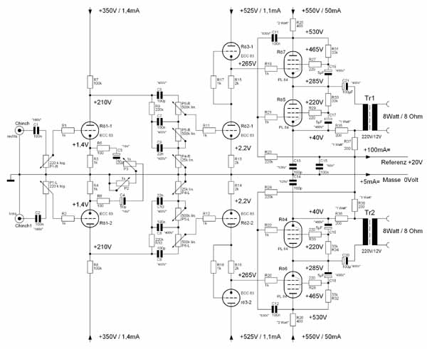
    Mạch Nhựt Bổn có boostrap nên ra được khoảng 8 watts. Mâý mạch kia khoảng 5 watts trở lại. Nếu không có loa 400 Ohm thì quấn một cái BA tự ngẫu cũng dễ
    @ mr7: có một mạch của Dehan chaỵ 1 cặp EL36 ra 17 watts. Mạch hơi phức tạp nên lão Ham ko post lên
     
  8. nonew

    nonew Advanced Member

    Joined:
    12/12/05
    Messages:
    703
    Likes Received:
    2
    Location:
    Gò-Vấp, Sài-Gòn
  9. garbolino

    garbolino Advanced Member

    Joined:
    28/3/07
    Messages:
    6.862
    Likes Received:
    11
    Location:
    ZVL Skalica

    Rồi, xong, cụ vưà đưa em ..... lên dĩa :lol: :oops: :mrgreen:
     
  10. nhan_nut_bien

    nhan_nut_bien Advanced Member

    Joined:
    8/12/05
    Messages:
    997
    Likes Received:
    7
    Nhờ làm con rể bà Chiến nên thừa kế ngai vàng
     
  11. ssass

    ssass Advanced Member

    Joined:
    12/8/07
    Messages:
    4.557
    Likes Received:
    94
    em chưa thấy cái nào vừa bao thuốc lá :cry: .
     
  12. dungphuong79

    dungphuong79 Advanced Member

    Joined:
    25/3/09
    Messages:
    763
    Likes Received:
    6
    Location:
    TPHCM
  13. conde

    conde Advanced Member

    Joined:
    6/12/08
    Messages:
    274
    Likes Received:
    0
    Location:
    GV-TPHCM
    Mạch này được đó Dũng để tết này mình đưa Dũng qua 175 làm nha
     
  14. dungphuong79

    dungphuong79 Advanced Member

    Joined:
    25/3/09
    Messages:
    763
    Likes Received:
    6
    Location:
    TPHCM
    Áp cao quá à,thôi mạch này vậy http://www.jogis-roehrenbude.de/Leserbr ... 86/Amp.png
    Em thay EL86/6cw5 bằng PL84/15cw5 được chứ các bác?
     
  15. Listen_by_heart

    Listen_by_heart Advanced Member

    Joined:
    5/12/05
    Messages:
    3.855
    Likes Received:
    11
    Location:
    Gò Vấp - Sài Gòn.
    Em lạy vua dự án, cả 2 link vua cho em đều thấy cái này:
     

    Attached Files:

  16. HaiLua

    HaiLua Advanced Member

    Joined:
    22/1/06
    Messages:
    1.872
    Likes Received:
    12
    Location:
    Go Vap-TPHCM
    Ý tác giả là ở chổ đó có tổng trở ra là 400 Ohm. Mình không có loa 400 thì kiếm cục BA để hạ trở kháng xuống thành 8 Ohm, em tính rợ vầy Square(400/8)= Tỉ số BA= U.Pri/U.sec.
    Vì không có thành phần DC trên OPT vì đã có tụ chặn DC rồi nên kích thước OPT cũng nhỏ xíu à, em đã từng thấy rồi...
     
  17. HaiLua

    HaiLua Advanced Member

    Joined:
    22/1/06
    Messages:
    1.872
    Likes Received:
    12
    Location:
    Go Vap-TPHCM
    Bác Nonew cho em hỏi cái tụ chặn DC được lắp sau cuộn dây OPT, mình có thể di chuyển lên trước OPT được không ạ.
     
  18. HaiLua

    HaiLua Advanced Member

    Joined:
    22/1/06
    Messages:
    1.872
    Likes Received:
    12
    Location:
    Go Vap-TPHCM
    Loa 280 Ohm RDC của em là loa phóng thanh, chuyên dành cho báo động, hát hò không giống con giáp nào hết :lol: .
     
  19. HaiLua

    HaiLua Advanced Member

    Joined:
    22/1/06
    Messages:
    1.872
    Likes Received:
    12
    Location:
    Go Vap-TPHCM
    Wait and see nhé cụ 8) :lol: thậm chí còn nhỏ hơn mà người ta hay nói là OPT bao diêm đó. Cụ thử hình dung xem cục trans 15-20VA nó bao lớn là biết ngay mà.
     
  20. nonew

    nonew Advanced Member

    Joined:
    12/12/05
    Messages:
    703
    Likes Received:
    2
    Location:
    Gò-Vấp, Sài-Gòn
     

    Attached Files:

  21. nonew

    nonew Advanced Member

    Joined:
    12/12/05
    Messages:
    703
    Likes Received:
    2
    Location:
    Gò-Vấp, Sài-Gòn
    Được quá đi chứ?
    Nhưng thực ra vị trí như trong sơ đồ là tốt hơn khi dùng các tụ hóa có vỏ nối mát.
     
  22. HaiLua

    HaiLua Advanced Member

    Joined:
    22/1/06
    Messages:
    1.872
    Likes Received:
    12
    Location:
    Go Vap-TPHCM
    Thì ra nó chính xác là OTL xuất bằng tụ rồi người ta gắn thêm cục Trans vô...
     
  23. HaiLua

    HaiLua Advanced Member

    Joined:
    22/1/06
    Messages:
    1.872
    Likes Received:
    12
    Location:
    Go Vap-TPHCM
    Nếu mình tìm được tụ MKP như trong hình thì gắn đâu cũng được vì vỏ bằng...nhựa...
     
  24. nonew

    nonew Advanced Member

    Joined:
    12/12/05
    Messages:
    703
    Likes Received:
    2
    Location:
    Gò-Vấp, Sài-Gòn
    Em nghĩ: nếu đặt cái biến áp này ngay tại thùng loa thì sẽ đỡ tốn tiền mua dây loa xịn mà chỉ cần cách điện tốt là được.
     
  25. datjbl

    datjbl Advanced Member

    Joined:
    17/6/10
    Messages:
    990
    Likes Received:
    1
    Location:
    The beginning of the Wind !
    Híc , thấy dự án này em lại nhớ mình có mấy cái OPT nhỏ như bao diêm , bác bày em up file ảnh trong diễn đàn này như thế nào mai em chụp rồi em đưa lên để bác tư vấn xem có theo dự án này được kô bác nha.
    Kính bác thỉnh thoảng dạo quay lại topic Mô phỏng bên kia để giúp chúng em với, bác hoạt động rộng quá kô biết đâu mà tìm nữa :D
    Em nhìn xuống dưới thấy chỗ có thể đưa File ảnh lên rồi , mà nó lạ lắm, vì vứt lay lóc, nay dọn kho tìm thấy nên chả nhớ nó ở đâu ra nữa
     

Share This Page

Loading...