Schematic Review

Discussion in 'Thư viện VNAV' started by GOHOME, 18/8/11.

  1. GOHOME

    GOHOME Advanced Member

    Joined:
    28/4/11
    Messages:
    1.443
    Likes Received:
    31
    :D
     

    Attached Files:

  2. GOHOME

    GOHOME Advanced Member

    Joined:
    28/4/11
    Messages:
    1.443
    Likes Received:
    31
    :D
     

    Attached Files:

  3. GOHOME

    GOHOME Advanced Member

    Joined:
    28/4/11
    Messages:
    1.443
    Likes Received:
    31
    :D
     

    Attached Files:

  4. tcqanh

    tcqanh Advanced Member

    Joined:
    11/9/07
    Messages:
    8.015
    Likes Received:
    92
    Location:
    Q3, Sài Gòn
    bàn về mach Cyber 211.

    trở anode bóng tầng đầu là 6.8k. có quá thấp chăng ? tương tự cho B+ có 90V cũng thấp quá ?
     
  5. GOHOME

    GOHOME Advanced Member

    Joined:
    28/4/11
    Messages:
    1.443
    Likes Received:
    31
    8.2 K bác , em nghỉ chạy được phía trước nó còn cái pre .
    Bác tham khảo
     

    Attached Files:

  6. tcqanh

    tcqanh Advanced Member

    Joined:
    11/9/07
    Messages:
    8.015
    Likes Received:
    92
    Location:
    Q3, Sài Gòn
    thường em thấy người ta dùng trở anod này ít nhất tầm >= 20-22k. nếu dùng tầng đầu ampli, cần gain cao trở này lên đến cả 100k.

    Ra của 6dj8 là bao nhiêu bác ơi ? tự dưng em quên mất tiêu :D
     
  7. GOHOME

    GOHOME Advanced Member

    Joined:
    28/4/11
    Messages:
    1.443
    Likes Received:
    31
    Tính toán 1 chút cho vui , hihi

    Bác vào đây : http://www.google.com.vn/url?sa=t&sourc ... 8KRvWunkTA
     
  8. GOHOME

    GOHOME Advanced Member

    Joined:
    28/4/11
    Messages:
    1.443
    Likes Received:
    31
    :D
     

    Attached Files:

  9. GOHOME

    GOHOME Advanced Member

    Joined:
    28/4/11
    Messages:
    1.443
    Likes Received:
    31
    :D
     

    Attached Files:

  10. GOHOME

    GOHOME Advanced Member

    Joined:
    28/4/11
    Messages:
    1.443
    Likes Received:
    31
    :D
     

    Attached Files:

  11. GOHOME

    GOHOME Advanced Member

    Joined:
    28/4/11
    Messages:
    1.443
    Likes Received:
    31
    :D
     

    Attached Files:

  12. GOHOME

    GOHOME Advanced Member

    Joined:
    28/4/11
    Messages:
    1.443
    Likes Received:
    31
    :D
     

    Attached Files:

  13. GOHOME

    GOHOME Advanced Member

    Joined:
    28/4/11
    Messages:
    1.443
    Likes Received:
    31
    :D
     

    Attached Files:

  14. GOHOME

    GOHOME Advanced Member

    Joined:
    28/4/11
    Messages:
    1.443
    Likes Received:
    31
    :D
     

    Attached Files:

  15. tranguyennguyen

    tranguyennguyen Advanced Member

    Joined:
    20/4/11
    Messages:
    3.529
    Likes Received:
    25
    Location:
    Hà Nội
    Cảm ơn bác go home :p
     
  16. GOHOME

    GOHOME Advanced Member

    Joined:
    28/4/11
    Messages:
    1.443
    Likes Received:
    31
    :D

    Hehe , lấy phần mấy cái đèn chắc làm pre được . Biến trở 2K để chỉnh gain .
     

    Attached Files:

  17. datjbl

    datjbl Advanced Member

    Joined:
    17/6/10
    Messages:
    990
    Likes Received:
    1
    Location:
    The beginning of the Wind !
    Thank bác GOHOME , có thế chứ , mình là dân kỹ thuật , nóng giận chút rồi thôi phải không bác ? Nếu bác có xê ma của các đèn pentode để làm preamp xin bác up lên cho em tham khảo với , chả là gần đây em có được mấy cao nhân mách cho làm preamp dùng loại đèn này cho âm thanh quyến rũ lắm , muốn thử xem sao , nhất là lại beam pentode đốt tim trực tiếp nữa đó , cao nhân mách cho em đang khuyến khích em làm và bắt em tự thiết kế mạch sau đó đem ra ông ấy kiểm tra , ổn mới cho đèn , mà đèn đó nhìn phát mê luôn .
    Bác cho em xin File nén xê ma bác đã up và sẽ up lên diễn đàn này vào email của em được không ạ , em sẽ chuyển nó sang file PDF để làm tài liệu ngâm cứu . Một lần nữa rất vui khi thấy bác quay lại cùng diễn đàn :D Have nice today !
     
  18. GOHOME

    GOHOME Advanced Member

    Joined:
    28/4/11
    Messages:
    1.443
    Likes Received:
    31
    Chào bác , mình sưu tầm được schematic amplifier khoãng 100 loại đèn ( đã xếp theo loại đèn ) nếu tính luôn pre và phono thì có hơn 1500 schematic . Mình đang tìm cách up vào Tàng kinh các để Anh Em sử dụng chung .
    Về pre sử dụng đèn 5 cực bạn có loại nào thì mình post lên cho . cái này nghe rất khá :
     

    Attached Files:

    • E55L.jpg
      E55L.jpg
      File size:
      52,6 KB
      Views:
      1.419
  19. datjbl

    datjbl Advanced Member

    Joined:
    17/6/10
    Messages:
    990
    Likes Received:
    1
    Location:
    The beginning of the Wind !
    Bác GOHOME kính !
    Em dùng đèn 5A6 bác ạ , chỉ có 1 cặp duy nhất nên tính tìm xê ma nào thật ưng ý với yêu cầu :- Trở kháng ra nhỏ : dễ phối ghép với nhiều loại amp ( Bác có pm , bác kiểm tra giúp em)
    Em cảm ơn bác nhiều ! Chúc bác vui !
     
  20. GOHOME

    GOHOME Advanced Member

    Joined:
    28/4/11
    Messages:
    1.443
    Likes Received:
    31
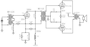
    WE82A-3 ( mod lại ) amplifier cho nhà giàu :D các bạn xem mạch :
    - Trạng thái DC : R4 và R5 phân cực tự động cho đèn VT-25A ( hồn ai nấy giử ) .
    - Trạng thái AC : C10 coi như nối tắt , R4//R5 =>.... đầy nghệ thuật . :D
     

    Attached Files:

  21. tcqanh

    tcqanh Advanced Member

    Joined:
    11/9/07
    Messages:
    8.015
    Likes Received:
    92
    Location:
    Q3, Sài Gòn
    khà khà, việc tính toán đã có Tube Cad làm rồi... mình chỉ cần nhập số vào là ok. em thường dùng phần mềm này cho việc design các đồ em ráp.

    bác vẫn chưa giúp em trả lời câu hỏi phía trên :wink:
     
  22. GOHOME

    GOHOME Advanced Member

    Joined:
    28/4/11
    Messages:
    1.443
    Likes Received:
    31

    Where:
    Ra = the total load resistance, which is Rp in parallel with the input resistance of the next stage, Rl. If there is no Rl, as in this case, Ra = Rp.

    Hihi phải Ra này không bác ?
     

    Attached Files:

  23. LoD

    LoD Advanced Member

    Joined:
    15/3/11
    Messages:
    651
    Likes Received:
    57
    chào bác GOHOME chẳng là em có khoảng 10 em đèn pentode 2DF4 bác có mạch ứng dụng của em nó cho em xin nhé......cám ơn bác nhiều
     
  24. tcqanh

    tcqanh Advanced Member

    Joined:
    11/9/07
    Messages:
    8.015
    Likes Received:
    92
    Location:
    Q3, Sài Gòn
    không phải bác ạ.

    ý em hỏi là Ra = trở kháng anode nội tại của đèn. thường thì khi làm ampli, người ta phải biết trở kháng Ri internal resistance này để chọn trở kháng tải plate load resistance. theo em biết, trở kháng nội tại này thay đổi theo áp anode và dòng qua nó. nếu hãng nào tốt bụng, họ sẽ đưa đáp tuyến đường cong này cho anh em tính toán :D
     
  25. cuongnm

    cuongnm Advanced Member

    Joined:
    28/5/09
    Messages:
    2.502
    Likes Received:
    11
    Location:
    HLGA - GẦM...
    cái này ko phải là 1 hằng số
    qanh hiểu chưa đúng bản chất của vấn đề , giải thích nôm na thế này cho dễ hiểu nhé : coi cái bóng 3 cực như .. cái van nước đi thì g1 chính là tay van , A K là 2 đầu van .vậy nước chảy qua ít hay nhiều phụ thuộc vào tay van ,chính là cái áp lưới khiển g1 . thường thì Rin giảm khi lưới khiển có xu hướng tiến về o vôn .
    vd con 6n23 tại g1 = -0,5v . va 70v . Ia 15 mA . nội trở tại điểm làm việc này là .... :lol:
    tự tính đi :lol:
     

Share This Page

Loading...