Schematic Review

Discussion in 'Thư viện VNAV' started by GOHOME, 18/8/11.

  1. GOHOME

    GOHOME Advanced Member

    Joined:
    28/4/11
    Messages:
    1.443
    Likes Received:
    30
    EL84 PP của xã Gầm theo em là ok rồi , còn phối ghép với Klipsch có hợp không Bác nên gỏ cửa các cụ bên Fan club nhờ tư vấn . :)

    Mạch loại này trên mạng dể kiếm mà ! Bác mod lại theo data 6H8 , 6P3C-E là có sơ đồ của Nga liền .
     
  2. huyhoanghp96

    huyhoanghp96 Advanced Member

    Joined:
    7/7/11
    Messages:
    3.818
    Likes Received:
    8
    Location:
    HBG198 = beer + ghẹ
    Em search nhưng chỉ ra sơ đồ guitar, và sơ đồ 6H9. Để em tìm lại, Thanks bác chủ nhiều :D
     
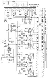
  3. GOHOME

    GOHOME Advanced Member

    Joined:
    28/4/11
    Messages:
    1.443
    Likes Received:
    30
    Bác vào Google dịch từ tiếng Anh qua Nga sau đó copy mà search , vd : 6p3c усилителя ( amplifier 6p3c ) .
     

    Attached Files:

  4. lenamit

    lenamit Advanced Member

    Joined:
    1/6/08
    Messages:
    2.444
    Likes Received:
    11
    Location:
    Có nắng , có gió , không có cái đó
    Sơ đồ này search theo cách bác chủ bày nè @ huyhoang96 6П3C-E 6H9C 6H8C
    http://constructions.f6fkn.com/6p3s-e/6p3s-e-ampli.jpg
     
  5. huyhoanghp96

    huyhoanghp96 Advanced Member

    Joined:
    7/7/11
    Messages:
    3.818
    Likes Received:
    8
    Location:
    HBG198 = beer + ghẹ
    Thanks bác chủ và anh Mít nhiều. Để em tìm lại thử sơ đồ SE :D
     
  6. GOHOME

    GOHOME Advanced Member

    Joined:
    28/4/11
    Messages:
    1.443
    Likes Received:
    30
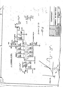
    Gửi các cụ pre SA2SM Counterpoint , phần bias - theo em - có thể áp dụng cho pre 818 .
     

    Attached Files:

    • bias.jpg
      bias.jpg
      File size:
      130 KB
      Views:
      751
    • pre.jpg
      pre.jpg
      File size:
      102,4 KB
      Views:
      747
    • psu.jpg
      psu.jpg
      File size:
      139,5 KB
      Views:
      740
  7. GOHOME

    GOHOME Advanced Member

    Joined:
    28/4/11
    Messages:
    1.443
    Likes Received:
    30
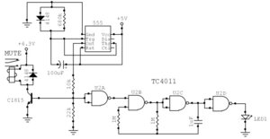
    Gửi cho các bác không có ... loa . :D
    Một sản phẩm của NVS .
     

    Attached Files:

  8. huyhoanghp96

    huyhoanghp96 Advanced Member

    Joined:
    7/7/11
    Messages:
    3.818
    Likes Received:
    8
    Location:
    HBG198 = beer + ghẹ
    Cám ơn bác GOHOME nhiều đã chia sẻ tài liệu hay :D
    Bác cho em hỏi, cây 8FQ7/8CG7 có tương đương 6H6/6H30/6CG7 không ạ. Cám ơn bác nhiều :D
     
  9. will

    will Advanced Member

    Joined:
    26/4/06
    Messages:
    2.377
    Likes Received:
    14
    Location:
    Bien Hoa
    Headphone NVS này em đã nghe qua. Rất hay!
    * kg thấy thông số điện áp!?
     
  10. GOHOME

    GOHOME Advanced Member

    Joined:
    28/4/11
    Messages:
    1.443
    Likes Received:
    30
    Đang bị ốm bác ạ .

    @ huyhoanghp96 còn tùy chế độ chạy , bác tham khảo thêm bên topic đèn điện tử .
     
  11. linh79

    linh79 Advanced Member

    Joined:
    10/9/11
    Messages:
    156
    Likes Received:
    22
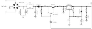
    Nhìn sơ đồ nguồn regu dưới em nó chạy áp 238V DC ạ . ý đồ thiết kế mạch nguồn của tác giả hay ( 2 lần regu lần 2 ổn áp tinh nhưng do 317 chịu rơi áp ko cao khoảng 37V nên có lần 1 chịu và share nhiệt nên dùng zener dưới 37V và trên 5V /1W )
     
  12. GOHOME

    GOHOME Advanced Member

    Joined:
    28/4/11
    Messages:
    1.443
    Likes Received:
    30
    Bác chính xác , zener 34V . :D
     
  13. lenamit

    lenamit Advanced Member

    Joined:
    1/6/08
    Messages:
    2.444
    Likes Received:
    11
    Location:
    Có nắng , có gió , không có cái đó
    Tks bác Home sơ đồ đơn giản ứng dụng phone hay Pre , phần delay bỏ qua nếu không cầu kì lắm hay lắp đon giản 1 mạch time swck cũng dc. Phần nguồn cũng có thể đơn giản hơn .
    Chúc bác home khỏe
    Chúc giáng sinh vui vẻ

    [​IMG]
     
  14. GOHOME

    GOHOME Advanced Member

    Joined:
    28/4/11
    Messages:
    1.443
    Likes Received:
    30
    Em cũng nghỉ như bác , hiện giờ nó thích ở trạng thái mute hơn !
    Giáng sinh vui vẽ . :D
     
  15. linh79

    linh79 Advanced Member

    Joined:
    10/9/11
    Messages:
    156
    Likes Received:
    22
    Có thể đơn giản hơn ví dụ dùng choke nhưng máy sẽ nặng hơn , đắt hơn , còn mạch trên vừa ổn áp vừa lọc gợn như em nói ở trên đó là thiết kế hay có thể thiết kế khác tốt hơn nhưng phức tạp và ko cần thiết . người thiết kế mạch rất sáng tạo đó ạ :) .
     
  16. huyhoanghp96

    huyhoanghp96 Advanced Member

    Joined:
    7/7/11
    Messages:
    3.818
    Likes Received:
    8
    Location:
    HBG198 = beer + ghẹ
    Vâng em cám ơn bác, để em mần thử :D
     
  17. lenamit

    lenamit Advanced Member

    Joined:
    1/6/08
    Messages:
    2.444
    Likes Received:
    11
    Location:
    Có nắng , có gió , không có cái đó
    Vâng đồng ý với bác :mrgreen: chơi 1 con IRF 740 xong
     
  18. lenamit

    lenamit Advanced Member

    Joined:
    1/6/08
    Messages:
    2.444
    Likes Received:
    11
    Location:
    Có nắng , có gió , không có cái đó
    Mình còn lưu giữ 1 tập sơ đồ ampli cổ solid bản to gấp 2 lần khổ A4 vài trăm trang sơ đồ gốc rất nhiều mạch tape deck , ampli , tuner: Quad , Scott , Sansui , Pioneer .Marantz ,Saba ,telefunken etc. tiếc là không có scanner thấy mấy bác bên solid mãi tìm . không biết làm sao phổ biến giúp ae.
     
  19. GOHOME

    GOHOME Advanced Member

    Joined:
    28/4/11
    Messages:
    1.443
    Likes Received:
    30
    Em rất hiểu tâm trạng Bác , kiến thức là thừa hưởng chia sẽ . Bác mượn máy chụp hình loại có ống tele như em làm với mấy cái schematic UESUGI . :D
     
  20. cungdhv

    cungdhv Advanced Member

    Joined:
    7/1/12
    Messages:
    1.632
    Likes Received:
    92
    Location:
    Bên Đông Trường Sơn !
    Bác chọn mấy cái hay hay chụp, up lên cho anh em tham khảo tí, đôi khi laijtimf được những cái hay trong ấy.
     
  21. lenamit

    lenamit Advanced Member

    Joined:
    1/6/08
    Messages:
    2.444
    Likes Received:
    11
    Location:
    Có nắng , có gió , không có cái đó
    Vâng , mình xem cái máy ảnh còm chụp được thì up lên , máy ảnh bỏ túi của mình không có tele mà cái HP scane picture thì bé tẹo ,
    sẵn đây xin phép bác Home up vào topix này nếu bác Home cho phép .. dù sao mình cũng gốc dân BH có đang kí gia nhâp BH group từ ngày đầu dc ea ở đó chí tình giúp đỡ . :D
     
  22. GOHOME

    GOHOME Advanced Member

    Joined:
    28/4/11
    Messages:
    1.443
    Likes Received:
    30
    Hihi , Bác chưa đọc rỏ " nội quy " rồi :D thư viện là nơi chứa kiến thức chung mà . Cám ơn Bác đã chia sẽ .
     
  23. GOHOME

    GOHOME Advanced Member

    Joined:
    28/4/11
    Messages:
    1.443
    Likes Received:
    30
    Thư giản đầu năm các Bác . :D
     

    Attached Files:

  24. cungdhv

    cungdhv Advanced Member

    Joined:
    7/1/12
    Messages:
    1.632
    Likes Received:
    92
    Location:
    Bên Đông Trường Sơn !
    [/quote]

    Có lẽ bác phán bừa thật :(
    Theo tôi :
    1. có thể nó tham gia mạch chống tự kích ở tần số có tính toán sẵn .
    2. Mạch tăng đội lợi trầm (bass), giảm tần cao .
    Các bác cho ý kiến ?
     
  25. GOHOME

    GOHOME Advanced Member

    Joined:
    28/4/11
    Messages:
    1.443
    Likes Received:
    30
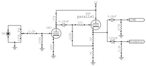
    Thông thường giải thông càng phẳng thì hi-èn hơn :) ờ amp đèn OPT là vấn đề rất tế nhị .
    Theo em Rk và Ck ( 750 // 100uF ) sẻ cho Z ở tần số ( tạm gọi là X ) nào đó R 150K và 100 cầu phân áp , C3 như tụ ghép liên lạc , khi xét biên độ và pha của tần số X ta sẻ thấy được ý đồ của tác giả .

    Bác cho ý kiến .
     

Share This Page

Loading...