Tự làm ampli đèn điện tử,cần những kiến thức gì?

Discussion in 'Đèn điện tử' started by Onecent, 24/6/10.

  1. Newbe

    Newbe Advanced Member

    Joined:
    3/12/15
    Messages:
    1.004
    Likes Received:
    234
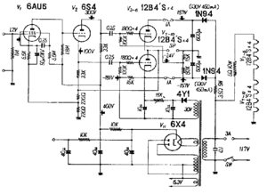
    Hì, em không biết mạch này gọi là mạch gì
     
  2. Newbe

    Newbe Advanced Member

    Joined:
    3/12/15
    Messages:
    1.004
    Likes Received:
    234
    Các bác cho em hỏi mạch này lấy điện áp nguồn cấp cho mạch rất nguy hiểm vậy mình sẽ quấn thêm 1 biến áp cách ly thêm cho phần cao áp và đốt tim cho 8 đèn công suất là ổn nhỉ
     

    Attached Files:

    • 12b4.gif
      12b4.gif
      File size:
      15,5 KB
      Views:
      257
  3. nguyenha7940

    nguyenha7940 Advanced Member

    Joined:
    5/12/12
    Messages:
    4.304
    Likes Received:
    1.386
    Location:
    Đống Đa,Hà Nội,sdt 0362353228
    Nếu đã quấn biến áp cách ly rồi thì quấn luôn cuộn ~ 2 x 100VAC để phục vụ cho nguồn cấp chính cho đèn công suất cải phần nắn lọc nguồn từ nhân áp sang nắn cầu thì mạch sẽ có sự thay đổi rõ rệt. Chú ý lấy điểm giữa của cuộn 2 x 100v làm mát nhé....
    Chú ý: Mạch này dùng loa hơi bị đặc biệt không phải loa nào cũng dùng được đâu
     
    Last edited: 8/10/17
  4. Newbe

    Newbe Advanced Member

    Joined:
    3/12/15
    Messages:
    1.004
    Likes Received:
    234
    Là loa có trở kháng cao hơn hả bác
     
  5. nguyenha7940

    nguyenha7940 Advanced Member

    Joined:
    5/12/12
    Messages:
    4.304
    Likes Received:
    1.386
    Location:
    Đống Đa,Hà Nội,sdt 0362353228
    Đúng rồi loa có trở kháng cao hơn đấy nhé. Lắp loa thường không cẩn thận là đi mất loa hoặc không là đi mất bóng công suất đó...
     
    Newbe likes this.
  6. Nguyễn Nam Sơn

    Nguyễn Nam Sơn Approved Member

    Joined:
    19/8/17
    Messages:
    16
    Likes Received:
    0
    Location:
    Hà Nội
    em kiếm mãi mà chả có mạch nào! ko biết thiết kế từ đâu nữa, huhuhu
     
  7. nguyenha7940

    nguyenha7940 Advanced Member

    Joined:
    5/12/12
    Messages:
    4.304
    Likes Received:
    1.386
    Location:
    Đống Đa,Hà Nội,sdt 0362353228
    Đầu tiên bạn phải lên kế hoạch lắp amply dùng những bóng nào rồi từ đó kiếm những mạch dùng cho loại bóng đó ...nghiên cứu kỹ các phần mạch đó rồi chế cháo lại cho hợp lý nếu đủ trình độ còn không tìm người tư vấn cho phù hợp... Và rồi mua linh kiện theo mạch đó lắp và nghe, căn chỉnh lại vài linh kiện cho tiếng nó hợp gu bạn mà thôi....
    Như mình mình đầu tiên xem bóng định lắp là gì có cho ra công suất theo yêu cầu không, bóng pre cần là bóng nào... Sau đó chọn linh kiện, ghép nối là xong... Mình ưu tiên bóng dễ kiếm, giá thành phù hợp và chân cẳng phù hợp với vài loại bóng khác nữa để cần cắm rút nó dễ...như bóng 6h1p chẳng hạn chân cẳng bằng luôn 12ax7 ai có điều kiện lắp bóng đó tiền triệu một bóng còn ai không có điều kiện lắp bóng 6h1p tiền vài chục ngàn một bóng... Và cũng là để họ so sánh sự khác nhau của giá tiền của từng loại đó trên mạch mình lắp....
     
  8. Trương Việt Dũng

    Trương Việt Dũng New Member

    Joined:
    13/3/19
    Messages:
    1
    Likes Received:
    0
    Em mới tham gia diễn đàn. Cũng đang mầy mò làm 1 con ampli đèn để nghe mà chưa biết bắt đầu từ đâu. Vốn liếng đang có là 2 bóng 6h8c, 1 bóng 5u4g, vài con biến áp. Và có 1 con nặng nhất như hình. Các bác cho em cái mạch nào dễ dễ, tận dụng đc đồ đang có để em mầy mò với ạ!
     

    Attached Files:

  9. lenguyenthanhnhan

    lenguyenthanhnhan Advanced Member

    Joined:
    6/11/19
    Messages:
    61
    Likes Received:
    142
    các tiền bối cho em hỏi có sách dạy hay nghiên cứu về đèn không ạ?
     
  10. Newbe

    Newbe Advanced Member

    Joined:
    3/12/15
    Messages:
    1.004
    Likes Received:
    234
    lenguyenthanhnhan and nvss like this.
  11. lenguyenthanhnhan

    lenguyenthanhnhan Advanced Member

    Joined:
    6/11/19
    Messages:
    61
    Likes Received:
    142
  12. Anhdung7878

    Anhdung7878 Approved Member

    Joined:
    20/11/19
    Messages:
    36
    Likes Received:
    19
    Location:
    30 Dĩ an Bình Dương
    Bác nào diy được 833 hú em đặt cặp mono
     
  13. MONGTHU

    MONGTHU New Member

    Joined:
    2/1/20
    Messages:
    4
    Likes Received:
    2
    em thành viên mới, mới tham gia diễn đàn, cũng muốn tự tay làm 1 cái amply cho riêng mình nhưng đọc phần phía trên thấy khó quá, Mấy anh chị lâu năm tư vấn dùm em là nên làm loại nào ạ, em đang đùng đôi loa fosxtex 20cm, 8ohm 70w., amply bán dẫn nghe chán quá. em xin đa tạ.
     
  14. Antubes

    Antubes Advanced Members

    Joined:
    7/8/14
    Messages:
    26
    Likes Received:
    336
    Location:
    Hà Nội
    loa toàn dải thì bác lắp amp se như el84, 2a3, 300B là đánh đều oke
     
  15. k0bietten

    k0bietten Approved Member

    Joined:
    22/11/14
    Messages:
    47
    Likes Received:
    207
    Các cao nhân cho em hỏi đây là mạch j. Ampli 300b pp nhưng nghe như SE. Em thật
     
  16. Antubes

    Antubes Advanced Members

    Joined:
    7/8/14
    Messages:
    26
    Likes Received:
    336
    Location:
    Hà Nội
    chế độ này rồi bác Parallel Single Ended
     
  17. Error

    Error Approved Member

    Joined:
    21/6/21
    Messages:
    6
    Likes Received:
    6
    Những thảo luận bổ ích cho người mới như em vào học hỏi.
     
  18. Dotinh89

    Dotinh89 Advanced Member

    Joined:
    21/2/19
    Messages:
    147
    Likes Received:
    126
    Các bác cho em hỏi.
    trong âm ly đèn mạch PP em thấy có 4 tụ 0.22mf nối tầng .ngoài ra có 2 tụ có trị số 0.47mf 600v là tụ gì vậy ạ?2 tụ này có quan trọng không ?và có thể thay bằng tụ như tụ nối tầng 0.22mf 600v được không ạ?
     
  19. tepriu

    tepriu Advanced Member

    Joined:
    31/5/06
    Messages:
    971
    Likes Received:
    446
    Chắc là tụ từ pre sang đảo pha rồi . Từ đảo pha sang tube công suất mới là 4 tụ. phải có cái chematics mới chính xác bác ah .nhìn chung cứ tụ nào tín hiệu đi qua nó là quan trọng. Mình chỉ biết vậy
     
    Dotinh89 likes this.
  20. Dotinh89

    Dotinh89 Advanced Member

    Joined:
    21/2/19
    Messages:
    147
    Likes Received:
    126
    nó là vị trí này ạ!em đã thay toàn bộ tụ tốt .chỉ còn 2 tụ này là loại tụ thường của mundof .em đang tò mò ko biết nó có cần thiết phải thay tụ tốt hơn ko bác ạ!
     

    Attached Files:

  21. tepriu

    tepriu Advanced Member

    Joined:
    31/5/06
    Messages:
    971
    Likes Received:
    446
    Mundof là ngon rồi bác .hãng nó cũng k sài đến thế đâu . Thay thật ngon thật béo thì cũng k thay đổi nhiều khi trị số lớn nhỏ thì thay đổi giải trầm . Có lần mình đọc được ở đâu đó có bác bẩu thế.
     
    Dotinh89 likes this.
  22. Dotinh89

    Dotinh89 Advanced Member

    Joined:
    21/2/19
    Messages:
    147
    Likes Received:
    126
    Dạ!em cảm ơn bác đã chia sẻ kinh nghiệm nha.thường thì thay tụ nếu tăng trị số mf thì sẽ tăng giải trầm phải không ạ?
     
    tepriu likes this.

Share This Page

Loading...