Tự làm ampli đèn điện tử,cần những kiến thức gì?

Discussion in 'Đèn điện tử' started by Onecent, 24/6/10.

  1. Onecent

    Onecent Advanced Member

    Joined:
    24/6/10
    Messages:
    1.712
    Likes Received:
    40
    Cảm ơn các bác rất nhiều về các góp ý trên.
    Như em có nói là em sẽ không đào sâu vào 1 mạch cụ thể nào,em chỉ cung cấp những kiến thức cơ bản cần thiết để các bác nắm được mà vận dụng vào mạch thực tế của mình.Em tin là làm như vậy sẽ giúp được nhiều người hơn là tập trung vào 1 cái mạch cụ thể nào đó.
    Các bác cho phép em đi theo hướng này nhé :mrgreen:

    Trở lại với mạch pre dùng bóng 3 cực mà em đã post

    Có rất nhiều cách để xác định đường tải(load line),cách đầu tiên là cách cơ bản nhất,nó phù hợp với mọi linh kiện khuyếch đại từ tube-BJT-Mosfet đều dùng cách này để xác định.
    Như ai cũng biết thì muốn vẽ 1 đường thẳng cần phải biết được ít nhất là 2 điểm hoặc 1 điểm và 1 hệ số góc biết trước.
    Hình trên là vẽ đường thẳng qua 2 điểm MN,như chú thích trong hình thì Ia =0 thì tại anot Va= Vcc,như vậy đầu tiên là phải chọn trước Vcc thì mới có điểm N
    Điểm M là tại đó Vcc =0 nhưng Ia = max,muốn có Ia max thì cần có Vcc và Ra,vậy dử liệu cần có thêm là Ra nữa.Ra được gọi là tải anot của đèn.
    Đồ thị trên các bác áp vào biểu đồ đặt tuyến đèn sẽ chọn được điểm làm việc phù hợp.

    Cách thứ 2 là cái dể làm nhất,không cần tính toán gì cho mệt óc,các bác nhìn hình sau:

    Em đang ví dụ là bóng 12AX7,các bác down datasheet về sẽ thấy cái bảng trên.
    Các bác dể dàng nhận ra 2 dòng Plate Voltage và Plate current,nó là 250V và 1.2mA,em chấm 1 điểm vào ô màu đỏ trên đồ thị. Em vẽ được 1 điểm rồi nhé.Nhiệm vụ em bây giờ là đi tìm 1 điểm thứ 2 để em kẻ thành 1 đường thẳng qua 2 điểm này. Em không còn dử liệu nào khác nên em phải chọn trước 1 cái gì đó thì mới có thể làm căn cứ xác định điểm thứ 2 này.Em chọn trước Ra = 100K(sau khi vẽ đường tải nếu không hợp lý em sẽ chọn lại giá trị khác,em làm thủ công mà :mrgreen: ) Cách này gọi là chọn theo hệ số góc
    Các bác thấy nếu Ra của em là 100K,em thay đổi 100V trên đồ thị thì dòng thay đổi là 1mA(100V/100K),theo xu hướng giảm áp thì tăng dòng. Em đã có điểm (250V;1.2mA) rồi,em giảm đi 100V là 150,em tăng Ia lên 1mA,vậy em đã có 1 điểm mới có tọa độ là (150V;2.2mA) em đánh 1 dấu chéo màu xanh vào đồ thị này,em đã có 2 điểm rồi nhé. Bây giờ em nối 2 điểm này và kéo dài ra thì sẽ được đường load line. Em có suy nghĩ thêm nếu em chọn Ra nhỏ hơn thì cũng với 100V đó nhưng I tăng mạnh hơn nên dốc đứng hơn,nếu em chọn Ra lớn hơn thì em sẽ được đường tải nằm ngang hơn. Vậy họ gọi là chọn hệ số góc cũng đúng :mrgreen:

    Các bác lại tiếp tục nhìn đường màu hồng của em,nó chính là khoảng giữa của Vg,nó biến thiên từ -2V đến -0.5V
    Bây giờ lại chuyển qua nhìn 2 đường màu xanh em kẽ đứng xuống trục hoành các bác biết nó là Va rồi còn gì, nó biến thiên từ 150-250V( nghĩa là thay đổi được 100V)

    Đến đây các bác nhận thấy có sự liên hệ giữa Vg và Va rồi nhé,Vg thay đổi 1.5V( từ -2 đến -0.5) thì Va thay đổi 100V, vậy hệ số khuếch đại(gain) là 100/1.5 = 66,6 lần :mrgreen:
    Các bác thử thay Ra bằng con số khác thì gain cũng thay đổi theo.
    Mạch trên em không cho hồi tiếp cục bộ bằng Rk(dùng tụ lọc mất ac rồi),nên hệ số KD chỉ phụ thuộc Ra,nếu có thêm Rk nữa thì nó sẽ giảm thấp đi theo tỉ số Ra/Rk,nhưng phải bảo đảm tĩ số này nhỏ hơn tĩ số biến thiên Va/Vg.

    Về điểm làm việc cần chọn thì các bác chọn điểm làm việc nằm trên đường tải mà các bác vẽ,sự biến thiên Vg càng lớn thì Va biến thiên sẽ càng lớn,miển sao không lọt ra ngoài giới hạn dòng/áp mà bóng có thể chịu đựng và tĩ số biến thiên(gain) Va/Vg là không thay đổi dù các bác có nới rộng phạm vi làm việc ra.

    Em viết có gì chưa đúng mong các bác cứ góp ý em nhé
    Phần sau em sẽ viết về các loại mạch đảo pha :mrgreen:
     
  2. Onecent

    Onecent Advanced Member

    Joined:
    24/6/10
    Messages:
    1.712
    Likes Received:
    40
    Cảm ơn bác có khời khen em,em vui lắm. :D
    Về nhận xét của bác cũng có phần đúng và chưa đúng
    Phần đúng: Em thấy đèn điện tử hình như không còn nơi nào giảng dạy(em không được học Thầy nên em rất hay tìm sách để đọc mà em không thấy đèn điện tử trong sách dạy học nào mới cả) nên các anh em đi học trường lớp thì không được học đèn là đúng rồi.
    Phần chưa đúng thì em nghĩ là các anh em được học trường lớp lý thuyết đầy đủ về mọi loại mạch,biết tính toán mọi thứ rồi thì nếu họ tiếp cận với đèn 1 thời gian ngắn họ sẽ giỏi nhanh chóng thôi,như em đây không có kiến thức căn bản,đọc hoài tài liệu mà không hiểu,những anh em khác có kiến thức căn bản thì dòm sơ họ cũng nắm được hết rồi,cái vụ đèn này coi bộ vậy mà dể lắm,em không biết gì còn học được nữa mà :mrgreen: ,qua bên bán dẩn sẽ thấy nó phức tạp hơn rất nhiều lần,em đang mon men vào đó nè nhưng mà thấy ngán quá,nhiều công thức,tính toán phức tạp lắm,những người làm được trong mảng bán dẩn đó chắc là phải thật giỏi,em phục họ lắm.
     
  3. DIYodira

    DIYodira Advanced Member

    Joined:
    22/2/07
    Messages:
    788
    Likes Received:
    3
    Location:
    HCMC
    Thật cảm phục Bác "ONE-CENT" :D , một topic mà em nghĩ không riêng gì mình mong đợi từ rất lâu
    Kính chúc sức khỏe và thành công
    Trân trọng
     
  4. TMC

    TMC Advanced Member

    Joined:
    17/3/10
    Messages:
    66
    Likes Received:
    1
    Hay quá ! Em có thêm kiến thức đo đồng hồ và đọc điện trở :D
     
  5. Onecent

    Onecent Advanced Member

    Joined:
    24/6/10
    Messages:
    1.712
    Likes Received:
    40
    Cảm ơn bác vì lời chúc tốt đẹp dành cho em. :mrgreen:

    Cái nick em đặt là một xu bởi do em thấy mình không biết nhiều hiểu nhiều như nhiều anh chị em khác,trong điện tử thì em tự thấy mình chỉ ở vạch xuất phát thôi(em không được đi học mà),cũng có thể coi 1 xu là đơn vị nhỏ nhất trong đơn vị tiền tệ,giá trị em mới được tới đó thôi,em còn phải cố gắng học thêm 100 lần nữa để được 1 đồng :mrgreen:

    Em trở lại với vấn đề em đang viết.
    Khi nảy với mạch khuyếch đại đơn dùng nửa bóng đèn,tín hiệu ra ngược pha trên anot,trong đặc tuyến mà các bác nhìn thấy gain của mạch là 66.6 lần,nhưng thực tế khi ráp vào tầng sau các bác sẽ thất vọng vì nó không đạt mức như vậy.
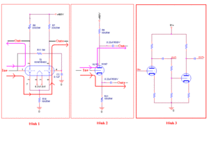
    Các bác xem hình.

    Tại sao em lại nói là thất vọng? vì nếu trở kháng tải phía sau là 1 con số vô cùng lớn thì mọi sự tính toán là như ý nhưng thực tế là không phải vậy. Phía sau mạch này có 1 cái tải và tải này là có giá trị hửu hạn(hình 1) nên tín hiệu ra sẽ nhỏ hơn tín hiệu tính toán rất nhiều,trở kháng ra của mạch(em gọi là trở kháng cung cấp nhé) nếu các bác phân cực sao cho Vanot = 1/2 Vcc thì trở kháng ra chính bằng 1/2 x Ra = 50k ohm.Nếu phân cực thấp hơn nữa(thường gặp) thì Vanot> 1/2 Vcc,lúc đó trở kháng ra sẽ nằm trong khoảng 50k < trở kháng ra < 100k,nếu tải của em là 50K thì điện áp ngỏ ra trên đầu tải mà em nhận được chỉ từ 1/3 đến 1/2 điện áp tính toán mà thôi. Chuyện trở kháng tải này nó không đơn thuần là điện trở cố định mà thường nó phụ thuộc vào dung/cảm kháng mạch phía sau,như các bác cũng biết là dung/cảm kháng luôn phụ thuộc tần số nên trở kháng tải cũng phụ thuộc tần số theo.

    Dể hình dung là lưới đèn phía sau(nằm trong phần trở kháng tải mà em không vẽ cụ thể) có điện dung ký sinh vài mươi pi cô với catot chẳng hạn,ở tần số thấp nó không có ý nghĩa gì nhưng khi ở tần số cao thì nó có trở kháng nhỏ lại và trở kháng nhỏ lại này sẽ làm cho cầu chia đện áp ngay đầu trở kháng tải bị giảm thấp,kết quả là tần số cao bị dẩn xuống mass gây ra hiện tượng thiếu treble hay còn gọi là băng thông hẹp lại.

    Vậy đối với 1 cái tải biến động vô chừng như thế thì tín hiệu cung cấp cho nó cũng bị biến động theo,điều này là không tốt.
    Hình số 2 em cung cấp sẽ giải quyết được chuyện này,mặc dù chưa phải là triệt để đến 100% nhưng nó cũng có tác dụng rỏ rệt.
    Đèn sau không làm nhiệm vụ tăng cường điện thế mà nó làm nhiệm vụ tăng dòng cho tín hiệu để khi tải biến động thì nó vẫn ổn định được,không biến thiên theo tải,tăng dòng thường được gọi là khuyếch đại dòng hay buffer hay đệm,driver,lái... gì đó,nói chung là nhiều tên khác nhau lắm nhưng mục đích thì chỉ có một là để giảm trở kháng ra.

    Vậy muốn khắc phục 100% hiện tượng suy giảm này thì cần phải có giải pháp khác vì giải pháp ở hình 2 chỉ hạn chế thôi chứ không hết hẳn được,trở kháng ra cũng còn lớn chứ không thể bỏ qua được.
    Em có hình kế tiếp


    Giải pháp này gọi là SRPP,đèn phía dưới là 1 cái nguồn dòng,xét về mặt AC thì trở kháng nó là vô cùng lớn nên nó không thất thoát tín hiệu vào mass nhưng xét về DC thì trở kháng của nó là đủ nhỏ,mạch như trên có thể lái được tải phía sau nhỏ mà nó không bị thất thoát cũng như biến thiên theo tần số nhiều.

    Với mạch này thì mọi vấn đề kỹ thuật gần như được giải quyết rốt ráo rồi.

    Muốn tốt hơn nữa về kỹ thuật thì vẫn còn 1 chổ để cải tiến,đó là con trở anot của đèn đầu,có thể thay bằng 1 nguồn dòng thì mạch sẽ trở nên lý tưởng về kỹ thuật.
    Em nhiều lần khẳng định nguồn dòng nó tốt về mặt kỹ thuật hơn chứ không khẳng định nó nghe hay hơn nhé.
     
  6. Onecent

    Onecent Advanced Member

    Joined:
    24/6/10
    Messages:
    1.712
    Likes Received:
    40
    Em viết tiếp phần đảo pha.

    Sở dĩ phải đảo pha tín hiệu là do mạch công suất Push Pull cần có 2 tín hiệu ngược pha nhau để cung cấp vào 2 lưới đèn công suất,khi đó thì 2 đèn công suất này làm nhiệm vụ kéo đẩy 1 OPT,gọi là kéo đẩy vì trong 2 đèn cứ đèn này làm việc thì đèn kia lại nghỉ,do mổi lúc chỉ dẩn có 1 bán kỳ thôi nên ít tiêu hao nguồn và mạch công suất có hiệu suất tăng cao rỏ rệt so với chỉ 1 đèn dẩn cả 2 bán kỳ.

    Nói như thế cũng chỉ đúng trong trường hợp chạy classB,trường hợp chạy classAB thì khi tín hiệu nhỏ cả hai đèn cũng có dẩn trùng nhau để điểm giao nhau của 2 bán kỳ luôn được ráp nối liền lạc. Mạch chạy PP cũng có thể chạy classA được vì khi đó bias đủ cao nên cả hai đèn không bao giờ nghỉ dẩn cả,chỉ có điều chúng dẩn ngược pha nhau,khi phân cực ở classA thì mổi đèn dẩn cả 2 bán kỳ như trong SE nhưng bây giờ chúng được mắc sao cho dẩn ngược pha nhau khi đó thì hiệu suất mạch không còn cao như 2 trường hợp kia.
    Vậy PP có thể chạy ở cả 3 chế độ: ClassB(ít gặp),ClassAB(hay gặp),ClassA(trong các trường hợp muốn có chất lượng khuyếch đại cao)

    Dưới đây là hình mạch PP được đảo pha bằng biến áp nối tầng,cách đảo pha đơn giản nhất.


    Các bác nhìn thấy chổ biến áp đảo pha,chỉ có 1 tín hiệu vào thôi nhưng có 2 tín hiệu ra ngược pha nhau do điểm cuối của cuộn thứ nhất nối vào điểm đầu của cuộn thứ 2 và sau đó nối vào Bias,điểm Bias này coi như là ngắn mạch hoàn toàn với tín hiệu xoay chiều(dẩn xoay chiều xuống mass,không tồn tại tín hiệu xoay chiểu ngay điểm bias)
    Ưu điểm của việc đảo pha bằng biến áp là dể thực hiện,mạch đơn giản không rờm rà ,kết quả tốt 2 ngỏ ra rất cân xứng nhau về biên độ và trở kháng...

    Các kiểu đảo pha khác không dùng biến áp:

    Ở hình 1,đèn đảo pha được mắc theo kiểu vi sai với ngỏ vào -(chân 4 đèn 6SN7) được nối mass phần tín hiệu(lọc bỏ AC đi).
    Cách đảo pha này cho ra trở kháng và tín hiệu tương đối(chỉ tương đối thôi nhé :mrgreen: )cân nhau,chúng thường được áp dụng trong thực tế,muốn chúng tuyệt đối cân nhau thì 2 nữa đèn phải giống nhau hoàn toàn và trở kháng chung catot phải vô cùng lớn.
    Ở hình thứ 2,2 tín hiệu ra là ngược pha nhau nhưng chúng không cân nhau lắm nhất là xét về khía cạnh trở kháng vì trở kháng catot thường thấp hơn nhiều so với trở kháng anot,để cải thiện việc này không phải là dể vì khi thay đổi điện trở Ra,Rk cho chúng tương đối 1 chút thì biên độ lại không cân nữa.Mạch này thích hợp lái đèn công suất nhỏ không yêu cầu dòng lái cao thì có thể chấp nhận được.
    Ở hình thứ 3 thì nó là 1 phương án khá thủ công,biên độ và trở kháng tín hiệu ra có thể cân xứng nhau hoàn toàn,nó phụ thuộc vào cách chọn giá trị cặp trở trên lưới nữa đèn sau,cách này ít được dùng vì nó có phần rờm rà và dể lệch khi sử dụng lâu dài(linh kiện thay đổi giá trị),nhưng xét yếu tố kỹ thuật có thể đạt được thì nó lại ưu việc hơn 2 phương án trên,nhược điểm của nó là vấn đề pha khi tín hiệu pha + phải qua 2 lần tụ trong khi pha - chỉ phải qua 1 lần tụ thôi.

    4 phương án đảo pha trên là thường gặp nhất,tùy yêu cầu thực tế mà các bác ứng dụng vào mạch của mình.
     

    Attached Files:

    • 3.GIF
      3.GIF
      File size:
      4,7 KB
      Views:
      3.988
    • 2.GIF
      2.GIF
      File size:
      14,4 KB
      Views:
      3.987
  7. Onecent

    Onecent Advanced Member

    Joined:
    24/6/10
    Messages:
    1.712
    Likes Received:
    40
    Có bác hỏi em về trị số của tụ nối tầng,các bác xem hình.


    Tầng thứ nhất nối với tầng thứ 2 bằng 1 tụ có điện dung là C,trở kháng vào lưới đèn tầng 2 là R.
    Tần số mong muốn thấp nhất mà tại đó tín hiệu bị suy giảm 3dB là Fcut.
    Biết trước R do mạch đã có sẳn,chọn Fcut sao cho nó dưới 20Hz là tần số thấp nhất của âm thanh,nên chọn giá trị này đủ nhỏ để tại 20Hz không suy giảm.

    Tính C theo công thức trong hình,sau đó làm tròn số.
    Các bác nhớ là làm tròn số theo hướng đi lên nhé để đảm bảo Fcut càng thấp càng tốt.

    Riêng về điện áp chịu đựng thì các bác chọn giá trị nào sao cho tổng điện áp mà 2 đầu tụ mắc vào phải luôn nhỏ hơn điện áp chịu đựng của tụ.

    Em ví dụ Driver có cao áp là 300V(max),phần bias lưới đèn có điện áp là -100V(max) thì các bác phải chọn tụ lớn hơn 400V để lắp vào. :mrgreen:

    Tốt nhất là nên chọn khoảng 1.2-1.5 lần điện áp tính được (lớn nữa thì càng tốt nhưng nó tốn tiền)để nó luôn an toàn vì hỏng tụ(nối tắt,rỉ...) là hỏng luôn đèn công suất đắt tiền đấy nhé.
     
  8. sinhlk

    sinhlk Advanced Member

    Joined:
    16/7/09
    Messages:
    664
    Likes Received:
    1
    Location:
    THỦ ĐỨC GROUP
    Bác 1 xu viết bài giống như một giáo trình về đèn quá, em thấy bác rất có khiếu về sư phạm (chỉ những người đã từng đứng lớp giảng dạy và đích thân trải nghiệm thực tế mới có lối hành văn giống như bác, rất gần gủi và biết những người đang mơ hồ nắm bắt được kiến thức mình cần).
    Mời bác viết tiếp ạ :D
     
  9. Onecent

    Onecent Advanced Member

    Joined:
    24/6/10
    Messages:
    1.712
    Likes Received:
    40
    Em cảm ơn bác,em không được đi học mà bác nói vậy em thấy thẹn quá. :mrgreen:

    Thật tình là em chưa đến trường ngày nào,trước đây em có thi đổ ĐH Sư Phạm Kỹ Thuật Thủ Đức(năm 1994) nhưng gia cảnh nghèo quá nên em không đi học được,em cũng nghĩ là các bạn khác đến trường thì học ở trong sách và Thầy Cô sẽ giảng bài lại thôi,nên em tự học bằng các loại sách mà em hy vọng là trong trường ĐH họ dạy thì sẽ có kiến thức bằng họ nhưng thực tế không phải dể như vậy. Tự học có cái hay là nhớ lâu nhưng tự học thì rất chậm và kiến thức manh múng do mình không biết học phần này để làm gì,ứng dụng như thế nào trong thực tế đâu nên em thấy mình không có căn bản gì hết,kể cả trình bài 1 vấn đề cũng không mạch lạc,không biết phần nào chính,phần nào phụ,...

    Rất nhiều cái mà không được học thì thiệt thòi lắm bác ạ,em ước gì em được đi học lại đàng hoàng như các anh chị em khác để có kiến thức đầy đủ mà có thể chia sẻ cùng mọi người.

    Vài lời tâm sự thật lòng cùng các anh chị em trên đây.
     
    piety2110 and taraxacum like this.
  10. crazyhunter

    crazyhunter Advanced Member

    Joined:
    26/5/06
    Messages:
    699
    Likes Received:
    48
    Location:
    VNAV - BTA
    Cảm ơn những bài viết của Bác 1xu, em cứ chờ đợi copy bài viết của Bác để chuyển thành file pdf để học.
    Có những cái mình biết vậy nhưng chã hiểu tại sao nó vậy, hỏi anh em thì cũng cứ nói vậy vậy nó vậy, đọc bài của Bác em hiểu được chút chút, mong dc đọc nhiều để sáng ra.
    Thank4sharing.
     
  11. khanh.na

    khanh.na Advanced Member

    Joined:
    22/8/08
    Messages:
    244
    Likes Received:
    0
    Điều mình trân trọng ở bạn " một xu" là sự chia sẻ, mang tính cộng đồng rất cao. Topic với nhiều nội dung, nhiều chữ, nhưng bạn "Một xu" đã không ngại khó, ngại vất vả để mang đến nhiều kiến thức cơ bản cho nhiều Anh em trên Diễn đàn . Có thể nhiều , rất nhiều Bác trên này có kiến thức rất tốt , nhưng chưa hẳn đã làm được điều tương tự như bạn " Một Xu" . Cảm ơn những con người đã vì sự phát triển cho phong trào chơi AUDIO , phong trào DIY của nước nhà/
     
  12. Aries

    Aries Advanced Member

    Joined:
    2/12/05
    Messages:
    6.514
    Likes Received:
    56
    Location:
    VNAV
    Theo đề nghị của bác "một xu", nick của bác sẽ được đổi thành "Onecent" cho dễ đăng nhập.

    Pass vẫn giữ nguyên.

    Kính báo,
     
  13. Onecent

    Onecent Advanced Member

    Joined:
    24/6/10
    Messages:
    1.712
    Likes Received:
    40
    Cảm ơn bác Mod rất nhiều ạ,em đăng ký bằng nick tiếng Việt nhưng khi đăng nhập bằng tiếng Việt thì máy có tiếng Việt máy không nên gây khó khăn cho em,sorry vì em không lường trước tình huống này nên phải nhờ Mod đổi nick :mrgreen:

    Thành thật xin lổi.
     
  14. Aries

    Aries Advanced Member

    Joined:
    2/12/05
    Messages:
    6.514
    Likes Received:
    56
    Location:
    VNAV
    Không có gì đâu ạ, lâu lắm VNAV chúng ta mới có 1 thành viên "mới" như bác đấy. Nếu bác cần sự trợ giúp gì, đừng ngần ngại nhờ các Mod. hỗ trợ.

    Just my 2 cents :mrgreen:
     
  15. Onecent

    Onecent Advanced Member

    Joined:
    24/6/10
    Messages:
    1.712
    Likes Received:
    40
    Được Mod mở lời thế này em vui lắm,em sẽ cố gắng dành nhiều thời gian để viết những gì đang còn dở dang,hy vọng là em góp được chút sức mọn để các anh em không chuyên có thể hiểu và làm được ampli đèn điện tử sau khi đọc topic này của em.

    Kính Mod.
    Onecent. :mrgreen:
     
  16. Onecent

    Onecent Advanced Member

    Joined:
    24/6/10
    Messages:
    1.712
    Likes Received:
    40
    Trước khi viết tiếp 2 phần cuối cùng là công suất và OPT em điểm lại 1 số thứ mà em đã viết và bổ sung thêm 1 vài ý mà em trình bài còn sót.

    -Phần nhận dạng linh kiện.
    Em đã viết về cách đọc trở - giá trị,công suất,chất liệu...nhưng quên nói nhiệm vụ nó để làm gì :mrgreen: Điện trở có nhiệm vụ là cản trở dòng điện(cả xoay chiều và 1 chiều),không cho nó đi qua,điện trở càng lớn thì sự cản trở càng lớn,điện trở càng nhỏ thì sự cản trở càng nhỏ,điện trở 0 ohm gần như không tồn tại trong thực tế bởi 1 đoạn dây dù rất ngắn cũng có điện trở mặc dù là rất nhỏ nhưng vẫn xem là có điện trở,điện trở của 1 kim loại bất kỳ được tính bằng công thức R= rô x L/S,trong đó rô là điện trở suất của kim loại đó(tra bảng điện trở suất để biết),L là chiều dài,S là tiết diện. Điện trở không phải là 1 giá trị bất biến,nó thường bị thay đổi bởi yếu tố nhiệt độ bên ngoài như ta đem đốt nóng nó hoặc tự thân nó khi hoạt động cũng sinh ra nhiệt,nhiệt độ này thoát ra không khí 1 phần,phần còn lại thì tự đốt nóng nó,công suất nhiệt sinh ra được tính theo công thức P=UxI=RxIxI=UxU/R,đơn vị của P là Woat(ký hiệu là W).
    Có 2 loại chất liệu dùng để làm điện trở là chất liệu kim loại(hoặc các ôxit của nó) và chất liệu bán dẩn. Khi nhiệt độ tăng thì chất liệu kim loại cũng có xu hướng tăng điện trở theo. Ngược lại với chất liệu bán dẩn,khi nhiệt độ tăng thì điện trở có xu hướng giảm nhanh.
    Chất liệu làm điện trở càng đồng nhất càng tốt,người ta nghiền chất liệu này đến kích thước na nô sau đó đổ chúng thành khối,việc nghiền này càng siêu nhỏ càng tốt cho điện trở.
    Điện trở cũng gây ra tiếng ồn,nhiểu ở tần số cao...mặc dù rất rất nhỏ(hàng pi cô V) nhưng nó sẽ được mạch điện dùng nó khuyếch đại lên,nên việc chọn trở tốt cũng có tác dụng triệt nhiểu về mặc kỹ thuật(chưa biết có nghe được hay không nhưng có tồn tại là phải tìm cách triệt :mrgreen: )

    Phần tụ điện em bổ sung thêm,tụ điện có 2 loại có phân cực và không phân cực,nhận dạng bằng cách nhìn cực tính,nếu có làm dấu phân cực thì trong 2 đầu tụ sẽ có 1 đầu được đánh dấu xọc trắng hoặc có cái dấu +(-) gì đó để ta phân biệt. Việc quy ước thì xọc trắng là cực âm,đôi khi xọc màu đen...đại khái là phía đánh dấu thường là cực âm,những trường hợp khác thì em chưa gặp nên không biết có đặt biệt nào khác không.
    Loại không phân cực là loại không có đánh dấu cực tính,đầu nào cũng như nhau cả,tụ không phân cực thường dùng trong việc nối tầng của ampli đèn,...
    Chất lượng của tụ thường được đánh giá bằng biểu đồ nạp/xả của nó(dĩ nhiên điện dung và điện áp phải đúng) khi có 1 tín hiệu dương tức thì tác động vào 1 đầu tụ thì đầu phía bên kia không dương lên tức thì mà nó trải qua nhiều giai đoạn,giai đoạn khởi đầu là những xung nhấp nhô lên xuống với biên độ nhỏ,càng ít xung trong giai đoạn này thì tụ càng chất lượng,khi xả cũng vậy nó cũng xảy ra trường hợp trên...
    Tụ có rất nhiều loại series dùng cho nhiều mục đích khác nhau,hãng làm tụ nào cũng có những loại dùng cho Audio,dùng cho công nghiệp,dùng cho cao tần,...nhiệt độ ghi trên thân tụ cũng khác nhau,nó cho biết có thể dùng trong điều kiện nhệt độ tối đa là bao nhiêu...
    Dòng rỉ của tụ cũng là tham số cần lưu ý,dòng rỉ càng nhỏ càng tốt,khi SX tụ người ta test xuất xưởng bằng tham số Is<=0.02xCxV,tùy yêu cầu chất lượng mà người ta chọn nó nhỏ cở nào nhưng đối với tụ có dòng rỉ <= tham số trên là có thể lưu thông trên thị trường.
    Tụ ceramic là loại tụ có chất lượng kém nhất và sai số nhiều nhất,...

    Cuộn cảm có nhiệm vụ cản trở dòng điện xoay chiều không cho nó đi qua,nó không có tác dụng cản trở dòng điện 1 chiều(ngược lại với tụ hoàn toàn nhé).
    Cuộn cảm có 3 tham số cần quan tâm,đó là Henry,dòng max và điện trở 1 chiều. Cuộn cảm tốt có điện trở 1 chiều nhỏ,thật ra không đơn giản như vậy vì để quấn đủ henry thì cuộn cảm phải có chiều dài dây quấn nào đó,chính chiều dài này sinh ra điện trở 1 chiều,có các phương án để giảm điện trở 1 chiều như: Dùng dây quấn chất liệu tốt ít tạp chất,tăng đường kính dây(cách này bị giới hạn vì diện tích nòng quấn không thể lớn mãi được),dùng lỏi có chất lượng tốt để tăng henry nhằm giảm được số dòng quấn....
    Cuộn cảm có thể bị thay đổi giá trị khi có dòng 1 chiều chảy qua nó,nó sinh ra hiện tượng bảo hòa từ trong lỏi sắt làm cho giá trị cuộn cảm bị giảm rỏ rệt.

    Đối với 2 thành phần tụ điện và cuộn cảm mặc dù tham số được ghi là điện dung(Farad) và điện cảm(Henry) nhưng khi tính toán mạch người ta dùng Zc(dung kháng) và Zl(cảm kháng)

    Zc= 1/(2x3.14xfxC),trong đó f là tần số,C là điện dung.
    Zl= 2x3.14xfxL,trong đó f là tần số,L là điện cảm.

    Cả 2 công thức này đều liên quan đến f,nó là cái cần chú ý và rất khác biệt so với điện trở thuần,riêng cuộn cảm cũng khó lòng bỏ qua điện trở thuần mà bản thân cuộn dây nó có nữa.

    Ngoài ra còn có thêm vấn đề về sự dịch pha giữa điện áp và dòng điện khi tín hiệu chảy qua 2 thành phần trên,trong khuôn khổ bài viết này em không viết quá sâu về các vấn đề này,để tìm hiểu sâu hơn thì đề nghị các bác tìm hiểu về định luật Ohm đối với dòng điện xoay chiều trong sách giáo khoa hoặc seach ngay trên nét này cũng có.

    - Phần cách dùng đồng hồ VOM thì em có thêm 1 cái lưu ý to tướng là đồng hồ cũng có nội trở,chính nội trở này gây ra nhiều vấn đề khi đo kiểm thực tế,các bác chú ý phía bên trái mặt đồng hồ kim thường có ghi tham số nội trở này ví dụ như:
    DC 20Kohm/V
    DC 250V UP 9Kohm/V
    AC 9Kohm/V
    DC 2.5A, 2.5 ohm
    AC 5.0A 2.5 ohm

    Khi thực tế đo kiểm vào mạch điện các bác phải chú ý những tham số này,nếu nội trở của nguồn cần đo lớn thì chính cái đồng hồ sẽ làm cầu chia áp tại điểm cần đo nên cuối cùng kết quả đọc được sẽ sai.

    Đồng hồ số (Digital VOM) cũng có ghi các tham số này,các bác xem kỹ catalog kèm theo trước khi sử dụng nhé.
    :mrgreen:
     
  17. Onecent

    Onecent Advanced Member

    Joined:
    24/6/10
    Messages:
    1.712
    Likes Received:
    40
    Đến đây xem như các bác đã có thể thiết kế hoàn hảo phần pre theo bất cứ kiểu mạch mong muốn nào rồi nhé.
    Bây giờ em viết tiếp phần công suất,phần này có dính vào OPT nhưng em chưa viết gì đến OPT cả,em xem như nó là 1 cái hộp đen dùng để biến đổi trở kháng,phía thứ cấp là ra loa,phía sơ cấp là nối vào mạch công suất.Em viết trước cho phần SE,lấy bóng 300B ra làm ví dụ.
    Các bác xem hình


    Dử liệu đầu vào của em bao gồm:
    Điện áp B+=450V.
    Công suất anot max của bóng 300B theo datasheet là 40W
    Phía ra loa có trở kháng là 8 ohm.
    Vì mạch em là SE(single ended) nên hiệu suất em khai thác tối đa chỉ đạt 25% của công suất bóng mà thôi,Pout =10W

    Trong bất cứ kết quả tính được nào của em cũng không thể vượt qua dử liệu đầu vào đó,xem như nó là giới hạn đụng phải rồi,không thể làm hơn được nữa,còn vì sau hiệu suất SE chỉ có 25% thì em sẽ viết trong bài viết khác.
    Với dử liệu vào như trên em tính ra ngay được là Us(trên tải loa,s là viết tắt của từ second-thứ cấp) là 8.95V,công thức em dùng là P=UxU/R,em biết trước P=10W,R=8 ohm nên em tính ra Us = 8.95 nhanh lắm :mrgreen:

    Điện áp nguồn em có là B+=450V,trong trường hợp đèn 300B có dẩn bào hòa luôn thì anot nó cũng không thể bằng 0V được do nội trở nó tương đối lớn,em chọn theo kinh nghiệm thực tế là nó còn lại 30V,vậy điện áp 2 đầu sơ cấp có thể tối đa là 450-30=420V thôi.

    Với tín hiệu thì nó có 2 bán kỳ riêng lẻ,1 phía trên và 1 phía dưới,vậy điện áp AC đỉnh mà em thu được tối đa chỉ là 1/2 của 420V,em có Vpp=210V

    Nhưng số 210V này là Vpp trong khi ngỏ ra loa em đang tính là Vrms,nên em phải chia Vpp này cho căn bậc hai của 2 là 1.4142 nữa. Vậy em có Vrms(p) = 148V( chữ p có nghĩa là pri-là sơ cấp)
    Em đã tìm được 2 dử liệu quan trọng rồi,đó là Us=8.95V,Up=148V
    Em chia chúng cho nhau thì sẽ ra tỉ số giữa sơ là thứ cấp em gọi là n, n=148/8.95 = 16.5

    Vậy em có thêm n nữa rồi,lúc nảy đầu bài có cho biết là Rs = 8 ohm,bây giờ em tính Rp đây,nó dể ẹc :mrgreen:

    Rp= nxnx Rs = 16.5 x16.5x 8 = 2178 ohm, em làm tròn là 2200 = 2.2K

    Em có Rp là 2.2K rồi nhé,đó chính là đường tải em phải tìm. Bây giờ em đi vẽ đường tải này vào đặt tuyến của 300B.

    Nhưng em không vẽ 2.2K mà em vẽ là 2K và 2.5K,thứ lổi em làm vậy là để các bác thấy khi chọn đường tải không đúng thì chuyện gì sẽ xảy ra,muốn vẽ đúng thì các bác vẽ giúp em vì em vẽ 2 đường tải trên và dưới nó rồi,các bác vẽ 1 đường 2.2K thì cũng không khó nếu hiểu được cách vẽ của em,xem như các bác thực hành nhé. :mrgreen:

    Đây là đường tải 2K

    Đầu tiên là dựa vào datasheet,em thấy có điểm 450V;70mA rồi,em chấm đỏ tại đó trước.
    Bây giờ đường tải em chọn là 2K nên nếu em di chuyển 200V thì nó sẽ thay đổi 200/2000 = 0.1A =100mA
    Vậy em có điểm thứ 2 là 450-200 =250V;100 + 70 =170mA,điểm thứ 2 này là 250V;170mA nhé.

    Em kẽ 1 đường màu nâu dài qua 2 điểm này.các bác thấy nó cắt đường Vg tại rất nhiều điểm,em chọn đại 2 điểm mà lúc nãy em có tọa độ,các bác chọn 2 điểm khác cũng đúng luôn vì trên đường thẳng này chổ nào cũng như nhau cả.
    Em kẽ 2 đường màu hồng thì em nhận thấy Vg từ -90 đến -28(tức thay đổi 62V),lúc đó em chiếu xuống trục hoành em nhìn thấy Va thay đổi được từ 450 về 250V,vậy nó thay đổi 200V.
    Gain mạch này là 200/62 = 3.22 lần.

    Bây giờ em nhìn vào cái đồ thị,em phát hiện ra có chổ phi lý,phía trục hoành là Va,phía trục tung là Ia,tại điểm 250V;170mA của em thì Va x Ia = 250x0.17A = 42.5W,nó lớn hơn công suất anot của bóng đèn 300B rồi, lớn hơn chút ít thế này nếu tức thì có thể chưa hỏng bóng nhưng nếu thường xuyên thì bóng 300B của em sẽ tèo. :mrgreen:

    Vậy em phải đổi tải khác thôi,em chọn tải 2.5K các bác xem hình.

    Chọn 2 điểm để vẽ đường tải như lúc nảy nhưng bây giờ Ra là 2.5K nhé,em chọn khoảng di chuyển 250V đi cho nó chẳng số,khi đó Ia cũng thay đổi 100mA luôn(250V/2.5k =100mA)
    Em kẽ đường tải qua 2 điểm 450;70 và 200;170
    Xác định gain lại thì Vg thay đổi 74V,Va thay đổi 250V vậy gain là 3.37 lần,nó tăng lên rồi đấy nhé. :D
    Em thử tìm điểm nào có công suất lớn hơn 40W không thì em không tìm ra,tại 200;170mA thì P = 34W thôi. Vậy là nó hơi nhỏ hơn yêu cầu khai thác tối đa 40W của em rồi

    Các bác có câu hỏi tiếp là chổ nào công suất anot sẽ lớn nhất để tính thử chứ?,em xin trả lời là chổ có Vp/2 là công suất anot lớn nhất,ví vụ như hình trên Vp/2 là 210V;165ma thì P = 34.65W,nó là max rồi,không có chổ nào lớn hơn nữa.

    Một câu hỏi khác là sao thấy dòng cao quá,có làm hỏng bóng không?,em trả lời là chổ nào có dòng cao thì ngay tại đó áp sẽ thấp miển sao chúng nhân nhau ra công suất nhỏ hơn công suất anot là yên tâm,nó không bao giờ hỏng cả.

    Vấn đề còn lại là vẽ đúng đường tải của bóng này thì các bác vẽ giúp em nhé,em vẽ 2 phát đều sai,2K thì vượt công suất anot,2.5K thì chưa chạm đến đĩnh công suất anot của bóng nên ngỏ ra em chắc chắn không được 10W như dự định.

    Kết luận của em tại đây là chọn đúng tải thì không làm hỏng bóng,khai thác hết được công suất,chọn sai thì hoặc là hỏng bóng hoặc là công suất ra không đạt yêu cầu.

    Các bác cũng nhìn thấy gain của bóng 300B rồi đó,nó khoảng hơn 3 lần với tải là 2-2.5K,vậy muốn có được 148Vrms tại anot đèn 300B thì lưới phải cung cấp hơn 46Vrms,các bác thiết kế phần trước sau cho tại lưới đèn phải có thể đạt giá trị này thì hy vọng ra hết công suất,nhỏ hơn sẽ thiếu,nhiều hơn thì phải hồi tiếp âm để giảm gain toàn mạch.

    Em viết có gì sai các bác cứ góp ý nhé,em học lóm nên cũng không chắc viết đúng
     
  18. dinhthuy

    dinhthuy Advanced Member

    Joined:
    20/5/08
    Messages:
    706
    Likes Received:
    6
    Hì cảm ơn bác đã chia sẻ kiến thức cùng anh em , Em nghĩ ở đây là ví dụ nhưng với 300B mà chạy áp 450V là hơi cao một chút , trừ khi dùng mạch auto bias bác nhỉ , à bác chỉ cách tính auto bias luôn ạ . Hình như Va = Vk + Vak theo cách tính đường tải ở trên , khi đó Uac dưới 148V trừ khi có tụ bipass Udc bias ạ . :)
     
  19. Onecent

    Onecent Advanced Member

    Joined:
    24/6/10
    Messages:
    1.712
    Likes Received:
    40
    Câu hỏi của bác có 2 phần:
    -300B fix bias chạy 450V có cao không? Em trả lời là không cao ạ,lý do là datasheet họ cung cấp đến đó thì mình có quyền khai thác đến đó luôn,nếu hỏng bóng thì bắt đền hãng :mrgreen: Nhưng theo em thì hãng chắc đã dự phòng ở mức an toàn rồi,tại đó thì không thể hỏng được nếu bảo đảm thiết kế đúng công suất anot max mà họ đưa ra,trường hợp thiết kế tải sai thì mình chịu rồi,không trách được.Em ví dụ là đúng theo dử liệu nhà SX họ cung cấp mà
    - Khi xác lập đường tải, em chỉ xét Vak,không có thành phần Vk theo kiểu auto bias,nhưng kết quả là không khác biệt nếu dùng auto bias vì nếu bác dùng auto bias thì bác cộng thêm Vk vào,ví dụ như 70V nữa chẳng hạn,khi đó cao áp của bác là 520V,tại catot bác luôn có tụ lọc xem như là ngắn mạch AC nên hoàn toàn không ảnh hưởng gì đến đường tải vì đường tải đang xác lập là AC mà. Nếu không có tụ thoát catot thì không còn đúng nữa vì khi đó xảy ra sự hồi tiếp cục bộ,Rk lúc này là trở hồi tiếp.Tín hiệu ra giảm theo tỉ lệ của Ra/Rk, Rk=Vk/Ik = 70/70 mA = 1K,lúc này gain mạch chỉ là (2/3)x3.2(gain củ) # 2 lần thôi.
    Vậy lưới cần cung cấp 148/2 = 74Vrms thì mới đủ,lúc đó em đã tăng nguồn lên 520V rồi nhé :mrgreen:

    Nhưng mà trường hợp không dùng tụ thoát catot như thế chắc không xảy ra trong thực tế vì tự nhiên tiêu hao đáng kể công suất trên nguồn mà không giải quyết được vấn đề gì cả,chỉ tiết kiệm được con tụ thôi.
    Cũng có thể xảy ra trường hợp gain phía trước thừa mà không muốn dùng hồi tiếp âm nên tạm cho gain của công suất thấp xuống để giải quyết,theo em thì giải pháp này hơi chấp vá nếu được thì thiết kế lại tầng đầu vẫn hay hơn.

    Có vì sai bác cứ góp ý nhé,em không có được học nên không chắc lắm đâu :D
     
  20. Onecent

    Onecent Advanced Member

    Joined:
    24/6/10
    Messages:
    1.712
    Likes Received:
    40
    Em thêm 1 ví dụ cho phần công suất dùng bóng 845SE.

    Nguồn B+=1250V,dòng Ia =65mA tương đương với 82W công suất anot.
    Tín hiệu xoay chiều tối đa trên sơ cấp là 1200/2/1.4142 = 424Vrms
    Tải được chọn là 10K ohm,tỉ số n = 35.35(do trở kháng ra Rs =8 ohm) => Us =12Vrms
    Như vậy công suất ra là 18W,Gain là 5 lần,điện áp xoay chiều cung cấp vào lưới là 424/5=84.8Vrms

    Bác nào muốn có công suất lớn hơn nữa(theo lý thuyết có thể đạt 25W) thì hạ thấp trở kháng sơ cấp còn 7.2K,nhưng lúc đó đường tải sẽ dựng đứng lên(đồng nghĩa với nhiều méo và gain thấp),các bác có thể thử kẽ với đường tải là 7.2K,theo em tính toán thì nó không vượt ngoài 100W công suất anot max của bóng.
     
  21. Onecent

    Onecent Advanced Member

    Joined:
    24/6/10
    Messages:
    1.712
    Likes Received:
    40
    Hôm nay em ngồi đọc lại các bài em đã viết thì phát hiện ra em đã dùng quá nhiều từ ngữ kỹ thuật mà không đi kèm với định nghĩa chúng dẩn đến các bác không chuyên có thể sẽ không hiểu được em đang viết gì :mrgreen:
    Một số từ ngữ như gain,tốc suất.. có xuất hiện rải rác trong các bài em viết.Bây giờ em đi định nghĩa chúng đây.

    1- Gain: có nghĩa là độ lợi của mạch điện,gain của cái gì thì chính là độ lợi của cái đó,ví dụ như gain điện áp,gain công suất...
    Định nghĩa cụ thể nó phải như thế này:

    Độ lợi điện áp của mạch khuếch đại là tỷ số giữa điện áp đầu ra và điện áp đầu vào,thông thường Gain được tính trên thang đo decibel (dB).
    G (dB) = 10 × lg(Vout/Vin)

    Từ ngữ mà được mọi người hay dùng như gain bằng X lần, có nghĩa là đang nói đến Vout/Vin chứ chưa phải là Gain(dB)

    2-Dải động ngõ ra

    Dải động ngõ ra là một dải biên độ(thường sử dụng đơn vị dB), là khoảng cách giữa tín hiệu lớn nhất và tín hiệu nhỏ nhất mà đầu ra có thể phản ánh được. Nó có ý muốn nhấn mạnh về điện áp tín hiệu ra max có thể đạt được. Vì tín hiệu nhỏ nhất thường bị giới hạn bởi biên độ nhiễu(noise), nên người ta lấy luôn tỷ số giữa biên độ tín hiệu lớn nhất và nhiễu làm giải động ngõ ra. Nó chính là Vout max/ Vnoise,D (dB) = 10 × lg(Vout/Vnoise),D càng lớn càng tốt

    3- Tĩ số S/N.

    Nó giống hoàn toàn giống với dải động khi so sánh tín hiệu ra và nhiểu(noise),có ý nhấn mạnh là tín hiệu noise nhỏ nhất có thể đạt được.Vẫn là D (dB) = 10 × lg(Vsignal/Vnoise),D càng lớn càng tốt (S là Signal,N là Noise)

    4-Băng thông

    Băng thông của một mạch khuếch đại thường được xác định theo sự khác biệt giữa tần số thấp nhất và tần số cao nhất ở điểm mà hệ số khuếch đại giảm còn 1/2(mất đi 3db).Trong trường hợp những băng thông ứng với những độ chính xác khác nhau thường phải ghi chú thêm, thí dụ như (−1 dB ở 20Hz, −6 dB ở 70khz, v.v.).

    Ví dụ như một mạch khuếch đại âm tần tốt phải có đáp ứng bằng phẳng từ 20 Hz đến 20 kHz (dải âm thanh mà người ta nghe được), như vậy đáp ứng tần số của nó phải mở rộng thêm ra bên ngoài dải này từ 1 đến 2 bát độ mỗi bên. Thông thường một mạch khuếch đại âm tần tốt(thường gặp trong bán dẩn) có băng thông từ 10 Hz đến 65 kHz.

    5- Thời gian đáp ứng

    Thời gian đáp ứng (còn gọi là thời gian tăng trưởng) của một mạch khuếch đại là thời gian cần thiết để nâng mức điện áp ngõ ra từ 10% đến 90% tín hiệu đỉnh khi đặt ở đầu vào một tín hiệu kích thích(thường là xung vuông).

    Nhiều mạch khuếch đại bị giới hạn thời gian tăng trưởng,thường là do trở kháng của mạch dòng điện điều khiển phải chịu hiệu ứng tụ điện ở vài điểm trong mạch. Điều này là cho băng thông ở công suất lớn nhất sẽ thấp hơn so với đáp ứng tần số ỏ mức tín hiệu nhỏ.

    Ví dụ như ở 1W thì băng thông bằng phẳng từ 20-20khz nhưng ở 10W thì nó không đạt băng thông như thế nữa mà bị suy giảm đi ở vùng 20Hz và vùng 20Khz.

    6- Tốc độ đáp ứng(tốc suất)

    Tốc độ đáp ứng là tốc độ thay đổi tín hiệu từ thấp nhất đến cao nhất ở ngõ ra, thường được tính bằng volt/ micro giây.


    7- Hiệu suất

    Hiệu suất là một số đo biểu thị mức độ bao nhiêu công suất ở đầu vào(công suất nguồn) đã được chuyển hóa thành năng lượng hữu ích ở đầu ra của mạch khuếch đại. Các mạch khuếch đại lớp A có hiệu suất rất thấp, trong khoảng từ 10 đến 20%, và hiệu suất tối đa là 25%. Các mạch khuếch đại lớp B hiện đại có hiệu suất trong khoảng 35 đến 55%, với hiệu suất cao nhất theo lý thuyết là 78,5%.Mạch classAB có hiệu suất từ 25-78.5% tùy thuộc nó đang gần A hay gần B.

    8- Tuyến tính

    Một mạch khuếch đại lý tưởng phải là một mạch tuyến tính hoàn toàn, nhưng những mạch khuếch đại thực tế thường chỉ tuyến tính trong một phạm vi giới hạn nào đó. Khi tín hiệu được đưa đến đầu vào tăng, thì đầu ra cũng tăng theo cho đến khi đạt đến một điểm mà một linh kiện nào đó trong mạch bị bão hòa, và không thể cho thêm tín hiệu ra. Ta nói tín hiệu bị cắt xén do 1 phần tử mạch không còn tuyến tính, và đây là một trong những nguyên nhân gây ra méo dạng.

    Sự không tuyến tính cũng thường gặp khi tín hiệu đầu vào rất nhỏ không kích thích được tín hiệu đầu ra.

    Một số mạch khuếch đại được thiết kế để hoạt động theo kiểu chấp nhận giảm bớt độ lợi thay vì phải chịu méo dạng. Kết quả là tín hiệu chịu một hiệu ứng nén và nếu là tín hiệu âm thanh, thì hiệu ứng này không làm thỏa mãn người nghe lắm.

    Có rất nhiều kỹ thuật được sử dụng để giảm bớt méo dạng do không tuyến tính.
    ....
     

    Attached Files:

    • list.gif
      list.gif
      File size:
      19,5 KB
      Views:
      148
  22. Onecent

    Onecent Advanced Member

    Joined:
    24/6/10
    Messages:
    1.712
    Likes Received:
    40
    Em viết đến đây xem như mọi người cũng nắm được gần hết những kiến thức để có thể tự làm ampli đèn hoặc 1 mạch khuyếch đại đèn nào đó rồi.

    Chỉ còn phần OPT là em không viết kỹ,để các bác có thể tự tìm tòi và hoàn thiện,em chỉ có thể gợi ý như sau:


    - OPT là biến áp dùng trong âm tần nó dùng để phối hợp trở kháng giữa mạch công suất ampli đèn và loa,nó phải hoạt động trong 1 khoảng tần số rộng từ 20-20khz là phổ âm mà tai người nghe được,khác với biến áp nguồn chỉ hoạt động ở tần số 50/60Hz.


    - Nó có 2 thành phần gồm sơ cấp và thứ cấp,tỉ lệ vòng dây quấn sơ cấp/thứ cấp được gọi là n,cũng chính là tỉ số điện áp sơ cấp(Vin) và thứ cấp(vout) n = Vin/Vout. Tỉ số trở kháng sơ/thứ = n bình phương.


    - Lỏi sắt dùng làm OPT có thể dùng các loại EI,C core,xuyến...Loại càng mỏng càng tốt,chất liệu làm Fe có chứa thành phần silic. Lưu ý là khi có dòng 1 chiều chảy qua cuộn dây sơ cấp thì xảy ra bảo hòa từ trong lỏi sắt,bảo hòa từ này làm hạn chế hiệu suất biến đổi điện-từ-điện của OPT,sự hạn chế này có thể bao gồm toàn dải tần số hoạt động hoặc chỉ 1 vùng tần số thấp nào đó gây ra việc hạn chế băng thông của OPT.Đối với mạch công suất dùng SE classA thì phải làm cách nào đó để giữa E và I có 1 khoảng hở để tránh bảo hòa từ(gọi là air gap) khi đó thì hiệu suất OPT rất thấp nên buộc lòng phải tăng tiết diện lỏi sắt lên cao để bù lại. Đối với mạch CS là PP thì việc cân bằng dòng Ia của 2 anot đèn đã sinh ra 2 dòng điện ngược nhau nên hiện tượng bảo hòa từ không xảy ra,các bác phải chú ý là 2 dòng Ia này phải bằng nhau thì chúng mới triệt nhau được nhé.


    - Từ thông sinh ra cũng không phải là một hàm tuyến tính,nó cũng mất tuyến tính khi biên độ tín hiệu ngỏ vào sơ cấp quá lớn mà tiết diện lỏi sắt không đủ lớn để đáp ứng khi tải cũng đang mang dòng lớn. Em ví dụ dể hiểu là các bác đặt 100Vac vào sơ cấp và thu được 10Vac ở thứ cấp nhưng nếu các bác đặt 200Vac vào sơ cấp thì có thể chỉ thu được có 18Vac ở thứ cấp thôi,sự không tuyến tính là như thế.


    - Việc quấn nhiều lớp dây cũng sinh ra hiệu ứng về tụ ký sinh,điện cảm rò,giảm hiệu suất truyền tải,...ảnh hưởng rất lớn đến tần số cao,phương án quấn dây nào cho dây quấn càng gần với lỏi càng tốt,càng xen kẻ giữa sơ và thứ cấp nhiều lớp càng tốt.Để hạn chế các vấn đề trên nó tùy thuộc vào kinh nghiệm tính toán các lớp và quấn rất nhiều. Ngày nay đã có rất nhiều phần mềm tính toán cho OPT được phổ biến nên các bác cứ thử áp dụng và trải nghiệm.


    -Việc kiểm tra chất lượng OPT nên dựa vào phương án kỹ thuật đo kiểm hơn là dựa vào việc thẩm âm tại gia vì có thể thất thoát tần số cao hoặc thấp nhưng ta không nghe ra.


    -Điện trở 1 chiều của sơ cấp OPT cũng cần phải hạn chế đến mức có thể để bảo đảm chất lượng biến áp,có thể chọn dây đồng tinh khiết,tính toán số vòng ít nhất có thể được( nhưng vẫn đảm bảo điện cảm henry nhé)


    -Khi hoạt động đối với OPT thì cuộn dây sơ cấp làm nhiệm vụ về điện(biến đổi điện thành từ) nên những vấn đề phát sinh R,C...nên chú ý hạn chế hết mức có thể. Trong khi đó thứ cấp làm việc ngược lại là biến từ thành điện và nó có ưu thế là số vòng rất ít,dòng dẩn lớn nên dây to,điện trở 1 chiều nhỏ,cảm kháng nhỏ,điện dung ký sinh không cần quá quan tâm vì dòng nó rất lớn nên thừa khả năng để bỏ qua điện dung ký sinh này,vấn đề cần chú ý là chất liệu dây dẩn nào cảm ứng từ trường càng nhạy càng tốt như dây bạc chẳng hạn thì sẽ thu được hiệu suất cao hơn,đáp tuyến bằng phẳng hơn.


    - Một vấn đề nữa là trở kháng Raa phải được chuyển đổi thành cảm kháng L,khi đó lấy L làm chuẩn mà quấn sơ cấp đạt được giá trị này,nếu bỏ qua bước này mà chỉ tính số vòng/volt rồi tính ra số vòng dây cần quấn có khả năng sẽ không đạt L cần thiết thì cũng ảnh hưởng đến tần số thấp.

    ....

    Còn rất nhiều vấn đề như về cách điện giữa các lớp dây,cách điện giữa các vòng dây với nhau...Các bác phải trải nghiệm hoặc không có thời gian trải nghiệm thì đi mua 1 cặp OPT quấn sẳn là nhanh nhất vì những nhà SX OPT họ là bậc thầy về việc tính toán thông số và thực tế đã kiểm tra cẩn thận bằng kỹ thuật đo kiểm.


    Đến đây xem như em đã hoàn thành toàn bộ bài viết của mình,chúc các bác có thể tự làm được 1 ampli đèn điện tử thật hay,thật chuẩn xác về kỹ thuật.

    Nick Onecent xem như đã hoàn thành nhiệm vụ được người chủ nick đặt ra là chia sẻ kiến thức làm ampli đèn cùng mọi người.
    Tạm thời nick này sẽ không còn sử dụng đến khi chủ nick muốn chia sẻ vấn đề nào đó cùng các anh em.

    Hy vọng sẽ còn gặp lại anh chị em diển đàn bằng một đề tài khác.

    Kính chào tất cả mọi người.

    Onecent.
     
  23. Onecent

    Onecent Advanced Member

    Joined:
    24/6/10
    Messages:
    1.712
    Likes Received:
    40
    Em quên nói thêm 1 điều nên em phải quay lại. :mrgreen:


    Những kiến thức em viết ra có thể đúng hoặc chưa đúng,các anh chị em thấy điểm nào chưa đúng hoặc cần bổ sung thì xin cứ tự nhiên,em xem việc đó là cách mà mọi người giúp em hoàn thiện topic của mình,em sẽ không tranh luận mà trái lại rất cảm ơn các bác vào đây tranh luận,bổ sung...để các vấn đề em viết ra được phân tích sâu hơn,cẩn thận hơn và nhiều anh em khác có thể lĩnh hội được kiến thức đầy đủ,đúng đắn.

    Nhiều người vẫn hơn 1 người mà các bác. :mrgreen:

    Em dù rất cố gắng nhưng trong thời gian ngắn quá (khoảng 5 hôm) mà viết ra rất nhiều vấn đề thì khả năng sai sót,nhầm lẫn hoặc chủ quan...là không tránh khỏi.Chưa kể là kiến thức của em rất hạn hẹp :mrgreen:

    Rất mong được các bác đóng góp kiến thức của mình vào đây để các thành viên diển đàn cùng được hưởng lợi từ những chia sẽ của các bác.

    Em xin kính chào tất cả.
    Onecent.
     
  24. Ultraline

    Ultraline Advanced Member

    Joined:
    14/8/09
    Messages:
    4.757
    Likes Received:
    36
    Em nghĩ 1 cái nick chỉ tồn tại 5 ngày mà chia sẻ được nhiều thông tin như thế thì cũng đáng quý,còn hơn cái nick của em tồn tại cả năm trời mà không chia sẻ được gì :( . Có thể bác này là 1 người quen nhưng vì lý do nào đó không tiện chia sẻ nên phải tạo ra nick mới để viết bài,mà cũng lạ là không thấy bác nào vào đây phản pháo,chẳng lẻ viết một đống thứ vậy mà không sai gì à,để em đọc kỹ lại rồi pháo vài phát. :lol:

    Dù gì thì bác ấy cũng đã đi rồi,để lại cho anh em nhà ta một khối lượng kiến thức khá lớn,mổi cái nick cũng chỉ sinh ra 1 lần và chết đi cũng 1 lần mà nick này chết...thiệt xứng đáng :lol:

    Đến không trống không kèn ra đi cũng không trống không kèn. Cũng chẳng biết nick này là ai,chia sẻ xong cũng chẳng hề nhận lại lợi ích gì,chỉ có chia sẻ,chia sẻ...và ra đi,thật là đáng quý. :D

    Em mà viết được như thế em sẽ ở lại làm ampli đèn bán cho anh em chơi,kiếm tiền nuôi...vợ con. :lol:
     
  25. ngocnhung

    ngocnhung Advanced Member

    Joined:
    14/8/09
    Messages:
    378
    Likes Received:
    3
    Location:
    TraVinh City
    Bác UL nói làm em thấy nao lòng :( Vậy là bác Onecent đồng hương với bác luôn rồi đó. Em cũng đồng hương với bác ấy mà nào giờ không hề biết đến bác ấy để mà thọ giáo :cry:
    Chỉ có 5 ngày mà bác ấy viết bài khá nhanh, thật sự em đọc cũng chưa hết; em chỉ canh bác ấy đưa lên rồi copy nguyên bản lại thôi, chưa kịp cân chỉnh (em chỉ dàn trang cho dễ đọc thôi chứ không dám chỉnh sửa nội dung đâu nhé!) vì có biết gì nhiều đâu mà chỉnh sửa :D Khi sắp xếp bài viết lại xong, trước hết em sẽ in ra cho em 1 cuốn để đầu giường ngâm cứu từ từ cho thấm; sau đó gửi lên đây các bác nào cần thì tải về in ra.
    Là đồng hương với bác Onecent, em góp phần "chen lấn" là chỉ có khả năng làm được chuyện này thôi. Àh mà khi em cân chỉnh xong thành 1 tài liệu dùng để tham khảo rồi thì em không biết phải ghi tên tác giả như thế nào đây các bác ? Hay là em cứ ghi tác giả là "Onecent" có được không ?
     

Share This Page

Loading...