thay 6h6p bằng tube gì nghê ấm hơn?

Discussion in 'Đèn điện tử' started by tommy, 5/4/09.

  1. tommy

    tommy Advanced Member

    Joined:
    17/5/06
    Messages:
    624
    Likes Received:
    8
    Location:
    Tay ninh
    các bác cho e hỏi em có cai pre dùng 2 bóng 6h6 vậy em nên thay loại bóng tương đương nào để nghê âm thanh trầm + ấm hơn. chứ để em 6h6 sao mid+trble nó la quá trời.
    em nên thay loại tube nào vào là chạy ngay?
    thanks các bác.
     
    Tags:
  2. SonTung

    SonTung Advanced Member

    Joined:
    5/1/08
    Messages:
    118
    Likes Received:
    3
    Location:
    Đồng Lai
    Re: thay 6h6 bằng tube gì nghê ấm hơn?

    THử 6h1 đi bác, trầm ấm hơn đó :)
     
  3. khuehn

    khuehn Advanced Member

    Joined:
    12/10/06
    Messages:
    5.241
    Likes Received:
    50
    Location:
    Ha noi
    Re: thay 6h6 bằng tube gì nghê ấm hơn?

    Bác thay thử bằng đèn 6H30PI, chắc hay hơn nhiều đó nếu kiếm được 6H30DR thì càng tốt
     
  4. tommy

    tommy Advanced Member

    Joined:
    17/5/06
    Messages:
    624
    Likes Received:
    8
    Location:
    Tay ninh
    Re: thay 6h6 bằng tube gì nghê ấm hơn?

    thanks. để em thủ xem sao?
    có bác nào cho em lời khuyên khác ko ạ để em mua về tahy 1 lần thử xem sao.
     
  5. BachDuong

    BachDuong Moderator

    Joined:
    2/12/05
    Messages:
    4.998
    Likes Received:
    879
    Location:
    Hanoi
    Re: thay 6h6 bằng tube gì nghê ấm hơn?

    Theo em là do linh kiện và do mạch chứ không hẳn do bóng. Bóng 6H6P có đặc điểm là trầm ấm :D
     
  6. VQ_audio

    VQ_audio Advanced Member

    Joined:
    13/7/06
    Messages:
    9.261
    Likes Received:
    28
    Re: thay 6h6 bằng tube gì nghê ấm hơn?

    Rề 6h6 nhà em chạy bóng CCCP thì đúng là trầm ấm => bí :) cắm bóng Russian thấy chói gắt => thiếu bass :mrgreen:
     
  7. tommy

    tommy Advanced Member

    Joined:
    17/5/06
    Messages:
    624
    Likes Received:
    8
    Location:
    Tay ninh
    Re: thay 6h6p bằng tube gì nghê ấm hơn?em viết nhầm 6h6.

    sorry em viết nhầm. bóng 6h6p chứ ko phải 6h6.
     
  8. tommy

    tommy Advanced Member

    Joined:
    17/5/06
    Messages:
    624
    Likes Received:
    8
    Location:
    Tay ninh
    Re: thay 6h6p bằng tube gì nghê ấm hơn?emviết nhầm 6h6.

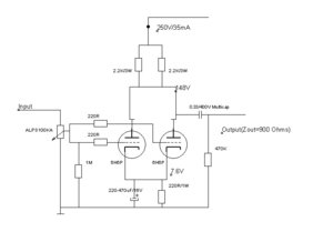
    mạch em đang dùng tụ output 2.0uF aerovox, tụ cathod 470/16v
    nếu em thay con tụ 470/16v= con 1000/16v và tụ output 3.3uF thì có tăng âm trầm ko các bác? theo sơ đồ này?
     

    Attached Files:

  9. VQ_audio

    VQ_audio Advanced Member

    Joined:
    13/7/06
    Messages:
    9.261
    Likes Received:
    28
    Re: thay 6h6p bằng tube gì nghê ấm hơn?emviết nhầm 6h6.

    Bác thử tăng trị số trở tải anode lên xem seo :) rề nhà em đang dùng cấu hình giống cái bác pót : B+226Volts / Ra 2,2k / Ua 160Volts / Rk 200ohm / Uk 6Volts / Ck 470uF Nói chung theo tai trâu nhà em chả thiếu cái giề :mrgreen:
     
  10. tommy

    tommy Advanced Member

    Joined:
    17/5/06
    Messages:
    624
    Likes Received:
    8
    Location:
    Tay ninh
    Re: thay 6h6p bằng tube gì nghê ấm hơn?emviết nhầm 6h6.

    em chạy u=216v , áp sau khi qua 2 em trở (2.2k/10w) em thay (2.5k/10w )u=170v, tụ tại cathod =220/35v. vậy bác thấy em nên thay em trở 2.5k/10w hay thay em tụ 220/35v lên 470/35v?
     
  11. tommy

    tommy Advanced Member

    Joined:
    17/5/06
    Messages:
    624
    Likes Received:
    8
    Location:
    Tay ninh
    Re: thay 6h6p bằng tube gì nghê ấm hơn?emviết nhầm 6h6.

    cấu hình hiện tại như sau : 2 bóng 6h6p
    áp anod =216v , ap sau khi qua 2 em trở cs 2500 ohm/10w u=170v,
    áp đốt tim 6.3v
    tụ cathod =470/40(epcos)
    tụ xuất 2.0/200v AEROVOX
    R công suât 2.5k/10w)
    cảm nhận hiện tại trung va treble quá lồi (hơi chói gắt).
    các bác cho em hỏi có chác nào làm cho mid +treble ấm lại ko ạ? thanks.
     
  12. ThanhTruc03

    ThanhTruc03 Advanced Member

    Joined:
    5/12/05
    Messages:
    2.648
    Likes Received:
    20
    Ngõ ra rề bác câu 1 con tụ 100pF xuống mát, tăng trị số này lên từ từ 200 pF, 300 pF... đến khi nghe cảm thấy trầm ấm vừa đủ.
     
  13. hoakd

    hoakd Advanced Member

    Joined:
    13/1/07
    Messages:
    143
    Likes Received:
    6
    bạn thử bỏ tụ 470mf/ 40v đấu ở Cathod đèn, tiếng sẽ nhỏ hơn, nhưng sẽ đỡ chói nhiều đấy
     
  14. tommy

    tommy Advanced Member

    Joined:
    17/5/06
    Messages:
    624
    Likes Received:
    8
    Location:
    Tay ninh
    em thay 6h6p=6dj8 được ko các bác?
     
  15. quyen

    quyen Advanced Member

    Joined:
    14/8/06
    Messages:
    226
    Likes Received:
    0
    Location:
    Hà Nội
    6dj8 em thấy nó cứ đều đều, không cá tính lắm. Mạch hiện tại 6h6p của bác chỗ tụ xuất bác thử thêm 1 con cỡ 1 muy xem sao.
     
  16. tommy

    tommy Advanced Member

    Joined:
    17/5/06
    Messages:
    624
    Likes Received:
    8
    Location:
    Tay ninh
    uhm để em thử xem sao.
     
  17. tommy

    tommy Advanced Member

    Joined:
    17/5/06
    Messages:
    624
    Likes Received:
    8
    Location:
    Tay ninh
    ngõ ra đấu // thêm 1 em 0.15 Wima đựoc ko bác?
     
  18. Супер

    Супер Advanced Member

    Joined:
    22/9/09
    Messages:
    7.761
    Likes Received:
    61
    Location:
    Антарктида
    Muốn tiếng trầm ấm bác kiếm 6N1P thay vào... :mrgreen:
     
  19. tommy

    tommy Advanced Member

    Joined:
    17/5/06
    Messages:
    624
    Likes Received:
    8
    Location:
    Tay ninh
    em thích tiếng mid bass trầm. ihii lần này có cao thủ rồi. 6h6p em thấy dãy trung lồi ra như chơi lossness .
    em ghép em này với lm3886 .thanks.
     
  20. Супер

    Супер Advanced Member

    Joined:
    22/9/09
    Messages:
    7.761
    Likes Received:
    61
    Location:
    Антарктида
    Em lùn thủ mà :|
    Bóng 6H6 vốn mid bass tốt rồi,nhưng muốn dải này ưu thế hơn chút nữa thì bác thay bóng 6N1P hay làm theo cách của cụ ThanhTruc kìa.Chắc chắn sẽ mãn nguyện thôi.
     
  21. tommy

    tommy Advanced Member

    Joined:
    17/5/06
    Messages:
    624
    Likes Received:
    8
    Location:
    Tay ninh
    thanks. 6N1p bao nhiêu 1 bóng vậy bác?
     
  22. Супер

    Супер Advanced Member

    Joined:
    22/9/09
    Messages:
    7.761
    Likes Received:
    61
    Location:
    Антарктида
    Rẻ hơn 6H6 bác cứ yêm tâm.15 - 20K / bóng thôi.
     
  23. tommy

    tommy Advanced Member

    Joined:
    17/5/06
    Messages:
    624
    Likes Received:
    8
    Location:
    Tay ninh
    hihi. vậy để em mua về nghịch cho đã. thanks bác nhiều lắm.
     

Share This Page

Loading...