The best DAC AD1865

Discussion in 'Thiết bị số' started by quanghao, 17/8/09.

  1. tcqanh

    tcqanh Advanced Member

    Joined:
    11/9/07
    Messages:
    8.015
    Likes Received:
    92
    Location:
    Q3, Sài Gòn
    Re: The best DAC AD1865- UPDAT mới nhất 2011+ File Bom trang 1

    thì em lấy thông số từ cái link y như của bác đưa đó. em có 1 cặp pre opt chỉ có 20H. tính làm pre cho 6h30 này thử xem thế nào. nếu opt này không đạt, em tính đường quấn lại :lol:
     
  2. quanghao

    quanghao Advanced Member

    Joined:
    30/10/06
    Messages:
    7.598
    Likes Received:
    321
    Location:
    Thành Công
    Re: The best DAC AD1865- UPDAT mới nhất 2011+ File Bom trang 1

    6h30 mà chạy BT xuất âm thì cần tính toán lại cho kỹ!
    nóa cần áp lớn hơn chút!
     
  3. quanghao

    quanghao Advanced Member

    Joined:
    30/10/06
    Messages:
    7.598
    Likes Received:
    321
    Location:
    Thành Công
    Re: The best DAC AD1865- UPDAT mới nhất 2011+ File Bom trang 1

    dùng BT 5K, chứ dùng 2.5 k, bt xuất âm phải ngon lắm cụ ơi!
     
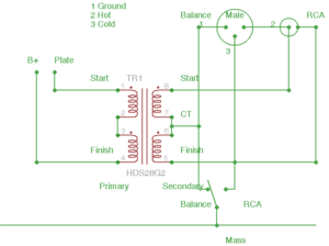
  4. anhlongtranf

    anhlongtranf Advanced Member

    Joined:
    10/2/09
    Messages:
    1.313
    Likes Received:
    4
    Re: The best DAC AD1865- UPDAT mới nhất 2011+ File Bom trang 1

    Sau khi tham khảo một số chuyên gia thì em vẽ lại mạch ráp Balance thieo kiểu thông dụng (kiểu Tây Âu) như sau nhé:
    Thanks!
     

    Attached Files:

  5. quanghao

    quanghao Advanced Member

    Joined:
    30/10/06
    Messages:
    7.598
    Likes Received:
    321
    Location:
    Thành Công
    Re: The best DAC AD1865- UPDAT mới nhất 2011+ File Bom trang 1

    cái này ok rùi còn gì! làm thêm cái relay thì đỡ nhỉ??
     
  6. lynhan159

    lynhan159 Advanced Member

    Joined:
    16/10/07
    Messages:
    3.017
    Likes Received:
    5
    Location:
    Phú Nhuận Bang, Sài Gòn
    Re: The best DAC AD1865- UPDAT mới nhất 2011+ File Bom trang 1

    Em mới ngộ ra OPT cũng phải rồ đai :mrgreen: ! hôm nay treb lên ngon hơn con tụ auricap 2,2 roài :mrgreen: . Em tạm hài lòng với áp anode 170v luôn, chuẩn bị fix linh kiện tầng IV. Thanks
     
  7. atkaudio

    atkaudio Advanced Member

    Joined:
    16/4/09
    Messages:
    60
    Likes Received:
    11
    Re: The best DAC AD1865- UPDAT mới nhất 2011+ File Bom trang 1

    Em mới ngộ ra OPT cũng phải rồ đai :mrgreen: ! hôm nay treb lên ngon hơn con tụ auricap 2,2 roài :mrgreen: . Em tạm hài lòng với áp anode 150v luôn, chuẩn bị fix linh kiện tầng IV. Thanks[/quote]

    bác đã làm xong?? cho anh em cảm nhận về cái DAC mới này đi!
    Em thấy bác diy hơi nhanh đó! :D
     
  8. Vincin

    Vincin Advanced Member

    Joined:
    3/3/06
    Messages:
    863
    Likes Received:
    6
    Re: The best DAC AD1865- UPDAT mới nhất 2011+ File Bom trang 1

    Silk Thailand có thể custom made cho các bác OPT lõi nickel với giá khoảng 265 USD/cặp chưa kể shipping. Nghe nói mấy cái OPT của SILK đo đạt, băng thông ngon lành.
     
  9. quanghao

    quanghao Advanced Member

    Joined:
    30/10/06
    Messages:
    7.598
    Likes Received:
    321
    Location:
    Thành Công
    Re: The best DAC AD1865- UPDAT mới nhất 2011+ File Bom trang 1

    như vậy chơi cặp LL1660 = 350 $ đã về đến Hà nội hay hơn chứ bác!??
     
  10. Baoanh_Hue

    Baoanh_Hue Advanced Member

    Joined:
    6/3/07
    Messages:
    8.888
    Likes Received:
    7
    Location:
    phá Tam Giang
    Re: The best DAC AD1865- UPDAT mới nhất 2011+ File Bom trang 1

    Hic, thấy tiến độ các bác em :( ...M mới ở giai đoạn...đặt mua linh kiện ở STAV :( ... chắc tuần sau chạy đua.... :p
     

    Attached Files:

  11. quanghao

    quanghao Advanced Member

    Joined:
    30/10/06
    Messages:
    7.598
    Likes Received:
    321
    Location:
    Thành Công
    Re: The best DAC AD1865- UPDAT mới nhất 2011+ File Bom trang 1

    Chào các bác!
    sau khi kiểm tra kỹ phần Relay không đóng chậm, em phát hiện PCb bị lỗi khi sản xuất như sau!
    Vậy kính báo để bà con fix lỗi dùm em, việc rất đơn giản !
    Xin cảm ơn và thành thật xin lỗi vì lỗi không đáng có này!
    Đa tạ!
    Quanghao

    Cụ thể là: Mass của GND dính ngay vào chân mass của Relay
     

    Attached Files:

  12. tcqanh

    tcqanh Advanced Member

    Joined:
    11/9/07
    Messages:
    8.015
    Likes Received:
    92
    Location:
    Q3, Sài Gòn
    Re: The best DAC AD1865- UPDAT mới nhất 2011+ File Bom trang 1

    cặp opt của em bị lệch. hôm qua em phải tháo ra, sắp xếp fe lại. đo 2 bên cân nhau 25H tương đương trở kháng tầm 3,1K tại 20hz. chiến thoai :D

    em chưa dùng fe Niken bao giờ. không biết đặc tính fe này cho chất âm tốt hơn các fe đen, hay fe xám của Nhật chổ nào các bác nhể ?

    bóng 6h30 có trở kháng ra thấp. nếu dùng 1 triode thì cần biến thế 5k. nếu dùng 2 triode chặp đôi thì opt chỉ cần 3k là ngon rùi :D . thậm chí bóng này mắc 3 triode song song là trở kháng ra dưới 6 ohms luôn. ngay chính hãng Conrad Johnson lắp 4 triode song song, họ công bố trở kháng ra rất thấp dưới 500 ohms.
     
  13. quanghao

    quanghao Advanced Member

    Joined:
    30/10/06
    Messages:
    7.598
    Likes Received:
    321
    Location:
    Thành Công
    Re: The best DAC AD1865- UPDAT mới nhất 2011+ File Bom trang 1

    dùng BT 5K, chứ dùng 2.5 k, bt xuất âm phải ngon lắm cụ ơi![/quote]

    bóng 6h30 có trở kháng ra thấp. nếu dùng 1 triode thì cần biến thế 5k. nếu dùng 2 triode chặp đôi thì opt chỉ cần 3k là ngon rùi :D . thậm chí bóng này mắc 3 triode song song là trở kháng ra dưới 6 ohms luôn. ngay chính hãng Conrad Johnson lắp 4 triode song song, họ công bố trở kháng ra rất thấp dưới 500 ohms.[/quote]

    đúng vậy!
    nhưng em muốn nói đến chất lượng của BT!

    Con 818 của em Trở kháng ra cũng tầm dưới 500R
     
  14. tcqanh

    tcqanh Advanced Member

    Joined:
    11/9/07
    Messages:
    8.015
    Likes Received:
    92
    Location:
    Q3, Sài Gòn
    Re: The best DAC AD1865- UPDAT mới nhất 2011+ File Bom trang 1

    chất lượng opt thì hên xui. quan trọng nhất là chất lượng Fe. mà Fe tốt ở mình thì... bị các cụ nhà ta gom hết rùi. em tranh thủ lắm mới lượm được 1 bộ Fe28 loại khá.

    trở kháng pre dưới 600 ohms được xem là lý tưởng vì chúng sẽ đánh được cho các loại ampli và không bị giới băng thông. opt cho pre có 1 phần nhiệm vụ hạ trở kháng xuống dưới mức này :D

    vì thế em tự hỏi Khi chúng ta có pre thì tại sao chúng ta lại dùng opt cho dac ? :wink:
     
  15. NDHien

    NDHien Advanced Member

    Joined:
    12/11/09
    Messages:
    1.693
    Likes Received:
    11
    Re: The best DAC AD1865- UPDAT mới nhất 2011+ File Bom trang 1

    Chào các bác

    BA là nguồn của Méo , méo nhiều hay ít , méo chẵn hay lẻ đều có cả , nếu các bác đã có Pre xuất BA thì DAC nên xuất tụ , nếu các bác dùng amp tích hợp hay pow bán dẫn thì nên dùng xuất BA cho nó có chất âm đèn + BA , phần lớn chúng ta ở đây đều muốn ngon , bổ rẻ , DAC dùng cho cả mọi thể nhạc , thành ra cũng hơi khó , nhưng đôi khi nghe méo lại thấy hay, đây chỉ là ý kiến riêng của mình thôi, có thể không hợp với các bác .

    @ bác tcanh : Đầu năm nay mình vào An sinh , dùng Longgo cắt ****, sau khi đi hai hàng cả tuần lễ , bây giờ lại thấy thiếu cái gì ...thành ra nếu quen với cái gì thì cái đó sẽ hay thôi .

    Thân
     
  16. tcqanh

    tcqanh Advanced Member

    Joined:
    11/9/07
    Messages:
    8.015
    Likes Received:
    92
    Location:
    Q3, Sài Gòn
    Re: The best DAC AD1865- UPDAT mới nhất 2011+ File Bom trang 1

    đây chính là lý do mà em không dùng biến áp cho phần giải mã. như chúng ta biết tín hiệu từ chíp giải mã là rất nhỏ, chúng cần khuếch đại càng chính xác, càng tuyến tính càng tốt, càng ít noise càng hay. và trở kháng đầu ra thấp vừa phải cũng là đủ. đó cũng chính là lý do tại sao em thích dùng mạch Totem Pole (SRPP) cho tầng đệm IV này. chúng có nhiều ưu điểm hơn khuếch đại anode follower.

    nếu dùng opt cho dac thì phải tìm loại nào càng xịn càng tốt, bèo lắm cũng là C core, dây bạc như Audio Note. nếu dùgn opt thường thường thì không nên :wink:

    hãy để nhiệm vụ tạo méo, chất âm đèn cho pre hoặc cho tầng đầu của ampli :D


    nếu em cắt thì câu màu đỏ còn có 2 ngày. Tay lái lụa mà :D

    bác sẽ quen với cái mới và cảm thấy nó hay sau 1 thời gian adapter. :mrgreen:
     
  17. lynhan159

    lynhan159 Advanced Member

    Joined:
    16/10/07
    Messages:
    3.017
    Likes Received:
    5
    Location:
    Phú Nhuận Bang, Sài Gòn
    Re: The best DAC AD1865- UPDAT mới nhất 2011+ File Bom trang 1

    nhạc vui thì em cho vợ trẻ nó hót(tụ),nhạc buồn tình cởm thì em cho vợ già nó hót (opt) chứ làm 2 cái đều xuất tụ thì chán nhể :mrgreen: ! Thanks
    Em vừa nhận được hàng cám ơn bác Hào nhé,em đóng điện phần DAC đây! PM cho em với! thanks
     
  18. quanghao

    quanghao Advanced Member

    Joined:
    30/10/06
    Messages:
    7.598
    Likes Received:
    321
    Location:
    Thành Công
    Re: The best DAC AD1865- UPDAT mới nhất 2011+ File Bom trang 1

    hãy để nhiệm vụ tạo méo, chất âm đèn cho pre hoặc cho tầng đầu của ampli :D
    [/quote]
    nhạc vui thì em cho vợ trẻ nó hót(tụ),nhạc buồn tình cởm thì em cho vợ già nó hót (opt) chứ làm 2 cái đều xuất tụ thì chán nhể :mrgreen: ! Thanks
    Em vừa nhận được hàng cám ơn bác Hào nhé,em đóng điện phần DAC đây! PM cho em với! thanks[/quote]

    chưa cụ nào xong hết DAC nhỉ! hu hu
     
  19. yenha

    yenha Advanced Member

    Joined:
    19/3/06
    Messages:
    408
    Likes Received:
    6
    Location:
    Hưng Yên
    Re: The best DAC AD1865- UPDAT mới nhất 2011+ File Bom trang 1

    E đang nghe rồi.
    Để tối e về chộp hình phọt lên.
    Pow của em chắc gain cao quá nên không lắp bo IV.
    Nghe thẳng từ DAC thấy hay hơn vì vặn vol đến khoảng 9h là nghe được. Trở IV em dùng 150R
    Trước làm DACend2 có mạch IV chỉ cần nhích vol là kêu ầm nhà nên nghe buổi tối kô tiện.
     
  20. quanghao

    quanghao Advanced Member

    Joined:
    30/10/06
    Messages:
    7.598
    Likes Received:
    321
    Location:
    Thành Công
    Re: The best DAC AD1865- UPDAT mới nhất 2011+ File Bom trang 1

    bác so thử với version cũ không?? nền âm thanh vững trãi hơn không??
    thử cho anh em vài cảm nhận xem??
    thanks
     
  21. yenha

    yenha Advanced Member

    Joined:
    19/3/06
    Messages:
    408
    Likes Received:
    6
    Location:
    Hưng Yên
    Re: The best DAC AD1865- UPDAT mới nhất 2011+ File Bom trang 1

    DAC2 đi ở rồi nên chưa so sánh được.
    Chỉ có 1 điểm khác biệt rõ nhất là khi cắm DAC3 vào amp và vặn vol hết cỡ thì ko có tiếng xì xèo gì cả, DAC2 em lắp lúc trước vẫn bị.
    Em ghét nhất là ko có tín hiệu mà có tiếng vớ vẩn ở loa
     
  22. anhlongtranf

    anhlongtranf Advanced Member

    Joined:
    10/2/09
    Messages:
    1.313
    Likes Received:
    4
    Re: The best DAC AD1865- UPDAT mới nhất 2011+ File Bom trang 1

    Lần này bác không dùng IV mà.
     
  23. yenha

    yenha Advanced Member

    Joined:
    19/3/06
    Messages:
    408
    Likes Received:
    6
    Location:
    Hưng Yên
    Re: The best DAC AD1865- UPDAT mới nhất 2011+ File Bom trang 1

    DAC2 em nghe có IV sau em cũng bỏ luôn.
    Lúc cho mượn em lại cho IV vào.
    So sánh phải cùng điều kiện chứ bác
     
  24. quanghao

    quanghao Advanced Member

    Joined:
    30/10/06
    Messages:
    7.598
    Likes Received:
    321
    Location:
    Thành Công
    Re: The best DAC AD1865- UPDAT mới nhất 2011+ File Bom trang 1

    Bác kêu bỏ IV thì em buồn chết!, âm li gain mà bé thì chỉ kêu lí nhí thui!
     
  25. lynhan159

    lynhan159 Advanced Member

    Joined:
    16/10/07
    Messages:
    3.017
    Likes Received:
    5
    Location:
    Phú Nhuận Bang, Sài Gòn
    Re: The best DAC AD1865- UPDAT mới nhất 2011+ File Bom trang 1

    em trốn việc về làm ngay chộp 1 phát cho anh xem nè :mrgreen:
    hót luôn mới ghê chớ. Thanks

    cái lỗ chân tụ jensen đó nhỏ quá em mài cực thấy ngựa luôn :mrgreen:
     

    Attached Files:

Share This Page

Loading...