Ultra Low Cost (ULC) - EL84 Push Pull

Discussion in 'Đèn điện tử' started by Ultraline, 2/9/09.

  1. mrhung

    mrhung Advanced Member

    Joined:
    25/2/10
    Messages:
    592
    Likes Received:
    1
    Re: Ultra Low Cost (ULC) - EL84 Push Pull đã có PCB (P-124)

    Bẩm các cụ của em đã đóng điện hiẹn tại em mới cắm có một đèn van thì đo điện áp hiện tại được như trong hình. Các cụ xem giúp em điện áp như thế được chưa. Vì chưa cắm bóng em nghĩ nó xụt áp suống là vừa. Và cho em hỏi điện áp ở 2 điểm ?? là bao nhiêu?.Em không dùng choke quấn mà dùng mạnh ổn định dòng điện lắp vào chỗ này.
     
  2. Ultraline

    Ultraline Advanced Member

    Joined:
    14/8/09
    Messages:
    4.757
    Likes Received:
    36
    Re: Ultra Low Cost (ULC) - EL84 Push Pull đã có PCB (P-124)

    Cụ chưa gắn đèn nào cả,chỉ có 1 đèn van thì kết quả trên là quá OK rồi.

    Cụ cắm đèn pre + driver vào rồi đo cho em điện áp tại anot các đèn này sau 5 phút mở máy nhé(chân 1 và 6 của đèn).

    Nếu OK thì cắm tiếp đèn công suất.
     
  3. mrhung

    mrhung Advanced Member

    Joined:
    25/2/10
    Messages:
    592
    Likes Received:
    1
    Re: Ultra Low Cost (ULC) - EL84 Push Pull đã có PCB (P-124)

    Ok cụ tối nay em về cắp nốt nếu ok chắc là em nó kêu ngay.có gì vướng mắc em sẽ báo tình hình với các cụ.Thanks
     
  4. Ultraline

    Ultraline Advanced Member

    Joined:
    14/8/09
    Messages:
    4.757
    Likes Received:
    36
    Re: Ultra Low Cost (ULC) - EL84 Push Pull đã có PCB (P-124)

    Dưng mà mạch ổn định dòng điện là cái gì em không biết vậy? Là mạch nguồn salas,hay mạch nguồn dòng,hay...?
     
  5. mrhung

    mrhung Advanced Member

    Joined:
    25/2/10
    Messages:
    592
    Likes Received:
    1
    Re: Ultra Low Cost (ULC) - EL84 Push Pull đã có PCB (P-124)

    Em thấy bác cao thủ mà làm mạch này cho em nói. Nó có chức năng lọc giống choke. mạch này của nó em thấy bảo nó tương đương với choke 10h 1A. Em cũng không biết gọi là thành ra gọi tạm nhưu vậy?
     
  6. Ultraline

    Ultraline Advanced Member

    Joined:
    14/8/09
    Messages:
    4.757
    Likes Received:
    36
    Re: Ultra Low Cost (ULC) - EL84 Push Pull đã có PCB (P-124)

    Bật mí chút chứ Cụ nói thế này thì em không hình dung được. :D

    Có phải cụ nói là mạch ổn áp hay không? Làm gì có cái mạch thay được cho đúng cái cuộn choke?
     
  7. mrhung

    mrhung Advanced Member

    Joined:
    25/2/10
    Messages:
    592
    Likes Received:
    1
    Re: Ultra Low Cost (ULC) - EL84 Push Pull đã có PCB (P-124)

    Em thấy bảo nó không phải là thay.Mà nó có chức năng lọc giống choke. Bác đấy đã đo thử rùi. Khá sạch. Mà làm cái này giá thành khá thấp.Em không học điện tử lên cũng không tìm hiểu được cụ thể nó hoạt động thế nào. chỉ biết bác đấy nói như thế và bác đấy đã đo thử và dùng nhiều rùi.
     
  8. audiofind

    audiofind Advanced Member

    Joined:
    14/4/08
    Messages:
    605
    Likes Received:
    1
    Re: Ultra Low Cost (ULC) - EL84 Push Pull đã có PCB (P-124)

    He he! Nhờ các bác hướng dẫn em cách quấn choke 10H (dùng fe 22, hoặc 32 càng tốt) để em làm luôn cùng với cục nguồn cho vào nồi vecni luộc luôn 1 lần cho đỡ hao :lol: ?
     
  9. Ultraline

    Ultraline Advanced Member

    Joined:
    14/8/09
    Messages:
    4.757
    Likes Received:
    36
    Re: Ultra Low Cost (ULC) - EL84 Push Pull đã có PCB (P-124)

    bác Trà Xanh hướng dẩn rồi đây bác:


     
  10. audiofind

    audiofind Advanced Member

    Joined:
    14/4/08
    Messages:
    605
    Likes Received:
    1
    Re: Ultra Low Cost (ULC) - EL84 Push Pull đã có PCB (P-124)

    Cụ hướng dẫn vẫn em vẫn chịu không làm được, vì em không biết mua bao nhiêu lạng dây, quấn bao nhiêu vòng để được 85 Ohm, không lẽ quấn được 1 chút lại cắt dây cạo ra đo, xong nối vào quấn tiếp. Bác nào đã làm có kinh nghiệm chỉ tiếp. :(
    Em sẽ hi sinh vài met dây đo điện trở sau đó quấn thử được bao nhiêu vòng và nhân lên để ra số vòng cần quấn, đc không các bác?
     
  11. trinhngoc293

    trinhngoc293 Advanced Member

    Joined:
    23/11/08
    Messages:
    5.838
    Likes Received:
    28
    Location:
    Xã đoàn Gầm Cầu
    Re: Ultra Low Cost (ULC) - EL84 Push Pull đã có PCB (P-124)

    cụ nói rõ hơn được không ah? em cũng chưa hiểu ý cụ lắm,nếu ngon thì anh em cùng thử nghiệm cho vui.em cũng mù tịt điện tử luôn cụ ah :)
     
  12. Ultraline

    Ultraline Advanced Member

    Joined:
    14/8/09
    Messages:
    4.757
    Likes Received:
    36
    Re: Ultra Low Cost (ULC) - EL84 Push Pull đã có PCB (P-124)


    Bác đo Rdc thì dể ẹc,có phải vào fe đâu mà lo,bác cứ quấn và đếm chừng 500 vòng sau đó cạo nhẹ lớp emay,dùng VOM đo coi được bao nhiêu ohm,cứ thế mà nhân lên cho được số ohm cần thiết thì ra số vòng cần quấn.

    Fe32 xếp dày 3.2cm bác Trà Xanh hướng dẩn rồi đó. :D
     
  13. Ultraline

    Ultraline Advanced Member

    Joined:
    14/8/09
    Messages:
    4.757
    Likes Received:
    36
    Re: Ultra Low Cost (ULC) - EL84 Push Pull đã có PCB (P-124)

    Các bác đăng ký board EL84 thì đăng ký tiếp tục vào đây,em đã báo làm thêm khoảng 10 tấm để giải quyết cho các anh em đăng ký muộn.

    Chỉ duy nhất loại EL84 thôi nhé. :D
     
  14. mrhung

    mrhung Advanced Member

    Joined:
    25/2/10
    Messages:
    592
    Likes Received:
    1
    Re: Ultra Low Cost (ULC) - EL84 Push Pull đã có PCB (P-124)

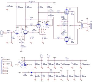
    Bác cho em hỏi 2 cổng nghi là FB+ FB- Có phải là bắt vào 2 dây của loa quay lại không ạ?
     
  15. Ultraline

    Ultraline Advanced Member

    Joined:
    14/8/09
    Messages:
    4.757
    Likes Received:
    36
    Re: Ultra Low Cost (ULC) - EL84 Push Pull đã có PCB (P-124)

    Đó là thứ cấp OPT bắt vào. FB là feedback

    Loa bắt vào em ký hiệu là SP+,SP- . SP là speaker

    :roll:
     
  16. mrhung

    mrhung Advanced Member

    Joined:
    25/2/10
    Messages:
    592
    Likes Received:
    1
    Re: Ultra Low Cost (ULC) - EL84 Push Pull đã có PCB (P-124)

    he he. em quên mất là còn 2 cái đầu dây này.Sory bác.
     
  17. hongha137

    hongha137 Advanced Member

    Joined:
    3/7/10
    Messages:
    69
    Likes Received:
    11
    Re: Ultra Low Cost (ULC) - EL84 Push Pull đã có PCB (P-124)

    Tôi đăng ký 02 bo EL 84 nhé .
     
  18. daiduongxanh14113

    daiduongxanh14113 Approved Member

    Joined:
    28/1/10
    Messages:
    18
    Likes Received:
    11
    Re: Ultra Low Cost (ULC) - EL84 Push Pull đã có PCB (P-124)

    Em edit lại nhé!
    1. hongha137: 2 board EL84
    2. daiduongxanh14113: 2 board EL84
    Cảm ơn bác Ultraline lần nữa nha.
     
  19. mrhung

    mrhung Advanced Member

    Joined:
    25/2/10
    Messages:
    592
    Likes Received:
    1
    Re: Ultra Low Cost (ULC) - EL84 Push Pull đã có PCB (P-124)

    Các cụ xem giúp em xem giúp em sau khi đóng điện cắm 2 đèn ecc82 ( em mới cắm 1 kênh) thì điện áp anot tại 2 đèn như sau. Bác cụ xem giúp thế này em có thể cắm đèn công xuất chưa?
     

    Attached Files:

    • 3.jpg
      3.jpg
      File size:
      154,7 KB
      Views:
      498
  20. kulyman

    kulyman Advanced Member

    Joined:
    6/11/08
    Messages:
    81
    Likes Received:
    0
    Re: Ultra Low Cost (ULC) - EL84 Push Pull đã có PCB (P-124)

    Cho em ké với
    1. hongha137: 2 board EL84
    2. daiduongxanh14113: 2 board EL84
    3. kulyman: 1 board EL84

    Thanks bác Ultraline.
     
  21. Ultraline

    Ultraline Advanced Member

    Joined:
    14/8/09
    Messages:
    4.757
    Likes Received:
    36
    Re: Ultra Low Cost (ULC) - EL84 Push Pull đã có PCB (P-124)

    Bác giảm com R42(47K/2W) thành 22K/2W

    Chỉnh cái VR2(103) sao cho điện áp đo được tại 2 catot của đèn T3 bằng nhau.

    Đo lại điện thế và post lên giúp em cái,kể cả các điện áp nguồn 280V,270V. :D
     
  22. Ultraline

    Ultraline Advanced Member

    Joined:
    14/8/09
    Messages:
    4.757
    Likes Received:
    36
    Re: Ultra Low Cost (ULC) - EL84 Push Pull đã có PCB (P-124)

    Còn vài bác có nhu cầu đăng ký PCB EL84 nữa,em nhận pm nhưng không thấy đăng ký ngoài topic này,các bác khẩn trương lên nhé,khoảng ngày 3-4/9 là có PCB rồi đó. :roll:
     
  23. mrhung

    mrhung Advanced Member

    Joined:
    25/2/10
    Messages:
    592
    Likes Received:
    1
    Re: Ultra Low Cost (ULC) - EL84 Push Pull đã có PCB (P-124)

    ok để em thay
     
  24. Ultraline

    Ultraline Advanced Member

    Joined:
    14/8/09
    Messages:
    4.757
    Likes Received:
    36
    Re: Ultra Low Cost (ULC) - EL84 Push Pull đã có PCB (P-124)

    Khi bác thay thì nó kéo anot đèn đầu xuống còn khoảng 100V, khi đó anot đèn driver sẽ tăng cao lên,bác post lên em sẽ đề nghị bác thay tiếp con 22K/2W chổ catot đèn driver,nhưng bác phải post điện áp đầy đủ thì em mới tính ra giá trị mới cho điện trở này.
     
  25. garbolino

    garbolino Advanced Member

    Joined:
    28/3/07
    Messages:
    6.862
    Likes Received:
    11
    Location:
    ZVL Skalica
    Re: Ultra Low Cost (ULC) - EL84 Push Pull đã có PCB (P-124)

     

Share This Page

Loading...