Ultra Low Cost (ULC) - EL84 Push Pull

Discussion in 'Đèn điện tử' started by Ultraline, 2/9/09.

  1. DJVDK

    DJVDK Advanced Member

    Joined:
    16/3/09
    Messages:
    1.025
    Likes Received:
    432
    Re: Ultra Low Cost (ULC) - EL84 Push Pull đã có PCB (P-124)

    woh.của bác garbolino đẹp nhẩy :mrgreen:
     
  2. anhlongtranf

    anhlongtranf Advanced Member

    Joined:
    10/2/09
    Messages:
    1.313
    Likes Received:
    4
    Re: Ultra Low Cost (ULC) - EL84 Push Pull đã có PCB (P-124)

    Hoành tráng quá. Đẹp hơn đồ hàng rồi còn gì...
    Bác có thể nắn diod sau đó nắn đèn được mà. Nắn như vậy còn sạch hơn cả nắn đèn không ấy chứ. Bác liên hệ bác chủ để cho giải pháp đi. Bỏ đèn nắn đi uổng quá.
     
  3. dungphuong79

    dungphuong79 Advanced Member

    Joined:
    25/3/09
    Messages:
    763
    Likes Received:
    6
    Location:
    TPHCM
    Re: Ultra Low Cost (ULC) - EL84 Push Pull đã có PCB (P-124)

    Hàn xong chưa mà đòi đóng điện,hôm bữa nhìn thấy ghê mà sao hoàn thành đẹp vậy không biết.
    @Trungz001:nguồn bác ấy quấn không có điểm giữa nên không thể nắn thuần đèn ạ.
     
  4. mrhung

    mrhung Advanced Member

    Joined:
    25/2/10
    Messages:
    592
    Likes Received:
    1
    Re: Ultra Low Cost (ULC) - EL84 Push Pull đã có PCB (P-124)

    Ps: garbolino bác làm đẹp quá!!!
     
  5. lonelyghos

    lonelyghos Advanced Member

    Joined:
    1/2/07
    Messages:
    223
    Likes Received:
    35
    Re: Ultra Low Cost (ULC) - EL84 Push Pull đã có PCB (P-124)

    Cái bóng ở giữa bọn EL tám tư là bóng gì mà trông gọn gàng vậy ta?
     
  6. ongkhoi

    ongkhoi Advanced Member

    Joined:
    5/12/09
    Messages:
    266
    Likes Received:
    5
    Re: Ultra Low Cost (ULC) - EL84 Push Pull đã có PCB (P-124)

    [quote="trungz001

    EL 84 chưa có xiền nên dùng tạm 6P14P

    í bác nguồn ko có CT là sao ạ , e tưởng nguồn từ biến thế mình cắm trực típ vào chứ ạ[/quote]
    Vì theo thiết kế ban đầu là bóng nắn + nguồn đôi 280-CT-280.Bác ý ko có cái CT nên nắn bằng đi ot rồi mới cho vào bo.
    Bo EL84 và 6P14 khác nhau mà.Sao bác lại dùng chung đc ah?
     
  7. ddinhchi

    ddinhchi Advanced Member

    Joined:
    8/1/09
    Messages:
    1.045
    Likes Received:
    13
    Location:
    Ha Noi
    Re: Ultra Low Cost (ULC) - EL84 Push Pull đã có PCB (P-124)

    EL84 và 6P14 là tương đương chứ bác.
    EL84 khác 6P1P thôi bác ạ.
     
  8. mrseven

    mrseven Advanced Member

    Joined:
    28/10/09
    Messages:
    3.646
    Likes Received:
    5
    Re: Ultra Low Cost (ULC) - EL84 Push Pull đã có PCB (P-124)

    Đẹp quá Mr. Về Đâu TĐG ơi !
     
  9. Ultraline

    Ultraline Advanced Member

    Joined:
    14/8/09
    Messages:
    4.757
    Likes Received:
    36
    Re: Ultra Low Cost (ULC) - EL84 Push Pull đã có PCB (P-124)

    Đẹp qua cụ Gà ơi,cho anh em cái giá nếu muốn đặt bác làm y chang như cái của bác đi. :D

    Em đăng ký vỏ hộp luôn đây:

    1. Ultraline 1 bộ vỏ hộp hoàn chỉnh.
    2.
    3.
    ...


    n....

    Mời các bác. :D

    P/S: Không có CT thì nắn 1/2 diode,1/2 đèn vẫn được mà. :wink:
     
  10. trungz001

    trungz001 Advanced Member

    Joined:
    12/6/09
    Messages:
    927
    Likes Received:
    3
    Location:
    Q3 HCMC
    Re: Ultra Low Cost (ULC) - EL84 Push Pull đã có PCB (P-124)

     
  11. Ultraline

    Ultraline Advanced Member

    Joined:
    14/8/09
    Messages:
    4.757
    Likes Received:
    36
    Re: Ultra Low Cost (ULC) - EL84 Push Pull đã có PCB (P-124)

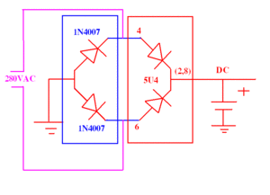
    Vì bác Gà không có điểm CT nên buộc nắn cầu(toàn kỳ) thì mới đủ áp.

    Bác xem cái bóng 5U4 là 2 con diode,bác cần có 2 con 1N4007 nữa là thành cầu,bác ghép theo sơ đồ em vẽ dưới đây:


    2 cái khung màu xanh và đỏ em vẽ để bác phân biệt 2 loại linh kiện nắn điện chứ không phải đường nối mạch.

    Vẫn cần đốt tim 5V cho bóng nắn nhá,em ký hiệu số chân phía đèn nắn luôn rồi đó,chân 2 và 8 đã được em làm đốt tim dưới mạch in rồi,bác chỉ hàn thêm 2 con 1N4007 là xong :D

    Nhớ là hàn đúng chiều diode,nếu sai nó sẽ bùm :lol:
     

    Attached Files:

  12. garbolino

    garbolino Advanced Member

    Joined:
    28/3/07
    Messages:
    6.862
    Likes Received:
    11
    Location:
    ZVL Skalica
    Re: Ultra Low Cost (ULC) - EL84 Push Pull đã có PCB (P-124)


    Cám ơn bác nhiều, chơi gì lại chơi hù thế, nó bùm thật là chít đấy. :lol:
     
  13. Ultraline

    Ultraline Advanced Member

    Joined:
    14/8/09
    Messages:
    4.757
    Likes Received:
    36
    Re: Ultra Low Cost (ULC) - EL84 Push Pull đã có PCB (P-124)

    Lấy 2 con diode 1N4007 để song song và cùng chiều nhau,lấy 2 chân của đầu không có vạch trắng ngoái lại chung với nhau,hàn chổ chung này vào mass của PCB,2 đầu còn lại hàn vào 2 điểm AC,con nào hàn vào AC nào cũng OK

    Làm kiểu này không lo bị ...bùm :lol:
     
  14. mytho

    mytho Advanced Member

    Joined:
    17/2/09
    Messages:
    78
    Likes Received:
    12
    Re: Ultra Low Cost (ULC) - EL84 Push Pull đã có PCB (P-124)

     
  15. kulyman

    kulyman Advanced Member

    Joined:
    6/11/08
    Messages:
    81
    Likes Received:
    0
    Re: Ultra Low Cost (ULC) - EL84 Push Pull đã có PCB (P-124)

    Đẹp quá bác Garbolino ơi!

    Em cập nhật tiếp nhé!

    1. Ultraline 1 bộ vỏ hộp hoàn chỉnh.
    2. Trungz001 1 bộ vỏ hộp hoàn chỉnh
    3. mytho 1 bộ vỏ hộp hoàn chỉnh
    4. kulyman 1 bộ vỏ hộp hoàn chỉnh


    Thanks.
     
  16. luatvista

    luatvista Advanced Member

    Joined:
    2/7/08
    Messages:
    902
    Likes Received:
    5
    Re: Ultra Low Cost (ULC) - EL84 Push Pull đã có PCB (P-124)

    Em tiếp ạ
    1. Ultraline 1 bộ vỏ hộp hoàn chỉnh.
    2. Trungz001 1 bộ vỏ hộp hoàn chỉnh
    3. mytho 1 bộ vỏ hộp hoàn chỉnh
    4. kulyman 1 bộ vỏ hộp hoàn chỉnh
    5. luatvista 1 bộ vỏ hộp hoàn chỉnh
     
  17. lonelyghos

    lonelyghos Advanced Member

    Joined:
    1/2/07
    Messages:
    223
    Likes Received:
    35
    Re: Ultra Low Cost (ULC) - EL84 Push Pull đã có PCB (P-124)

    - C9 22uf/400v thay bằng tụ 47uf/450v
    - C8,4 390uf/35v thay bằng tụ 470uf/35v
    Có được không hả các bác ơi?, kiếm con tụ ở C15 100uf/100v khó quá.
     
  18. Ultraline

    Ultraline Advanced Member

    Joined:
    14/8/09
    Messages:
    4.757
    Likes Received:
    36
    Re: Ultra Low Cost (ULC) - EL84 Push Pull đã có PCB (P-124)

    - C9 22uf/400v thay bằng tụ 47uf/450v => Tốt
    - C8,4 390uf/35v thay bằng tụ 470uf/35v => OK
    Có được không hả các bác ơi?, kiếm con tụ ở C15 100uf/100v khó quá => thay bằng 100uF/160V
     
  19. lonelyghos

    lonelyghos Advanced Member

    Joined:
    1/2/07
    Messages:
    223
    Likes Received:
    35
    Re: Ultra Low Cost (ULC) - EL84 Push Pull đã có PCB (P-124)

    ==>100uf/200v được không?
     
  20. Ultraline

    Ultraline Advanced Member

    Joined:
    14/8/09
    Messages:
    4.757
    Likes Received:
    36
    Re: Ultra Low Cost (ULC) - EL84 Push Pull đã có PCB (P-124)

    Tốt luôn,bác tăng áp lên thì an toàn hơn chứ có bị sao đâu. :D
     
  21. lonelyghos

    lonelyghos Advanced Member

    Joined:
    1/2/07
    Messages:
    223
    Likes Received:
    35
    Re: Ultra Low Cost (ULC) - EL84 Push Pull đã có PCB (P-124)

    xong vụ này em cũng đỡ xxx đi một chút, cám ơn bác :D
     
  22. motvisao25

    motvisao25 Advanced Member

    Joined:
    17/11/09
    Messages:
    355
    Likes Received:
    0
    Location:
    Bình Dương new city
    Re: Ultra Low Cost (ULC) - EL84 Push Pull đã có PCB (P-124)

     
  23. DaiHoang

    DaiHoang Advanced Member

    Joined:
    22/7/06
    Messages:
    104
    Likes Received:
    11
    Location:
    HCM
    Re: Ultra Low Cost (ULC) - EL84 Push Pull đã có PCB (P-124)

    Em xin cập nhật tiếp:

    1. Ultraline 1 bộ vỏ hộp hoàn chỉnh.
    2. Trungz001 1 bộ vỏ hộp hoàn chỉnh
    3. mytho 1 bộ vỏ hộp hoàn chỉnh
    4. kulyman 1 bộ vỏ hộp hoàn chỉnh
    5. luatvista 1 bộ vỏ hộp hoàn chỉnh
    6. motvisao25 1 bộ vỏ hộp hoàn chỉnh
    7. Daihoang 1 bộ vỏ hộp hoàn chỉnh

    Tiện thể bác nào còn thừa tụ 22uF/450v ko ah? Share em với bù lại em đổi 100uF/400v của Ninchicon tháo máy. :mrgreen:
     

    Attached Files:

  24. motvisao25

    motvisao25 Advanced Member

    Joined:
    17/11/09
    Messages:
    355
    Likes Received:
    0
    Location:
    Bình Dương new city
    Re: Ultra Low Cost (ULC) - EL84 Push Pull đã có PCB (P-124)

    pansonic 47uF/450V: 65.000/Chiếc hoặc Nichicon 47uF/450V: 100.000/chiếc trên NCC shop đó bác (có mua cho ké vài con trở với, mua it quá shop không bán)
    100uF/400v của Ninchicon gắn vào board hoi vất vả
     
  25. daiduongxanh14113

    daiduongxanh14113 Approved Member

    Joined:
    28/1/10
    Messages:
    18
    Likes Received:
    11
    Re: Ultra Low Cost (ULC) - EL84 Push Pull đã có PCB (P-124)

    Em xin cập nhật tiếp:

    1. Ultraline 1 bộ vỏ hộp hoàn chỉnh.
    2. Trungz001 1 bộ vỏ hộp hoàn chỉnh
    3. mytho 1 bộ vỏ hộp hoàn chỉnh
    4. kulyman 1 bộ vỏ hộp hoàn chỉnh
    5. luatvista 1 bộ vỏ hộp hoàn chỉnh
    6. motvisao25 1 bộ vỏ hộp hoàn chỉnh
    7. Daihoang 1 bộ vỏ hộp hoàn chỉnh
    8. Daiduongxanh14113 2 bộ vỏ hộp hoàn chỉnh

    Em làm 2 bộ: 1 để xài và 1 để tặng.
    Cảm ơn các bác!
     

Share This Page

Loading...