Ultra Low Cost (ULC) - EL84 Push Pull

Discussion in 'Đèn điện tử' started by Ultraline, 2/9/09.

  1. <NQH>

    <NQH> Advanced Member

    Joined:
    14/1/09
    Messages:
    293
    Likes Received:
    0
    Em vừa thay cái volume Nhật Tảo trị giá 3.000 VNĐ bằng cái volume ALPS Tàu khựa mua ở 1 shop trên VNAV mình :mrgreen: . Không hy vọng gì nhiều ở cái volume này nhưng nó đã giải quyết được vụ rè rè và ù ù :D .
    Mà không hiểu sao phải vặn gần nửa thì âm lượng mới bằng được cái cũ vặn 1/4.

    Riêng chuyện xả linh kiện em không ngán, giờ kinh nghiệm đầy mình rồi, cái đế đèn 9 chân em còn xả ra nguyên vẹn được thì xá gì cái volume 6 chân này. Cái chỗ tụ thoát và trở hồi tiếp em tháo ra gắn vô để thử hơn 1 chục lần rồi, chưa thấy bị tróc mạch giống trước kia :lol:
     
  2. motvisao25

    motvisao25 Advanced Member

    Joined:
    17/11/09
    Messages:
    355
    Likes Received:
    0
    Location:
    Bình Dương new city
    Đồ "nhật" gắn vô không rè rè tính ra đồ 3k cũng ngon nhể, vụ ALPS em cũng dính hết 1 cặp rồi. còn vụ nghe nhỏ hơn khi vặn cùng mức thì có thể là cái volume mới này giá trị trở nhỏ hơn, anh xem thử coi.
     
  3. newpower

    newpower Advanced Member

    Joined:
    8/4/09
    Messages:
    1.761
    Likes Received:
    81
    EL 84 có Vamax = 300V nhưng giá trị TK typical là 280V. Các bác có thể chạy cao hơn nhưng sẽ có những hiện tượng như đã nêu ở trên. Vì vậy Em rì com men với các bác là nên chạy 280V đến 300V thôi. BA 280 V là để nắn sụt áp qua đèn nắn, choke và tụ lọc trước choke theo tiêu chuẩn.Vì các bác gắn tụ này lớn hơn trị số TK nên áp ra mới lớn. Tất nhiên nếu bác nào KHg bị sự cố gì thì để vậy chạy cho nó mạnh như... SUMOL nhưng chuẩn bị thêm bóng sơ cua để 1 năm thay bộ bóng 1 lần
     

    Attached Files:

  4. <NQH>

    <NQH> Advanced Member

    Joined:
    14/1/09
    Messages:
    293
    Likes Received:
    0
    Cũng 100k như nhau bác ơi, nhưng hình như bác đọc nhầm ý em rồi, cái ALPS Tàu thay cho cái Nhật Tảo 3 ngàn :lol:. Cái này mua lâu rồi nhưng sau khi mua mới biết đồ rởm, em quăng trong tủ luôn, giờ lấy ra xài đỡ
     
  5. datjbl

    datjbl Advanced Member

    Joined:
    17/6/10
    Messages:
    990
    Likes Received:
    1
    Location:
    The beginning of the Wind !
    Nếu gắn đúng thiết kế , sau nắn đến B+của OPT vào khoảng 265V nếu dùng 6Pi14Pi , với EL84 là 270 V , về cơ bản em chơi đúng ý tưởng nhà thiết kế nên kô ù xì gì, chạy 16 tiếng cắm điện liên tục , tuy nhiên các vấn đề như Volume thì ngay từ đầu em đã dùng linh kiện ALPS xịn ,tiếc là em đưa cái này cho nhạc phụ nên không có máy ở đây đo các điểm điện áp cho các cụ , nhưng em chỉnh đúng như điểm điện áp đã up trên trang 2 trăm mấy gì đó , còn vấn đề linh kiện trong mạch các bác không nên cầu kỳ quá , có thể thay đổi sao cho ăn dòng như thiết kế , điện áp như thiết kế là ổn thôi . Khi DIY các bác chỉ cần lưu ý điện áp các điểm , và dòng qua từng bóng theo nhà thiết kế , gain đúng cho từng tầng , đương nhiên sẽ không xảy ra hiện tượng ngoài mong muốn, các giá trị điện trở có thể thay đổi sao cho điện áp và dòng chảy qua từng bóng đúng là được , không nhất thiết trên sơ đồ ghi 100 K là lắp đúng 100 K , khi đo điện áp và dòng không đúng có quyền thay nó , chỉ nhắc lại duy nhất : Điện áp và dòng đúng như thiết kế là OK . Ngoài ra các bác có thể nên cắm dây nguồn và dây OPT thay cho các chân cắm trên đó , việc đó sẽ yên tâm nhiều vấn đề khác nữa đấy, em làm cách này , hàn là yên tâm, cắm rồi vặn vít nó không hí èn :D
     
  6. <NQH>

    <NQH> Advanced Member

    Joined:
    14/1/09
    Messages:
    293
    Likes Received:
    0
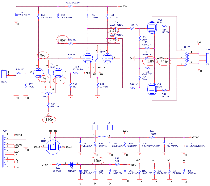
    Chào các bác, cái ampli của em cuối cùng cũng có cái hộp để nhét vô. Em cũng khá ưng cái bụng với nó, nhưng trước khi nhét vô hộp để hoàn tất cái dự án này, em mong bác Ul tư vấn để em mod lần cuối cho thật vừa ý.

    Đây là điện em đo thực tế (trong khoanh tròn màu đỏ)

    [​IMG]

    Áp âm trước điện trở 47k/2W của em là -115V, em có thể thay đổi con điện trở R47 7,5k để áp âm đạt được -100V được không, và như thế điện áp tại anot đèn đầu có đạt được gần 104v và áp trước tụ nối tầng đạt được khoảng 185v như điện áp mong muốn không ạ.
    Nếu trường hợp trên không khả thi thì em có thể thay 2 con trở 47k/2W bằng giá trị bao nhiêu để có được áp anot đèn đầu như áp chuẩn mong muốn.

    Vấn đề thứ 2 là áp B+ của em hiện là 303v, nghe bác nào nói áp thế thì 1 năm thay 1 bộ bóng :mrgreen: , phí quá nhỉ. Bác cho em hỏi em thay 04 con trở thoát katot giá trị bao nhiêu thì áp B+ đạt được 280v ạ.

    Mong bác trả lời em, hôm bữa em nhờ bác chỉ em công thức tính, bác hứa chắc như đinh. Thế mà khi gặp lo bia bọt rồi về không, nên giờ em đành vịn vào bác thôi :lol: .
    Thân
     
  7. motvisao25

    motvisao25 Advanced Member

    Joined:
    17/11/09
    Messages:
    355
    Likes Received:
    0
    Location:
    Bình Dương new city
    Cho xin giá trị R46 và con zener đi anh ơi
     
  8. <NQH>

    <NQH> Advanced Member

    Joined:
    14/1/09
    Messages:
    293
    Likes Received:
    0
    áp tại zener là -150V đó bác, hơi nhiều đúng không ạ, còn áp ở R46 em chưa đo :lol:
     
  9. motvisao25

    motvisao25 Advanced Member

    Joined:
    17/11/09
    Messages:
    355
    Likes Received:
    0
    Location:
    Bình Dương new city
    phương án tăng R47 lên là dễ nhất, bác thử 8,2k thử xem
     
  10. <NQH>

    <NQH> Advanced Member

    Joined:
    14/1/09
    Messages:
    293
    Likes Received:
    0
    Vâng, để em thử, cảm ơn bác
     
  11. luatvista

    luatvista Advanced Member

    Joined:
    2/7/08
    Messages:
    902
    Likes Received:
    5
    Em cũng giống bác, em đang tính giảm tụ lọc nguồn sau đèn nắn và giảm giá trị điện trở thoát catod của đèn công suất xem sao nè. :)
     
  12. longpcb

    longpcb Advanced Member

    Joined:
    16/9/08
    Messages:
    2.175
    Likes Received:
    23
    Location:
    Gầm gầm cầu!
    Báo cáo các Bác là sau nhièu cố gắng cuối cùng Em cũng hoàn thành! Chỉ mỗi tội là kêu có 1 kênh, mà nó kêu cứ run run như ma đói ý! Em đo cao áp thì lên đến +340V(trước nắn là 280V - 0 - 280V) còn điện áp đốt tim 6V3 còn 4V5, 5V thì còn 3V3! Tình hình này Em phải làm lại Cục nguồi ròi! chán quá đành để ra Tết vậy!
     
  13. luatvista

    luatvista Advanced Member

    Joined:
    2/7/08
    Messages:
    902
    Likes Received:
    5
    Điện áp đốt t...im :lol: của bác thấp quá, còn cao áp thì hơi cao.
    Tiếng em nó run run là phải bác ạ, đốt tim đủ và cao áp thấp xuống tí tiếng sẽ rất ok.
     
  14. longpcb

    longpcb Advanced Member

    Joined:
    16/9/08
    Messages:
    2.175
    Likes Received:
    23
    Location:
    Gầm gầm cầu!
    Em không hiểu vì sao mà cao áp nó lên cao thế! nguồn Em đo AC đúng là 280V mà sao sau nắn nó lên cao thế?
     
  15. cuongnm

    cuongnm Advanced Member

    Joined:
    28/5/09
    Messages:
    2.502
    Likes Received:
    10
    Location:
    HLGA - GẦM...
    đốt tim yếu ! cây el84 ăn ít dòng chứ sao ! gắn tạm cái ba 220/ 6v - 2a vào đốt tim đi !@
     
  16. longpcb

    longpcb Advanced Member

    Joined:
    16/9/08
    Messages:
    2.175
    Likes Received:
    23
    Location:
    Gầm gầm cầu!
    Chắc Em phải để qua Tết rồi! Vợ kêu kinh quá ko làm dc huynh ạ!
     
  17. luatvista

    luatvista Advanced Member

    Joined:
    2/7/08
    Messages:
    902
    Likes Received:
    5
    Tình hình rất ư là tình hình, :p
    Tết nhất các bác lo nhậu nhẹt nên chẳng thấy ai cập nhật tiến độ gì cả. :mrgreen:
     
  18. ThanhTruc03

    ThanhTruc03 Advanced Member

    Joined:
    5/12/05
    Messages:
    2.648
    Likes Received:
    20
    Những vị trí quan trọng là cathode đèn thì bạn lại chưa đo
     
  19. ThanhTruc03

    ThanhTruc03 Advanced Member

    Joined:
    5/12/05
    Messages:
    2.648
    Likes Received:
    20
    Những vị trí quan trọng là áp cathode đèn thì bạn chưa đo
     
  20. datjbl

    datjbl Advanced Member

    Joined:
    17/6/10
    Messages:
    990
    Likes Received:
    1
    Location:
    The beginning of the Wind !
    Chúc mọi người năm mới DIY nhiều sản phẩm hay , và rẻ . Linh kiện đầy nhà , mọi dự án đều hoàn thành .
    Bác Ul luyện công mấy ngày tết lâu quá, tắt di động , hôm nay mọi người đã bắt đầu bật mỏ hàn ( Trong đó có em :) ) , mong bác sớm trở lại để mọi người nhận tấm PCB đợt cuối cùng vừa rồi . tiếp tục DIY EL84 này .
    @ Cụ Gà ơi ! mấy hôm ra Bắc mệt không , máy móc thế nào , mong cụ chuẩn bị máy móc tốt giúp tụi emmaays cái áo của EL84 này . Em xin đặt hàng 1 em cấu hình đẹp nhất , cụ show lại các cấu hình để mọi người tham khảo nha , hay cụ cũng update cái áo của em này lên version mới đê :D . mấy hôm nữa bác Ul xuất hiện em hỏi mấy cái chụp b/áp , em sắp xếp vị trí ròi chụp ảnh, cụ gà giúp em cái áo . Em lên danh sách nha, ai có nhu cầu mời tiếp tục :
    1- datjbl
    2-...................
    3-...................
    ....................... Mời các cụ để cụ gà khai ĐAO một thể :mrgreen:
     
  21. Ultraline

    Ultraline Advanced Member

    Joined:
    14/8/09
    Messages:
    4.757
    Likes Received:
    36
    Trời,có vài cái nắp thôi chứ em có nhiều đâu mà lập danh sách :roll:

    Vài hôm nữa qua bên đó em mua nhiều rồi tính. :wink:

    Cụ nào cần tám với em thì gọi em số mới nhá,em không có số của ai trong danh bạ hết á. :roll:
     
  22. <NQH>

    <NQH> Advanced Member

    Joined:
    14/1/09
    Messages:
    293
    Likes Received:
    0
    Cái topic dạo này ế nhỉ :mrgreen:

    Cảm ơn bác nhắc em, em xin bổ sung thêm áp catot
    [​IMG]

    Áp này em đo được khi em gắn mỗi kênh 1 con trở 220 ohm // 1 con 470 ohm, áp B+ đo được là 286V. Em để nghe luôn vì ...chẳng biết nghịch gì nữa :D.

    Lạ 1 điều là khuya em để volume liu riu thì khi tắt máy thấy cục biến áp nguồn và trở, tụ thoát catot khá nóng. Còn khi vặn âm lượng đủ nghe thông thường thì rờ vô mấy thứ đó thấy ấm ấm. Lạ ghê, chẳng hiểu luôn :mrgreen:
     
  23. luatvista

    luatvista Advanced Member

    Joined:
    2/7/08
    Messages:
    902
    Likes Received:
    5
    Em nghĩ tại lúc đó tụ xả nên điện trở thoát catot nóng là đúng rồi bác ạ. :mrgreen:
     
  24. luatvista

    luatvista Advanced Member

    Joined:
    2/7/08
    Messages:
    902
    Likes Received:
    5
    Sau một thời gian nghịch ngợm và tham khảo ý kiến của bác chủ và các cao thủ, đến nay con EL88PP của em đang hót khá tốt. (theo cảm nhận của riêng em) Đèn công suất chạy chế độ 3 cực như bác tcquocanh xúi . :mrgreen:
    Tụ lọc sau đèn của em hiện nay là 10uF, B+ của đèn EL84 là 284V, catốt đèn công suất là 11V.
    Đèn pre đầu tiên áp anốt là khoảng trên dưới 95V, catốt đèn pre đầu là 3V.
    anod đèn driver khoảng trên dưới 200V chút, catod đèn driver khoảng 99 - 100V.
    Nghe một vài bữa nữa em sẽ thử đổi tụ nối tầng, hiện tại em vẫn dùng 0.1uF Soshin mà sao tiếng bass vẫn khá nhiều, nâng cấp lên 0.22uF em sợ bass lùng nhùng quá. :lol: Các bác cho em ý kiến nào. :roll:
     
  25. motvisao25

    motvisao25 Advanced Member

    Joined:
    17/11/09
    Messages:
    355
    Likes Received:
    0
    Location:
    Bình Dương new city
    Bác liệt kê các công đoạn thông số linh kiện để chuyển đổi sang 3 cực với, nghe các bác review em cũng thấy máu quá
     

Share This Page

Loading...