Ultra Low Cost (ULC) - EL84 Push Pull

Discussion in 'Đèn điện tử' started by Ultraline, 2/9/09.

  1. minhtriet

    minhtriet Advanced Member

    Joined:
    12/2/08
    Messages:
    4.527
    Likes Received:
    6
    Location:
    Huế
    Re: Dự án: 12W/36W Push Pull Tube Amplifier-Untra Low Cost.

    Hehe, đây là dự án chung mà :D, vì vậy nếu bác hướng dẫn thì mỗi bác tham gia tự ngồi luồn kim mà thôi :D
    Theo em nếu opt mà dùng xuyến chắc bác nào cũng thích.
     
  2. ddinhchi

    ddinhchi Advanced Member

    Joined:
    8/1/09
    Messages:
    1.045
    Likes Received:
    13
    Location:
    Ha Noi
    Re: Dự án: 12W/36W Push Pull Tube Amplifier-Untra Low Cost.

    1.hieu_ma: 2 board mạch 36W hoàn chỉnh,2 OPT,2 biến áp nguồn + bóng (6ohm/kênh)
    2.tuannh66:2 board mạch 36W hoàn chỉnh,2 OPT,2 biến áp nguồn.
    3.taigl:2 board mạch 12W hoàn chỉnh,2 OPT,2 biến áp nguồn.
    4.kulyman:2 board mạch 12W hoàn chỉnh-không bóng,2 OPT,2 biến áp nguồn.
    5.wfo555:2 board mạch in 36W.
    6.longpcb:2 board mạch in 36W.
    7.longpcb:2 board mạch in 12W,2 OPT.
    8.tranchien:2 board mạch in 12W(không linh kiện),2 OPT.
    9.Bluestar: đầy đủ
    10.Sibachao:2 board mạch in 12W (chỉ lấy board và đèn),2 OPT,2 biến áp nguồn
    11 piratevn : 2 board mạch 12W hoàn chỉnh,2 OPT,2 biến áp nguồn. ( Full )
    12. kobietgi :2board 36w hoàn chỉnh, 2 OPT, 2 biến áp nguồn (full)
    13.meoptt:2board 36w hoàn chỉnh, 2 OPT, 2 biến áp nguồn (full)
    14. ssass : 2 board mạch 12w Sài Gòn (không linh kiện) + bóng .
    15 anhlongtranf: 1 bo 12W + 1 bo 36W (không linh kiện) + đủ bóng
    16.vusonlvb:2 board mạch in 36W.
    17.khangdep: 2 board 12w, 2 OPT,2 biến áp nguồn đủ bóng(có đế). (không linh kiện)
    18. niubai68 : 2board 12w , 2 OPT , đủ bóng.
    19. chinh93q: 2board 36w hoàn chỉnh, 2 OPT, 2 biến áp nguồn (full).
    20.dungphuong79: 2boar 12w hoàn chỉnh,2OPT,2 biến áp nguồn
    21. Nghe ke : 2 board 36W, 1 OPT, 1 biến áp nguồn + bóng ( một bộ )
    22. luatvista : 2 board mạch in 12W , 2 OPT, 2 biến áp nguồn
    23. waangfu77: 2 board mạch in 36W , 2 OPT, 2 biến áp nguồn.
    24. ddinhchi: 02 board mạch in 12w hoàn chỉnh, 2 opt, 2 biến áp nguồn, đủ bóng có đế
    ...

    Các bác tiếp tục đi.
     
  3. Ultraline

    Ultraline Advanced Member

    Joined:
    14/8/09
    Messages:
    4.757
    Likes Received:
    36
    Re: Dự án: 12W/36W Push Pull Tube Amplifier-Untra Low Cost.

    Nếu OPT xuyến thì mình đặt ngay từ đầu cho họ làm,chứ mua loại họ quấn phân nữa về tự quấn phân nữa thì ampli của mổi bác kêu mổi khác ... :lol:

    Tùy các bác,chơi xuyến thì đặt xuyến thôi,cái này trong đây rất nhiều chổ quấn nhưng giá nó cao hơn EI thôi.

    Biến áp đắt thì công sức em từ đầu tới giờ coi như...xong. :lol:
     
  4. minhtriet

    minhtriet Advanced Member

    Joined:
    12/2/08
    Messages:
    4.527
    Likes Received:
    6
    Location:
    Huế
    Re: Dự án: 12W/36W Push Pull Tube Amplifier-Untra Low Cost.

    Hehe, chưa chắc xuyến đã đắt hơn EI.
    Bộ đổi điện HC 100W giá khoảng 90k, biến áp tương đương 50W ngoài chợ cũng cỡ 70k rồi mà chất lượng kém hơn nhiều lắm. Nếu bác đặt số lượng thì mình nghĩ chênh lệch cũng không nhiều mà các bác khác cũng thừa sức đu theo.
    Bác nào đồng ý với em giơ tay lên nào :lol:
     
  5. Ultraline

    Ultraline Advanced Member

    Joined:
    14/8/09
    Messages:
    4.757
    Likes Received:
    36
    Re: Dự án: 12W/36W Push Pull Tube Amplifier-Untra Low Cost.

    Bộ đổi điện đó nó chỉ có 1 cuộn không có thứ cấp,loại có nhiều cuộn nó sét máy quấn tới lui hoặc phải có nhiều máy mới quấn được nên nó đắt bác ui.

    Ampli bán dẩn em làm trước đây nếu mua EI giá 150K là tổ chảng,nhưng xuyến cùng công suất giá cao hơn 1/3 là chuyện thường,lại nhỏ nhẹ hơn.


    Tùy các bác quyết định :D

    Em dự định cả cái ampli:

    Loại 12W giá không cao hơn 1.2M luôn cả vỏ hộp.
    Loại 36W giá không cao hơn 2.5M kể cả vỏ hộp.

    Tầm này thì nghèo như em mới chơi được,thêm chút xíu nữa sẽ có dự định khác ngay. :lol:


    Thân.
     
  6. anhlongtranf

    anhlongtranf Advanced Member

    Joined:
    10/2/09
    Messages:
    1.313
    Likes Received:
    4
    Re: Dự án: 12W/36W Push Pull Tube Amplifier-Untra Low Cost.

    Dự án của bác chủ topic đang lên cơn sốt rồi. Phen này bác chủ lại mất ăn mất ngủ vì bị hỏi tới hỏi lui đây. Nếu bác có mệt quá thì chia sẻ với anh em nhé.
     
  7. nonew

    nonew Advanced Member

    Joined:
    12/12/05
    Messages:
    703
    Likes Received:
    2
    Location:
    Gò-Vấp, Sài-Gòn
    Re: Dự án: 12W/36W Push Pull Tube Amplifier-Untra Low Cost.

    Thì đó: với lõi 45cm vuông, Fe nguồn, làm OPT
    ... :wink:
    @Ultralinear: Công thức thì đúng nhưng do hiểu sai nên áp dụng sai thôi.
    Cũng không phải cách gọi khác nhau vì chỉ có đúng hoặc sai trong trường hợp này:
    Cuộn sơ cấp 3k5 có điểm giữa thì cách gọi đúng là 875x2 chứ gọi là 1k75x2 là sai cơ bản.
    Trừ phi áp dụng công thức của tiểu học: 3500=1750x2 thì miễn bàn
     
  8. kobietgi

    kobietgi Advanced Member

    Joined:
    9/6/08
    Messages:
    203
    Likes Received:
    0
    Re: Dự án: 12W/36W Push Pull Tube Amplifier-Untra Low Cost.

    Em edit lại 1 phát:
     
  9. coi

    coi Advanced Member

    Joined:
    3/4/06
    Messages:
    2.221
    Likes Received:
    7
    Re: Dự án: 12W/36W Push Pull Tube Amplifier-Untra Low Cost.

    ko biết bác đã gom đủ bóng 6h1 cho ae chưa, e vừa ghé qua mấy shop, bóng 6h1 đã lên giá rùi... :(
     
  10. anhlongtranf

    anhlongtranf Advanced Member

    Joined:
    10/2/09
    Messages:
    1.313
    Likes Received:
    4
    Re: Dự án: 12W/36W Push Pull Tube Amplifier-Untra Low Cost.

    Bác chủ cứ thử liên lạc với nơi quấn BA xuyến xem sao? Nếu giá cả thấy khả thi thì mình quyết. Em nghĩ các đơn vị này cũng cần công việc mà, dự tính có cả trăm BA chứ bộ, mình có thể chơi luông BA nguồn xuyến luôn. Em cũng có 1 em xài xuyến, phải nói là chất âm rất cừ. Mong bác tính toán nhé, với số lượng lớn thì có thể khả thi đó. Dễ gì mà có được việc làm. Quấn BA sẵn bán trầy trật lắm mà bác.
     
  11. ssass

    ssass Advanced Member

    Joined:
    12/8/07
    Messages:
    4.557
    Likes Received:
    94
    Re: Dự án: 12W/36W Push Pull Tube Amplifier-Untra Low Cost.

    có 200 bóng rùi :D , theo em đoán thì bóng này còn nhiều như ... quân Nguyên . nhưng em không thik cái vụ tăng giá này :evil: .
     
  12. oDoh5

    oDoh5 Advanced Member

    Joined:
    30/3/09
    Messages:
    2.001
    Likes Received:
    5
    Location:
    DNCity
    Re: Dự án: 12W/36W Push Pull Tube Amplifier-Untra Low Cost.

    Bác Phương đồng nát vừa hạ giá đèn lên 30k/cặp, các Bác "sướng" rùi :p
    Thân,
     
  13. anhlongtranf

    anhlongtranf Advanced Member

    Joined:
    10/2/09
    Messages:
    1.313
    Likes Received:
    4
    Re: Dự án: 12W/36W Push Pull Tube Amplifier-Untra Low Cost.

    Mấy ngày trước em gom được 10 bóng 6H1 có 10k/bóng. Kinh tế đang suy thoái mà nhà đèn tăng giá quá.
     
  14. Bluestar

    Bluestar Advanced Member

    Joined:
    21/3/09
    Messages:
    1.138
    Likes Received:
    6
    Location:
    XÓ CHỢ-GÒ VẤP
    Re: Dự án: 12W/36W Push Pull Tube Amplifier-Untra Low Cost.

    Cũng hơi bực cái vụ tăng giá này nhỉ, em rất ủng hộ các bác DIY đồ chơi cho anh em, ... Bởi vậy em ủng hộ cái dự án này từ đầu mặc dù em cũng biết DIY đèn, em luôn ủng hộ vì tinh thần VNAV.
    Kính
     
  15. oDoh5

    oDoh5 Advanced Member

    Joined:
    30/3/09
    Messages:
    2.001
    Likes Received:
    5
    Location:
    DNCity
    Re: Dự án: 12W/36W Push Pull Tube Amplifier-Untra Low Cost.

    Thôi rồi topic lại đổi tên thành amp nhà giàu rồi bóng lên giá 50% mà vẫn ung dung mua về chơi.
    Thân,
     
  16. Ultraline

    Ultraline Advanced Member

    Joined:
    14/8/09
    Messages:
    4.757
    Likes Received:
    36
    Re: Dự án: 12W/36W Push Pull Tube Amplifier-Untra Low Cost.

    Em gà trong vụ quấn OPT,bác chứ mạnh dạng chỉ dạy để em hoàn thành dự án này cho các anh em cùng chơi ạ.

    Cái fe chuyên dùng làm OPT thì em không tìm ra số nhiều để anh em chơi đâu,để em quấn thử bằng loại em tính toán,nếu nó OK thì triển khai,không OK thì em chơi xuyến.

    Cảm ơn bác nonew nhiều lắm ạ.

    Thân.
     
  17. Ultraline

    Ultraline Advanced Member

    Joined:
    14/8/09
    Messages:
    4.757
    Likes Received:
    36
    Re: Dự án: 12W/36W Push Pull Tube Amplifier-Untra Low Cost.

    Xem như em là 1 thành viên máu lửa với phong trào DIY,nhưng trong lĩnh vực OPT em rất gà.

    Rất nhiều thành viên kỳ cựu trên diển đàn nhà ta có quá nhiều kiến thức và kinh nghiệm về OPT,em rất mong nhận được những bài viết chia sẽ và nội dung có chất lượng thông tin cao để em và các newbie khác học được nhiều điều liên quan đến lĩnh vực OPT này.

    Việc làm OPT cần có những người như thế để dự án được triển khai suông sẽ không gặp vấn đề,đỡ mất công sức cũng như tiền bạc của các newbie...nghèo như chúng em.


    Kính.
     
  18. Ultraline

    Ultraline Advanced Member

    Joined:
    14/8/09
    Messages:
    4.757
    Likes Received:
    36
    Re: Dự án Ampli Đèn Push Pull 12W/36W Dành Cho Người Nghèo!

    Vì cái dự án này nó đang chạy tốt tại nhà em (em là 1 thành viên kỹ thuật củ của diển đàn và em có đầy đủ trang thiết bị để có thể kết luận nó là đúng hay chưa đúng,tốt hay chưa tốt...về mặt kỹ thuật)

    Những cái chưa liên quan đến nội dung của topic này thì em chưa quan tâm nên chưa tìm hiểu và chưa biết cũng là chuyện thường tình.

    Riêng cái OPT loại 12W thì em đang có OPT zin và có tài liệu nên không gặp khó khăn.

    Cái OPT cho loại 36W thì em đang dùng loại xuyến em đặt trước đây để cung cấp cho các thành viên khác nhưng giao dịch không thành nên nó vẫn còn ở nhà em và em đang dùng nó.
    kết quả vẫn rất tốt,em nói tốt thì nó đã thật sự tốt vì em là người cực đoan về kỹ thuật như có bác đã từng đánh giá về em.

    Cái OPT 36W này dự định sẽ làm là EI cho giá rẻ phù hợp với tiêu chí của topic em lập ra,và việc tính toán cũng như tìm vật tư phổ biến để làm em đang gặp khó khăn(có bác nhìn thấy em tính toán sai) thì em sẽ tính lại,việc được các bác giỏi OPT hướng dẩn làm thì em rất cảm kích và ghi nhận đóng góp của họ.Nếu không được hổ trợ thì em sẽ tự bơi :D

    Nhưng bài xích nhau thì em không vui,vì học trước sẽ biết trước,học sau sẽ biết sau ,đọc những bài post như thế này thì em hỏi ngược lại bác là...diển đàn sẽ đi về đâu.

    Đứng trước 1 đề tài mới mẻ em rất cân nhắc khả năng của mình chứ không dám làm bừa đâu ạ.

    Rất mong các cao thủ về OPT vào đây hướng dẩn em thực hiện OPT 36W để dự án này suông sẻ.



    Kính.
     
  19. hieu_ma

    hieu_ma Advanced Member

    Joined:
    8/12/05
    Messages:
    1.009
    Likes Received:
    47
    Location:
    Hà Nội, Việt Nam
    Re: Dự án: 12W/36W Push Pull Tube Amplifier-Untra Low Cost.

    Bác Ultraline cân nhắc cái biến áp xuyến cho dự án 36w của em nhé
    Nếu như chi phí không lên cao hơn nhiều thì đây cũng là 1 lựa chọn đáng cân nhắc bác ạ :lol:
     
  20. minhtriet

    minhtriet Advanced Member

    Joined:
    12/2/08
    Messages:
    4.527
    Likes Received:
    6
    Location:
    Huế
    Re: Dự án: 12W/36W Push Pull Tube Amplifier-Untra Low Cost.

    Theo em thấy nhiều bác vào đây ném đá không lành mạnh tí nào.
    Các topic diy từ trước đến này thông thường bác chủ chỉ là khởi xướng rồi nhờ góp ý của nhiều người để hoàn thiện chứ có ai đúng từ đầu đâu. Đây cũng chỉ là forum, nơi trao đổi và thư giản chứ không phải là trường lớp mà đòi hỏi chính xác. Mỗi người cũng đều vì đam mê âm thanh, kỹ thuật mà vào đây dìu dắt lẫn nhau thôi, không ai là giỏi nhất và cả không ai hoàn thiện cả.
    Bác Ultra mở ra topic này rất hay và giúp ích được cho rất nhiều bác mê amply đèn với chi phí chấp nhận được. Vốn bác ấy rất giỏi về bán dẫn, thời gian gần đây mới chuyển qua đèn nên vụ không nắm hết chân cẳng các loại đèn là bình thường cũng như vụ quấn OPT cũng đang vừa nghiên cứu vừa làm. Bản thân em tube thì mờ mịt, nhưng nếu muốn lắp bất kỳ cái tube nào đối với em cũng là chuyện nhỏ bởi vì cũng như bán dẫn thôi, kỹ thuật mình nắm rồi thì cứ thế mà làm.
    Mấy lời góp ý, nếu các mod thấy là spam thì cứ dọn dẹp.
    Thân.
     
  21. Ultraline

    Ultraline Advanced Member

    Joined:
    14/8/09
    Messages:
    4.757
    Likes Received:
    36
    Re: Dự án: 12W/36W Push Pull Tube Amplifier-Untra Low Cost.

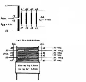
    Em post lại cách tính và quấn OPT 36W.

    Không được trợ giúp thì em tự bơi thôi. :D



    Các bác chọn fe giúp em sao cho axb=12cm vuông là OK.


    Các bác chú ý,em không tính thừa công suất vì em phát hiện thêm 28% công suất thì cái OPT nó lớn khủng bố,dẩn đến giá thành đội lên rất nhiều.
    Vì tiêu chí của topic là rẻ nhất có thể được nên em tính đủ thôi.

    P/S: Cảm ơn các bác đã vào ném đá nên em mới có cơ hội học lại cách tính OPT. :D

    Thank.
     

    Attached Files:

  22. Ultraline

    Ultraline Advanced Member

    Joined:
    14/8/09
    Messages:
    4.757
    Likes Received:
    36
    Re: Dự án: 12W/36W Push Pull Tube Amplifier-Untra Low Cost.

    Part list vật tư của cả 2 loại board để các bác tự lắp chuẩn bị vật tư.

    Loại 12W.


    Loại 36W.


    Vì em dùng tụ lọc nguồn lớn nên để tránh phải dùng mạch khởi động mềm em chọn diode cầu 25A vừa gọn lại vừa chịu được dòng nạp ban đầu của tụ.

    Các bác lưu ý nó là part list của 1 board,muốn làm 2 kênh thì số lượng phải nhân 2.

    Thân.
     
  23. Ultraline

    Ultraline Advanced Member

    Joined:
    14/8/09
    Messages:
    4.757
    Likes Received:
    36
    Re: Dự án: 12W/36W Push Pull Tube Amplifier-Untra Low Cost.

    Không có gì bác Triết ơi.

    Chuyện nhỏ ấy mà.

    Bác tin em là OK. :lol:
    P/S em đã xóa bài hướng dẩn quấn OPT 36W củ.
     
  24. meodenmatlua

    meodenmatlua Advanced Member

    Joined:
    12/3/08
    Messages:
    832
    Likes Received:
    4
    Location:
    Thanh Hóa - Hà Nội
    Re: Dự án: 12W/36W Push Pull Tube Amplifier-Untra Low Cost.

    Em cũng rất ủng hộ bác, có những người như bác những người mới như em mới có cơ hội học hỏi. Em thấy có 1 số bác chê nhưng tại sao ngoài việc chê bai các bác không hướng dẫn cụ thể luôn để mọi người học hỏi.
    Vụ quấn OPT ngoài việc tính toán bác quấn thử nghiệm rồi đo đạc sau đó đưa ra thông số chuẩn là OK bác ạ.
    Chúc bác thành công
     
  25. Ultraline

    Ultraline Advanced Member

    Joined:
    14/8/09
    Messages:
    4.757
    Likes Received:
    36
    Re: Dự án: 12W/36W Push Pull Tube Amplifier-Untra Low Cost.

    Em đã mang fe đi quấn 2 cục OPT theo thông số này vào sáng nay,tối qua em không ngủ được,quyết tâm phải tính cho bằng được OPT để sáng nay đi đặt quấn. :D

    Em không có nhiều thời gian để tự ngồi quấn vì chuyên môn của em không phải việc này,thời gian ngồi quấn em có thể làm được rất nhiều việc khác có hiệu quả hơn.

    Cảm ơn bác đã ủng hộ tin thần.

    Thân.
     

Share This Page

Loading...